Fórum témák
» Több friss téma |
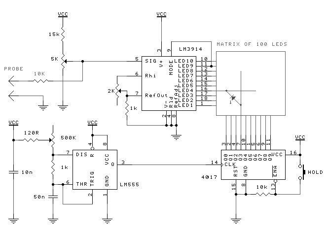
Sziasztok. van ez a kapcsolas ami egy Oscilloscope Ledbol. Az szeretnem kerdezni h valaki nem tudna egy nyak rajzt adni es esrdemes e el kesziteni amator szintre. Es Hogyan kell megtervezni a matrixot. Vagy esetlek valakinek egy mas kapcsolasa?
Szerinted 100 LED (képpont) mekkora felbontást adna? Ez csak játék....
Hello!
Megépíteni, megépítheted, de csodát ne várj tőle. Tehát ezt arra értem, hogy egy tökéletesen szabályos jel megjeleítésére jó, de azonkívűl másra nem nagyon. Jeltorzítás, amplitudó, periódúsidő, frekvencia pontos leolvasására alaklmatlan, tehát amire valójában használni kellene... Ha pontos leolvasást és szép jelet akarsz, akkor folyadékkristályos LCD kijelzős oscilloscopeot válassz.
Ez az áramkör gyakorlatilag használhatatlan. Nem érdemes vele foglalkozni. Hogy miért? Mivel kizárólag időben állandó jel megjelenítésére képes, ezért már eleve korlátozott a felhasználási lehetősége. Egy jelalakot, főleg, ha nem szabályos, 10 ponton meghatározni kevesebb mint pontatlanság. Nem beszélve arról, hogy a szinkront neked kell eltalálnod, különben semmit nem fogsz látni, csak véletlenszerűen felvillanó pontokat, de abból sokat
Hogy egyes oldalak miért veszik át ezt a kapcsolást, az rejtély, egy kis hozzáértéssel rögtön kiderülne, hogy semmit sem ér. Akkor már egy PC szkóp, ajánlanám a http://www.zeitnitz.de/Christian/scope_en -ot. Sokkal olcsóbb és sokkal hasznosabb!
Valóban alkalmatlan mérésre. Ugyanakkor miért épít valaki LED-es spektrum analizátort a hangfrekvenciás sávra?! Mérésre az az áramkör is teljesen alkalmatlan. És többek között én is megépítettem egyet. Miért? Mert látványos!
Azért, mert valamit nem a méréstechnikába készítenek, még lehet létjogosultsága! :gumicsirke:
De akkor ne oszcilloszkópnak hívjuk, hanem fényjátéknak vagy valami hasonlónak, mert ezzel a kevésbé hozzáértőket becsapják.
es egy ijent meg epiteni erdemes e?
http://www.serasidis.gr/circuits/AVR_oscilloscope/avr_oscilloscope.htm
Játéknak jó, főleg hogy csak 7-8kHz-ig mér.
akkor valamijen kapcsolast tudtok e amit lehetne is hasznalni?
Tulajdonképpen amatőr szintre nem nagyon lehet szkópot csinálni. Vagyis lehet, de az is elég nehéz.
Én 35k-ért vettem nemrég egy USB-s tárolós szkópot, 40MHz, 100Msamples, szerintem gondolkodj inkább vételben.
Szerintem csak akkor építsd meg ha van sok feles pénzed/türelmed. Én csináltam egyet azt toltam fel bss-re de nem nagyon lehet használni max 555 kapcsolások-hoz. Mindenesetre ha mégis meg akarod épiteni sok siker a led mátrix furkálásához
![]() Egyébként Jani-val konzultálj mert ős sokat segített benne!
Helló mindenki!
Ehhez a PC szkóphoz milyen elektronika kell a hangkártya és a mérendő jel közé? Valamiért sehol sem találom a kapcsolást. Előre is köszi! A hozzászólás módosítva: Júl 29, 2013
Esetleg ha a saját topikjában körülnéznél.
A hozzászólás módosítva: Júl 29, 2013
Hello
Tudnál nekem segíteni? Az a helyzet hogy megépítettem a bss honlapján található szkópot de nem működik. Mikor elkészült labortáppal próbáltam bekapcsolni de nem ment mivel 1ampernél többet vett fel(kicsit gyanús). Később egy autó akkumulátor töltőjével próbáltam de rákötve az egyik sarkában lévő led kiégett a mellette lévő pedig magányosan világít. Mikor a töltő csipeszeit veszem le vagy rakom rá a legszélső csíkon egy pillanatra futnak a ledek. Amúgy az volt a tervem hogy egy astabil multivibrátor jelét nézem meg rajta de nem mutat semmit. Valami ötlet?? |
Bejelentkezés
Hirdetés |





Hogy egyes oldalak miért veszik át ezt a kapcsolást, az rejtély, egy kis hozzáértéssel rögtön kiderülne, hogy semmit sem ér. Akkor már egy PC szkóp, ajánlanám a
Azért, mert valamit nem a méréstechnikába készítenek, még lehet létjogosultsága! :gumicsirke: 

