Fórum témák
» Több friss téma |
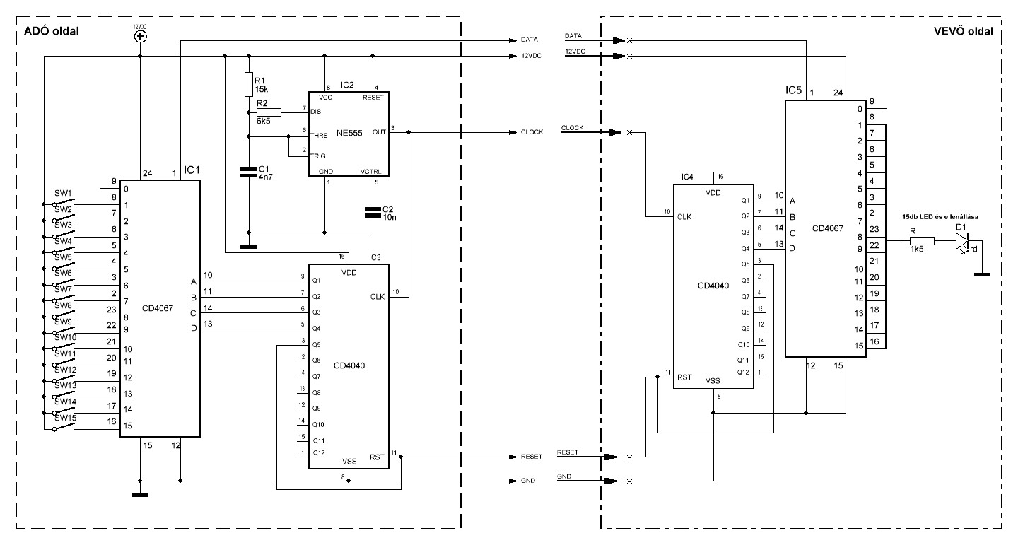
Készítettem egy rajzot. Talán ez segít az átláthatóságban.
Első blikkre két problémát látok. Mi fogja meghajtani a LED -et? Arra kellene egy nyitott kollektoros kimenetű inverter, vagy buffer. Az analóg kapcsoló kimenete nem terhelhető, csak egy másik bemenettel.
A másik, a reset jel. Két feladatra használnád egyszerre, így két kimenet van összekötve. Ez sem megy. Ki kell nevezni, az egyik oldalt master .nek, mondjuk a kapcsolós oldalt, ott meghagyni a jelenlegi kapcsolást, a másik oldalon a számlálólánc resetjét, és a master reset -et egy kapuval illik összeadni, és ezzel resetelni a 4040 et. A LED -es oldalra még kellene egy tok, 4×2 bemenetű, nyitott kollektoros kimenetű és/vagy kapu, lehetőleg nem invertáló. De ha csak invertáló van, akkor az egyik kapu inverternek való kötésével átállítható.
Igen a RESET lába 'elrajzoltam' a valóságban a vevő 4040 IC reset lábát az ADÓ oldal vezérli.
A kimenet terhelését nem értem. Már több helyen láttam, hogy a 0-15 kimenetekre kerül LED+ellenállás. Az mondjuk tény, hogy a kimenet kb. 3 uS -ig van 12V volton majd hajól emlékszem 8 uS-ig 200mV volt körül. Ez a 3 uS valóban csak arra elég, hogy jelet adjon egy logikai kapunak.
Meglehet, az adatlap +/- 10 mA max terhelést ír, én azért mégsem kísérteném. A kapcsolók átmeneti ellenállása 400 ohm körül van, gondolom figyelembe vetted, a LED előtét ellenállás számolásánál. A mux miatt meg amúgy is kb 1/3 áramot kap
A LED-ek áramát 5 mA-re tervezem. Ahogy próbálgattam ez elegendő fényerő főleg, hogy üveg lap mögött lesz.
Arról te sem találtál infót, hogy az 1.-es lábakat, hogyan kell összekötni? Csak így direktbe vagy kell valami RC tag?
Szerintem semmi kunszt, csak össze kell kötni. Maga a kapcsoló egy FET nyitott, vagy zárt csatorna ellenállása. Tehát az egyik oldalon tápot kapcsolsz a bemenetre, akkor a másik oldalon megjelenik a táp, két csatorna ellenálláson keresztül annyi ideig, amíg a mux ezt a csatornát jelöli ki. Ezt kapcsolod a LED -re, és az előtét ellenállására. Azt még megnézheted, hogy hány mW disszipálódik a csatorna ellenálláson
Nos egy már biztos. Adó oldalon a bemenetek nem lehetnek a levegőbe. Így mindegyik kapott 10k földre húzó ellenállást.
Mellékeltem pár képet. Még valami: Az vettem észre, hogy amikor a garázsban le majd fel kapcsolom a neon világítást akkor a kapcsolás 'kiakad'. A vevő oldalon lekapcsolnak a kimenetek és az áramkör zárlati áramot vesz fel. Mindez még csak 12cm vezetékkel.
Módosított rajz.
Persze, ha a bemeneteket valamilyen logikai IC vezérli stabil H vagy L kimenettel akkor nem szükségesek a 10k ellenállások.
Még mindig úgy érzem, hogy a vevő oldal nem lesz jó ilyen 'csupaszon'.
BEMcorp fórumtárs azt javasolta tegyek opto csatolót a vevő bemenetére. Ez megfontolandó. Ill. úgy érzem stabilabb működést kapnék, ha a vevő 4067 és LED-ek közé tennék vagy 4050 buffer vagy 4081 AND kaput. Szóval kevés alkatrésszel ez sem lesz megoldható
Nem feltétlen fontos optocsatoló, de vinal meghajtó/vevő igen, és akkor az összeköttetés kis impedanciák között, sodrott érpáron (UTP kábel) megfelelően zavarvédett lesz. És digitális áramköröknél soha semmi nem lehet a levegőben.
Idézet: „..., de vinal meghajtó/vevő igen,....” Milyen vonalmeghajtó lenne szerinted elegendő ide? RS232 már túlbonyolítja az egészet. A szkóp képekről mi a véleményed? Főleg a kimenet H szintű jelalakjáról?
Úgy tűnik, mintha jó nagy kapacitív terhelés lenne, de nem igazán számít, max a késleltetést növelné, ha használnád valamire a lefutó élt. Végül is jó az RS232 meghajtó is, bár felesleges hogy oda-vissza működjön. Pl használhatsz SN75188/189 et
Nem értem, hogy mitől lehetne akár mekkora kapacitív terhelés is. Ráadásul a mellékelt kimenet képe nincs is terhelve semmivel.
Ha csak nem az én puszta jelenlétem nem terheli A neon kapcsolására történő kiakadást sem értem. :no: Lehet ebből nem lesz semmi
A "RESET" aramkort meg kellene egy kicsit valtoztatni. A jelen megoldas egy nagyon rovid tranziens szeru impulzust ad csak. Ez nem biztos hogy a vevo oldalon is meg tudja csinalni a resetet. Valami monoflop kellene az ado oldalon, hogy egy biztos jelet allitson elo. Ez a megoldas egy IC-re jo, de kabelen elhuzva meterekre biztos nem megfelelo.
Idézet: „Ez a megoldas egy IC-re jo, de kabelen elhuzva meterekre biztos nem megfelelo.” Itt most a RESET -re gondolsz vagy a teljes kapcsolásra? A RESET vezetéket este megnézem szkóppal.
Nos nem tudom az adott téma mennyire megoldható, de nekem nem jön össze. Akár mit csinálok a vevő oldallal nem lesz használható a kimenet. Jó LED világít rajta,de tranzistor vagy logikai kapu már nem stabil. Tettem én már mindenféle IC-t a 'vonal' végére, de szinte semmit sem változik a helyzet.
Szeretném megoldani ezt a problémát, de nem sikerül. Van még valakinek ötlete? Azt hozzá teszem, hogy most a teszt környezetben csak 30 cm árnyékolt vezetékkel próbálkozom. Nem tudom összehozni a stabil 12V kimeneteket.
Az az árnyékolt kábel, egy jelentős kapacitást képvisel. Azért láthattuk az oszcilogrammon azt a "gyönyörű" lefutást. (ezen az analóg kapcsoló nem változtat, max ront) A logikai áramkörök igen kényesek a jel fel/lefutási sebességére, attól függ melyiket használod. A jelfogadást hosszabb vezeték után schmitt triggeres bemenetű eszközzel célszerű fogadni.
Én értem amit mondasz, de mindegy, hogy vezetéket használok vagy közvetlenül panelen összerakom. Az eredmény ua.
Ezerféle frekvencián próbálkoztam, próbáltam buffer IC-vel, schmitt trigger IC-vel, kapuzásokkal, de a kimenet használhatóan nem változott. Tökéletesen tanácstalan vagyok.
ne a frekvenciával próbálkozz, annak nincs jelentősége, a fel és lefutási időkre koncentrálj
Konkretan a RESET reszre gondoltam. Mert ugye mikor a szamlalo Q5 magasba billen abban a pillanatban nullazodik a szamlalo, es megszunik a RESET jel. A jel hossza igen rovid, par 10 nS lehet, tehat ezt nem lehet arnyekolt kabelen messzire vinni. Azert ajanlottam valami monoflopot, ami egy valos szelessegu impulzust allit elo, es azzal szinkronban nullazni a ket szamlalot. Esetleg nem lenne jobb valami shift-regiszteres mokat csinalni? Azt is lehetne egy par szal madzagon elvinni. Konkretan 74xx165, 74xx595 IC-kre gondoltam. Tudom csak 8 bitesek, de lehet oket sorba kotni, es maris 16 bites az atviteled.
Szia!
Ha a rajzod megfelel a valóságnak akkor engem ez egyáltalán nem lep meg. Az IC-k táplábaihoz kellene 10 µF tantál kondenzátor a puffereléshez, valamint a táplábak közvetlen közelébe 100 nF kerámia kondenzátor is. A jelenség, amit írtál, hogy zárlati áramot mérsz, az annak tudható be, hogy hiányzik a 100 nF kondenzátor. Ugyanis a CMOS áramkörök gyártástechnológiájából adódóan parazita 4 rétegű félvezető (triak) keletkezik a lapkán. A triak pedig nem üzemszerűen képes a gyors feszültségtüskék hatására begyújtani, így rövidre zárja a tápot. Ennek kiküszöbölésére kell az indukciószegény kerámia kondenzátor. Véleményem szerint ezt 100 kHz-el nem fogod tudni kihajtani, még RS-232 segítségével sem (max. 13m). Szóval amennyiben lehetséges, csökkentsd a működési frekvenciát.
Akkor pont próba képen tettem 1-1 100nF kerámiát közvetlen az IC-k táp lába és a föld közé. Igaz tantál nem volt.
Most addig jutottam, hogy 1 kHz és 50% kitöltésű órajel mellett szép a DATA vezeték jelalakja. Azt vettem észre, hogy a kimeneti feszültség közel azonos a DATA vezetéken mérhető feszültséggel tehát kb. 1,2-1,3V. Ez azért elég alacsony. Ha ezen a ponton erősítőt használnék? RESET vezetéket majd átdolgozom jelenleg teljesen jól dolgozik. Mint mondtam a jelenlegi mérési eredményeim azonosak akkor is, ha "hosszú" vezetékkel van összekötve a két panel és akkor is, ha közvetlenül. Amit még nem értek: Próbáltam, hogy a kimenetre teszek egy tranzisztort és annak segítségével hajtom meg a LED-et. Addig jó, hogy szépen világít, de mikor le kellene zárnia a tranyónak nem zár le teljesen. Nagyon halványan ekkor világít a LED.
Kicsit alakítottam a kapcsoláson.
Igaz így ellenállás és tranzisztor temető lett belőle, de így már megnyugtatóbb a kimenet. Létezik olyan Schmitt Trigger ami CMOS megy 12VDC-ről és nincs benne se NAND se NOT kapu? Lehet jobb lenne, ha 4010 buffer helyett ezt használnám.
Pont ez a gondom a 40106-al, hogy NOT kaput tartalmaz így 2db IC kell. 40106 és egy ami vissza fordít.
Miert kellene ket tok? Egy tokban 6 inverter van. 2-2 sorbakotve, es eleg a 3 vonalra.
Ha jól értem arra gondolsz, hogy az bejövő szálakat 40106-al fogadom majd a kimeneteken a tranzisztorok helyett használom az ULN2803-at?
Persze akkor a CLOCK, DATA, RESET vezetékhez is kell.
A 4010 helyett 2 inverter a 40106-bol es ugyanott vagy. Ez a 3 szalba. Viszont kevesbe zavarerzekeny. Termeszetesen a ULN-t a kimenetre gondoltam a tranyok helyett.
Ok. Közben felfogtam.
![]() 40106 3 oldala fogadja a CLK,DATA, RST jelet majd a maradék 3 visszafordítja. Nem is rossz gondolat. Így tuti, hogy zavar menetes lesz.
Közben kivettem a 4067 ic-ket és kipróbáltam 4051-el.
Tökéletesen működik nem kell vele 'varázsolni semmit. Úgy látszik a 4067 túl érzékeny jószág. Nagy sok össze-visszaságot produkált míg a 4051 szépen megy. Általános kérdésem a vezetékes adatátvitelről: Most függetlenül az erek számától és attól, hogy uC-t vagy CMOS IC-t használunk, hogyan illene kiküldeni a jeleket és fogadni, hogy mondjuk 50m hosszan még stabil legyen és milyen frekvencia tartományban ? |
Bejelentkezés
Hirdetés |
















