Fórum témák
» Több friss téma |
Fórum » Villanymotor bekötése
Sziasztok!
Bocsi nem ide tartozik a kérdésem, de máshol nem tudom megkérdezni, van egy 380v trafó amit szeretnék beépiteni egy esztergába 24V világitásnak, régen is esztergában volt, két bemenet van rajta és kettő kimenet, melleékelek képet, ezt hogy tudom bekötni 380 ra? mivel 380 nak 3 vezetékje van ? ennek meg 2 bemenet? elég csak a kettöt bekötni? köszi
Szia! Elég csak kettőt bekötni, de az a kettő fázisvezető legyen.
sziasztok .úgy tudom hogy ez az oldal azért van hogy segítsünk amiben csak tudunk.de lehet ,hogy ez az oldal csak 2-vagy3- embernek van fen tartva.Ajánlom majd mindenkinek.Kösznöm a töretlen sgítséget.
Szia, az a baj hogy kevés adatot adtál meg. 1,5 Kw és 220V motor bol kismillio van!
tudni kellene a tipusát, mekkora a fordulat, hány ampert vesz fel. ilyenek, ha IMI gyártotta van neki saját fórum, ha leirod megnézem neked!
Azért elképesztő. Regisztrálsz, ideböffentesz valamit, hogy mi kéne neked. Nekünk is kellene valami. Legalább némi tisztelet azért hogy segíthettünk. És még Te vagy megsértődve. Hallatlan....
Kisbarátom, ha vennéd a fáradtságot és visszaolvasnál kb két oldalt, akkor legalább két választ is kaphatnál a kérdésedre. Csakhát fárasztó az olvasás.
Sziasztok,!
Vettem egy eszterga gépet, olyan gondom van, hogy 380voltrol müködik a csatlakozó ami rajta volt 5 águ, nekem a falban pedig 4 águ van van 4es dugaljam is de nem tudom hova kössem a4. feketét. hova kössem? vagy nem muszály?
Valószínűleg azért van rajta 5 pólusú, mert kell neki a vezérléshez nulla is. Tehát tessen szíves kialakítani egy 5 pólusú csatlakozási lehetőséget.
Ága a fának van meg a vasvillának.
))Milyen igazad van! nem kell kialakitani mert a dugaljban volt csak 4 bekötve, de a gép kapcsolószekrényében csak 3 volt bekötve meg még a földelés. köszi
Sziasztok!
Lenne ismételten egy kérdésem, de csak igy tanulok ![]() az eszterga gépem 3 fázissal működik, van egy kapcsoló szekrény rajta elég régi módistb, ugyhogy mindent kicserélek benne pl ilyeneket 2db mágneskapcsoló motorvédő megszakitók 24 volt trafó stb stb, nagyon régiek GANZ -os dolgok amik benne vannak. Mindegy nem ez a lényeg hanem az hogy a kapcsoló szekrénybe akarok épiteni sülyesztett 230 as dugaljakat. csak az nem tiszta számomra hogy hogy vegyem le a a 3fázisrol. ebben szeretném a segitségeteket kérni. köszönöm
Sziasztok!
Lehet, hogy nem a megfelelő témához írok, de egy olyan problémám lenne, hogy amikor egy 230v-os kerti szivattyú villanymotorja működött akkor a ház fürdőszobájában lévő zuhanycső rázni kezdett elég rendesen. Egy ismerős ezt ráfogta a villanymotor tekercs hibájára, de én inkább valami nulla vezető hibára gyanakszom a ház hálózatában. A fürdőkád nem rázott csak a zuhanycső, tehát az elvileg földelt cső rendszerre került valahogy feszültség. Van esetleg jobb ötletetek, véleményetek? Nem vagyok villanyszerelő. Üdv: Andris
Valószínűleg a védőföld rá van kötve a vízvezetékre. Ezen keresztöl ráz a zuhanycső. A védő föld hálózat javításával orvosolható. Egyébként inkább ide tartozik:Bővebben: Link
Sziasztok,
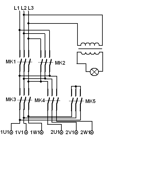
van eg y E1N esztergám és berhelve van az egész m le akarom egyszerüsiteni, mert iszonyu bonyulultan van megoldva , am meg szét tört az egyik mágnes kapcsoló, NEM gyári bekötés, Ami feladatot elkell látni az hogy legyen irányváltó rajta, meg a dahlander motor fokozat kapcsolója, meg a 24 voltos trafó a géplámpának legyen bekötve, ennyi az egész.most ilyen vagyis volt mig szét nem esett
Sziasztok ismét,
![]() van eg y E1N esztergám és berhelve van az egészelektronikája , le akarom egyszerüsiteni, mert iszonyu bonyulultan van megoldva , am meg szét tört az egyik mágnes kapcsoló, NEM gyári bekötés, Ami feladatot elkell látni az hogy legyen irányváltó rajta, meg a dahlander motor fokozat kapcsolója, meg a 24 voltos trafó a géplámpának legyen bekötve, ennyi az egész.most ilyen vagyis volt mig szét nem esett, erre kellene nekem egy kapcsolási rajz a gépkönyvbe ami van azon nem tudok ki igazodni
Sziasztok segítséget szeretnék kérni egy 1fázisú motor bekötéséhez egy rajzot mellékelek hozza hogy egyszerűbb legyen a motor kivezetésein az ellen állasokat meg mértem és tanácsot szeretnék kerni hogy kő sem be azzal tisztába vagyok a segédfázisnak nagyobb az ellenállása a főfázisnak sokkal kis seb ja még annyi hogy 1fázisú motorhoz hogyan tudnám kiszámítani a kondenzátor értekét a válaszokat előre is köszönöm
SAJNOS A RAJZOT NEM ENGEDI FEL TENNI akkor inkább le írom a motor kapocs csavar jakiból 3dbvanaz 1-2közöt 8.6ohm az 2-3közöt29.3ohm és 1-3közöt 21.5ohm
Szia!
Rajzon mellékelve a bekötés. Kondi 100 W-onként kb 4-5 micro ha minden igaz.
Hello!
Ettől nem lesz sokkal egyszerűbb...
Feltételezve, hogy minden 400 V-os.
És persze, ha ilyen y/yy motorod van. MK1-MK2 irányváltás, MK3 egyik sebesség, MK4-MK5 másik sebesség.
Ha kézikapcsolóval és nem mágneskapcsolóval kell megoldani a sebességváltást akkor elég MK1-MK2 mágneskapcsoló. Ha gondolod szívesen megcsinálom a működtetés rajzát is valamelyik verziónak.
Lehet jó lenne, ha lefényképeznéd a gépkönyvben lévő rajzot is.
szia ha 100wattoként 4-5 mikró
a motor 1fázisú 750watt akkor hogy is lehet kiszámolni hülye adatok jöttek ki nekem kérlek ebbe még segítősémán előre is kösz ja kösz a rajzot jó lett
Szia!
750W-os motornál a 25 µF egy általánosan elfogadott érték, általában jó szokott lenni.
és hogy jött ki az eredmény a kiszámítására lennék kíváncsi
Nem számoltam, hanem megnéztem, hogy milyen van az én 750W-os motoromon
![]() Ekkora motorra ilyen kondi való, ennyi. Ha nem indulna stabilan, akkor 32 uF.
sziasztok, egy kéréssel fordulok hozzátok, mekkora kondi kellene egy 130W-os 220-as/1.1A-es mocihoz?
Előre is köszönöm a válaszokat
Szia!
7,5*4=30 micro vagy 7,5 *5=37,5 micro nagyságrendileg. Ez nem egy általános képlet, inkább gyakorlati tapasztalat. kadarist jól írta 25 micro-val nyugodtan próbálkozhatsz, ha kevés akkor meg a 32 micro. Örülök, hogy működik.
Hello!
6 micro környéke, üzemi kondi természetesen.
és ha 1 db 16micro-s kondit raknék, az jó lenne?
|
Bejelentkezés
Hirdetés |










