Fórum témák
» Több friss téma |
megprobáltam bár jol emléxem ezt eszer már valamikor fel tettem..
de még nem megy ... a max232-őt hogy tudom ezzel illeszteni?
nahel juttotttam adig hogy meg van a 232es is ,de nem olvas.. ha rakok egy ledet a ds ut+ és a sda közé akkor villog gondolom amikor lekérdezi a gép.. de az scl csak világit folyamatosan..
ez jó? van valami progi amivel többet lehet megtudni a bejövö jel ből??
Szerintem egy sima terminál elég kell legyen mindenre.
Jobbat sajnos nem tudok.
Az scl-en lévő led valószínű azért világít folyamatosan, mert az órajelet folyamatosan küldi az I2C eszköznek! Ugyhogy szerintem az nem baj hogy világít!
Régebben találtam valahol egy orosz oldalt, ahol az van leírva, hogy ltp porton hogy lehet kezelni az i2c eszközöket! Volt hozzá egy Visual Basic-es progi is! Nem találkozott valaki véletlen ezzel az oldallal, vagy valami hasonlóval? Sehol nem találom, pedig engen az ltp-s i2c kezelés érdekelne!
dehát már anyi módszert probáltamki miért nem olvassa valyon ki az adatot az ic-k ből??
Idézet: „és ott mit kéne látnom?” Semmit. Ez nem rs232 szerinti soros adatátvitel. Az scl-en sem lenne szabad a lednek folyamatosan világítania, az I2C-nél nem folyamatos az órajel. Nézd át a kötéseket mégegyszer.
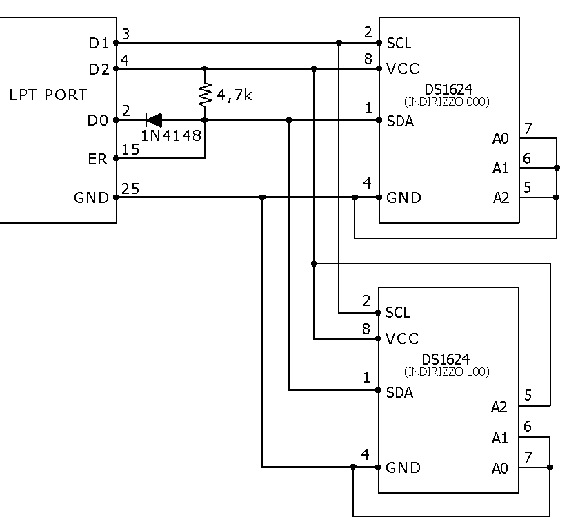
Ugyanolyan áramkör kell hozzá a nyomtatóportra, mint amivel a piceket lehet égetni. Ezen a képen az a rész kell hozzá, amelyiknél látod a Data és a Clock feliratokat, tehát három nyitott kollektoros vagy nyitott drain-es inverter vagy puffer (pl. 74LS06, vagy 74HCT06), és három ellenállás. A program pedig csak megfelelő sorrendben billegteti a párhuzamos port lábait, és olvassa be a láb állását.
És ha a programod nem jó?
Mert ha nem kapja meg a megfalő parancsot a ds, akkor bizony nem válaszol semmit.
Én még régen ezt csináltam meg, kép alul.
Királyul működött. Annyi a baja, hogy a progi nekem nem megy xp alatt, de 98 alatt igen.
hogy érted hogy nemment a progi? el sem indult vagy csak nem mért? amugy most probálkok egy W98 as image fájlt keresni valahol..
hátha ez is xp miatt nem mér..
Hát w98-al több esélyed lesz.
A progi amit mekkékeltem, az csak w98-on fut. Régen sokat használtam, de mióta xp-m van nem tudom beüzemelni.
sikerült lptre kötni a progi is elindult és mér is ennek a forrása nincs meg neked VB6 hoz?
jah és com2-ön miért nem müxik?
A fentebb említett pc_thermometer programmal + rs232-őn IIC vonalon 8 db DS1624-el kiépítettem hőfokmérő rendszert.
Felmerült további hőfokmérési igény ADS7828E konverteren csatlakoztatva + Hall jeladó csatlakoztatása. Tud valaki segíteni VB6-ban hogyan lehet programozni a konverter csatornaválasztását? A konverter címzése megegyezik az egyik DS1624-el. Hogyan nézzen ki a Hall jeladó ADC csatlakozó áramkör, és kell-e az ADC-nek külön táp és referencia feszültségforrás?
sziasztok .
a maxim oldalán levo link nem él : http://files.dalsemi.com/system_extension/AppNotes/AN3230/ParallelPort.exe files.dalsemi.com/system_extension/AppNotes/AN3230/ParallelPort.exe valahonnan meg lehet szerezni ? vagy mukodo dos progit lpt iic olvasás / iráshoz ? vagy használhato forráskód dos hoz ? pas / asm |
Bejelentkezés
Hirdetés |















