Fórum témák
» Több friss téma |
Szia!
Mostanra 35 menetre tekertem a primert. Így lett a szórási induktivitásom 90,39uH Tekerjem le azt az 5 menetet, vagy jó lesz ez így? Csak akkor az van, hogy ha letekerem azt az 5 menetet akkor soros induktivitást kellesz alkalmaznom Szépen sorszigeteléssel tekertem meg így biztonságos lett Már csak a szekunder hiányzik róla.. Huzal vastagságban tudnátok segíteni? Idézet: „2X kéne 9-10VDc és 3A valamint 1X 15-16VDc és 0,5A” Valamint ezt a menetszámos dolgot jól gondolom, ill értelmezem? Idézet: „szekunder: Ha pl 10 menetet választok akkor: Usec= 10/30*160 Usec= 0,33*160 Usec= 53,3V” Előre is köszönöm!
Igen, igazad van, ha csak egy ellenálláson kell változtatni, sokkal egyszerűbb, mint a trafót tekerni hozzá
Már csak az nem világos, hogy honnan tudom hogy a trafónak mekkora frekvencia a leg jobb? Gondolom oszcilloszkópos vizsgálatnál derül ki, nem?
Nos annyit haladtam tegnap óta, hogy:
- kész a primer tekercsem sorszigeteléssel, 4x0,4mm-es drótsodrony a huzal. Így lett a szórt induktivitásom 90,39uH. - IR21531 helyett nekem IR2155-ön van, úgy olvastam hogy ez is megteszi ennél a tápnál "csak" a holtideje nagyobb. Fog ez nekem problémát okozni? - A D3 (UF4004) dióda helyett nekem ES1J diódám van. Adatlapot néztem és annyi a különbség, hogy az ES1J gyorsabb (35ns) és kisebb a kapacitása (10pF). - Most a D7,D8-an tanakodom, mert eddig itthon nem találtam oda való diódát -Bocsi hogy újra felvetem, de nem tudok e nélkül haladni, (se nyákot áttervezni se semmit) a szekunder menetszámról lenne szó. Veszem azt alapul, hogy 35 menet a primerem és nekem kb 10V és 16V kell, akkor a menetszám nekem 10V ra ~ 2,5 menet jön ki. Ugyan ez 16V-ra ~3,5 menetre jön ki. Ezt jól számoltam? (az általad írt összefüggés alapján). Valamint a huzal vastagságát nem tudom, a 10V-os tekercsnek 3,5A-t kéne tudni, a 16V-os tekercsnek pedig 0,5A-t. Előre is köszönöm!
A D7 és a D8 diódák a rövidzárvédelemt látják el. Ha nem zárod gyakran rövidre, csak elég, hogy az indulási tranzienstől védjen, akkor berakhatod az ES1J-t is oda.
Én a 10V-osnak 3 menetes, míg a 16V-osnak 4 menetes szekundert javasolnék. Üresjáraton lehet kicsit öbb lesz a fesz, de a terhelve kb annyira fog leesni. A 10V-os szekundernek én 6x0,4mm-t ajánlanék. A 16V-osnak meg elég a 0,4mm-es drót magában. Arra figyelj, hogyha egyszeres feszültség kell, akkor ne graetz egyenirányítást alkalmazzál, hanem egyutas kétüteműt! Ekkor a 10V-os szekundernek elég 3x,4mm is, mivel csak fele áram folyik egy tekercsen.
Köszönöm szépen! Rövidre zárni nem szeretném, ugyanis ez egy akkutöltőbe készül ami több funkciós, a csatlakozók miatt nem lehet rövidre zárni, sem fordítva rákötni az akkut.. Köszönöm a huzal vastagságot és a menetszámokat is! Az egyutas kétütemű egyenirányításhoz dupla szekunder kell, csak akkor nincs elég lába a trafónak mind a 3 tekercshez :no: Graetz egyenirányítást miért nem érdemes alkalmazni? A diódák nyitó fesze, vagy a veszteség miatt? Gonodlom az egyutas együtemű sem jó megoldás.. Így akkor A 16V-os tekercsnek nem lesz lába, hanem bedrótozom a panelba
Köszi mindent! Ha elkészült jelentkezem, ami lehet hogy csak egy hét múlva lesz
Hogyne lenne elég láb?
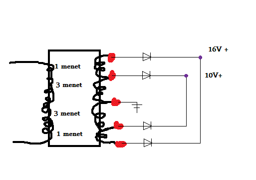
![]() Mindösszesen 5 láb kell csak, mellékelek is egy ábrát Ebben az esetben a 3 menetes részt 4x0,4mm-el kell tekerned, mert ott mindkét szekunder árama folyi. De az egy menetes rész elég símán 1x0,4 mm-el. Graetz-et azér tnem laklamzunk, mert akkor az áram mindig két diódán megy át, így két diódányi veszteséged van. Ez gyakran akár az összes vezsteséget kb 20%-al is növelhető. (mert egy jó tápnál tényleg nagyon kicsi veszteségek vannak) Modern tápokban még a primer egyenirányítást is elhagyják, és egyenirányító híd nélküli aktív PFC-t használnak. Vagy pont az IR oldalán volt egy javaslat síma gratez híd kiváltására integrált szinkornegyenirányítóval.
Köszönöm, így már értem hogy miért nem graetz... Azért nem lesz elegendő lábam, mert azt elfelejtettem említeni hogy nekem egymástól független tekercsek kellenek, és a 10V-osből 2 Db kell, tehát öddzesen 3Db szekunder.. De már fejben kitaláltam hogyan lesz, nemsoká neki is állok. Köszönök szépen mindent
Nos, mégsem kell egy hetet várni hogy elkészüljön. Már olyan 80%-ban készen vagyok vele, még NTC-t kell kerítenem (csak 4 Ohm-ost találtam a PC tápban), Primer köri pufferek kellenek és egyenirányító. Szó volt arról, hogy a frekit be kell állítanom a trafóhoz. Egy ellenállás értékét kell változtatni ehhez. Feltételezem a 18K-s ról van szó. A beállítást honnan tudom hogy jó? Gondolom szkóppal kell mérnem. De hol és mit kell látnom akkor mikor megfelelő a freki a trafónak? Ellőra is köszönöm! Képek Bővebben: Link. Bocsi hogy a nevemre vettem a panelt, csak kimaradt a "kiv" szócska
(kivitelezte).
Azzal, hogy odaírtad a nevet meg dátumot, elveszetta tisztázási távolság! Az a terület azért van kihagyva, hogy megnvöelje a priemr-szekunder szigetelést. Így hiába van a textilbakelit a trafóban, ha itt alul át tud üteni.
Amúgy szép munka, már csak azta az 5W ellenállást cseréld le 2W-osra, mert így az nagyon bumszli.
Hoppá, pedig gondolkodtam ezen az átütés dolgon, de úgy voltam hogy úgy sincs ott KV, de lekaparom akkor onnan. Az ellenállást pedig lecserélem. Az mennyire baj hogyha a NTC csak 4 Ohm?
Olvasgattam a kapcsoló üzemű tápos cikkeket, és egy részét megtaláltam a beállításnak. Tehát a 18K son kell változtatni addig míg a lehető leg szinuszosabb áramot el nem értem.. Csak a kérdés az, hogy hol kell mérnem? A cikkben terhelés alatt volt a beállítás, tehát nekem is terheléssel kell beállítanom?
Két lehetőség van:
1. Beraksz egy áramváltót vagy egy söntöt a primer körbe és méred a trafóval sorosan az áramot. (áramváltó esetén leveálasztasz galvanikasan, így könnyen tudsz szkóppal mérni) 2. A szekudnerről leszeded a diódákat és a kondikat, és a szekunderre raksz műterhelést, és azon méred a feszt szkóppal. Mindenképpen terhelés alatt kell nézni, ugyanis a terhelés esetére akarod beállítani a rezonáns működést, vagyis a jó hatásfokot. Mit ér egy táp,ha terhelsé nélkül jól megy, de terhelve rosszul...
Rendben, köszönöm! Szerintem én a 2. módszert fogom alkalmazni
Nem mintha nem elnne leválasztó trafó meg áramváltó tekercsnek való, de nem szeretném szétbontani. Köszönöm még egyszer! A hét vége felé jelentkezem hogy mi történt
Azért a két módszer nem egészen ugyanazt az eredményt adja. A trafó szekunderét egyenirányítóval (és azon szűrőkondival) terhelve, négyszög v. trapéz hullámformát kapunk, viszont (közel)ohmos terheléssel igencsak lekerekített hullámmforma lesz az eredmény. Persze nagyjából ezt is várjuk, csakhogy az első esetben a soros rezgőkör jósága viszonylag nagy lesz (és ezzel a sávszélessége kicsi), míg a második esetben a terhelés a soros kör jóságát csökkenti (és a sávszélességét növeli) - ezért kicsit másképp viselkedik a táp mint "élesben". Ilyenkor pedig előfordulhat, hogy a mérés eredménye félrevezető lesz. Nekem ezért az első módszer jobbnak tűnik.
Szerintem nem nagy ügy az áramváltó sem: egy (pl gyürü) vasmagon egyetlen menetet átvezetni, + egy 10 menetes szekunder + egy 10 ohmos ellenállás. Ezen már lehet is mérni a szkóppal. Amúgy van egy harmadik lehetőség is: ha úgy sikerül (vagy ha direkt úgy csináljuk) a tápot, hogy terhelés nélkül nagyjából ZVS módban menjen - tehát a trafó mágnesezési induktivitása át tudja tölteni a félvezetők kapacitását , (és a szerelési, tekercselési stb. kapaciásokat) a holtidő alatt - akkor terhelés közben a frekit állítva ismét megkereshető a ZVS működés - és ez az oprimális freki is egyúttal. Ugyanis ha a nincs pont rezonanciára állítva a táp, akkor a terhelése vagy induktiv v. kapacitív lesz, és olyankor az áttőltődés sem szép lassan megy végbe (mint pl. terhelés nélkül, ZVS módban). Persze ehez leválasztás kellene, és a félhíd kimenetét mérni (1:10-es osztóval)
Nos tegnap kipróbáltam a tápot, egyenlőre beállítás nélkül a 18K-s ellenállással. Egy nagyfesz tápról indítottam 320V ról egy soros izzóval. A 10V os szekundereken terheletlenül 14.8V van, a 16V os szekunderen 19,4V van terheletlenül. Egyenlőre nem terheltem meg semmi, de majd ez a hét folyamán lemegy
Nekem már ez is hatalmas élmény hogy elsőre beindult, elvégre ez volt az első, köszönöm nektek!
Üdv Kapcsitáposok !
Lehet nem teljesen témába vágó a kérdésem, bocsi. Egy kis egyszerű Step-Down tápot építenék (40V -> 12V 800mA MAX787) . Ebbe ugye kell egy tekercs. Induktivitás mérőm van, van továbbá mindenféle gyűrű alakú mag. (atx tápból bontott stb) Na most azt viszont nem tudom, hogy milyen anyagúak. Hogyan lehet megállapítani hogy ferrit, vagy porvas, vagy nem tudom mi félék vannak még ? Step-Down hoz melyik fajta lenne jó ?
Nem pont ide vág, mert ez tipikusan hálózati feszről megyő kapcsitápokkal foglalkozik.
Az egyik módszer, hogy megméred az Al-jét. Ha elég alacsony és nem látsz légrést, akkor porvasmag. Ha magas akkor ferrit. A másik módszer, hogy megpróbálod elfűrészelni. A porvasmagot könnyű, a ferrit baromi kemény. Step-down-ba mindenképp légréses ferrit vagy porvasmag való. De én az előbbit ajánlom. Léteznek még speciális amorf tekercset vasmagok, mint amiyleneket a Vacuumschmelze gyárt, valamint nagyon sokféle.
Köszi a választ. Miért jó ha alacsony az Al ? Nem tudsz esetleg egy képletet amivel a menetszámból vissza lehet számolni gyűrű alakú mag esetén ?
Találtam itthon bontott tekercset. 33uH, 3A van ráírva. Adatlap szerűséget is találtam róla: NKL R1305DB1 Storage Choke -nak hivja a gyártója. Ha jól gondolom akkor ez jó lesz. Szoktak tenni a kimeneti kondi után még egy LC szűrőt. Ide mekkora induktivitású tekercs kéne nagyságrendileg ?
Először tisztáznod kéne magadban a step-down konverter működését. A tekercsnek energiát kell tárolnia a magban. Ha túl gyorsan telítődik, akkor nem fog indukálni ellentétes feszt, hogy csökkentse a bemenő feszültséged.
Az induktivitás képlete Al-ből L=n^2*Al, ami bármiylen magra érvéynes. Al nélkül meg problémás mivel ezerfére maganyag létezik, attól hogy gyűrűmag még semmit nem lehet tudni. Ahogy nézem a MAX787 működési frekvenciája 100kHz, ezek a lapján a kérdezett induktivitás nem lesz jó, mivel túl kicsi az induktivitása. Ezt az itt találhatók alapján számoltam ki. Nagyon kérlek, hogy keresd meg azt a fúrumot, ami ehhez kapcsolódik, mivel így én is le leszek szúrva, hogy szétOFFolom ezt a topikot (amit egyébként sem szeretnék), pedig csak neked segítek. Idézet: „Ha túl gyorsan telítődik, akkor nem fog indukálni ellentétes feszt, hogy csökkentse a bemenő feszültséged.” Ezt nem értem. A bemenőfeszültségnek mi köze a tekercshez?
Lásd a mellékelt az ábrát. Amikor be van kapcsolva a FET, akkor a rákapcsolt bemenőfesz miatt, az áram növekszik az induktivtiásban, ezért az hogy azt csökkentse (mivel ő nem hazudtolja meg magát induktivitásként), egy negatív feszültséget indukál.
Nézzük meg azt a hurkot, ami áll a feszültségforrásunkból, a bekapcsolt FETből (tekintsük most rövidzárként), az induktivitásból, és a terhelésből. Ha ezen összegezzük a feszt, akkor a tekercsen indukált feszültség levonódik a bemenő feszből. Ha a tekercs telítődik, akkor már meghazudolja magát induktivitásként, ezért nem tudja az előbb említett feszt indukálni, ezért a bemenőfesz megy a kimenetre egyben, ha a FET be van kapcsolva. Idézet: „ezért az hogy azt csökkentse (mivel ő nem hazudtolja meg magát induktivitásként), egy negatív feszültséget indukál.” Nem erről az oldalról kell megközelíteni! Azt kell nézni hogy az L árama merre folyik tovább. Amikor az áramot megszakítjuk a fetnen akkor az induktivítás árama áttöltve a D1 dióda kapacitását a D1-en folyik tovább. Az induktivítás negatív feszültsége abból adódik, hogy az árama csökken a feszütségének nagysága pedig onnan jön hogy az egyik pontja -0,6V-on van a másik meg Uki potenciálon. Ennyire egyszerűen meglehet magyarázni. A telítődés pedig a gyakorlatban nem ennyire gyors folyamat. Nagyobb A/m-nél csökken a ur értéke (0-ra soha nem csökken le) így az induktivitása is csökken de a nullát sohasem éri el. Így összességében csak az áram meredeksége fog nőni de ettől függetlenül Ube Uki különbségét ugyan úgy felveszi. A kondenzátoros szűrés miatt a kimeneten nem veszünk észre feszültség emelkedést. Középértékben pedig nem is szabadna észrevennünk mivel Step-Down-nál az Uki=Tbe/T*Ube. Egyedül azt fogjuk észrevenni telítődéskor, hogy azokon az elemeken amin átfolyik a nagy dIL (bemenő pufferkondi, fet, tekercs, kimenő pufferkondi) elkezdenek a szokásosnál jobban melegedni.
Most volt időm és elvégeztem a javasolt mérést.
Igen, de azért tegyük hozzá, hogy mindehhez az szükséges, hogy folyamatos áramvezetés legyen a fojtón. Ugye, a fojtó áramának a középértéke a terhelőáram. Ha a fojtó vasmagja betelít, akkor nagyon kicsi lesz az induktivitása, tehát, biztosan nem lesz folyamatos az áramvezetés. Persze, ha kellőképpen megnöveljük a terhelőáramot, akkor visszaáll minden és továbbra is igaz a képlet, amit leírtál.
Amikor a FET lezár, akkor a szabadonfutó dióda veszi át az áramot és a fojtóra a kimeneti fesz ( kondi feszültsége) és az előbbi diódán eső feszültség összege jut. Tételezzük fel, hogy PWM vezérlés van és elkezdjük rövidrezárni a kimenetet. Az áramkorlát valahol megszólal és elkezdi a FET bekapcsolási idejét csökkenteni. De mi történik, ha totál rövidrezárjuk a kimeneti kondit?
Ahogy elnézem, nem túl sok puffer van a bemeneti oldalon... Ezzel csak az a baj, hogy a tranyók árama is erősen hullámzik és mivel a tranyók áramának a középértéke arányos a kivehető teljesítménnyel, minél kevesebb a puffer, annál nagyobb FET kell bele.
Primer oldalon csak 180u van, 200W terhelés mellett volt mérve. FET hosszabb idő után is csak langyosodott.
Attól függ, mekkora FET-et tettél bele. Ha az árama közel van a határáramhoz és nagyon hullámos a betáp, akkor jobban melegszik. Arra akartam kilukadni, hogy ha a betáp nincs eléggé megszűrve, az azt jelenti, hogy nagyobb tranyót kell betenni az áram hullámossága miatt.
Értem, jelenleg IRF740 van benne.
Egy pár ilyenből nekem 700W jön ki. Igaz, az nem rezonáns, hanem ZVS, önrezgő. De azért melegszik, hűteni kell. És 1 kW még simán kijöhetne, ha elég puffer lenne benne.
Sziasztok!
Szükségem lenne egy olyan táp kapcsolási rajzára amivel legalább 18V-t elötudok állitani és 5A-t vagy többet tud. Fontos lenne, hogy PC tápból kiszedet trafólegyen benne. Sajnos szkopom nincs igy az se keljen a beállitáshoz. Elöre is köszönöm a segitséget. |
Bejelentkezés
Hirdetés |




Szépen sorszigeteléssel tekertem meg így biztonságos lett
Már csak a szekunder hiányzik róla.. Huzal vastagságban tudnátok segíteni?
Köszi mindent! Ha elkészült jelentkezem, ami lehet hogy csak egy hét múlva lesz 








