Fórum témák
» Több friss téma |
Fórum » Földhurok, avagy mit csináljunk, mikor minden zúg
Témaindító: A Jani, idő: Ápr 17, 2006
Témakörök:
Hali!
Tudnál fényképet feltenni, hogy mi van egy ilyen belsejében? Szerintem pár kondi, ami galvanikusan leválaszt (ami egyben vág is bizonyos frekvenciát.)
A földhurok izolátort nem két 230V-os hangeszköz galvanikus leválasztásához használjuk?
Itt nem váltakozóáramú táp van, nem is biztos, hogy földhurokról van szó. Az autógenerátor jóval 50hz fölött üzemel, ezért ált. nem szükséges zavarszűrés, az akksi kisimítja a jelet, ha mégsem, érdemes átnézni az akksi- generátor közötti részt, esetleg zavarszűrő kondenzátor használata ajánlott. üdv
Földhurok nincs hálótathoz kötve, mindenhol kialakulhat, ahol két elektronikus egység több helyen van összekötve, pl. autó is. Ráadásul az autós üzem eléggé hasonlít a hálózati üzemre a váltakozó áramú generátor miatt. Az alacsony feszültség miatt ugyanakkora teljesítményhez nagyobb áram tartozik, növelve a kábelezésen kialakuló földhurok veszélyét.
Igazad van . Épp ezért jó az izolátor. 1:1 trafó van benne , a sztereóban pedig kettő darab. Primer és szekunder tekercsek, van mikor sima vassal, van mikor ferritre tekerve. Van más típusú izolátor is, de erre a célra tökéletes. Azért nem árt a zavarszűrő kondikat és test csatlakozásokat átnézni. ( Egy érdekes eset amikor a gépkocsi álló helyzetben, motor működénél nincs zavar, de ahogy a kocsi elindul kezdődik a zavarás, először kattogás , utána sivítás a sebességtől függően, mind ez a hangszóróból hallatszott. Mire rájöttem, hogy a kilométer spirál forgása okozta a hibát !) ezt kiszűrni ?
Ha a zavaró okot szűntetnénk meg az nem lenne célszerűbb? Az is lehet, hogy kiderülne egy kezdeti stádiumba lévő kefekopás a generátorba.
Esetleg csillagpontba kellene kötni az eszközök földjét és az rca kébelek földjét, így földhurok élből nem tudna létrejönni. Ha ez sem hoz sikert marad a galvanikus leválasztás (én így csinálnám)
Idézet: „Ha a zavaró okot szűntetnénk meg az nem lenne célszerűbb?” Dehogynem. A módszerek is jók, amit írtál(csillagpont). Ha valamiért ezek az utak nem járhatóak, akkor kell a galvanikus leválasztás.
Sziasztok olyan kérdésem volna hogy: Miért búg a hangfalam ha bedugom a hálózatba, hiába dugom be a jack dugókat a gépbe akkor is búg. Típus :Cinemax dyras 5.1 + hangkártya a PC-be
Sziasztok! Nem vagyok nagyon jártas áramköri dolgokban, ezért leírnám a gondomat, hátha Valakinek van ötlete. Egy autóhifiről lenne szó. Van a kocsimban egy 4csatornás erősítő, amiről szól egy mély, és egy szett. emellett van egy kenwood fejegységem. a gondom az, hogy mikor megy a fejegység, folyamatos sistergés hallatszódik a hangszórókon, néha generátorzaj is, a mélyen nem hallottam. viszont ha a lejátszó hátulján mozgatom az rca-t, közvetlenül a lejátszó hátsó panel részén ,akkor tudom úgy mozgatni(enyhén feszítve), hogy nem csinálja. próbáltam másik rca-val, avval is fellép a hiba. arra gondoltam, hogy valamilyen testelési hiba lehet, talán az rca testjével. Lehet, h nem jó helyre írok, de talán vkinek van valamiféle ötlete evvel kapcsolatban. Meg olyat is hallottam, hogy előfordul, h néha az erősítő, valami testelési hiba folytán az rca-n keresztül próbál letestelni a fejegységen keresztül. és ekkor tökretehet egy belső biztit. lehet ez a gond? bár a bekötésemmel sztem nincs gond. biztonságiövhöz van testelve az erősítő. Előre is köszi!!
Heló
Segítséget szeretnk kérni, mert nem nagyon vagyok otthon az erősítőkben. Van egy régi fajta keverős erősítőm, amit ha rádugok a laptopra búgnak a hangfalak, először arra gondoltam, hogy földhurok lehet, de ha leszedem a tápot a laptoprol, és aksirol megy akkor is bugnak. Kipróbáltam a régi discman-emmel is, és azzal tök tisztán szól a rendszer. Mi lehet a gond? Ha veszek egy di boxot, akkor megszünik a búgás? Előre is köszi a válaszokat.
Sziasztok. epitetem egy tda 2030-as erositott. Egy Pc tappla hajtom meg. Mikkor hangofitom fol akkor kb 25% nal begerjed. azt mondtak, hogy foldhurok miat. mittudok csinalni az ellen. valaki tudna e segiteni?
Légyszi segítsetek már, mert ezt most nem értem. Építettem egy végfokot, egyszerű szimmetrikus konstrukció, de most ez nem fontos. A csillagföldnek elvileg rendben kellene lenni, mégis nyitott bemenettel hangos brumm van, földelt bemenettel csend. Viszont ha nyitott bemenettel kikapcsolom a hálózati kapcsolót, akkor az addigi brumm elhallgat, pedig még a kondik sokáig tárolják a töltést mert alacsony a nyugalmi áram. Mi lehet a baj ?
A VF2-es topicból folytatás (Bővebben: Link).
Megnéztem a rajzokat. Tehát a jel földnek először a végfok panelra kell mennie, ezt pedig utána egy külön szálon a csillagpontba kötni. Eddig rendben van. Akkor mi a helyzet, ha van egy hangszínszabályzó és egy stabilizátor? Kihagytam a GND-ket, amiket nem tudok hova kötni...
Lebeg a bemeneted, akkor persze, hogy összeszedi a zajt. Zárd le egy 100kohmmal, és nagyságrendekkel csökkeni fog a brumm, ha nincs semmi a bemeneten, jel esetén pedig nem nagy terhelés.
Nálam előerősítő van így bekötve.
Egyre jobban belebonyolódsz. Ha bármi egyebet is akarsz, akkor annak külön szekundert illik használni. Ennek két fontos előnye is van, mert általában jóval kisebb feszültség kell az előfokozatnak mint a végfoknak, tehát sokkal kisebb lesz a "fűteni való", másodszor pedig így nem lesz egy újabb hurkod.
A csillagpontosság csak egy elnevezés, de sokszor egyáltalán nem ez a jó módszer. Összetettebb hangtechnikai eszközökben (pl. keverők, vagy bonyololultabb előfokok, vagy olyan eszközök amiknek sok ki/be menetük van) sokkal inkább a "felfűzés"-es ("fa-szerű") GND-struktúrát alkalmazzák, illetve a csillagpontos és a felfűzött módokat együtt.
Üdv Mindenki! Bár nem az előző hsz-hez tartozik, de valahol itt olvastam róla. Nevesen a szolgáltatók lenem választott földeléséről és az ebből eredő földhurokról lenne szó. A jelenség a következő: tv-re csatlakoztatott számítógép képe hullámzik, mind addig, míg az antennát ki nem húzom a tv-ből. Ebből következtettem arra, hogy földhurok léphetett fel. Mivel a netet is a kábelről kapom támadtak kétségeim, de... mivan akkor, ha vmelyik elosztóbol a földelést rákötöm a kábel osztó házára? Úgy néztem, hogy van rajta vmi féle kábel csatlakozási lehetőség magán a házon is.
Köszi mindenki válaszát előre is!
Pont belefértél a dobozba!
![]() Alkotó: még utána fogok nézni ennek a témának a következő erősítőm építése előtt, mert eddig még nem sikerült 100%-ig csendes erősítőt építenem... Elég bonyolult ez a témakör.
üdv föld hurok van a video és a tv között rca csatival van megoldva hangot megszűrtem 1:1 trafóval és jó is de a video jelet nem tudtam így szűrni erre mi a megoldás?
Videojel leválasztó.
F, BNC vagy RCA csatlakozós cucc, a vaterán pl 2000 Ft. A frekimenet felirattal ne foglalkozz, zártláncú videorendszerben használtam elég sokat ebből, és semmi gond nem volt. Bővebben: Link
Helló!
Volna nekem egy olyan bajom hogy vettem tavaly karácsonykor egy 5.1 es hangrendszert Millenium Mn9710 eddig semmi baja nem volt. Viszont ha most amikor be dugom a konnektorba el kezd búgni eléggé hangosan de ezt alapból vagy is akkor is ha nincs rá dugva sz-gép,tv,stb) ha rá kötöm a gépre akkor is búg folyamatosan mi lehet a probléma???
Sziasztok. Van egy házilag épített erősítőm. Tda1557q van benne és nagyon búg. Egy 50VA trafó van benne egy híd(semmi nincs ráírva) és 2 10000ľF kondi. akármire rákötöm búg. mi lehet a hiba?
Sok minden. Lehet a kábel szakadt. Először azt cseréld ki. Ha nem változik akkor kell az erősítőben keresni a hibát.
Ha nem dugsz rá kábelt akkor is búg ?
akkor is búg ha semmi nincs rádugva. Kicseréltem a kábeleket megnéztem. nem szakadt meg sehol.
Az, hogy a potméterek GND lábainak összekötése zúgást okoz hibára utal. Ezek a pontok az erősítődben és a jelforrásban össze vannak kötve. A köztes szakaszon bárhol össze lehetne őket kapcsolni zavar keletkezése nélkül. Kivéve azt az esetet, amikor valahol a jel GND vezetékén oda nem tartozó áram folyik, vagy benne fezültség indukálódik. Ebből keletkezik a földhurok.
Értem. Az nem lehet hogy a trafóból kijövő AC fesz kábel túl hosszú (kb15cm) ,ami a graetz és a kondikhoz megy? Amúgy 2.5 ös sodrott vezeték összefonva...
Nem tartom problémásnak, gondolom nem mellette fut a jelkábel.
Ezek szerint már csak egy lehet a baj , hogy a tápról közvetlenül megy test a bemenetre. Egyébként tök jó hogy az egészben ezt a legnehezebb megoldani...
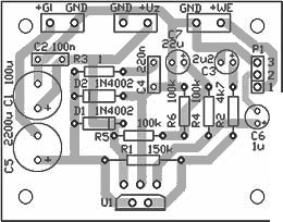
Ha összejönne a fotó, szívesen megnézném.
Bocsánat, nem bírtam ma gépet kérni. Viszont egyetlen módosítási lehetőség létezik. Ha a tápról jövő GND-t megszüntetem és helyette a tápszűrőkről adok a bemenetnek + földelést, abból baj nem lehet ugye?
|
Bejelentkezés
Hirdetés |










