Fórum témák
» Több friss téma |
- Ez a felület kizárólag, az elektronikában kezdők kérdéseinek van fenntartva és nem elfelejtve, hogy hobbielektronika a fórumunk!
- Ami tehát azt jelenti, hogy a nagymama bevásárlását nem itt beszéljük meg, ill. ez nem üzenőfal! - Kerülendő az olyan kérdés, amit egy másik meglévő (több mint 17000 van), témában kellene kitárgyalni! - És végül büntetés terhe mellett kerülendő az MSN és egyéb szleng, a magyar helyesírás mellőzése, beleértve a mondateleji nagybetűket is!
Van olyan érintkezője a relének, ami akkor zár, amikor kikapcsolt állapotban van?
Idézet: „Hello! - Ha egy DIP tokozású Reed relé számodra nagy és hangos, akkor lehet igazad, és jó füled van.” Én a hagyományos mechanikus relére gondoltam. Amúgy eddig én sem találtam jobb megoldást a DIP reed relénél. Valószínűleg az lesz.
Igen az egyik olyan.
Amikor kivan kapcsolva akkor az egyikre zár amikor működik a visszaszámlálás akkor a másikra.
Nem kötekedésből mondom (pedig de), mi köze van a bio vízbontásnak az autóhoz? Kukorica alapú az autó aminek most már mindenét ismerem, a leömlőtől a hypoizéig, meg a kipufogó hőmérsékletig, de bio egy darab nincs benne. Nem más fórumon kéne erről beszélgetni? Ilyenkor hol a moderátor?
Látom, már csírázik a BIO-szürke hülyeség az agyvizedben.
Közben újabb krdés merült fel bennem.
Ha REED relét használok akkor is kell védődióda és a 4013 IC kimenetére tranzisztor amivel kapcsolom a relét?
Sziasztok!
Van egy hűtőgépről leszerelt hűtőgépmotorom / hűtőgépkompresszorom. Rá szeretném kötni a 230 Voltot, hogy biciklit fújhassak vele. 3 bekötési lába van neki, mindegyik lábnál van egy betű. R, S, C, betűk. Hova kössem a 230 - at és hogyan indítsam be a kompresszort? Válaszotokat előre is köszönöm.
A hűtőgép kompresszor nem erre a célra való. Elsavasodik benne az olaj és vége. Ja meg ki is "köpheti".
Indító kondi meg van hozzá?
A kondi szerintem bele van építve, bár nem biztos. 3 bekötési pontja van neki, R S C. Mit hova kössek?
Szia!
Lehet, hogy rosszul rajzoltam, bocsi. De így relével működött. Azt a diódát azért raktam be oda, (lehet rosszul rajzoltam), hogy a relé ne tudjon behúzni az akku áramától. Üdv! BAlázs
Idézet: „Ez viszont nagyon misztikusan hangzik, gondolom neked már otthon megy a vákuumenergia berendezésed, és esetleg kavitációs generátorod is van, amivel termeled magadnak a semmiből az energiát, az eszembe sem jut, hogy ilyet anélkül kijelentenél. Ugye? ”Igen az említett misztikus berendezések kombinálva remekül működnek otthonomban. Kavitációs fűtővel tartom melegen a lakást, +műhelyt, sőt még az udvart is lazán fűtöm vele. Így nem szükséges télen havat sem lapátolnom, mert az magától nyomban el is olvad. A hólé egy részét felfogom a fűtésbe, időnként töltök bele egy tejfölös pohárral, tudod ez a minimális víz annihilációban eltűnik. A kavitációs vákuumos gép teljesen azért nem a semmiből működik, ugyanis szükséges hozzá némi mozgási energia is, amit egy váltóáramú háromfázisú villanymotor végez, de megnyugtatlak a betáplált villamos energia töredéke a kinyerhető hőenergiához képest. A maradék felesleges +hőm pedig jó pénzért átveszi a távhő, amiből lazán kifizetem a meghajtó villanymotor felhasznált elektromos energiáját. Este pedig az egész lakás fuoreszkál velem együtt a Hold&Csillagok fényében, így a világításom is ingyen van.
Sziasztok! Lenne egy egyszerűnek tűnő kérdésem. Kaptam egy egyszerű minikamerát, de sajnos a vezetékei simán elvoltak vágva
igy nemtudom melyik kábel a táp és melyiken küldi a videojelet. Mellékelek fotókat is.Mint látszik, a kábelban van piros, valamint sárga szigetelésű kábel is, valamint árnyékolás (gondolom az). Multiméterrel lemértem, mindkét kábel árnzékolása egy lábban végződik, mégpedig a fekete kábelhoz csatlakozó lábhoz.
Ehhez fűzök én is egy kérdést ! Kaptam egy teljesen jó 1,3 megapixeles Samsung j700 kamerát. Azt feltudom valamire használni? Pl smd ic-ket szeretnék vizsgálni , úgy, hogy a gépre rákötöm, és ott látom nagyítva?
Én a piros feketére tippelnék tápnak de ez csak az én meglátásom.
[off]
Nagyító tesó... Nagyító... Nincs párja. Én képes vagy adott esetben 4db nagyítón keresztül nézni. Tegnap javítottam egy laptopot és ott is így jártam el teljes sikerrel. Csak egy "kilazult" forrasztás volt. A szakszervíz meg 80e forintért alaplapot akart cserélni. Rabló világ. Lusta szervizes.
[OFF] Oké, de ez mégis modern technika, lehet nem kéne sok alkatrészt vennem, csak érdeklődöm.
[off]
Nyilván igazad van. Nem is volt a hozzászólásom érdemi válasz a kérdésedre. Csak érzékeltetem, hogy egyszerű eszközökkel is nagyszerű az eredmény. És az ember mégis csak a szemének hisz és nem kamerán keresztül.
[OFF] Igazad van ebben. Ma éppen már az őrületbe estem szinte, hisz nem láttam , hogy az SMD ic-n pici zárlat van..
Hello!
- Induktivitáshoz ökölszabályként mindig kell dióda (vagy más feszültségkorlátozó eszköz pld. Snubber - VDR..). De az nyitási indukciós feszültség nagysága hozzávetőlegesen, a tekercs veszteségétől és az áramváltozás sebességétől (dI/Dt) függ. Mivel itt kapcsolóüzem van, a sebesség lehet gyors. De tapasztalatból tudom, hogy egy 5V-os DIP relé, általában nem tesz tönkre egy 100V-os tranyót. A korrekt műszaki megoldás, viszont a dióda. - Egy CMOS kimenet nem igazán tud meghajtani egy Reed relét. Vagy is meghajtó kell. üdv! proli007
Sziasztok!
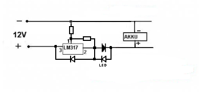
Kijavítottam a rajzot, remélem jó lesz így. Az a kérdésem, hogy milyen tranzisztoros áramkörrel lehet helyettesíteni a relét? Üdv! Balázs
Tökéletesen semmivel nem lehet helyettesíteni. Bizonyos meghatározott feltételekkel lehet analóg kapcsolóval, optocsatolóval, tirisztorral, triakkal, tranzisztorral, és FET -el.
Hello!
Hiba azért még most is van a rajzban.. Szerintem nem kell hozzá szinte semmi. A diódával párhuzamosan (antiparallel) kötöd a Led-et. Ha a tápfesz megszűnik, akkor a Led áramát biztosítani fogja az LM317 feszültség beállító osztója, ami kb. 5mA fog jelenteni. (Mert szerintem nem egy ellenállása van, hanem kettő, ha feszültség generátorként és nem áramgenerátorként működik.) Ha még is áramgenerátornak van bekötve az LM, akkor a relé tekercs helyére kell tenni a Led előtété ellenállását. Az LM-re még kell egy dióda, hogy az aksiról vissza jutó feszültség ne tegyen kárt a stabilizátorban. üdv! proli007
Olyan (ha jól sejtem logikai) ic-t keresek aminek 2 bemenete van és egy kapcsolt kimenet legalább. A bemenet pedig nem folyamatos hanem pillanatszerű legyen. Azaz ha az 1. érintőkapcsoló egyszer kapcsolt akkor a kimenet addig maradjon nyitva míg a 2. bemeneten nem történik meg egy ugyanilyen rövid kapcsolás. Nem értek ezekhez (sem) ezért javasolnátok nekem egy ic kódszámot ami jó erre a feladatra? Vagy esetleg annyit, hogy ilyet hogyan kell keresni? Nem tudom hogy hívják :/
Köszi
Üdv!
Megépítettem ezt a h hidat (csak a híd részt a képről): Bővebben: Link de valami gond van vele. Amikor elkezdem Pwm-ezni az első pár másodpercben beáll a megfelelő fordulatra, viszont utána lassan elkezd gyorsulni. Bekötöttem egy trimmer potmétert és ugyan az történik, a motor lassan, folyamatosan gyorsul. Miért lehet ez?
Esetleg RS, vagy JK tároló TTL, vagy CMOS logikai IC -k között keresgélj. Pl HEStore
Kedves Robi!
Arról nem tehetek, hogy annyi sületlen zöldséget lehet olvasni a kolléga hozzászólásaiban, de majd az Élet megcáfolja helyettem. Nem lepődnék meg, ha pár hónap múlva már a WATER - FREE HOT & VACUUM ENERGY 5.5 HUN AVI verzióját forgatja és ismerteti Neked. Üdvözlettel: ampervadász
Sziasztok!
Van -e olyan feszültségtartomány, melyben a LED fényerő vs feszültség függvénye lineáris?
Szia!
Köszönöm a segítséget! Üdv! Balázs
Üdv!
Piros táp, fekete föld, sárga video, fehér hang. A sárgánál (és amelyiknél még van) az nem árnyékolás hanem a földpontja, azért van a feketéhez kötve, hogy ne legyen annyi drót. Van ilyesmi kamerám, csak az fémházas. Adtam neki a megengedett tápot, rákötöttem a TV AV bemenetére és már jött is a kép és a hang. |
Bejelentkezés
Hirdetés |




”
igy nemtudom melyik kábel a táp és melyiken küldi a videojelet. Mellékelek fotókat is.











