Fórum témák
» Több friss téma |
Mielőtt kérdezel, a következő két dolgot ellenőrizd!
I. A helyes tápfeszültségek megléte.
II. A kimeneten van-e egyenfeszültség.
Élesztés.
Köszönöm!
Akkor ezt tökéletesítem. [off] Egyre erősebb az érzésem, hogy sosem leszek kész és örökre deszkamodel lesz ez az erősítő. Ahogy jön a 'tudás'/ismeret úgy jönnek az ötletek és mindig teszek hozzá valamit. A gombok közül pl. csak a táp kapcsoló billenő kapcsoló. A többi mezei nyák (push) gomb nem be/ki. Ezeket pl. 4013 IC vezérli
Inkább ezt ajánlom!Limiter.
Ez tetszik. Főleg, hogy fotóellenállással szabályoz le
De, ha 1x nekem ott a MUTE lehetőség...
Kiforrasztottam őket. És hogy tudom megnézni hogy pnp npn?
Ha optocsatolót raksz a clip leddel sorba vagy helyett már vezérelheted is a mutét,a relét nem is kell,sokféle megoldás létezik.
2sc3855 / 2sa1941 a hq adatlapján fent láthatod.
si-n (npn) si-p (pnp) si= szilícium anyagú. Az átmenetének megfelelőn tudod előfeszíteni polaritás helyesen a sípoló állapotán. Ha eredeti sanken gyártmány volt és valóban rosszak, akkor ha lehet te is azt rendeld meg a hq-tól, ne az utángyártott chipp-el szereltet) A hangminőségük összetéveszthetetlen!
Ha tennék a tápoldalra egy ilyen szűrőt az vajon javít a zavarvédettségen?
Ilyen zavarszűrőt tettem nemrég az erősítőm (TDA7293) trafójának primer körébe, hogy kiküszöböljem a pattanó hangokat amikor mondjuk az asztali kislámpát bekapcsolom az erősítő mellett. Később kiderült, hogy nem is a hálózatból jön a tüske. Szóval nekem ez nem segített semmilyen szinten, de ahol "szennyezett" a hálózat, ott talán praktikus lehet szerintem.
Pont ezért kell nekem is.
Most már csendes az erősítőm, de ha felkapcsolom a lámpát vagy bekapcsolom a forrasztót hallom a pici pattanást. Te hogyan oldottad meg?
Hát sehogy sajnos... Reloop azt javasolta, hogy erősítsem az árnyékolást az előfok körül, ez még nem történt meg. Én arra gyanakszom, hogy a bemenő jelkábel veszi föl nagyrészt ezt a zajt, mert jack-RCA és ugye 2 szálon fut az árnyékolás, ami a vezeték mindkét végén össze van kötve, így létrejön egy hurok, és ebben indukál tüskét a kislámpa trafójának szórása a kapcsoláskor. Ki fogom majd próbálni úgy, hogy sima 2eres árnyékolt jack-jack kábellel viszem el a jelet az erősítőig, és a bemenetnél választom szét a 2 bemeneti RCA-nak. Ezzel kisebb lesz a hurok. Úgy tudom másoknak is nehéz az ilyen problémákat kezelni, legjobb ha megpróbálod minél messzebb vinni ezeket a tárgyakat az erősítőtől, vagy nem kapcsolgatod őket mialatt használod.
Kideríteni viszont könnyű, hogy honnan ered: lekötöd a végfokokról a bemenetet, és úgy is meghallgatod, ha ilyenkor nincs pattanás, akkor nem a hálózatból érkezik.
Egy tuti tipp amikor a hálózati zavarszűrő biztosan segít :yes: :
A laptoptápok elé érdemes betenni ilyet. Egy jobb pc tápházában ez az interferencia illetve sorszőrű rendszer ugyanígy megtalálható a csatik alatt. Ha pl egy laptop összevan kötve egy keverővel, a fülesbe simán lehet hallni a magasfrekis kapcs üzemű táp zavarát...ne ezt tökéletesen kiszűri onnét. Én is barkácsoltam elé egy ilyet, azóta legyen szó felvételről, vagy épp belehallgatásról, ez az zavar megszűnt. Tehát azért sor ill interferencia szűrésre igencsak alkalmas.! Mellesleg minden végfokomba én is beleépítem ezt a 10A verziót. Van azért ennek értelme. Nyilván a földhurkot ill brummot nem nyomja el, de nem is az a szerepe.
Hello!
Hazimozi erosítomben a center elofoka tonkrement. Szeretnek egy ujat epiteni a regi helyere. Az alabbi kapcsolasra gondoltam, hogy csak a magasat es a kozepet megepiteni, a melyhez tartozo ellenallast es potmetert kihagyni. Viszont csak ket potival tudnam szabalyozni a center frekvenciajat. Van valami otlet hogy egy sztereo potival tudjam a magasat es melyet szabalyozni? Esetleg masik kapcsolas? (A centerben ket melykozep es egy dom sugarzo van.))
Közben beépítettem a deszkába és vegyesek az érzelmeim.
A bemenet rövidre zárva. Hangerő max. állásban. Lámpa fel-le kapcsolgatom. Most sokkal halkaban hallani a pattanás. Nagyon halkan. Viszont amit eddig nem hallottam (elektronikus gyujtású fénycső) az most ici-picit behallatszik. Ilyen lesz és kész. Ez már annyira jelentéktelen szerintem, hogy kár tovább kinlódni vele. És ez csak deszka model.
Szerintem, neked több helyen tul érzékeny az erölködöd. Tul nagy az egyes fokozatok erösitése, innen az érzékenység.
Ez ellen a primer körben nem tudsz védekezni, az csak arra jo amit a kiollég irt, hogy kiszürje a nagyfrekis zajt a hálozatból (mindkét irányba). Neked meg az impulzusok billenntik ki az erölködöt a csendböl. Ezen ellen jo árnyékolással, kisebb hurokerösitéssel,, jo kábelezéssel lehet védekezni. A dezskamodellen ilyesmit nem lehet elháritani... Idézet: „A dezskamodellen ilyesmit nem lehet elháritani...” Ezért mondtam, hogy így marad. Ha egyszer végre bekerül a dobozába akkor szerintem teljesen csendben lesz.
Üdv!
Ezzel az ic-vel dolgozott már valaki ? Vélemény,tapasztalat?
Szia! Ha mindent jól kötöttél össze akkor az R9 3,3k ellenálláson a tápfeszültség felét, vagy ahhoz hasonló értéket mérhetsz.
A recsegés miatt tisztítsd le a forrasztási oldalt. A forrasztást segítő anyagban lehet szennyeződés.
Udv mindenkinek!
Van egy Toshiba sb-225 erositom es keresem a kapcsolasi rajzat,de nem talalom sehol.Tudna nekem segiteni valaki h hol keressem?vagy meg van-e valakinek?
Sziasztok!
http://www.hobbielektronika.hu/forum/files/b3/b3d535bbfe1898c9cde98...a2.png ilyet építek én is az erősítőmhöz Ám szerintem ebben van egy hiba, a -40 V-hoz még vinnem kell egy vezetéket ha jól gondolom, ám azt nem tudom hogy honnan? Segítsetek légyszives, vagy ha hülyeséget irtam javítsatok ki! Köszönöm
Szia! Használd a válaszablak LINK gombját, hogy ne kellejen kopizni.
Amúgy honnan ez az erősen megkérdőjelezhető átgondoltságú nyákterv (rémes ).A -40V beszorult a graetz és a kondik közé.
Tehát akkor jó volt a gondolatom? Ha igen akkor honnan akkasztahtom le a - 40 V-ot? És a többi dolog rendben van vele?
Kérlek keress más táp rajzot, vagy magad is megpróbálkozhatsz vele. Ezt legjobb elfelejteni.
Hali.
Ez alapján te is megtudod (akár kézzel is rajzolni) a szimmetrikus tápegységed nyákrajzát. A vonalvastagságnál vedd figyelembe, mégis mekkora árammal dolgozol a secunder ág után. S még valami, a felpufferelést nem kell túlzásba vinni, tévhit az , hogy jót tesz (inkább előbb rosszat) az erősítőnek a sok tízezer uF. ( A felpufferelés nem fogja trafót kisebb belső ellenállásra sarkalni, ezért is célszerű némely-est a trafó kb 10-15%-os felülméretezése) Olykor jobb inkább több kisebből, mint egy nagyból simítani.
Sziasztok!
Van egy wpa 600 pro erősítőm, ami elromlott, 2 led van rajta egy zöld operation, meg egy piros stand by. na most a trafó kapcsol, viszont egyik led se világít, és relé sem húz be. biztosítékok rendben, a panelokon látható meghibásodást nem találok. Hol kel keresnem a hibát, mi lehet a baja, talán az egyenirányítás utáni relé mondta fel a szolgálatot, vagy azis lehetséges hogy az erősítő részen van hiba? köszi előre is!
Szia! Ellenőrizd az F003 1A biztosíték által védett tápot. A végfokok kimenetén a 0VDC-t. Valamely végfok melegszik-e? A 2A-nél magasabb nyugalmi áram is tiltja a relé meghúzását.
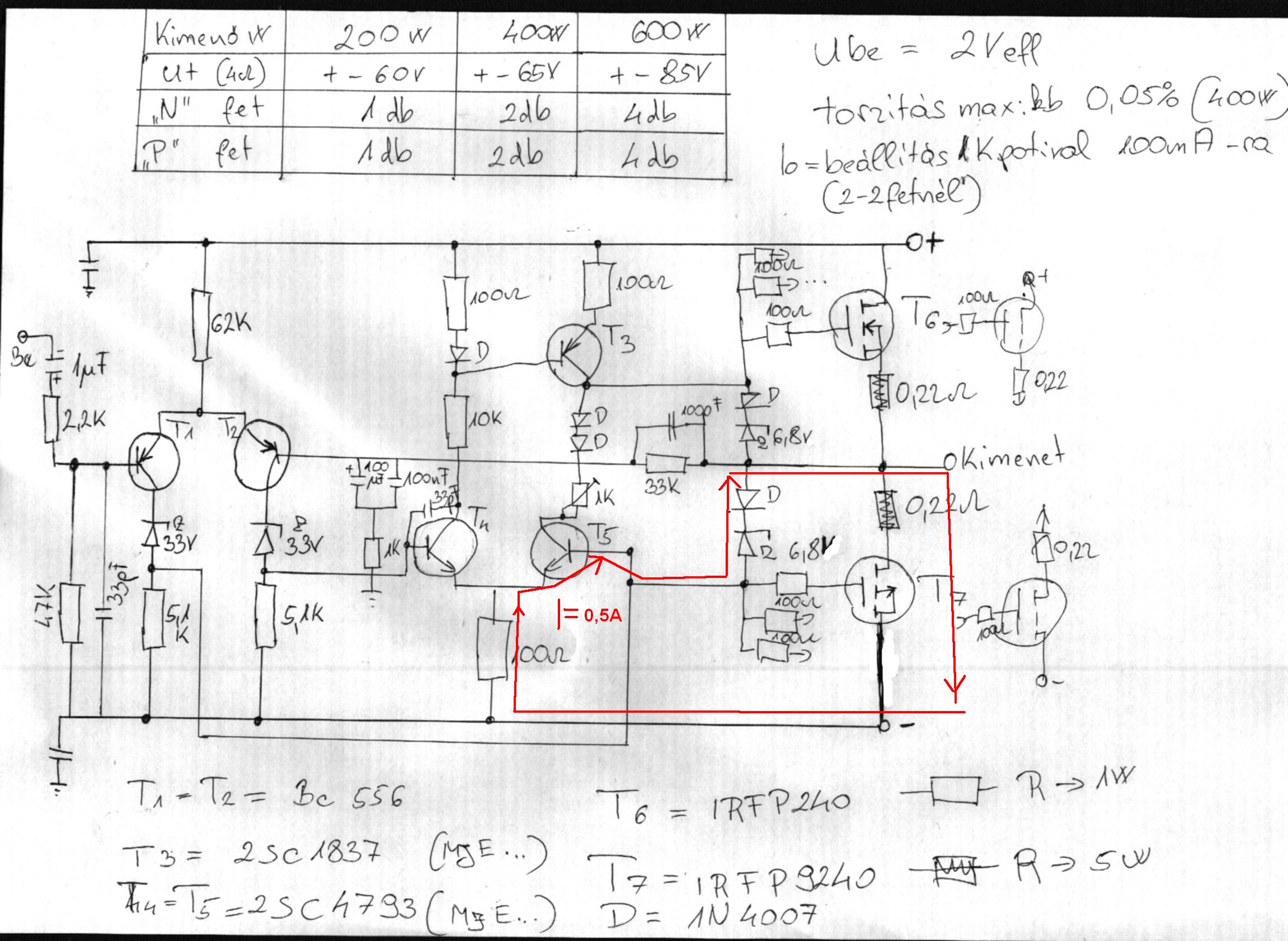
Sziasztok, összeraktam egy prototípus erősítőt ebből a kapcsolásból, de nekem úgy tűnik hogy van egy elvi hiba a rajzban. (A valóságban sem jól működik.) +- 70 V-ról működtetve a 2. diff. erősítő T5-ös tranyóján 0,5A folyik (a BE diódán)és ebben az esetben a diódás túlfeszvédő viszont megpróbálja kb. -7,5V-on tartani a MOSFET G-S feszültségét. Csakhogy pár másodperc múlva izzik a 100 ohm-os ell. és a zener is. Ill. a P csat. MOSFET is teljesen kinyit, és a kimeneten a -táp lenne, de 22 ohmos ell. vannak a tápkörben sorosan és 22 ohm műterhelés van rajta, így kb. -35V jelenik meg a kimeneten. Mi erről a véleményetek? Elsőnek összerakva elindítottam és amikor rosszul működött, akkor a FET-eket levettem. És csak a gate-eket mértem a GND-hez képest. (A bemenet rövidre van zárva.)
Van elvi hiba, de meg kell tudnod keresni. Így nem működhet, az alsó FET hogyan kap vezérlést szerinted?
|
Bejelentkezés
Hirdetés |








).





