Fórum témák
» Több friss téma |
Fórum » Ki mit épített?
Ez a téma ha úgy tetszik a mi "kiállítótermünk", nem pedig a ki mit csinált volna másképpen, mások helyett, és legfőképpen nem javítós téma.
Minden készüléknek van saját témája, ott kell kitárgyalni a részleteket!
FONTOS! A kapcsolási rajzok keresésére is van saját téma, ott keressetek rajzokat!
Délután elkészült az erősítőm, rakok fel ide is képet, de megtalálható itt is másik kép.
Sziasztok!
Látom itt elég sokan építettetek erősítőt éshát az lenne a kérdésem hogy mennyire éri meg egy erősítőt otthon megépíteni? Mert én is szeretnék egyet, csak monták mások is akik próbálkoztak hogy nem éri meg mert nem lehet olyan minőségűre megcsinálni hogy az jó, és élvezhető legyen ebből mi az igaz és mi nem?
Szerintem otthonilag sokkal jobbat lehet építeni mint a gyári.Nem biztos hogy olcsóbb de ez attól függ mekkora teljesítményű erősítőt akarsz építeni illetve hogy azt hova szánod.
Szerintem a gyárinál is jobb erősítőt lehet építeni, csak 3 szor annyiba kerül meg nem árt ha profi műszerekkel van beállítva. + az alkatrészeket is válogatni kell. pl. Alexanders erősítő valamelyik 2002-es Rádiótechnikában (IGBT-s). Abban az időben az IGBT-k darabja 5700 Ft volt. És a stereo erősítőhőz 4db. kell. Szóval nem olcsó.
Értem.. háát nekem v.mi olyan kellene amit jól lehet hajtani sz.val azért szóljon rendesem, és a strapát is bírnia kellene, mert nekem diszkózási célra kellene ami azt jelenti hogy egyszerre több órát kellene mennie minden gond nélkül.
Én v.mi olcsó tranyós erőlködőre gondoltam.
Szerintem első lépésben vegyél egy naggggyon nagy hűtőbordát...
Ja az más. Az nem egy HighEnd kategória. Összvissz csak egy erősítőt építettem (50W) de egy kollegámnak ez a hobbyja. Ő Quad405-ösőket épít. Hát én nem voltam elájulva a hangjától.
Akkor legalább 200w-os erőlködő kapcsolásra van szükséged. Holnapra előkeresem neked azt a kapcsolást amit énis megépítenék. A már előzőekben említett kollegám megépített egy olyan kapcsolást amihez már én is elkezdtem megvenni az alkatrészeket. Csak összedrótozva rakta össze, de meg van őrülve érte. Csak 100w-os sajna. Na ennek az erősítőnek a nagyobbik tesóját javasolnám megépítésre. Ami fontos egy erősítőnél az a jó minőségű toroid + bazinagy pufferkondik. Szóval holnapra hozok neked néhány kapcsolást. Bár lehet hogy ezekkel már te is találkoztál.
Úhhhhh de jó!
nagyon köszi!!!!!!! Először én egy Reflex RX500-asra gondoltam, mint megépíteni valóra... és kértem is ebben a topic-ban hozzá kapcsolást, meg nyákrajzot de semmi válasz nem jött úgyhogy lemondtam róla. de azért ha v.ki mégis megdobna vele akkor azt NAGYON megköszönném és tapasztalatokat is várnék ezzel az erősítővel kapcsolatban.
Reflex RX-500:Google Eredménylista
Eddig én is eljutottam!
csak nyákrajzom nincs, meg alkatrészlistám, meg amik kellenek még...
Én csak annyit tudnék hozzászólni, h házilag tényleg jobb minőséget lehet elérni. Viszont csak nagy teljesítményű erősíték házi építésénél lehet sokat spórolni. Egy hi-fi célokra szánt erősítő nem sokkal olcsóbb, mint a bolti, de mégis csak jobb tudni, h a két kezünk munkáját hallgatjuk
Amúgy pl itt elég olcsók az STK ic-k amiből kiválló fi-hi erősítő építhető otthonra.
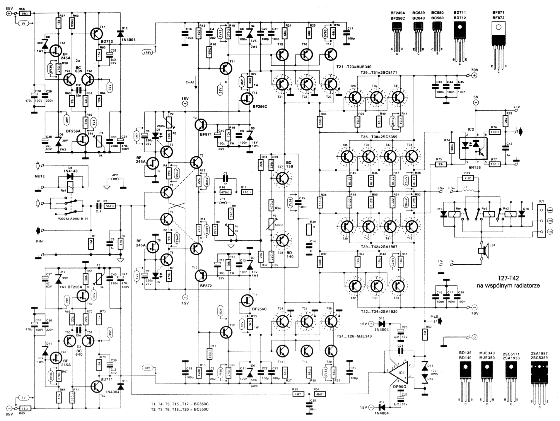
Hát ezek csak kapcsolási rajzok, de viszonylag egyszerűek. Én a 90w-os változatot fogom egyszer megépíteni.
Meg még néhány. Egyébként a nyák rajzokkal általában nem sok mindent lehet kezdeni, mert tuti hogy helyettesíteni kell valamelyik tranzisztort.
Nézzétek milyen kis helyes dobozt fűrészeltem, reszeltem ki egy kétszer ilyen magas dobozból a fényerőszabályzómhoz potom 3 óra alatt.
Ezt is én csináltam. No Comment ! De működik.
hát ez nem egy disco erösitö...de ma elkeztem ezt megépiteni.....azt gondoltam rakok egy képet is...
(:tda2030-as erösitö *2
Na én is megmutatom a művemet
Ez egy 8 csatornás relés vezérlőkártya párhuzamos portra, még hiányzik belőle egy fesz. szab IC és 8 db nyákbaültethető sorkapocs.
Szevasztok! Először is, annyit mondok, hogy NAGYON KIRÁLY dogokkal találkoztam most itt, ebben a topikban! Szuper dolgokat csináltatok, ahogy elnézem! Én sajnos nem tudok, ilyen jó dolgokat csinálni, de nekem is van egy- két cuccosom... Felrakok egy nyáktervet 100W-os IC- hez, SprintLAyout progival csináltam, el is készítettem az egészet, és működik, nagyon is szépen szól, bekapocsláskor nem ropog, nem serceg, zizeg, szóval jó! Remélem hasznátveszitek majd... Mélynyomóm, nem lett szép, elfogyott a pénz, amikor a bevonásra került sor, alumíniumszegélyekről ne is beszéljünk, mondjuk azk ki lesznek cserélve!
+Quad405-öm, nagyon meg van csinálva, masszív mint a vasbeton! Sajnos nem én csináltam, mert túl nagy harapás lett volna.., Itt vannak a cuccaim, végfokról nincs képem, sajnos, nincs digitalizálásra lehetőségem egyelőre.
Bocs, nyáktervet véletlenül lehagytam!
(Sprint Layout-ban csináltam, (.lay kiterjesztés)) Egyébként TDA7294 es IC adatlapjá lévő dolgokat néztem le (kissebb segítségel), és így építettem meg a végfokot.Remélem tudtam segíteni!
Na, alakul...Csak legközelebb tedd rá az alkatrészeket is...
Igen! Ez igen! Látom kedvelt a kicsike.
Én mondjuk a másik topicban mondottak alapján kicseréltem a kimenőkondikat 2200µF-osra- Nem tudom, hogy jobban szól e így. Kicsit a mélyek olyan patogósak de amúgy hihetetlen hangerő van benne. Lealázza a Sony mikrohifit ami 2*35 Wattos. Mostmár nem hiszek a parasztvakítós számoknak. Viszont muszáj leszek hozzá venni egy nagyobb hangfalat mert nagyon bírja a kicsike Gratula!!! Csini lett :szeret: Szerkeszteve: Vinjos-nak akartam címezni, Szorry
Látom szépen alakulnak a dolgok gyülekeznek a szép cuccok illetve nagyon jó ötletket lehet szerezni dolgokhoz innen.
Nemharagszotok de én is mint veterán bütykölő is veszek egy két okos ötletet belőlük. Hajrá fiúk csak így tovább!
Zsilaci! Feltennéd a vezérlőkártya nyáktervét? Sokat segítenél vele!
Előre is köszi! Király a cucc!!!
Nohát rakok fel képeket a strobijaimról.
...és itt a maradék.
Üdv : Travolta
Ez hány wattos cső?És hol lehet kapni mennyiért?
A kis csövek IFK 120 tipusú ruszki csövek, amit gyanítom már nem lehet kapni, a nagy + XOP15 bármelyik dizsiboltban kap6ó.kb.tizenpárezer forint, de lehet hogy áfa nélkül is el lehet hozni.Nekem az LSL-ből hozta annó 1 hawerom.
kösz....
kiprobálom majd 2200 µF-dal majd én is ....de elösször 1000µF-dal... kiváncsi vagyok hallani fogok-e valami különdséget....
Ez csak átépítés de én csináltam!!
Egy 600-as cerkát lát el, és AT-s táp. Alig melegszik,minden tranyó és dioda el lett vezetve.A procin meg 5V-ot kap a venti, csak a vinyo berreg már |
Bejelentkezés
Hirdetés |






ebből mi az igaz és mi nem?
Amúgy pl 

























