Fórum témák

» Több friss téma
Fórum » Kapcsolóüzemű táp 230V-ról
 
Témaindító: cimopata, idő: Szept 13, 2006
Témakörök:
Lapozás: OK   230 / 787
(#) emmzolee válasza laszlokunstar hozzászólására (») Dec 11, 2011 /
 
Nincs róla több gyakorlati infóm, de meg szeretném építeni, és minden kiderül. Eddig nem volt rá időm. Talán a két ünnep között.
Én igazából az autóhifizésem miatt akartam egy ilyet, hogy tudjak órákhosszat a kocsiban zenét hallgatni, és állítgatni. Ilyenkor általában lezsibbadt az akksi, vagy járatom a motort. Akkor meg zaj van, és nem lehet állítgatni. Ez a 20-25A elég bőven visszatölteni a hifirendszer által kirántott energiát az akksiba.

Nem tudom milyen sarkalatos alkatrészekre gondolsz. Ha más nagyfesz tranyót használsz, akkor lehet a snubberen kell változtatni, és ez igaz a főtrafó változásaira is.
Az áramváltót is be kell lőni a max áramra, amit a táp úgy tud, hogy még marad egy kis tartalék a kitöltésnél. A 494 5-7%-ot holtidőzik, tehát a szkópomon látni fogom mennyinél járok. Ezt minden tápnál be kell majd egyszer az elején lőni. A túlfesz védelem, meg jól jöhet, ha töltés közben valaki rá indít a kocsira. Akkor lekapcsolódik a táp. Ebben semmi rizikó nem lesz.
Azon is gondolkoztam, hogy kellene egy olyan változat, amiben már fetek lesznek, és nem gyári meghajtó trafó lenne benne, hanem egy itthon épített. Akkor többeknek könnyebb lenne az után építés.
Ha rám várna mindenki, akkor meg is öregedne, mert időm sajna soha nincs elég. Ezt is majd fél éve kezdtem el fejlesztgetni. Aztán még mindig nincs belőle kész nyákom.
(#) Ge Lee válasza emmzolee hozzászólására (») Dec 12, 2011 /
 
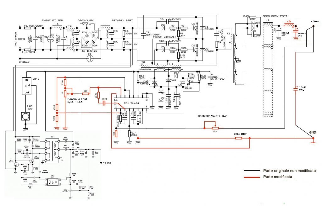
Miért nem jó neked a szimpla átalakítás? Engem kifejezetten idegesítene ha valamiért teljesen lekapcsol és resetelgetni kell. A módosításban egy 5W-os sönttel megvan az áramkorlát (ami még állítható is), nem kell áramváltót csinálni, a fesszabályozás alap, és nem kell nyákot sem csinálni hozzá. A javított erősítőket most már ilyenről indítom, csak olyankor letekerem 0,5A környékére az áramkorlátot.
(#) emmzolee válasza Ge Lee hozzászólására (») Dec 12, 2011 /
 
Tudom erről beszéltünk is régebben. Én is hekkeltem meg pc tápot. nem is volt rossz, de én szerettem volna egy saját nyákra építeni a dolgot.
Nem mindig megengedhető, hogy a túlterhelés esetén vissza essen a feszültség. Akkor már inkább kapcsoljon le.
Ezt a 2 védelmet könnyen ki is lehet hagyni a körből. Bár a túláram védelmet én benne hagynám. Az igazán nem tesz rosszat. Esetleg át lehet tervezni időzített táp vissza kapcsolósra.
(#) Zupp87 válasza peter1995 hozzászólására (») Dec 12, 2011 /
 
Plö ez itt:

http://skory.gylcomp.hu/rezonanstap2/reztap2.html
Egy önrezgő rezonáns tápegység külső rezonáns induktivitással. Önrezgő mivolta miatt azonban körülményesebb szerintem a belövése.

Vagy ez:

http://skory.z-net.hu/12vtap/12vtap.html

Ez is önrezgő, csak nem rezonáns, hanem egy szimpla szabályzatlan félhidas táp. Skori saját trafót tekert neki, de a leírás alapján roncs PC táp trafó is jó neki.

Egyébként egy PC táp trafót se művészet mondjuk szórótrafónak áttekerni. Nekem szűk két óra alatt megvolt mindennel együtt, ráadásul nekem tetsző kimeneti feszültséggel.Ilyen lett ni.
(#) pjg válasza Zupp87 hozzászólására (») Dec 12, 2011 /
 
Mivel ragasztottad össze a vasmagot?
(#) Zupp87 válasza pjg hozzászólására (») Dec 12, 2011 /
 
Szét sem szedtem. Csak letekertem a régi tekercselést, aztán meg "varrónő" mozdulatokkal úgymond befűztem az új tekercset. A szekunder annyira nem is volt gáz.. a primerhez kicsit több türelem kellett (35 menet). Szétszedve tuti kevesebb a macera vele, de így sem gáz. Mondjuk haveromnak nincs hozzá türelme.
(#) peter1995 válasza emmzolee hozzászólására (») Dec 12, 2011 /
 
Jaj elnézést. Elfelejtettem mondani hogy 40V kellene.
(#) Zupp87 válasza peter1995 hozzászólására (») Dec 12, 2011 /
 
A Skori féle PC tápos önrezgő rezonáns táppal, gyors diódákból álló Graetz híddal 48V körüli feszkót tudsz egy hagyományos, félhidas PC tápból bontott trafóból kiszedni.
(#) major696 hozzászólása Dec 13, 2011 /
 
Üdv! Régebben láttam ebben a topicban egy 64kHz-en ketyegő 2kw-os tápot, érdekelne ,hogy esetleg valakinek lenne e hozzá nyákrajza? Előre is köszönöm a segítséget!
(#) phowwad hozzászólása Dec 13, 2011 /
 
Sziasztok!

Építettem egy ilyet tápot: Bővebben: Link
A primer puffer 220u nekem, szekunder 3x470u, és a pufferek előtt van egy tekercs, amit találtam egy PC tápban. Az áramváltó nincs benne, primer puffer összezárva 150k-s ellenállással, hogy ne maradjon benne nagyfesz amikor nincs bekapcsolva. Üresjáratban szépen adja a 30-32V-ot, majd gondoltam rárakok egy 22ohmos ellenállást terhelés gyanánt. A fesz leesett azonnal 17V-ra. Mi lehet a baj? több primer/szekunder puffer kellene, vagy nagyobb frekvencia?
(#) ekkold válasza phowwad hozzászólására (») Dec 13, 2011 /
 
Idézet:
„Mi lehet a baj?”

Az, hogy ahol találtad, ott nem olvastad el a leírást is ehez a kapcsoláshoz, és ezért nem tudod hogyan kell méretezni. Ezen felül még át is alakítottad, a fenti ismeretek nélkül. Ezek után az is szerencse hogy működik.
Ahoz, hogy segíteni tudjunk, tudni kellene mit szeretnél elérni a táppal, (mire akarod használni), a megépített táp pontos rajza (félreértések elkerülése végett), és kellene még részedről annyi utánaolvasás a dologról, hogy legalább kérdezni tudj.
(#) Zupp87 válasza phowwad hozzászólására (») Dec 13, 2011 /
 
Vedd ki a tekercseket a szekunder pufferek elől. Ha mindenképen jobb simításra esküszöl, akkor esetleg javaslom a kondi-tekercs-kondi féle harmadfokú szűrést. És érdemes lenne egy szkóppal belőni a rezonáns működést.
(#) phowwad válasza Zupp87 hozzászólására (») Dec 13, 2011 /
 
Köszönöm a válaszodat, javaslatod megfogadom, remélhetőleg működni fog.

üdv!
(#) Zupp87 válasza phowwad hozzászólására (») Dec 13, 2011 /
 
Félhidas tápegységnél ha közvetlen a diódák után fojtót használsz, annál terhelésfüggőbb lesz a kimeneti feszültség, minél nagyobb a fojtótekercs induktivitásának értéke. Viszont a csúcsáramok annál kisebbek lesznek. Rezonáns esetben (ahogy az általad linkelt, Cimo-féle kapcsolás is) azonban elhagyhatók a kimeneti fojtótekercsek, mivel a szekunder oldali áram (a primer oldalihoz hasonlóan) közel szinuszos. Érdemes elolvasnod még itt az oldalon Cimopata cikkét a rezonáns kapcsolóüzemű tápegységekről (ahol az élesztést részletesen le is írja), valamint Skori oldalát böngészni. Ill. itt a fórumon is van jópár okosság.
(#) phowwad válasza Zupp87 hozzászólására (») Dec 13, 2011 /
 
Hálás vagyok a kimerítő magyarázatért, jó tudni ezeket. Módosításokat majd később végzem, mert nincs rá idő. Ha jutok vele valamire, leírom.

Köszönet,

phowwad
(#) Zupp87 válasza phowwad hozzászólására (») Dec 13, 2011 /
 
[OFF] Hmm.. pedig elég felületes magyarázat volt az enyém Én is kb. fél éve kutatom a témát, amikor időm engedi.. és sokkal bonyolultabb a kapcsolóüzemű tápok lelkivilága, mint az elsőre tűnik.
(#) peter1995 válasza Zupp87 hozzászólására (») Dec 16, 2011 /
 
Húha. Az neccs mert 50V lehet maximum a tápfeszültsége az IC-nek...
Így 45V-nál nagyobb tápot nem szeretnék mert a 45V-ot még biztonsággal kezeli és a szolgáltató feszültség különbségei se okoznak gondot.
(#) peter1995 válasza peter1995 hozzászólására (») Dec 16, 2011 /
 
Megtaláltam a rajzotmér értem hogy miért 48V-ot írtál. Az én bűnöm hogy elfelejtettem írni hogy szimmetrikus feszültség kell... De gondolom a trafó áttekerésével ez orvosolható.
(#) Zupp87 válasza peter1995 hozzászólására (») Dec 17, 2011 /
 
Alapesetben, a kettős diódás egyenirányítással és kondi előtt fojtóval kb. 12V jön ki, ami ugyebár terhelésfüggő a fojtótekercs miatt, mivel a fojtó korlátozza a kondi töltőáramát (a tekercs árama a feszültség integráljával arányos). Emiatt is a PWM szabályzás. Ha elhagyjuk a fojtót, és csak a kondi van, úgy 24V lesz, vagy ha kettős dióda helyett gyors diódákból felépített Graetz-hidat használunk, akkor +/-24V, ill. 48V. A PC táp trafónál, ha csak a szekundert szeretnéd áttekerni, macerás. Ugyanis a primer ketté van osztva, és mindegy közrefogja a két fél primer a szekundert, a lehető legszorosabb csatolás érdekében. Én úgy szoktam, hogy minden létező madzagot letekerek róla, és aztán 0,2-es huzalból megfelelő darabot párhuzamosan összefogva befűzöm az új tekercset. Javaslom a Skori vagy a Cimopata féle rezonáns tápot, főleg ha ez a szimmetrikus feszültség végfokhoz kell.
(#) Zupp87 válasza Zupp87 hozzászólására (») Dec 17, 2011 /
 
Pontosabban a tekercs árama I0+1/L*integrál(u(t)dt). Szóval minél nagyobb az induktivitás, adott amplitúdójú és bekapcsolási idejű négyszög feszültségnél egy peródus alatt annál kisebb lesz az áram átlagértéke, ergo annál kisebb árammal tölti a kondit, és ugye a kondenzátoron pedig a feszültség: U0+1/C*integrál(i(t)dt). Tehát egy periódus alatt ha kisebb a töltőáram átlagértéke (ami eredő áramként fogható fel, mivel a terhelés kifelé veszi az áramot), kisebb lesz a feszültség, növelni kell a bekapcsolási időt, hogy nagyobb értékre futhasson fel az áram, nagyobb legyen az átlagértéke, így nagyobb legyen a kimeneti feszültség.. ezt csinálja a PWM szabályzó. A rezonáns tápegységekben (ahol az áram közel szinuszos), nincs kimeneti fojtótekercs, így az áram jelegét a primer oldali rezonáns kör határozza meg. Vannak még autós erősítőkben ellenütemű, de szabályzatlan, és nem rezonáns tápok, ahol szintén nincs kimeneti fojtótekercs. Ezekben az esetekben szabályzás nélkül is viszonylag helyén marad a kimeneti feszültség. Jó transzformátor valamint kellő mennyiségű primer oldali puffer esetén el lehet érni, hogy a kimeneti feszültség stabilabb lesz, mint egy izmosabb (200...300W) hálózati trafó kellően pufferelve.
(#) (Felhasználó 46585) válasza Zupp87 hozzászólására (») Dec 17, 2011 /
 
... terhelésfüggő a fojtótekercs miatt ...

Ez nem így van. A fojtó, meg a kondi egy aluláteresztő szűrőt képez, ami jelen esetben a diódákról bejövő négyszögfeszültségnek a középértékét képezi. Ennek feltétele az, hogy a fojtón folyamatos legyen az áramvezetés. Ha ez teljesül, attól kezdve bármekkora árammal terheled a kimenetet, statikusan állandó feszültséget kapsz. ( Csak a fojtótekercs ohmos ellenállásán eső feszültség miatt fog csökkenni a kimeneti feszültség. )
(#) Zupp87 válasza (Felhasználó 46585) hozzászólására (») Dec 17, 2011 /
 
Igazad van.. nem gondoltam át teljesen. Viszont kis terhelések esetén, szakaszos áramvezetésnél meg közelít a kimeneti feszültség a négyszög amplitúdójához, ha jól gondolom.. (és kb. ezt is tapasztaltam).
Tehát akkor pl. sima együtemű konverternél is el lehet érni azt megfelelő kimeneti szűrővel, hogy egy bizonyos terhelés fölött közel állandó legyen a kimeneti feszültség? Az világos, hogy kis terhelés esetén megszalad a kimeneti fesz. Azt hiszem elő kell szednem a régi elektrójegyzetem.. és átnézni egy kicsit az elméletet Annakidején volt szó a folyamatos és a szakaszos áramvezetésről kapcsolóüzemű tápegységeknél.. csak akkor ilyen "muszáj megtanulni" szinten foglalkoztam vele.
(#) (Felhasználó 46585) válasza Zupp87 hozzászólására (») Dec 17, 2011 / 1
 
"...Viszont kis terhelések esetén, szakaszos áramvezetésnél meg közelít a kimeneti feszültség a négyszög amplitúdójához, ha jól gondolom..."

Igen. Meg hozzá jó nagy áramok lesznek a primer oldalon, ugyanis csak a szórási-, szerelési induktivitás, meg a körben levő soros ellenállások korlátozzák az áramot.

"Tehát akkor pl. sima együtemű konverternél is el lehet érni azt megfelelő kimeneti szűrővel, hogy egy bizonyos terhelés fölött közel állandó legyen a kimeneti feszültség?"

Persze, hiszen a szűrőre kerülő fesz ugyanolyan, legfeljebb nem lesz akkora a kitöltési tényezője. ( általában )

A folyamatos áramvezetés határa ott van, ahol az áram ( hullámosság) eléri a nullát. Vagyis az áramhullámosság felénél adódó terhelőáramnál.

Nézd meg szimulátorban, nagyon tanulságos.
(#) stelok hozzászólása Dec 17, 2011 /
 
Sziasztok.
A Skori féle tápot építem és az lenne a kérdésem
hogy a mellékletbe lerajzolt módon tekerem meg a 2x13 menetet az jó lesz?
Üdv Stelok

tekercs.jpg
    
(#) emmzolee válasza stelok hozzászólására (») Dec 18, 2011 /
 
Persze, hogy jó lesz. A kép így helyes.
(Attól függ, hogy a nyákodat hogy tervezed.)
(#) stelok válasza emmzolee hozzászólására (») Dec 18, 2011 /
 
Helo
Pont az általad tervezett nyákot készítem el, amit a digitális forrasztó állomáshoz készült.
(#) emmzolee válasza stelok hozzászólására (») Dec 18, 2011 /
 
Akkor ok lesz. Az enyém ilyen lett. (Csak azért teszek be képeket a trafóról, hogy látszódjon az 1, 2 menetes gerjesztő tekercs is.)
(#) stelok válasza emmzolee hozzászólására (») Dec 18, 2011 /
 
Jól látom az egy sárga színű ferrit gyűrű? PC tápból való?
(#) emmzolee válasza stelok hozzászólására (») Dec 18, 2011 /
 
Nem jól látod!

Ez egy kicsi táp trafója volt. Eredetileg nem volt szigetelt, és nem akartam, hogy az éleinél ki dörzsölje a huzalt, és zárlet legyen, ezért tettem a magra egy szigetelő rétefet. Olyan anyagból, ami a kapcsi tápok trafóján szokott lenni. Tudod az a sárga szigetelő szalag féle.

A sárga mag amit a tápokban fojtónak alkalmaznak, az nem jó! Azok por magok, ide meg ferrit kell. Al 1500 fölött használható. Ezek a gyárilag sárga magok Al:100 alatt szoktak lenni.
(#) lorylaci hozzászólása Dec 18, 2011 /
 
Ma volt egy kis időm szerelni, így dolgoztam a stabilizált rezonáns tápokon. Sikerült javítanom a stabilitáson is.
Üresjáratban 36,0V-ot mértem (1W terhelés van alapból rajta), míg 250W terhelésnél 35,0V
(korábban 36,9 és 35,0V ez az érték).
Ezt úgy értem el, hogy növeltem a zéner áramát. Korábban 0,25mA volt, ami nagyon kicsi, most 1mA. Az előbb esetben a dinamikus ellenállása a zénernek 250 Ohm, míg az utóbbi esetben 150 Ohm. A zéner disszipációja még megenged bőven többet, így a zéner dinamikus ellenállása levihető 100 Ohm alá, így tovább javítható még a stabilitás.
Természetesen ennél sokkal jobb megoldást ad a TL431, azonban itt a lehető legegyszerűbb megoldásra törekedtem, és amennyiben nem kell 1%-os stabilizálás, úgy egy síma zénerrel is szép eredmény érhető el
Következő: »»   230 / 787
Bejelentkezés

Belépés

Hirdetés
XDT.hu
Az oldalon sütiket használunk a helyes működéshez. Bővebb információt az adatvédelmi szabályzatban olvashatsz. Megértettem