Fórum témák

» Több friss téma
Fórum » Házi feladat elmélet - tételek
Lapozás: OK   16 / 39
(#) pucuka válasza Gránátalma hozzászólására (») Jan 2, 2012 /
 
2 micsoda? Egyébként nem tudom hány éves a kapitány, de neked kell kiszámolni. Csak annyit mondtam, hogy ha a dimenziók stimmelnek, kevesebb bajod lesz.
(#) Gránátalma válasza pucuka hozzászólására (») Jan 2, 2012 /
 
Végül is 2Tesla korrektnek tűnik.
Köszi a segítséget.
Esetleg a Taus kérdésre nem tudsz valami megoldást?
Közben agyaltam kicsit meg utána lestem itt-ott az Le/re tuti jó lesz, de mivel ugye az 5ns-hoz képesz az 50ns állandósult állapotnak minősül, az áramkörben ekkor folyó áram U/Re. 5v/2kOhm=2,5mA. Lehet ez jó megoldás?
(#) Lacika001 válasza Gránátalma hozzászólására (») Jan 2, 2012 /
 
De nem jó.
A mágneses fluxus mértékegysége nem Tesla. A 2cm az meg nem a kör területe. Előbb számold ki az indukciót (ehhez kell a kör területe..), aztán ebből a fluxust.
(#) Gránátalma válasza Lacika001 hozzászólására (») Jan 2, 2012 /
 
Jaa!
Na akkor tisztázás végett, hogy negyedjére esetleg jó legyen.
a Fluxushoz:
a kör területe 2*r*pí tehát 2cm*pí= 6,283cm^2

Most kell az indukció (B?) ami szerintem uo*ur*H
A H pedig a térerősség, ami esetünkben 100A/m volt
Így megfelelő, vagy még mindig tovább kellene gondoljam?
(#) Gránátalma hozzászólása Jan 2, 2012 /
 
Előzőt szerkeszteni már nem tudtam, úgyhogy ide írom:

Kiszámoltam, hogy A=2cm*pí, tehát 6,283cm^2, ami 0,0628m^2.
A B=u0*ur*H=100*1,257*10^-6*400= 50,28*10^-3 Am/m

A fluxus pedig B*A tehát 50,28*10^-3 * 0,0628m^2= 5,028 Wb
Így jó lesz?
(#) Lacika001 válasza Gránátalma hozzászólására (») Jan 2, 2012 /
 
Idézet:
„a kör területe 2*r*pí”


Húha!

A B az rendben van szerintem, szorozd be a rendes területtel (a m^2 és a cm^2 között nem 100 a váltószám) és kész
(#) zolika60 válasza Gránátalma hozzászólására (») Jan 2, 2012 /
 
Vegyél elő egy függvénytáblázatot. A kör területe egyébként R[sup]2[/sub]*pí
(#) Gránátalma válasza Lacika001 hozzászólására (») Jan 2, 2012 /
 
Igazad van!
Akkor most újragondolva!
A=3,14cm^2 ami 0,0314m^2
B=50,28*10^-3 Am/m
Fluxus pedig 50,28*10^-3 * 0,000314Am/m = 15,787*10^-6 Wb

Jó nem jó?

"nem 100 a váltószám"
Akkor még mindig átgondolom...


Közben javítottam
(#) Lacika001 válasza Gránátalma hozzászólására (») Jan 2, 2012 /
 
Még mindig nem 100 a váltószám m^2 és a cm^2 között.
1m*1m=100cm*100cm
(#) pucuka válasza Gránátalma hozzászólására (») Jan 2, 2012 /
 
Ha már indításkor átszámolod az értékeket abba dimenzióba, amit már használsz, sokkal kisebb a tévedés esélye. Akár normál alakban is, és akkor nem kell az átváltással bíbelődni, csak a számítások elején, és végén, akkor is, csak ha szükséges.
(#) Gránátalma válasza Lacika001 hozzászólására (») Jan 2, 2012 /
 
Javítottam, előzőben.

A következő problémám szintén torroidos feladattal kapcsolatban van.

Egy légréses torroid tekercs légrésében a térerősség 80kA/m. mekkora a térerősség a vasmagban, ha a ur=200, Mekkora a fluxus, ha a vasmag 2cm átmérőjű kör keresztmetszetű.

Annyira jutottam vele egymagam, hogy Blevegő=80kA/m
És kell a Bvas, amit úgy tudok kiszámítani, hogy u0*ur*H
De a H-t nem tudom kiszámolni úgy, hogy ne legyen benne itt ismeretlen.

H=B/u0*ur ;
vagy gerjesztés/lk; más variációt nem találtam most rá . Ezt hogy kell?

---
Vagy az jó, hogy Hl= B/uo tehát 80kA/1.257*10^-6
És ez a H használható a Bvashoz?
(#) Lacika001 válasza Gránátalma hozzászólására (») Jan 2, 2012 /
 
Ez ugyanaz a feladat, csak most a légrésben van megadva a térerősség. A magban a térerősség ur-ed része lesz, a többi teljesen ugyanaz.
(#) Gránátalma válasza Lacika001 hozzászólására (») Jan 2, 2012 /
 
Rendben, akkor megoldom, utána meglesem a többit is, hátha megy valami, de majd még jelentkezem.

Köszönöm a segítséget mindkettőtöknek!
(#) Gránátalma válasza Gránátalma hozzászólására (») Jan 2, 2012 /
 
Na azt hiszem megoldottam.
Hvas=80kA/m / 200 = 400A/m
A= 3,14 cm^2 tehát 0,000314m^2
Bvas=H*u0*ur = 100,56*10^-3
Fluxus= B*A= 31,575*10^-6 Wb
Remélem ez így jó.

De ezek a tekercses dolgok eléggé nehézkesen mennek nekem.
Itt van mindjárt a következő, ami most négyzetes alakú vasmaggal szól.

Szóval:
Egy 4cm^2 négyzetes keresztmetszetű V360-50A trafó lemezből készült vasmagban 1mm-es légrés található. A vasmag térerőssége 100A/m. A vasmag külső méretei 100mm*100mm. Mekkora lesz a légrésben a fluxus ha az 1000 menetes tekercset 232mA gerjesztő árammal tápláljuk?

Gyanítom itt teljesen más képletek érvényesek, mint az előzőnél. Vagy nem?
(#) Gránátalma válasza Gránátalma hozzászólására (») Jan 3, 2012 /
 
Közben megoldottam még egy feladatot is, ami így hangzik:

Egy 500menetes 1650 relatív permeabilitású vasmagos tekercs hossza 4cm, átmérője 1cm, Mekkora a gerjesztés, a mágneses térerősség, az indukció és a fluxus, ha a tekercsben 2mA áram folyik?

Így oldottam meg:
Gerjesztés I*N =1Am
Térerősség H=gerjesztés/lk ahol lk a 4cm méterbe behelyettesítettem... = 25Am
B=u0*ur*H =51.85*10^-3 Am
fluxus=B*A 0,5^2cm*pí = 0,0000785m^2 * 51,85*10^-3 = 4,049*10^-6 Wb

Nem tudom ez így megfelel-e a valóságnak, vagy sem!?
(#) Peter65 válasza Gránátalma hozzászólására (») Jan 3, 2012 /
 
Szerintem ez akkor lenne így jó, ha a vasmag egy 4cm középkerületű toroid lenne. A feladat olyan tekercsről szól az értelmezésem szerint, amiben 4cm hosszú egyenes vasmag van. Ha felrajzoljuk a fluxus útját, belátható, hogy a 4cm vason kívül legalább ennyit a vason kívül halad. A vas magas permeabilitása miatt a mágneses térerőssége zöme leginkább a vason kívül esik. Számolni valahogy így kellene:
Gerjesztés=(B/u0)*l(vason kívül)+(B/u0*ur)*l(vas, azaz 4cm)
l(vason kívül) értékét csak közelítőleg lehet szerintem meghatározni, ráadásul ez azért eléggé inhomogén tér. Talán nem követsz el nagy hibát ha mondjuk 6cm-nek tekinted.
Ha B megvan, akkor a többit már ebből ki tudod számolni.
(#) Gránátalma válasza Peter65 hozzászólására (») Jan 3, 2012 /
 
Értem, de így a B sincs meg.
Ugyanis B= u0*ur*H val számoltam, viszont a Hhoz meg gerjesztés/lk képletet alkalmaztam, tehát egyik következik a másikból.
Sehogy sem jó ez így. akkor a H-t kellene meghatározni máshogy.
De miből?
(#) Peter65 válasza Gránátalma hozzászólására (») Jan 3, 2012 /
 
A korábban felírt egyenletben csak egy ismeretlen van, a B. Előbb ezt számolod ki, és ebből a H(vason kívül) és a H(vas) értékét.
(#) bosch1980 válasza Norberto hozzászólására (») Jan 6, 2012 /
 
Norberto!

Nagyon köszönöm a segítségedet!! Boldog Új Évet kívánok! Bocs a késői reagálásért.

Üdv. Bosch
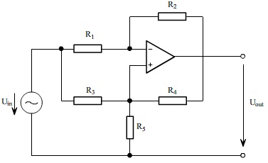
(#) elektromania92 hozzászólása Jan 6, 2012 /
 
Sziasztok. Esetleg tudna nekem valaki nagyon gyorsan segíteni? Csatoltam a feladatot. Valaki elmagyarázná nekem érthetően az ilyen és hasonló kapcsolások megoldását? Az alapokkal tisztában vagyok, az egyszerű alapkapcsolások mennek is, de ebbe nagyon belebonyolodtam. Az Au-t kell kiszámolni.
Köszönöm szépen.

me1.jpg
    
(#) Peter65 válasza elektromania92 hozzászólására (») Jan 7, 2012 /
 
Szia!
Valószínűleg a rajzon a kimenetnél lemaradt egy kötést jelző pont. Én úgy vetem, mintha ott lenne.
Ha közben rajzolgathatnék, talán könnyebben lenne, mint csak így szavakkal kifejezni. A kapcsolásban kettő feszültség adott, az Uin és az Uout. Még egy feszültséget érdemes felvenni, a műveleti erősítő bemeneteinek feszültségét (legyen Um). Ezen feszültségekkel kifejezed az egyes ellenállásokon folyó áramot. A rajzból adódóan Ir1 és az Ir2 megegyezik, ezért a két kifejezésből felírható egy egyenlet. Az Ir5=Ir3+Ir4, ez alapján felírsz még egy egyenletet. Kettő egyenleted van három ismeretlennel (Uin, Uout, Um). A két egyenletből kiejteted Um, így marad egy egyenleted kettő ismeretlennel (Uin, Uout). Kifejezed a kettőjük arányát, ami ugye az erősítés. Nekem elég cifra eredmény született:
Au=(-R3R5(R1-R2)+R3R4R2+R1R5(R3+R4)) / (R4R5(R1-R2)+R3R4R2+R2R5(R3+R4))
Lehet hogy van egyszerűbb megoldás is, én ezt az utat ismerem.
(#) elektromania92 hozzászólása Jan 7, 2012 /
 
Szia.
Köszönöm a megoldást, valószinűleg helyes is.
Mi itt felvidéken eléggé érdekes módszereket tanulunk.
Csatoltam egy mintafeladatot, ha érdekel nézd meg.
A bemeneti ellenállást kell kiszámolni. 3 féle módszerrel van. Sajnos nemtudom a magyar megfelelőit, csak az egyiknek, virtuális 0, vagy földpont lehet.
Azt mondta az egyik prof., hogy elég ha a virtuális földpontosat tudjuk, a többit ugyis elfelejtjük.
Nemtévedett sokat.Elfelejtettem mire hazaértem.

feladat1.rar
    
(#) Peter65 válasza elektromania92 hozzászólására (») Jan 7, 2012 /
 
Talán a b) megoldás felel meg annak, ahogy számoltam. A mátrixos megoldást nem ismerem, de lehet, hogy egyes esetekben hatékony lehet.
(#) Dark Archon hozzászólása Jan 13, 2012 /
 
A következő feladat csúnyán megszivatott vizsgán. Egyedül az utolsó kérdést tudtam megfejteni a könyv által. Esetleg valaki tudja a másik kettőt? Lehetőleg a jövő hét közepéig kellene a megfejtés.

Egy oszcilloszkóp képernyőjén az alábbi ábra látható. A bemenet kapcsolója DC, a bemeneti osztó 50 mV/div, az időalap generátor 0.2 ms/div állásban van. A jelet három különböző elven működő műszerrel is mérjük váltakozó feszültségmérő üzemmódban. (ld. kép).

1. Mit mér és mit mutat a 2Ü átlagérték egyenirányítós Deprez műszerrel rendelkező elektronikus műszer?

2. Mit mér és mit mutat a csúcsértékmérő egyenirányítóval rendelkező elektronikus műszer?

3. Mit mér és mit mutat egy true RMS rendszerű digitális mérőműszer? Umutat=Umér=Ueff=Ucs/gyök3=150mV/gyök3

Már az is segítene, hogy melyik mit mér és mit mutat, abból már rájövök, hogy kell kiszámolni. Előre is köszi!

meres_4.png
    
(#) Gránátalma hozzászólása Feb 23, 2012 /
 
Hali!
Egy tranyós alapkapcsolásos kérdéssel fordulnék hozzátok ezúttal.

(kapcsolást sprintben rajzoltam meg mert más célprogramom momentán nincs)

A kapcsolásból felírtam a bemeneti ellenállás, illetve a kimeneti ellenállás képletét, de nem nagyon sikerül a feszültség és áram erősítés képlete.

Rbe= R2xh11e x[R1+(1/h22exRc)]
Rki= Rcx1/h22ex [R1+(h11exR2)]

Szerintem így alakul a dolog, de ha nem szóljatok!
Az erősítésekkel viszont nem boldogultam.
Ötletek?

tr.jpg
    
(#) bodgabo válasza Gránátalma hozzászólására (») Feb 23, 2012 /
 
A közös emitteres alapkapcsolásban az R1 jelű munkapont beállító ellenállás a bázis és a +Ut (ami váltakozó áramú sempontból GND) között van így az
Rbe = R1 x R2 x h11e
Rki = Rc x (1 / h22e)
levezetni nem akarom de
Au = h21e ((1/h22e x Rt) / h11e)
Ai = h21e ((Rt x Rc) / Rt)
(#) mugab válasza bodgabo hozzászólására (») Feb 23, 2012 /
 
Sajnos az R1 az negatív visszacsatolás is ezért az erősítések, meg a kimeneti ellenállás sem független tőle.
(Szerintem (meg a könyvem szerint))
(#) Gránátalma válasza bodgabo hozzászólására (») Feb 25, 2012 /
 
Ezek a képletek esetemben nem jók, meg amúgy sem... Mert a terheletlen erősítés (-h21e/h11e)*[(1/h22e)xRc]

De esetemben az R1 söntöli a h11e-t és módosítja a h21e*iB-t.
Szerintem kellene egy áramosztást számolni a fesz. erősítéshez ott, ahol bekapcsolódik a h21e*iB-be az R1
De ehhez segítségre lenne szükségem.
(#) Axel hozzászólása Márc 4, 2012 /
 
Sziasztok!
Adott egy párhuzamos RC tag. Jól számoltam, hogy az eredő impedancia ~ 98.2ohm?
Köszi!

par_rc.JPG
    
(#) Axel válasza Axel hozzászólására (») Márc 4, 2012 /
 
A frekvencia 50Hz, ezt kifelejtettem
Következő: »»   16 / 39
Bejelentkezés

Belépés

Hirdetés
XDT.hu
Az oldalon sütiket használunk a helyes működéshez. Bővebb információt az adatvédelmi szabályzatban olvashatsz. Megértettem