Fórum témák
» Több friss téma |
Hello tudna valaki segiteni ? van egy tetováló gép tápom ami nem igazán akar müködni! Bekapcsolás után a tekercs csak egy mozdulattal behúz kissebb feszültségnél meg sem mozdul!Ennek oszcilálni kéne nem? mi lehet a probléma ?
Hello Rajzom nincs rolla kép meg nem mond semmit rolla ez egy gyári digitális táp.Nem oszcilál a tetkogép más táppal egyből remeg működi!
Mert nem DC tápról kellene hajtani, hanem AC feszültségről. Ha nem ismered ezeket, akkor olvass utána. Ha próbálgatod még egy kicsit, le fog égni a tekercs, vagy már le is égett...
Hello ez gyári táp ezt adták hozzá.Lehe akkor hogy ac áramot ad le a dc helyett? Ezt egy multiméterrel ki tudom mérni? Bocsi nem vagyok nagy elektromos zseni!
Hello!
Ki tudod mérni. Tegyél rá, egy kis izzót terhelésnek, és a műszer AC és DC állásában mérj. -Ha tisztán AC feszültséget ad, akkor DC mérésnél, közel nulla lesz a mért érték. - Ha DC-t, akkor meg mutatja a műszer a +- polaritást és a feszültséget. - Ha szűretlen egyen lesz, akkor lehet AC-ban és DC-ben is mutatja a feszültséget, de DC-ben ismét mutatja a polaritást, ha a mérőzsinórt megfordítod. üdv! proli007
Köszi! Végre valaki aki értelmes válasz adott!
Rámértem ahogy mondtad 5v ra állitottam a tápot egy 4v os égővel terheltem csak dc ben mutatott 1.70v ot.Terhelés nélkül 5v..A tápra van irva hogy DC kimenet és a táp tartalmaz elektronikát lehet az hogy nem csinál inpulzust ami a müködéshez kéne? Tettem fel képeket a tápról.
Ez a táp egyáltalán nem a tetováló géphez való. Én még nem láttam DC feszültséggel üzemelő tetoválógépet, de akár lehetséges. Szóval két különböző dolgot kaptál. Együtt nem ér semmit, ez a lényeg.
A c2-es nagy kondit mérd ki, hogy mennyi a kapacítása, valamint, ellenőrizd a szekunder oldalon, ha jól látom, van egy zéner dioda az r6, vagy d6 nével szerepel a panelon, nem lehet jobban látni a képen.
Bocs de ehhez nem értek!Garanciás és visszaviszem személyesen és mutassák meg hogy müködik! http://www.koji-point.com/tapegysegek-pedalok-clipcordok.html innen vettem itt van még ilyen táp ha valakit érdekel vagy még nem látott ilyet.
És ezen nem volt garancia szalag? Csak azért kérdem, mert ha szétszedted, akkor a csavarokon is látszik, hogy szét volt szedve. A szemfüles garancia szervíz szépen vissza adja, ha kötekedni akarnak, és ugrott a gari.
Nem semmi már volt náluk azt mondták semmi baja de szerintem a tetko gépet nem probálták ki vele!Probálnák nem kicserélni! Személyesen visszem most vissza!
A táppal sincs semmi gond, a tetováló géppel sem, csak éppen nem összetartozók. Ennyi a gond.
Feltettem egy kérdést egy másik topikban, de szerintem itt kellett volna.
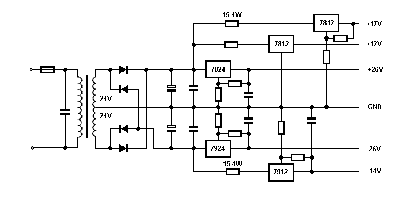
Mindegy, most itt is megteszem, max kikapok érte. ![]() Sziasztok. Egy bizonyos panel vizsgálatára kell próbapadot csinálnom. A panel a következő feszültségeket és hozzávetőleges teljesítményeket igényli: +56v DC 3A +- 26V DC 0,5A +17V DC 0,5A -14V DC 0,5A +12V DC 1A GND Kérdésem a következő: Meglenne a tematika, szerintetek jó -e így? - Az 56V-ot simán torroiddal, vagy táppal, egyenirányítóval pufferkondival oldanám meg, amúgy is ide kell a teljesítmény. Ezt majd kiszámolom, hogyan jön ki korrekt módon az 56V - A +-26Vot egy egyszerű labortáp kapcsolással oldanám meg, mint pl: HEKIT-007 a HEStoroeon. - A +17 és -14 V DC már konkrétan a HEKIT-007-el készülne, úgy hogy a -ágra raknék egy feszültségosztó ellenállást, vagy kipótolnám egy LM7814-el a kapcsolást esetleg. - A +12V mehetne labortáppal, vagy torroiddal, vagy sima táppal egyenírányítva. - A végén az össszes kapcsolás földjét közösíteném. És kell rá túláram, illetve rövidzár védelem is, akár rezetelhető, akár csak 1N4148-as diódás (csere, ha kisül) Szerintetek ez jó így, van -e benne nagy baki, vagy esetleg van vkinek jobb elgondolása? Bármilyen ötletet szívesen veszek és köszönök, előre is.
Szerintem kell egy kapcsolóüzemű táp 56V/3A-re, ennek a trafóján lehetne 2db további segédtekercs, mondjuk 30-30V-ra, amiből néhány darab LM2575-ADJ állítaná elő a többi stabilizált feszültséget...
Több mint 160W-ra a hagyományos áteresztős táp nem a legjobb. Hatalmas vesztesége lenne -> nagyon melegedne, továbbá drága és nehéz.
Értem.
Köszi a tippet. Már találtam is Conradba 56V tápot. Relative olcsón. Az LM2575-öt lehet közösiteni, hogy +-feszkót produkáljon? Gondolom, ha már ajánlottad, működik benne a sorba kötés, és a közös pont nullásitás. És ebben az esetben lehetséges a +17v/-14v beállitása? Mert ez lenne a sarkallatos pont. Nem mondom hogy kezdő vagyok elektronikából, de inkább gyakorlati területen mozgok. Tudásom jelentősen felszines. És ráadásul gyorsan felejtek.
Ha megvan az 56V -os rész, egy trafóval oldanám meg a többit. A +12V-nál lehetne buck-regulator is a jobb hatásfok érdekében. Pl: LM2576 (minden elkót és 100nF-ot nem rajzoltam be...)
Sziasztok!
Szeretnék egy olyan tápegységet építeni, mellyel különböző feszültségeken tudnék tesztelni áramköröket. Stabilizáltan kellene tudnia 3,3V, 5V, 12V, 14,4V, 24V, 28,8V-on max 2A-t. Valami gyors és olcsó megoldásra lenne szükségem. Mit javasolnátok? Segítségeteket előre is köszönöm! Üdv LAC!!!
Szia!
Használj 78-as sorozatú stabilizátor-IC-ket, szükség szerint megemelt referenciafeszültséggel, vagy potméteres beállítású LM317-et
Azt nem mondtad, hogy mindezt egyszerre, vagy egyenként kell tudnia. Az egyéb követelményekről sem tudunk semmit (túláramvédelem, áramkorlát, stabilitási igények, stb).
Igen! Egyenként kellene tudnia. Első körben ledeket, ledszalagokat szeretnék vele működtetni, kipróbálni itthon 230-ról, hogy milyen fényerővel és hogyan világítana egy autóbuszban pl.. Erre kellene a 28,8V-os része. Szóval egy járműben előforduló feszültségeket szeretnék szimulálni.
Sziasztok!
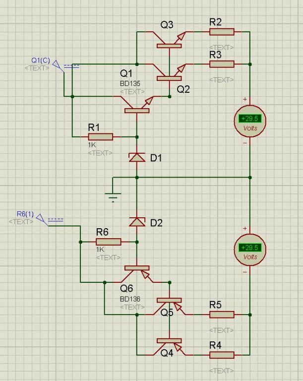
Szerintetek működőképes ez a kapcsolás? D1-D2 30V-os zener dióda Q2-Q3 mondjuk 2N3055 Q4-Q5 2N2955, R2-R3-R4-R5 emitter ellenállások, mondjuk 0,22ohm. A tápfesz +/-40V. A max terhelés kb 2,5A lesz, és tartania kéne kb. 30V-ot
Miért kell bele a két tranzisztor párhuzamosan? Akkora áramhoz és disszipációhoz egynek is elégnek kellene lenni.
Szép napot!
Ha jól emlékszem volt az oldalon egy kapcsolás amivel a PC táp 0, és a +12 voltos kivezetéséből +12, 0, -12 kivezetésű szimmetrikus tápot lehetett csinálni,... Ha jól emlékszem nem kellett módosítani a tápon, csak a kivezetésére volt valami egyszerűbb elektronika rákötve! Tud erről valaki valamit? Amúgy erősítő meghajtására kéne!
Sziasztok!
Szerintetek a mellékelt kapcsolásba ha bd249 et és bc337 tennék, működne? Köszönöm a választ. Üdv!
Az 50 ohm elég furcsa nekem, így már 15mA körüli áramnál nyit a kerülő tranyó... Lehet, hogy 5 ohmra gondolt a konstruktőr.
Véleményem szerint működne a kapcsolás, persze nem ártana a zeener diódás tranzisztorhoz bekötni egy emitter ellenállást a stabilitás érdekében figyelembevéve a két nagyáramú tranzisztor bázisáramát.
Én még tennék a zeenerrel párhuzamosan egy 100-200 nanós kondit is zavarszűrőnek.
Hello!
Azt azért tegyük hozzá, hogy ha nem "L", hanem egy "sima" 78-as sorozatú stabilizátort használsz a kapcsolásban, akkor Q1 áramhatár belépésekor, a stabilizátor maximális áramot fog kiadni. Mivel ez átlagosan 1A körüli, megfekszi a kis BC hasát. Vagy is a Q1 helyére, valami 1A feletti kollektoráramú tranyót illik rakni. üdv! proli007 |
Bejelentkezés
Hirdetés |















