Fórum témák
» Több friss téma |
Bocsi hogy új témát nyitok de én nem találtam ilyen témára.
Van 2 genius PC mikrofonom. Ezt szeretném valahogyan zenekari keverőpultra rákötni de ha simán rákötöm akor nem szól gépen keresztűl kötöm akkor szól de nekem úgy kéne megoldani hogy gép nélkül szóljon. Előre is köszönöm a válaszokat!
Készítesz két mikrofon előerősítőt választó kapcsolókkal .Majd ezeknek a jelét viszed a keverő pultra. Így már is kikerülted a gépet. Választék
Szia! A pc mikrofonok azok elektret mikrofonok amiknek kell táp. A legtöbb keverőn (nagy zenekarik) van egy úgynevezett fantomtáp kapcsoló, ami pont ezeknek a mikrofonoknak adnak tápot, ha van ilyen kapcsoló a tiéden is kapcsold be! Ha nincs katt a linkre..Bővebben: Link
Ezzel ha megcsinálom akkor jó lesz?
Csak azt nem tom hogy mi az a multiméter mellette programként!
Nekem a keverőmön nincs fantomtáp akkor a kettő kép közül amit belinkeltem melyiket kellem megcsinálni?
Az elsőt, de nem kell 48 volt elég 5 volt is vagy 12 vagy amennyi van a keverődben. Ellenállásnak egy 5-10kohm os kell
Még annyi lenne a kérdésem hogy miket kellek beszerezni hozzá?
Az attól függ mennyire akarod túlbonyolítani, meg attól hogy be akarod e építeni a keverőbe.
Milyen értékű ellenállás kell?
És Milyen kondenzátor kell hozzá?
Hello
kicsit kezdő vagyok ezen a téren nagyon sok ilyen kapcsolást találtam az interneten és arra lennék kíváncsi hogy ezekbe általában a potméter csak az erősítést szabályozza vagy letekerve le is lehet vele némítani ?
Hali!
Én ezt használom, ez teljesen letekerve alaphangon szól, tehát nem lehet elnémítani.
és esetleg nincs valakinek egy egyszerü kapcsolása amivel egy pc mikrofon. hangerejét lehet szabályozni és némítani
http://www.jt30.com/harp-mic-volume-control-wiring.html
Ez vajon működhet ? csak halkítani kellene fölég a mikrofon hangerejét
Erről a kapcsolásról mi a véleményetek ?
Interneten találtam egész jónak néz ki Nekem egy PC és egy sima olcsó mikrofon közé kéne
Üdv
Egy olyan megoldás kellene nekem mivel meg tudnám oldani hogy egy pc mikrofon hangerejét egy potival (letekerve némítsa is) Elég kezdő vagyok Előre is köszönöm
Start-Programok-Kellékek-Szórakozás-Hangerőszabályzó...
Hamarosan zárják, visszaszámlálás indul...
Nekem valami "hardveres" megoldás kellene
Talán a potenciométer?
Odáig én is eljutottam
De milyen potméter legyen ?
Illetve elég csak simán önmagába? nem kell hozzá semmi?
Nem kell semmi, csak egy poti, ha dinamikus a mikrofonod. Ha fantomtápos, akkor bonyolódik a helyzet.
Egy sima kondenzátormikrofon semmi más nincs benne
Az egy elektretmikrofon, amely a vezetéken keresztül kapja a tápfeszültségét. Kicsit módosítani kell a dolgot ahhoz, hogy a tápot megkapja, de a jelet is szabályozni lehessen.
Sziasztok
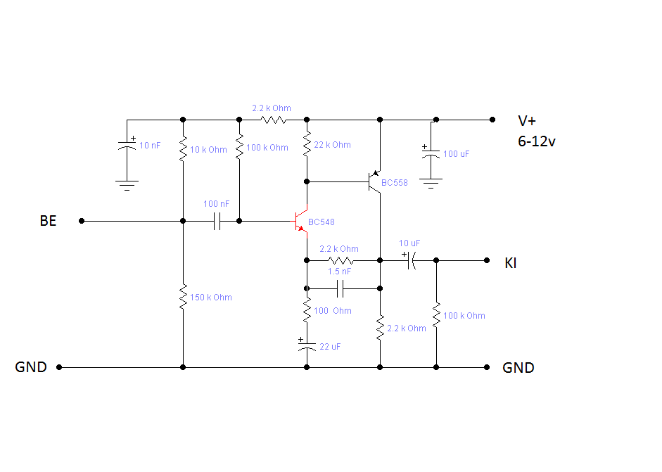
Találtam itt a fórumon egy mikrofon erősítő kapcsolást erről lenne pár kérdésem -Menyire jó látszólag a minősége ? -Melyik alkatrészektől függ az erősítés mértéke? -Szerinted ezt menyire macerás légszereléssel csinálni? Ami még kérdésem hogy ezt hogy lehetne megoldani: -Legyen egy poti amivel lehet szabályozni a mikrofon hangerejét (le lehessen tekerni némára) és mikor néma akkor egy led világítson A válaszokat előre is köszi
Ezekkel a kapcsolásokkal maximum 70-85dB jel zaj viszony érhető el, ettől többet csak aszimmetrikus bemenettel tudsz elérni. persze ez a jel zaj viszony is sokmindenhez elég lehet.
Egy megoldás lehet a hangerőszabályzásra a 100ohmos ellenállás kicserélése egy potira. De ez nem némítja el! Mikrofonelőerősítőt légszereléssel csinálni, olyan mintha acélból szeretnél repülőgépet csinálni. Jó lesz az, csak repülni nem fog. Talán az egyik legkisebb jelű részek az erősítéstechnikában a mikrofonerősítők. Ha valahol nem mindegy a szerelés, és az alkatrészek minősége, akkor ez az. Persze ha nem zavar, ha bejön rajta a rádió...
Köszi akkor a légszerelést el is felejtem de viszont nekem a némíthatóság nagyon fontos lenne
Üdv az Uraknak!
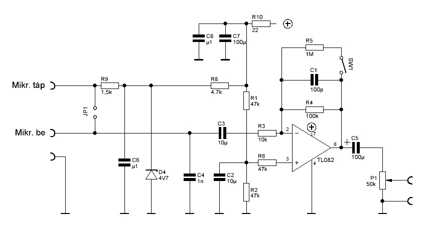
Terveztem (összeloptam) egy mikrofonerősítőt, és azt kérdeném tőletek, hogy jó lesz-e így? Elegendő-e a megcélzott 10-szeres, és a 100-szoros erősítés egy olcsó elektret mikrofonhoz? Ajánlott még bele valami extra? Köszönettel: Zsolt
Szia.
Extraként javasolnám, hogy az R4, R5-öt cseréld meg. Ne az 1mega söntölje a 100k-t, hanem fordítva. 082-nél jobb eredményt fog adni az NE5534.
Köszi, Olyanom nincs, annyira nem HiFizek, ez inkább műszaki célokra lesz, most a TL081-et célzom meg, de majd cserélem, ha kinövöm. Hanem valóban alkalmasabb az NE, a zajfeszültsége negyedannyi, a sávszélessége háromszorosa, habár a Slew rate ugyanúgy 13V/ms
|
Bejelentkezés
Hirdetés |
















