Fórum témák
» Több friss téma |
Fórum » CCS PIC Compiler
Sziasztok,
K0108 alapú GLCD-re szeretnék int8 változók értékét kiiratni, tudna esetleg valaki segiteni, hogy tudnám kiiratni?
Üdv mindenkinek!
Napok óta küzdök egy SD kártyával, és nem találom a megoldást. A PIC a kártyáról nem azt olvassa be ami a kártyán van Amit nem értek, hogy akár hányszor olvastatom be, mindíg ugyan azt az eredményt hozza, azaz a bit kiesést kizárnám. Egyenlőre szoftveres SPI-vel gyötröm, mert hardveresen meg se makkan a kártya (gondolom az inicializálásnál túl gyors).
Találkozott már valaki hasonlóval?? A CSS ex_fat-ját próbálom egyenlőre csak életrekelteni, majd később módosítani. A bugfix-ek már megvoltak, bár annak itt még nincs jelentősége. A képen a kártya tartalma Winhex-el és a beolvasott első szektro első 50 bytja van.... nem egyforma...
Sziasztok
segítséget szeretnék kérni a CCS C Compiler szeretném letölteni de csak Update tudom le tölteni de nekem még az alap progi sincs meg. Tudom hogy én csinálok valamit rosszul de mit? meg tudná mondani nekem valaki hogy hol tudom le tölteni az alap progit
A Software Downloads oldalon a CCS Compiler Demo linkre kell kattintani. A többihez a Store/Prices menüponton keresztül lehet eljutni...
Szia
Köszönöm a segítséget De nem volt egyszerű negyedik próbálkozásra töltötte le De feltelepítés után hibát ír registration file error Ez mitől van?
Nem tudom, én ezer éve nem foglalkozom CCS C-vel.
Valószínűleg még nem érkezett meg a pénz a CCS fiúkhoz és nem küldték még el a regsztrációt.
Szia! Az error nem tudom mitől lehet, de innen letöltve a CCS Compiler Demo verziót és a MPLAB IDE Plug-in -t, menni kellene.Bővebben: Link
Sziasztok szerintetek mit bénázhatok el?
Nem tudok megszakítást engedélyezni... Mplab ccsc pluginnal.
hiba: Idézet: „Line 47(20,21): Undefined identifier -- enable_interrupts ” Segítségeteket előre is köszönöm.
Milyen megszakítást? Ezt sem a hozzászólásodban, sem a kódban nem mondtad meg. Milyen PIC-ről van szó?
Egyenlőre csak ezt a global parancsot szerettem volna majd a PORTB változását azt szeretném idővel elérni, hogy a portb változására ébredjen a pic.
16f526
Adatlapot megnézted? Mit ír a megszakításról, vagy sleep-ről és az ébresztésről?
Rávezettél ismét csak bizonyított, hogy nem elég felületessen nézni az adatlapot
Nincs is megszakítás... no akkor most kivesézem majd hogyan lehet sleep-be rakni majd ébreszteni a portB változásával, köszönöm a türelmedet
OK!
A eszköz már készen van (100db) szerencsére tervezésnél figyeltem, hogy olyan láb legyen ébresztő ami ezt meg is teheti. Belebújtam az adat lapba és teljes a siker azt hiszem át fogok térni másik c-re mert amíg asm..-el dolgoztam nem voltam ilyen lusta. Tudom nem a ccsc hibája
Még egyszer köszönöm a segítségedet. Idézet: „A eszköz már készen van (100db) szerencsére tervezésnél figyeltem, hogy olyan láb legyen ébresztő ami ezt meg is teheti.” A mikrokontrollereknel a firmware szerves resze az aramkornek, igy addig nem szabad gyartani a termeket ameddig a proba panelon a firmware-el egyutt nem mukodik megfeleloen az aramkor...
Igen tanítják az iskolában
sajnos esetemben egyéb körülmények is közre játszottak beültető és nyák gyártó cég terheltsége áfa emelés stb stb........ Idézet: „át fogok térni másik c-re” Azt jól teszed
Szép estét kívánok!
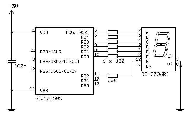
Valaki elmagyarázná nekem kicsit bővebben ezt az egyszerű programot ha szépen megkérném? Ha lehet lépésről lépésre. Főleg a 28. és 29. sor nem világos. Előre is köszönöm.
A jelek szerint van egy tömböd (pat7seg[10]), minden bizonnyal a 7-szegmeneses kijelzőn az egyes számjegyek "mintái". A 26. sorban kezdődő for ciklus végig lépked a számokon 0-tól 9-ig, s ezzel a ciklusváltozóval megcímzett rekeszből előveszed a mintát.
A 28. sorban elkülöníted a minta legalsó bitjét, s ez megy ki az RB2 lábra. A maradék 7 bitet pedig jobbra igazítva (mindegyik bit egy helyiértékkel jobbra lép) kimegy a C portra. Megjegyzés: a fent említett elkülönítés azért kell, mert a B2 vonal másik port, tehát külön utasítással kell beállítani.
Még a működésmenetét teljesen nem látom át de holnap áttanulmányozom az írtak alapján. Nagyon szépen köszönöm. További kellemes estét.
Sziasztok
Egy kérdésem lenne: Egy port valamelyik pin-jét szeretném egy incude file-ban definiálni valahogy így: #define CLK PIN_A0 Szeretném ha univerzális lenne a file, és lenne egy olyan függvény, amivel PIN_A0 helyett bármelyik pint tudom CLK-nak definiálni. Hogyan tudom ezt megoldani? Köszi a segítséget előre is.
Lehet hogy nem teljesen értem a problémád, de talán....
Az "univerzális" h-ba
A program fileba pedig
Szia
Köszi a választ de nekem olyan megoldás kellene, amivel egy függvény paramétereként tudom kezelni az adott pint. PL.:
Bár ha jobban belegondolok, lehet hogy ez csak felesleges hókuszpókusz. Köszi.
A fő kérdés az, hogy futási vagy fordítási időben dől el, hogy melyik láb legyen? Ha csak futáskor lehet tudni, akkor gondolkozz függvényben, egyébként ne.
Szia
Igazad van. Fordításkor már tudom, hogy melyik lesz a CLK pin, így tényleg felesleges a függvény. Csináltam egy kétvezetékes LCD kezelést, és arra gondoltam, hogy milyen jó lenne, ha az egyéb LCD paraméterek mellett az init()-ben ezt is be lehetne lőni. De tényleg felesleges. Köszi.
Szevasztok!
lenne egy problémám és kellene egy kis segítség. Írtam egy programot PIC16F876A-ra ami LCD-re ír ki adatokat. Az CCS-ben lévő LCD.c drivert használtam. Tökéletesen működik a cucc. 4 MHz-es külső quartz-ról megy a PIC és a következő fuse-ok vannak beállítva: #fuses XT,NOWDT,NOPROTECT,NOLVP,PUT A probléma: szeretnék egy PIC18F2455-öt használni az eredeti áramkörben. Tehát szintén 4MHz-es quartz. Az időzítések mennek, de az LCD totál üres. Megpróbáltam másik LCD driverrel is, a helyzet ugyanaz. Arra gyanakszom h mégis inkább valami a fuse környékén nem stimmel. Van valakinek tapasztalata PIC16-ról PIC18-ra történő update-eléssel kapcsolatban? Köszi előre is! Üdv: P
Szerintem inkább valami elkötés lehet, vagy a fuse nincs rendesen beállítva.
|
Bejelentkezés
Hirdetés |





Nincs is megszakítás... no akkor most kivesézem majd hogyan lehet sleep-be rakni majd ébreszteni a portB változásával, köszönöm a türelmedet





