Fórum témák

» Több friss téma
Fórum » AVR - Miértek hogyanok
 
Témaindító: pakibec, idő: Márc 11, 2006
Témakörök:
WinAVR / GCC alapszabályok:
1. Ha ISR-ben használsz globális változót, az legyen "volatile"
2. Soha ne érjen véget a main() függvény
3. UART/USART hibák 99,9% a rossz órajel miatt van
4. Kerüld el a -O0 optimalizációs beállítást minden áron
5. Ha nem jó a _delay időzítése, akkor túllépted a 65ms-et, vagy rossz az optimalizációs beállítás
6. Ha a PORTC-n nem működik valami, kapcsold ki a JTAG-et
Bővebben: AVR-libc FAQ
Lapozás: OK   32 / 842
(#) Gyurka78 hozzászólása Aug 22, 2007 /
 
Sziaztok!
Csináltam egy alap RS232-es kapcsolást MAX232 és egy M16-tal. Írtam rá egy progit ami terminálrol bekér két számot a M16 meg kiírja LCD-re az eredményt és vissza küldené a terminálra.
Probléma: LCD-re kiírja az eredményt a terminálra meg nem.

Probáltam terminálra küldeni csak karaktereket de semmit nem jelenit meg.
Soros komunikácio szkoppal mérve teljesen jó.
Mi lehet a hiba?
(#) MaSTeRFoXX válasza Gyurka78 hozzászólására (») Aug 23, 2007 /
 
Egy ötlet: próbáld terminálon az átvitelvezérlést kikapcsolt állapotba rakni, ez lehet hogy megoldja a gondot.
(#) Gyurka78 hozzászólása Aug 23, 2007 /
 
Kiprobáltam már mindenféle beállítással több gépen de semmi változás
(#) zeusz7 válasza Gyurka78 hozzászólására (») Aug 23, 2007 /
 
Nem akarok okoskodni, de ha nekem lenne ilyen hibám, akkor arra gyanakodnék, hogy nem engedélyeztem a programban a küldést, csak a fogadást, vagy nem állítottam kimenetnek a küldő lábat, mert a hw biztos jó, mivel fogadni tud. Bocs,ha már ellenőrizted ezeket
(#) Gyurka78 hozzászólása Aug 23, 2007 /
 
BASCOM-ba irtam a progit és a szimulátorában tökéletesen müködik.
Probáltam hogy csak egy karaktert küldök ki folyamatosan a terminálra de az sem jelenik meg.
(#) zeusz7 válasza Gyurka78 hozzászólására (») Aug 23, 2007 /
 
Esetleg próbáld meg ezzel a terminál programmal. Nekem is innen adta valaki és jobban tetszik, mint a hyperterminál, hátha ezzel megy.

Terminal.exe
    
(#) digimann hozzászólása Aug 24, 2007 /
 
Hello sziasztok!

Kéne egy kis segítség... Sajnos nem értem, hogy miért nem működik az alábbi kapcsolás, illetve program. Egy ATtiny2313-as példányról volna szó. A programot rányomtam, tápot is kap, de hiába nyomkodom a gombot, a LED nem akar világítani...

Valami be kellene még állítanom az AVR-ben??? :nemtudom:

köszi a segítséget előre is...
(#) gtk válasza digimann hozzászólására (») Aug 24, 2007 /
 
A Fuse biteket be kell, attol fuggoen hogy milyen kvarcot hasznalsz. (adatlap)
(#) zeusz7 válasza digimann hozzászólására (») Aug 24, 2007 /
 
Belső oszcillátorra van állítva a fuse bitekkel? Mert a kapcsolás szerint nincs külső kvarc.
(#) MaSTeRFoXX válasza digimann hozzászólására (») Aug 24, 2007 /
 
Resetlábat 10k-val felhúzod a + tápra, máskülönben nem megy, továbbá a gombhoz is kell egy 2,2-10k-s ellenállás amivel szintén felhúzod az AVR lábát + tápra.
(#) Norberto válasza MaSTeRFoXX hozzászólására (») Aug 25, 2007 /
 
Ha jól vettem ki az adatlapból, akkor a B portnál programból beállítható a belső felhúzó ellenállás. És akkor külön kívülre nem kell R-t beépíteni...vagy ez nem így van?
(#) digimann válasza zeusz7 hozzászólására (») Aug 25, 2007 /
 
sajnos még nagyon kezdő vagyok... hol is vannak azok a "fuse bitek"
(#) digimann válasza MaSTeRFoXX hozzászólására (») Aug 25, 2007 /
 
Szerinted ennek az összeállításnak működnie kell?

Sajnos nincs most itthon 10k-s ellenállat... szóval a tesztelés jövő hétre marad...
(#) Norberto válasza digimann hozzászólására (») Aug 25, 2007 /
 
Igen, ennek már működnie kell majd!
(#) digimann válasza Norberto hozzászólására (») Aug 25, 2007 /
 
találtam ellenállatokat...

13k-val felraktam a resetet tápfeszre, 5k-val a gombot, de nem megy?!?!?

mi lehet még a gond?

pedig a felhúzó ellenállást is belőttem progiból... :no:
(#) Norberto válasza digimann hozzászólására (») Aug 25, 2007 /
 
A program az saját szerzeményed vagy valahonnan koppintottad?

Én AVR-ek programozásához nem értek túlzottan, tehát akár a programban is maradhatott hiba...
(#) gtk válasza Norberto hozzászólására (») Aug 25, 2007 /
 
Pontosan igy van.
(#) gtk válasza digimann hozzászólására (») Aug 25, 2007 /
 
Milyen tipusu AVR?
Milyen programmal egeted be?
A programot valahonnan letoltotted, mukodokepesnek kell lenni? vagy Te irtad?
(#) laaci válasza MaSTeRFoXX hozzászólására (») Aug 25, 2007 /
 
Sziasztok!

Van egy picike gondom, segitsetek legyszives.
Megepitettem azt a kis ISP programozot amit az avr.tavir-on mutattak, majd megepitettem azt amit MaSTeRFoXX tett fel.
Amikor azt mondom Bascom ban hogy Identify, ugye itt egy kicsit olvasnia kell a csipet. Minden labon villognak a ledek, kiveve a MISO-t. Ha jol tudom itt kene visszajonnie az infonak.
Mega8 doksijabol nezem a labkiosztast.
Ket gepen, mostmar a masodik programozoval nezem.
Jah es mind a 4 mega8.

Elore is koszonom.
(#) digimann válasza gtk hozzászólására (») Aug 26, 2007 /
 
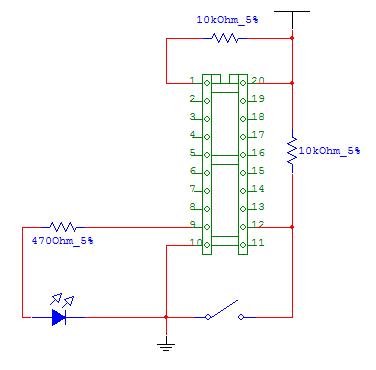
A progit én írtam, a cél eszköz ATtiny2313-as proci.
A forrás itt: (#116942) a kapcsrajzzal együtt.
(#) laaci válasza laaci hozzászólására (») Aug 28, 2007 /
 
Sziasztok!

Esetleg delpest kornyeken nincs valakinek mukodo ISP programozoja.
Kivancsi lennek hatha a mega8-ak a vackok.
(#) PLaci válasza laaci hozzászólására (») Aug 28, 2007 /
 
Észak Buda?
Ha esetleg rászánod magadd keress priviben (egyeztetünk időpontot.)
(#) digimann válasza digimann hozzászólására (») Aug 28, 2007 /
 
tudna valaki segíteni nekem?
(#) gtk válasza digimann hozzászólására (») Aug 28, 2007 /
 
En ugy irnam az alabbi kodot, hogy adott portot beolvasnam -elvileg ok-, majd megneznem hogy az adott bit milyen szinten van, es eszerint elagazas.

  1. IN TEMP, PINB
  2.  
  3. CP TEMP, BUTTON



Mentsegemre szoljon, hogy en olyan reg assemblyztem (PC), hogy mar majdnem teljes egesszeben elfelejtettem.Igy ha neha szukseg van ra, akkor ugy szoktam hogy gyorsan neten utannanezek, utasitas keszlet, pelda, es ebbol dolgozok.
(#) Gyurka78 válasza zeusz7 hozzászólására (») Aug 28, 2007 /
 
Köszi megoldodott a probléma. A terminál progi nekem is jobban tetszik mint a hiper-terminal.A probléma végülis hardveres volt .Újra építve a kapcsolást tökéletes lett.
Mégegyszer köszi a segitséget!
(#) digimann válasza gtk hozzászólására (») Aug 28, 2007 /
 
Köszi, hogy szakítottál rám időt

Az általam készített program ugyan ilyen módon jár el.

CHECK:

IN TEMP, PINB
CP TEMP, BUTTON
BREQ JEEE

RJMP CHECK

De sajnos nem működik... :no:
(#) laaci válasza PLaci hozzászólására (») Aug 29, 2007 /
 
Placi! koszonom, de az avr.tavir.hu-tol Cseh Róbert felajanlotta segitseget.
Vagy 3x mondtam neki hogy veszek egy STK200-ast, es mega8-at, de mindig azt mondta elobb probaljuk ki.
O "biztositja" a felteteleket, es szivessen segit.

Koszonom megegyszer Placi.
(#) pokot hozzászólása Aug 29, 2007 /
 
mega8 hw SPI-t szeretnék használni Master módban,de a /SS lábat az istenért nem billegtetné a csip.Tudja vki,pontosan hogy&mit kell konfigolni,hogy menjen a /SS láb is?
(#) PLaci válasza laaci hozzászólására (») Aug 29, 2007 /
 
Szia!
Ez a legjobb megoldás. Cseh Robi tényleg nagy tudora a témának (nem olyan mazsola mint én). Egyébként én is tőle vettem az STK programozót.
(#) dulifuli hozzászólása Aug 29, 2007 /
 
Mindenkit Üdvözlök!

Szeretnék megismerkedni az AVR programozásával C vagy C++ nyelven.
Az a kérdésem: van e különbség a windows-os és a winavr nyelve között?
Ha van, akkor létezi-e Magyar nyelvű dokumentáció erre a témára?

Előre is köszönöm a segítséget.
Következő: »»   32 / 842
Bejelentkezés

Belépés

Hirdetés
XDT.hu
Az oldalon sütiket használunk a helyes működéshez. Bővebb információt az adatvédelmi szabályzatban olvashatsz. Megértettem