Fórum témák
» Több friss téma |
Fórum » PIC - Miértek, hogyanok haladóknak
Sziasztok,
Az a problemam, hogy van egy Pic em aminek, 1 db kulso megszakitasa van. Nekem pedig 3 gombnak kellene kulso megszakitas. Valakinek valami otlete, muxal vagy egyebbel hogy lehetne 1 kulso megszakitasra 3 gombot kotni? Udv.
Pl. ne int_ext -et használj, hanem int_RB -t, pl. Mivel sem a kapcsolást, sem a PIC típusát nem ismerjük, így csak vaktában lehet lövöldözni.
Még esetleg egy diódás mátrixal is ki lehet kombinálni- talán...
Szia!
Sok kontrollerben egyedileg engedélyezhető a RB port bitjeinek megszakításkérése. 16F887 -en: Idézet: „REGISTER 3-8: IOCB: INTERRUPT-ON-CHANGE PORTB REGISTER”
A 887, konkrétan tud B-n megszakítást lekezelni (RB0 és RB1...RB7)
Ja, ez jo csak nekem a megszakitast a lenyomott/fel engedett gomb kene letrehozza, nem en:/
Tenyleg igen, koszi mind 2 -tok nek. Meg probalom
Miért nem tudom debuggolni a kis PIC12F615-öt?
Idézet: „PK2Error0028: Unable to enter debug mode NOTE: This device requires an ICD Header for debug. See "Header Specification" DS51292. PICkit 2 Ready”
Nem tartalmazza a chip a debuggoláshoz szükséges magot, ezért egy külső ún. Debug Header-t kell használni a nyomkövetéshez. Bővebben: Link
Köszönöm a választ.
Még azért annyit kérdeznék, ha megengeded, hogy utasítás végrehajtáskor létre jöhet-e utasítás tévesztés. Vagy olyanra gondolok még, hogy a verembe elmentet érték valami zavar hatására sérül, vagy a RAM-ba írt érték idővel megváltozik. Üdv nyemi
Nyilvan ha elektronikailag nincs rendben valami akkor elkepzelheto zavar -- pl a tapfeszultseg egy kritikus ertek ala csokken, amire kitalaltak a Brown Out Reset-et (BOR). Vagy valami megszakitasod van ahol a megszakitas kezeloben nem jol mented el es toltod vissza a kontextust. Vagy napkitores van es az zavarja meg az aramkorod. Mindenre nem is lehet felkeszulni, de ha jol van megcsinalva az aramkorod akkor gyakorlatilag hibamentesen mukodhet az aramkorord 20-30 evig is akar...
Szükségem lenne egy 32bit bináris->10bit decimális konverter rutinra, assemby-ben. Tudtok mutatni nekem egy ilyet?
Volt nekem valahol egy jó kis könyvjelzőm ahol ilyenek voltak, de most az újratelepítés után nem találom.
A PICLIST ilyen oldal. Talalsz sok erdekes rutint.
Köszönöm, tökéletes!
Még egy dolog: szeretnék pontos 10ms-os időzítést a TMR2-vel. PIC18F25K80-ról van szó mely 32MHz-en megy belső oszcillátorról. ha jól számolom akkor 1:16-os előosztóval, 250-es PR2-vel és 1:10-es utóosztóval pont 5ms-nek kellene kijönnie, aztán egy kétszeres osztót már megoldanék szoftveresen. De ezen értékeket beállítva a Stopwatch nem 5ms-ot hanem 5,522000ms-ot mér. Miért?
Az utóosztóba is eggyel csökkentett számot írj! (10 helyett 9-et)
Sziasztok!
Ismét van egy kis gondom a koordináta átszámítással kapcsolatban. Nekem törtet kéne osztanom 60 al. Ezt ugye lehet úgy hogy X / 6 és / 10 . De a fő kérdés, hogyan lehet törtet osztani PIC el..? Pl: 23.4980 / 60 ezt hogyan lehet a legegyszerűbben megoldani 8 biten ? (asm ben, nem C ben)
Szia!
Kést választásod van: - Microchip IEEE float kezelés asc -ben, letölthető a honlapjukról, - Fixpontos számolás. Pl 32 bites számokkal számolsz, két byte egész és két byte tört. 23.4980 / 60 ~= 1539964 / 3932160 = 23,49798583984375 azaz 0x177F7C / 0x3C = 0x6106 A pontosságás növelheted a számítás bitszámának növelésével...
Húúú..köszi, ezt még emésztenem kell kicsit...Pont ettől féltem, gondoltam hogy nem lesz egyszerű...
Az osztó és a hányados 65536 -tal fel van szorozva.
Hello!
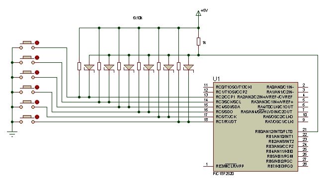
Ha csak egy külső megszakítás figyelési lehetőséged van, én ezt a megoldást használtam több külső megszakítás figyelésére. A külső felhúzóellenállások elhagyhatók, ha van weak-pull-up lehetőség a PIC-ben. INT0IF 1-be billenésekor a C portot beolvastam egy változóba, hogy megtudjam, melyik lábon jött megszakítás. Bonca
Szia!
Hasonló áramkör benne van a kontrollreben a B portra Interrupt On Change néven. HA RB0 -ra nem jut nyomógomb, megmaradhat külső kérésnek. Egyébként a 18F -eken 3 külső megszakítás fogadására van lehetőség: RB0.. RB2 - INT0 .. INT2.
Igen, és használom is az RB1, RB2-őt másra. A rajz egy kapcsolás részlete, nem a teljes változat, csak ötletadónak szántam. Ezzel a módszerrel elég sok külső megszakítást lehet hardveresen lekezelni.
Bonca
Hello!
Pickit2 UART tool-t használta már valaki? A stop bitet hol lehet kikapcsolni?
Szia!
Használtam... Nem lehet semilyen, a formátumot meghatározó értéket állítani (bitszám: 8, paritás: nincs, stopbit: 1). Sajnos a PICKit2 Serial Analyzer -ben sem lehet ezeket állítani.
Köszi!
Ez sajnos rossz hír. Csalódtam a Microchip-ben.
Sziasztok!
Szeretnék egy dspic 33-hoz gombelemet/akut illeszteni, hogy a táp kikapcsolás után megmaradjanak bizonyos beállítások, és tovább menjen a RTCC. A stabil ic lm2576, és erről megy egy ftdi chip is. Hogyan kellene ezt bekötni, hogy szundiban minél tovább tartsa ezeket az értékeket? Üdv kszabi |
Bejelentkezés
Hirdetés |










