Fórum témák

» Több friss téma
Fórum » Rádió adó-vevő készítése
 
Témaindító: mosomate, idő: Szept 30, 2006
Témakörök:
Lapozás: OK   10 / 11
(#) pucuka válasza bodgabo hozzászólására (») Márc 26, 2012 /
 
Nagyon helyes. Ha elkezdesz valamit, vidd végig, nincs sok értelme össze vissza kapkodni. Úgy sohasem lesz semmid. Ha elakadsz, segítünk.
(#) Antennaman válasza bodgabo hozzászólására (») Ápr 17, 2012 /
 
Szia ! Hol tartasz az építéssel? Melyik megoldást építed? Vissza olvastam de elkerülte a figyelmemet.
(#) bodgabo válasza Antennaman hozzászólására (») Ápr 17, 2012 /
 
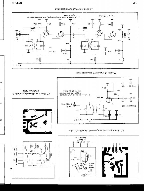
A vevő részhez már szinte minden megvan, a kis modulokat elkezdtem beépítgetni egy volt műholdvevő beltéri dobozába. A kvarcokat a napokban kaptam kézhez, ma volt egy kis időm és beüzemeltem az ssb oszcillátort, de a +-1,5kHz-cel még nem sikerült elhúzni a frekvenciát. Holnap ezzel bíbelődök, meg megépítem a 6 tagú létraszűrőt ami az RTÉK'90 (?)-ben van.
A KF fokozat 11dB-es erősítését keveslem, kíváncsi vagyok, hogy fog működni. Lehet hogy túl laza a tekercsek közt a csatolás? A tengelyvonaluk kb 9-10mm-re vannak egymástól.
(#) bodgabo hozzászólása Ápr 19, 2012 /
 
Nos, továbbra is a KF erősítővel bíbelődök, mivel a két fokozattól nagyon keveslem a 11dB-es erősítést. Most megpróbálkozom átvariálni a tekercseket, mert -feltételezésem szerint- a túl laza csatolás miatt ilyen kicsi az erősítés. Most készítettem egy olyat, hogy közös csévére tettem a két tekercset, a két huzalt egymással párhuzamosan tekertem föl, így viszont erős kapacitív csatolás is létrejött (kb.180pF-ot mértem a két tekercs közt), ami nem tudom hogy jó-e így.
Ha viszont egymás mellé tekerném őket, akkor kisebb lenne a kapacitív csatolás, de a hangolómag nem egyformán hangolná a két tekercset, melyik a jobb megoldás?
(#) bodgabo válasza bodgabo hozzászólására (») Ápr 19, 2012 /
 
Megtörtént a próba, egyelőre csak az első fokozatban cseréltem ki a tekercseket, de már így is látszik hogy valami nem jó, kb. 6dB lett az erősítés. Vagy a kapacitív csatolás rontja le, vagy a két, csatolásban lévő rezgőkör nagyon nincs közös rezonancián. Amíg két cséve volt, külön tudtam őket hangolni. Most megpróbálom megosztani a csévét és egymás mellé tekerni a két tekercset...
(#) bodgabo válasza bodgabo hozzászólására (») Ápr 22, 2012 /
 
Ismét 11dB-es eredő erősítést sikerült elérni, viszont a sávszélesség nőtt kb 5kHz-cel, tehát még rosszabb lett mint volt.
Lehet hogy egy teljesen új KF lesz építve.
(#) Kera_Will válasza bodgabo hozzászólására (») Ápr 22, 2012 /
 
11dB ... igencsak kevés a 4 tranzisztortól amik kaszkádba vannak kötve.
Legalább 40-50 dBnek kéne ott lennie.
Csak kérdés az hogy mivel mérsz Au-t ?
Miből tudod a 11dB ilyen pontosan megmondani?
Nézted már a fokozatokat külön külön ?
2 közel azonos áramkör csak a csatoló sávszűrő van köztük.
(#) bodgabo válasza Kera_Will hozzászólására (») Ápr 23, 2012 /
 
Igazából a mérés is lehet hogy teljesen rossz. Bemenő jelet a GDO tekercsére tekert két menetes tekercsről kap, a jelszintet pedig oszcilloszkóppal mérem, egy egyedi mérőzsinórral, ami abból áll, hogy egy régi mérőzsinór törött mérőfejének helyére egy 2pF-os soros kondenzátort tetem, mivel rendes mérőfejjel túl nagy kapacitást jelent az oszcilloszkóp, így a rezgőköröket jelentősen elhúzta. Így csupán összehasonlítottam a be és kimeneten megjelenő jelek amplitúdóját. A kimenő jelé kb. 3,5 szerese a bemenetinek. Komolyabb műszereim -még- nincsenek.
(#) Kera_Will válasza bodgabo hozzászólására (») Ápr 23, 2012 /
 
Elvileg van BFO oszcid a rádióban az 1 KFen rezgő oszcillátor.
Annak a jelét kösd rá osztón keresztül kis pF-es kondin keresztül a bemenetre. pl.: 2 szigtelt drót összetekerve pár menettel mint csatoló kondi.
Így próbálj a KF kimeneten mérni.
Tekerni szűrőt a hangoláshoz.
Emlékeim szerint a cikk leírása is ilyesmit emleget.
(#) bodgabo válasza Kera_Will hozzászólására (») Máj 28, 2012 /
 
Variáltam a KF fokozattal elég sokat A közös csévén lévő két rezgőkört (a fokozatok közti induktív csatolás) szinte lehetetlen azonos rezonanciára hangolni, már trimmerkondit is akasztottam rá. HA5GY tanár úr tanácsára a szekunder oldalon 5 menettel kicsatoltam a jelet, a párhuzamos kondenzátort elhagytam, de így is harmat gyenge volt. A legjobb eredményt kapacitív csatolással sikerült elérnem, de még így is keveslem a 15dB-es erősítést (L2 és L4-et kihagyva az 1nF-ok a T2 és T4 kollektoráról veszik a jelet).
Valahol láttam olyan megoldást, hogy a tekercs közepe volt kicsatolva a következő fokozatra egy kondenzátorral, holnap lehet hogy azt is kipróbálom.

1 006.jpg
    
(#) bodgabo válasza bodgabo hozzászólására (») Máj 28, 2012 /
 
Ja, az SSB szűrő kivételével a vevőoldal elkészült és össze lett rakva, de sajnos antennával a sistergésen kívül semmi nem hallatszik. (Az antenna bemenetre ha teszek egy vezetékhurkot, akkor a mellé tett GDO-ra rá tudok hangolni, a preszelektor is szépen hangolható, mindenhol van valamekkora jel.) Betudható a gyenge KF fokozatnak?
(#) pucuka válasza bodgabo hozzászólására (») Máj 28, 2012 /
 
Hát, az összerősítésnek legalább 90 - 100 dB -nek kéne lenni.
(#) szendi001 válasza bodgabo hozzászólására (») Máj 28, 2012 /
 
Most tedd félre az alábbi kísérletig: Ugyanez a rajz 2 db 10,7-es gyári KF el... tuti ott lesz az erősítés. Ne ezzel bajlódj, próba panelen össze kell rakni újra. Szerintem rossz a vas. A két fokozat sem biztos hogy azonos helyen megy.
(#) bodgabo válasza szendi001 hozzászólására (») Máj 29, 2012 /
 
Akkor kibontok valami kis rádióból két KF tekercset. Elvileg a két fokozat azonos frekin megy, mert ha bármelyik vason mozdítok, drasztikusan esik az erősítés.
Az lehet, hogy azért nem hallok semmit 80m-en, mert még nincs berakva a létraszűrő? Szerintem -ha SSB-k nem is de- legalább a CW jeleket vennie kéne. Mondjuk az antennám sem mondható ideálisnak ami egy Z-match-al illesztett kb. 10méteres huzal, de az orosz katonai vevőnek elég, azzal jönnek az erősebb adások.
Még egy probléma: az ssb oszcillátort ha átkapcsolom a másik oldalsáv frekire, nem rezeg tovább egyik frekin sem. Csak akkor indul újra ha az egészet kikapcsolom majd ismét be.
(#) ha1drp válasza bodgabo hozzászólására (») Máj 29, 2012 /
 
- 80m-en nappal ha nem hallasz semmit az előfordulhat. Este érdemes ott hallgatózni.
- BFO-nál lehet, hogy kicsi a visszacsatoló kapacitás, esetleg öreg a kvarc, avagy kicsi az aktív elem erősítése. De nem ismerem, a kapcsolást így érdemes e hármat egyenként is vizsgálni.
- KF: egyébként, ha van BFO-d avval behangolhatod a kf áramköröket. Meg kellene mérned a collector áramokat is. Valószínű 5mA minimum kell. A kf esetében egyébként nem fontos a sávszélesség, mert azt a meredek kvarcszűrő (létraszűrő) úgyis biztosítja. Persze a KF zaja kisebb lehet a szűrők által. Ha túl élesen hangolnak a rezgőkörök, ott viszont elképzelhető hogy visszahatás van az előző fokozatra, azaz gerjed.
(#) bodgabo válasza ha1drp hozzászólására (») Máj 29, 2012 /
 
Akkor éppen volt forgalmazás, orosz és angol nyelven mentek DX QSO-k amiket egy kölcsön kapott orosz katonai vevővel vettem.
A kvarcok újak, Lomex-ből vettem egy marék 8,9975MHz-eset, én a túlzott elhúzásra gyanakszom, ugyanis a kvarccal soros trimmerkondival párhuzamosan kötöttem egy-egy 10uH-s kis tekercset, hogy el tudjam húzni 1,5kHz-nyit. A kapcsolás az RTÉK'93-ban közölt DQ-92 modulrendszerű adóvevő -egyelőre- vevő része (ha szeretnéd, privátban átküldöm a cikket beszkenelve).
Összességében működne a vevő, mert ha az antennát csatolásba hozom a GDO-val, akkor rá tudom hangolni, a GDO-t modulálva szépen hallható a hangszórón a moduláló jel, csak -gondolom- a gyenge antennajellel nem tud még mit kezdeni. Gyúrom még ezt a KF fokozatot, de készül egy másik is, hátha azzal jobb lesz.
(#) Szmajli hozzászólása Aug 20, 2012 /
 
Sziasztok!
Tudnátok segítséget nyújtani, tippeket adni URH adó és vevő egység építéséhez?
Az elképzelés:
A vevőegység minél kisebb legyen és egy sisakban elférjen.
Lehetőleg legyen zárt. (Csak az általam készített vevő foghassa az "adást")
80-100 méteres hatótávolság

Keresgéltem itt is meg neten is, de nem sokkal jutottam előrébb.
(#) hotau hozzászólása Szept 30, 2012 /
 
Szép napot
Lenne egy olyan kérdésem, hogy ezt és ezt , ha megépítem, össze lehet-e hangolni.
A válaszokat előre is köszönöm.
A hozzászólás módosítva: Szept 30, 2012
(#) pucuka válasza hotau hozzászólására (») Szept 30, 2012 /
 
Össze lehet hangolni, bár elég közel kell tenned egymáshoz őket. A második képen az az egytranzisztoros, az nem erősítős, mert a tranzisztornak a B-E diódája van bekötve demodulátorként, a soros dióda nem működik.
(#) hotau válasza mosomate hozzászólására (») Okt 4, 2012 /
 
Szép napot!
Lenne még egy kérdésem mivel nem tudok beszerezni minden alkartészt hestornál ezért számolgattam és arra jutottam hogy ha ennél a kapcsolásnál a 500 pF es forgókondi hejett ezt használnám és a 200 uH-s tekercs helyett bedig ezt használnám akkor működne e a dolog 500-1600 kHz-n
illetve itt az alsó rajznál kapcsolásnál a két darab 100 uH tekercs hejett kettő db. ilyet használnék és az 500 pF-es forgókondi helyett pedig ilyet
használnék. Ezek így működni fognak-e, és össze lehet e őket hangolni?
A válaszokat előre is köszönöm.
Üdv. Olivér
(#) bodgabo válasza hotau hozzászólására (») Okt 4, 2012 /
 
Keríts két kisrádiót (ócskapiacon pár 100Ft), amikből kiveszed a forgókondikat. Tekercset meg te is tudsz készíteni: 8mm-es tekercstestre (vastag szívószál) 12mm hosszon több rétegbe feltekersz 300 menetet 0,5-ös zománchuzalból. Ha az adó és a vevő rezgőkörei egyformák, nagy valószínűséggel megtalálják egymást.
(#) pucuka válasza hotau hozzászólására (») Okt 4, 2012 /
 
Az alsó rajzot 2. ábra ne csináld meg, ha működik, az maga a csoda.
Amiket meg helyettesítő induktivitásnak kinéztél, az ahogy a megnevezésében is láthatod, fojtó tekercs. Annak olyan rossz a jósága, (azért fojtótekercs) hogy azzal nem mész semmire. A tekercset elkészítheted egy ferritantenna rúdra, az beszerezhető.
A trimmer kondi jó lesz, de fix (kerámia) kondenzátorral ki kell egészíteni. Így azonban a hangolási tartománya fog beszűkülni.
De egy roncs zsebrádióból minden alkatrészt kitermelhetsz. Bár akkor már érdemesebb megjavítani, azzal is tanulsz, és akkor van egy tisztességes vevőd.
Az adóhoz meg amúgy sem kell forgókondi, oda tényleg elég a trimmer, kerámiakondival kiegészítve.
A hozzászólás módosítva: Okt 4, 2012
(#) hotau válasza pucuka hozzászólására (») Okt 13, 2012 / 1
 
Szép napot.
Lenne egy kérdésem.
Egy régi rádióból kiszereltem egy ilyen tipusú (ugyan így néz ki ) forgókondit csak mivel van neki 6 kiálló ága nem tudom mit hova forraszak ha egy rezgőkörbe be akarom forrasztani.
A válaszokat előre is köszömnöm.
(#) pucuka válasza hotau hozzászólására (») Okt 13, 2012 / 1
 
Mivel a háza átlátszó műanyagból van, nincs nehéz dolgod. Van benne 2×250 pF forgó, ez vastagabb, 2×50 pF forgó, ez vékonyabb, és a tetején 4 db trimmerkondí. Ezek kivezetéseit kell beazonosítanod űgy, hogy több kivezetés közös.
(#) Boldi Balázs hozzászólása Nov 9, 2012 /
 
Tudnátok mondani valamit a mellékelt kapcsolásról? A többi rádiós fórum már nem tűnik túl aktívnak ezért írtam ide. Érdemes megépíteni? Egy vezeték nélküli fejhallgatót szeretnék csinálni, tehát egy adó meg egy vevő részre lenne szükségem, csak nem tudom hogy pl. milyen minőségű az átviteli minősége, meg a tekercsekhez sincs oda írva hogy milyen kellene. Egyenlőre csak arra lennék kíváncsi hogy működik e és hogy milyen minőségű lehet a hangja.
A segítséget előre is köszönöm.
A hozzászólás módosítva: Nov 9, 2012

ns881_2.pdf
    
(#) pucuka válasza Boldi Balázs hozzászólására (») Nov 9, 2012 /
 
Ez egy nagyon egyszerű adó-vevő kapcsolás. Ez nem az, amit szeretnél, ez egy játékszer, a minősége is olyan. Ahogy sikerül.
Neked egy adóra, és egy vevőre van szükséged. jó minőségben elkészíteni nem hobbi feladat, meglehetősen nagy szaktudást, és főleg műszerezettséget igényel.
(#) Boldi Balázs hozzászólása Nov 10, 2012 /
 
Köszönöm a választ. És amúgy mitől lesz jó hangminősége pl. egy bluetooth os fülesnek? A kódolás-dekódolás számít vagy mi?
(#) pucuka válasza Boldi Balázs hozzászólására (») Nov 10, 2012 /
 
Az átvitel minőségét sokminden befolyásolja, de leginkább a moduláció/demoduláció. Biztos ismered az AM, és az FM közti minőségi különbséget, azonos sávszélesség esetén a frekvencia modulációval jobb minőség érhető el, jobb jel/zaj viszonyt produkál. A Bluetooth digitális modulációval dolgozik, jobb a minősége, viszont az elfoglalt sávszélessége is nagyobb. Mindíg van valamit valamiért. Azonban ez már annyira bonyolult, hogy házilag még nehezebben építhető meg, annak ellenére, hogy az építés csak kész modulok összekapcsolásából áll.
(#) davix95 hozzászólása Aug 10, 2014 /
 
Üdv szeretnék készíteni egy adót és egy vevőt kb. 2-4m es távolság bőven elég lenne valaki tudna egy kapcsolási rajzot mutatni meg segíteni az adó a gitár hangszedőjén lenne a vevő meg az erősítő bemenetére lenne kötve. Előre is köszönöm a segítséget .
(#) pucuka válasza davix95 hozzászólására (») Aug 10, 2014 /
 
Kutakodj FM transmitter témában. Az ilyen célra használható frekvenciák a 35, és a 868 MHz sávban vannak, a 35 MHz -es sávban talán könnyebb boldogulni.
Következő: »»   10 / 11
Bejelentkezés

Belépés

Hirdetés
XDT.hu
Az oldalon sütiket használunk a helyes működéshez. Bővebb információt az adatvédelmi szabályzatban olvashatsz. Megértettem