Fórum témák
» Több friss téma |
Megépítetted őket normál alkatrészekkel?
Működnek?
Még nem, de állítólag működnek. Túl egyszerűek?
Hali !
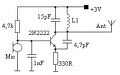
A válasz igen mindkét tranyó helyett jó a BF599 Idézet: ennél egyszerűbb és sz...abb talán már nem is lehetne.„Túl egyszerűek?” A kérdés hogy mire kellene? Ha csak azért mert most ismerkedsz az RF áramkörökkel és egy próbát megér (ami nagyon dícséretes) akkor az adó részét javaslom megépíteni. A vevőt felejtsd el több okból is egyrészt megfelelő műszerek hiányában nem tudod őket "összehangolni" másrészt mindkét kapcsolás annyira instabil hogy elég egyszerre az egyikkel vesződni. Ha az adót megépíted szerintem egy sima urh rádióval próbáld meg venni a jelét úgy hogy az adót ne nagyon közelítsd meg mert elmászik a frekvenciája mivel az antenna nincs leválasztva az oszcillátorról. Jó kísérletezést! Tartózkodjunk a vulgáris szavak használatától! Moderator
Idézet: ez mit akar kifejezni? Egyébként köszi a tanácsokat! Nem készülök kémnek úgyhogy tényleg csak ilyen ismerkedésre akarom használni. „ne nagyon közelítsd meg”
De egyébként használható a vevő nem? Az őszi szünetben úgy is lesz időm, majd sz...akszom vele.
Annál előbb úgyse fogom megépíteni.Tartózkodjunk a vulgáris szavak használatától! Moderator
Gondolom kell egy frekvenciamérő. Ilyen van multiméteren?
A ne nagyon közelítsd meg-et vedd szószerint.
Ha megépítetted az áramkört és úgy tűnik működik (pl:2-10mA közötti áramfelvétel) akkor az első lépés hogy az urh vevődet hangold egy olyan frekvenciára ahol nincs a közelben állomás, ezután a tekercs meneteinek széthúzásával vagy összenyomásával illetve a (15pF-os kondi helyett inkább használj trimmer kondit) ennek a kondinak az állításával tudod hangolni az adót. Ha a vevőn észreveszed hogy "valami volt" próbáld meg az adót az előbb említett módon finoman oda hangolni. Tökéletesen nem fogod tudni! Ha úgy érzed hogy nagyon közel van a két frekvencia akkor bekapcsolt állapotban tedd le az adót és távolodj el tőle legalább 2 méterre. Majd a vevőt hangolva keresd meg az adó pontos helyét és ha megvan örülj Ha mákod van akkor még talán valami hangot is átvisz. Majd ha az adót ismét megközelíted észreveszed hogy a frekvenciája elmászik.
A multimétereken lévő frekvenciamérőt felejtsd el max pár 100KHz-ig mérnek ez a kapcsolás pedig 100MHz környékén müködik a tekercstöl függően.
Apropó tekercs nem látom hogy lenne megadva bármilyen adat a tekercsre vonatkozóan. Ha gondolod adhatok meg tekercsadatokat a 88-108MHz-es urh tartományra.
A vevőt nem tudom így ránézésre megmondani hogy működik e.
Ha működik is ugyanaz vonatkozik rá mint az adóra tehát ahogy a testeddel közelítessz hozzá úgy változik a frekvencia. Valamint a kimenete nagyimpedanciás tehát kell utána még egy hangfrekvenciás erősítő.
Gondoltam, hogy nem lesz egy rádió állomás, na de hogy ennyire sz...????? Majd keresek egy komolyabbat.
Tartózkodjunk a vulgáris szavak használatától! Moderator
Lejegyeztem a tekercs adatait.
Ezt a jelzőt csak azért használtam mert nem tudtam mire akarod használni és hogy ne legyen túl nagy az elvárás majd a pofáraesés.
Első adóáramkörnek azért szerintem megteszi főleg ha működik nagy sikerélmény tud lenni, és több türelmed lessz komolyabbat építeni. Az általam számolt tekercsadatok: 0.8mm átmérőjű zománcozott rézhuzalból 8menet 6mm-es fúrószárra tekerve, a teljes tekercs hossza 10mm.
Ez már valamivel jobb.
külön HF erősítője van a mikrofonnak de ettől csak max szebb és erősebb lessz a hangja. Olyant próbálj keresni amiben 3db tranzisztor van 1. mikrofon erősítő (mint ennél) 2. oszcillátor (mint ennél) 3. rf elválasztó erősítő ami az oszcillátor és az antenna között van
Valami ilyesmire gondoltam.
Ezt most csak úgy hirtelen találtam a neten a működéséről nem kezeskedem.
Ez már szerintem is jobban néz ki!!!
Sajna még nem jutottam oda hogy megcsináljam, de én is tervezem ezt megépíteni! NAgyon korrekt-nek tűnik! ![]() [link=http://www.elektronika.iweb.hu/400mwfmtx.html]http://www.elektronika.iweb.hu/400mwfmtx.html[/link] Peti!
Néztem 3 tranyósat, de az már meghaladja a képességeimet, mer még kezdő-haladó szinten vagyok. De gondolom ez a 2 tanz.-os változat jó ilyen házi célokra(pl: vezeték nélküli mikrofon a számítógéphez). A vevőre is majd nézek valamit.
Ha már itt tartunk: Mi az az elektrnet mikrofon? Hol lehet ilyet szerezni?
Az elektret mikrofonok kondenzátor mikrofonok.
Elektronikai alkatrészboltban lehet kapni esetleg régi kazettás magnóból amelyikben volt beépített mikrofon, kitermelhető.
Ezt a TDA7000-es vevőt kb 10 éve én is megépítettem de nem működött
De azért próba szerencse, mindenesetre attól a 2 tranzisztorostól fényévekkel jobb.
A bolt honlapján ahol én néztem a mikrofonokat, ott úgy van hogy
Idézet: . Az maga a mikrofon? „mikrofon betét”
Nagy sz...ban vagyok ezzel a vevővel!
Tartózkodjunk a vulgáris szavak használatától! Moderator
árlistán jelölik hogy dinamikus vagy elektret a mikrofon?
A mindennapi használatra
Idézet: szerintem nem alkalmas. Ilyen célokra sokkal olcsóbb és jobb ha gyári készüléket veszel.„vezeték nélküli mikrofon a számítógéphez” Azt hittem hogy csak az építés és tapasztalatszerzés miatt akarod elkészíteni. Nem akarlak lebeszélni róla sőt inkább rá. Építsd meg amelyiket tudod és ha kész úgyis meglátod hogy mire alkalmas. Ha megépítetted a 2 tranzisztorost bátrabban mersz nekivágni komolyabbnak. Majd ha már olyant is tudsz építeni ami tökéletesen megfelel a céljaidra rájössz hogy fele annyiért vehetsz gyárit.
Igen a mikrofon betét vagy patron az maga a mikrofon.
Neked kondenzátor mikrofonra van szükséged. KB 100ft körül lehet venni vagy még olcsóbban.
Jó! akkor megépítem majd amilyiket tudom aztán lesz pofáraesés
hogy: B... ettől többet vártam köszi az eddigi segítséget! :yes:Tartózkodjunk a vulgáris szavak használatától! Moderator
Nem tudom hogy mennyire vagy májer ebben a témában Ferkógyerek, de ez szerinted kondenzátormikrofon?: MIKROFON BETÉT D=10 62dB KPCM-15
|
Bejelentkezés
Hirdetés |






Annál előbb úgyse fogom megépíteni.




hogy: B... ettől többet vártam köszi az eddigi segítséget! :yes:




