Fórum témák
» Több friss téma |
Ilyennel én is "játszottam", de egyszerűen nem hallottam különbséget az 1 graetzhez képest. Sőt Reloop kigondolt egy olyan megoldást is, ahol egyáltalán nincs "középpont", és azt is nagyon jónak hallotta.
Akkor most hol a lényeg...?
Ha egy trafóról akarok üzemeltetni két Ic-t akor mire kell figyelni?
Szia! A középleágazásos szekunderrel kialakított tápokról gyakran kiderül, hogy csak egyutas feszültség-kétszerezőként működnek. Lehet azonos a két szekunder terheletlen kapocsfeszültsége, ha a belső ellenállásuk eltér (például egymás felett vannak a szekunderek tekercselve) akkor a "gyengébb" tekercs már kisebb feszültségre tölti a puffert a periódus rá eső részében. Ha a két szekunder menetszáma is eltér, akkor a kisebb feszültségűn csak jelentős terhelésnél folyik áram, amúgy olyan mintha ott sem lenne.
A külön egyenirányításnál lehet eltérő lesz a +/- tápfeszültség, de ez nem zavarja az erősítő működését. A plusz egyenirányító költségét bőven meg lehet spórolni a puffer kondenzátorokon. Mivel nem kell számolni a középleágazásos egyenirányítás említett hibájával, elegendőnek tartom az amperenkénti 1000µF-ot. Tehát egy kétcsatornás TDA7294 számára mindössze 6800µF-ot ajánlok tápoldalanként. A több persze nem baj, de érzékelhető javulást alig eredményez. A nF-os szűrések hasznosságát és szükségességét nem tudom megítélni. Biztos nem ok nélkül alkalmazzák. Régebben egyik fórumtársunk - privát levelezés során - a világos okfejtésével tejesen meggyőzött az egyenirányító híd diódáival párhuzamos RC tagok (snubberek) hasznosságáról. Ennek még utána járok, és beszámolok róla. Alkotó: ha jó a trafód (például párhuzamosan tekercset szekunder szálas), akkor nincs semmi különbség (szerintem).
Szia
"Van" ott, csak vírtuális Szerintem simább az egyenfesz, szerintem ha szkóppal meglesed meglátszik ( nekem nincs ) Nekem 15000 µF van oldalanként ( ELNA ) Reggel korán is halgattam és a változtatás után ( azóta szinte nem volt kikapcsolva ) jobb lett Én csak itthoni ZENE halgatásra használom Ismerem a reloop "független" végfokát, de annak is megvannak a buktatói ( szerintem ) annak ellenére hogy Ő ügyes
Ezt a 2 hídas megoldást nem én találtam ki
Most keresgéltem a neten és találtam párat és azok is ilyenek, valami oka csak van................
Meg akarom építeni a clip jelzőt tda 7294 hidhoz, valakinek nincs kapcsolási rajz?
Köszönöm. De az ut gndhez képest hány volt kell legyen? vagy mindegy az erősítőtől. Es milyen npn tranyó kell oda?
Elnézést nem olvasatam végig ott minden megvan.
Sziasztok!
Nem luluzulu vagyok, csak most az Ő profiljával írok, mivel én még nem tudtam regisztrálni egyenlőre... Azt írja, hogy proxy szervert használok és így a regisztrációhoz feloldó kódot kell, hogy kérjek. Kértem is 14 órakkor, de még nem érkezett meg... De most a lényeg: Szeretnék én is egy erősítőt készíteni tda7294-el, nekem a legszimpatikusabb, amit Alkotó írt egy régi hozzászólásban. Mi a véleményetek róla? Sztereó erősítőt szeretnék így ugye 2x kell megépíteni. Esetleg tud valaki frissebbet- jobbat ajánlani? Illetve még szeretnék hozzá egy lm1036os ic vel egy hangszínszabályzást is arra esetleg tud valaki egy egyszerűbb kapcsolást? Köszönöm!
Szia! Azt nem tudjuk ki tisztelhetünk benned.
Alkotó nyákterve kiváló. Még ezzel bővíteném a repertoárt. Kis eltéréssel így néz ki. Néhány alkatrészt a táphoz kell méretezni, de megolható.
Sziasztok
Esetleg valakinek nincsen meg a kapcsolási rajza Alkotó fórumtárs munkájához?erre gondoltam
Minek kell a rajz? Ezt csak kinyomtatod vasalod és az ábra szerint berakod az alkatrészeket. Van egy kpacsolás az adatlapba az lehet hasnlít rá, vagy fix az nemtudom mert nem vizsgáltam meg azt amit linkeltél.Bővebben: Link
Értem, akkor ezt valószínűleg a gyári kapcsolása után lett készítve a nyákterv.
Nagy valószínűséggel ezt keresed.
Akkor ez majdnem a gyári specifikáció alapján készült?
Én ezt egy 100W mélynyomó erősítőnek szánnám.
Hajrá! Vedd észre, ez nem egy komplett rajz, és terv, csak a komplett végfokozat. Tehát kell hozzá a javasolt táprész -lehetőleg dupla graetzel-, illetve valamilyen DC védelem a hangszóró érdekében.
Persze tudom, az előfok rész és a szimetrikus +-35V táp is kész van már csak egy végfok kellett.
Sziasztok.
Idézet: „ Latom a haver tevékenykedett. ” Ma próbálgattam a TDA komolyabb hangszórókon és arra jutottam hogy a basszus az kicsit gyenge nincs meg az lüktetés. Mit lehet ez ellen tenni? A bemenő jel szűrű kondenzátorját nagyobbra cserélni most 1µF van? Vagy hogyan?
Üdv mindenkinek!
Az a probléma vetödött fel, hogy nem müködik a Standby. Ha joltudom a pozitiv tápra ráhuzom akkor bekapcsol ha meg nem kap semmit akkor nem müködik. Ha rákapcsolom ha nem bekapcsolva marad. 2darab TDA7294hid Kitt, az a megszokott amiket lehet kapni üzletben.
Üdv! Így működik.
Tehát valami 1.5V nál stby müködik, 3,5v nál kapcsol be az erösitö, na de ha nincs rajta semmi akkor nem szabadna müködjön vagy mégis? Negativ tápra kell lehuzni? nem pozitivra?
Az 1-es láb feszültségszintjére kell húzni. Ez általában a testen van.
Ha a stby lábon kondenzátor van, az elég sokára sül ki.
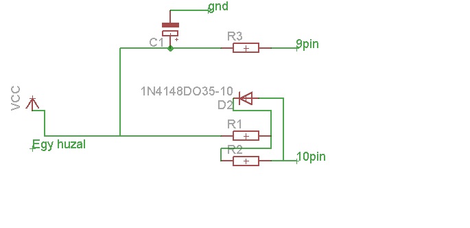
Nem tudom milyen stilusba van megoldva me kézbö kaptam s direkt rávolt bogozva a pozitiv tápra a STB Mute. Ugyebár van ez a kivezetés, (képen lerajzolom) ami egy huzallal rávan kötve a pozitiv tápra (igy kaptam)
Az értékek lemaradtak.
R1 10k R2 33k R3 22k C1 22uF |
Bejelentkezés
Hirdetés |













