Fórum témák
» Több friss téma |
ok, úgy néz ki működik
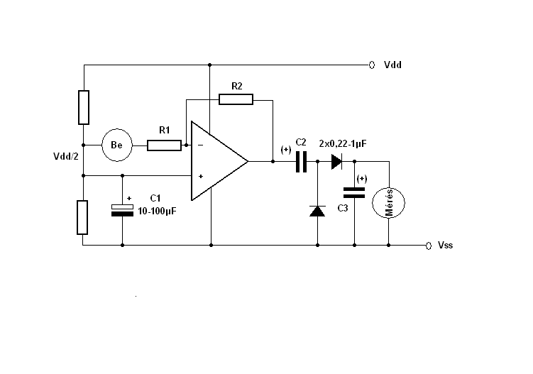
0w = 4,11v (0) 15w = 4,16v (1,5) 500w = 4,28v (5) van rá mód, hogy ezek most a zárójelbe tett értékekre hasonlítsanak inkább?
Az egyenirányítást nagyon benéztem. C2 megfordul, dióda testre megy. Bocsesz.
semmi gond, holnap este is kell nyomtatnom egy nyákot
![]() Design 10 perc, UV 5, NaOH 1, marás 2, ónozás 2, alkatrészgubera 30, beültetés 1 óra anyázás, tesztelés 4 óra sírás Akkor holnap is kereslek majd Jó éjt
Ehhez a hatalmas módosításhoz túlzás új nyákot készíteni. Gondolod ez már végleges lesz?
No itt vagyok. A pénteken beszerelt trabi 2T motor ma besült, nyomtató a kocsiban, úgyhogy valóban kénytelen leszek az aktuális áramkört módosítani.
Mindjárt megmondom a mérési eredményeket
Ezt már vagy egymilliószor olvastam és nem voltelég egyszerű/házi/hasznos.
Meguntam! Először jó volt! 1V-ot is kaptam kb 2100w terhelésnél (hajszártó). Aztán nulla! Fogtam két 8R2/5W-ot, párhuzamosan kötöttem és a 213VAC/1,08A 4,21VAC-t esik rajta. Az egy PC fogyasztásának a méréséhez tökéletes! 70 foknál már nem mértem a hőjét, hanem ráirányítottam a hajszárítót, hogy hűljön. Unom! Tönkre ment a kocsim én meg nem bugyin vagyok, hanem mellette. Ráadásul az új motor sem jött még meg! Most tartok három nap pihit a műveleti erősítők és a trafók rejtélyes világában. Ráadásul a határidő is szorít, mert péntekre egy 11 csatornás, pontos fogyasztásmérőt kéne csinálnom.
Részvétem. Nincs már olyan információm a kérdéseddel kapcsolatban amit titkolnék előled
![]() Az eredményre azért kíváncsi vagyok.
A tőled kapott információ nélkülözhetetlenek voltak. Nagy segítséget nyújtottál a műveleti erőstő megismerésének első lépésében.
Sajnos, az általam választott "profi" módszer, azaz az áramtrafó + műveleti erősítő túl nagy falat még nekem az analóg elektronika világában. Hiába életveszélyes egy sönt ellenállás, kénytelen leszek ezzel a "primitív" módszerrel beérni, amíg nem vágom a műveleti erősítőt, a tekercselést és az elektromágneses tulajdonságit a tekercseknek. Még arra is gondoltam, hogy a toroidom telítődik, mert kb 100mV-nál többet nem tudtam rajta gerjeszteni. Illetve az is lehet, hogy 20 menet 50 Hz-en nem tud normális áramot átadni a sec tekercsre... no de ez nem ennek a topicnak a témája. De azért büszke lehetek, mert találtam új kérdéseket, melyekre még meg kell keresnem a válaszokat (és még több kérdést vetnek fel). És még az is lehet, hogy a héten már ampert fogok mérni PIC-el
Sziasztok urak!
Műveleti erősítőkről olvasgatok frissítés gyanánt és az alábbi kijelentés nem teljesen tiszta: "A műveleti erősítők felhasználásakor fontos feladat a drift alacsony értéken tartása, ezért bemenetükön kivétel nélkül differenciálerősítőt alkalmazunk" A drift egész pontosan mit takar, nem sok mindent találtam róla, de lehet csak rosszul kerestem. Köszönöm!
üdv segitséget szeretnék erősitő ügyben bedugom és semmit nem csinal biztositék rendben
Szoval.. A drift az erositok bemeneti offsetfesz es bias aram valtozasa a homerseklet es a tapfesz fuggvenyeben. Nagyon fontos foleg kisjelu DC erositoknel az alacsony drift, mert pl csinalsz egy hoelem erositot J tipusu (Fe-Co) hoelemhez, aholis a Seebeck allando 51 uV/C. Amennyiben az erosito offszetfesz homersekletfuggese (drift) osszehesonlithato ezzel a feszultseggel, nem hasznalhato az erosito, mert a sajat hofokfugges is meg fog jelenni a kimeneten, es nem tudod hogy most a hoelem, vagy az OPA csinalta a valtozast. Szabatosabban megtalalod a leirast muveleti erositokrol szolo konyvekben. Talalsz 1-2 konyvet a konyvespolcon.
DE JÓÓÓÓ!
Pont ez van bent melóban is, szoktam is olvasgatni! Kösziiii!
Sziasztok.
Azt szeretném kérdezni, hogy van egy készülékem aminek van három üzemállapot-jelző LED-je, és azzal szeretnék logikai kapukat vezérelni, lehetséges-e? A LED-eken ugye kb.: 1,7V-2V körüli feszültség mérhető, a kapuk bemeneti feszültsége pedig (5V tápfesznél) min.: 3,5V. Az jó ha közéjük rakok egy műveleti erősítőt egy visszacsatoló ellenállással, ahogy a csatolt képen van, vagy ettől azért bonyolultabb a megoldás? Előre is köszönöm a segítségeteket.
Szia! A LED vagy annak előtét ellenállása honnan kap vezérlést? Elérhetők azok a pontok? Lehet, hogy ott épp TTL szintű jel van, vagy esetleg le kell csak osztani.
Reloop megoldása a legegyszerűbb, de ha valamiért nem kivitelezhető, akkor: http://rocky.digikey.com/WebLib/Texas%20Instruments/Web%20data/SN74...5A.pdf
Lehet, hogy létezik 4 portos is a sorozaton belül. A 3,3V-os tápot egy ellenállás+zener elő tudja állítani (nem kritikus az értéke), meg a DIR és OE lábat kell kezelni megfelelően.
Szia reloop.
Köszönöm a gyors választ. Az előtét ellenállás egy EPROM-ról kap vezérlést, így az is elképzelhető hogy ott TTL szintű jel van, de még nem volt lehetőségem kimérni. Ha ott TTL szintű jel van akkor azt tudom használni kapukhoz? Nem terhelem vele túl az EPROM-ot?
Hello!
Ha tényleg EPROM, akkor ott biztos TTL jel van. Miért terhelnéd túl? Gondolom nem10..30 bemenetet akarsz rákötni az EPROM-ra.. üdv! proli007
Hello proli007!
Biztos EPROM a típusa alapján, és csak egy-egy bemenetet akarok rákötni. Viszont a kapuknak a végén egy ne555-öt kell meghajtaniuk, ami egy relét fog vezérelni. A relé elé azért tegyek egy műveleti erősítőt? Egyébként az egész áramkör lényege az lenne, hogy egy manuális program léptetést szeretnék automatizálni a programléptető mikrokapcsolón okozott rövidzár impulzosokkal. De szívesen várok más megoldást is. Köszönöm. Üdv.: 9-es
Hello!
Kicsit rejtélyesen fogalmazol. Nekem legalább is fogalmam nincs mit készítesz, mihez és mi a célod vele. Ha lerajzoltad volna, talán okosabbak lennénk.. - Minden esetre az EPROM után nem kel semmi, meghajt szinte bármely típusú TTL/CMOS kapuáramkört. A kapuk, meg az 555-öt nevetve. Az 555 kimenetére nyugodtan rá lehet kötni egy relét, ha annak feszültsége megegyezik az 555 tápfeszültségével, (itt az EPROM miatt, 5V-ot kellene alkalmaznod) és fogyasztása nem haladja meg a 100mA-t. De ha nem így van, akkor mindössze egy szem tranyó kell, az 555 kimenetére, hogy meghajtsa a relét. Műveleti erősítőkre itt egyáltalán nincs szükség, csak akkor, ha valami nekik illő funkciót is szeretnél nekik szánni. De annak kimenetére is kellene egy tranyó (vagy valami meghajtó) ami a relét vezérli. Pld. egy ilyen IC, ami szintén tranyókból áll, és alkalmazása akkor célszerű ha több relét szeretnél meghajtani. Ekkor nem kel a tranyók köré még plusz ellenállás-védődióda stb. A kérdéseid további részei, viszont már nem ebbe a topikba tartoznak.. üdv! proli007
Szia proli 007!
Köszönöm a válaszod, számomra tökéletesen kielégítő. Bocs a rejtélyes fogalmazásért, úgy gondoltam nincs jelentősége hogy mihez is kell. De azért most már akkor leírom: Ennek segítségével szeretnék egy olyan szellőztetőrendszert vezérelni, aminek a fokozatait, csak a mikrokapcsolójával lehet léptetrve változtatni. A fokozatok állapotjelzőjét akarom összehasonlítani egy párakapcsoló beállított értéktartományaihoz tartozó kimeneti jeleivel, és a mikrokapcsolón okozott rövidzárral addig léptetni a fokozatot amig egyezés nincs. Köszi.
Sziasztok!
Egy LM311 típusu ic-ről szeretném megtudni, hogy mennyi az élet tartama, ha rendeltetésszerűen van használva, mitől hibásodhat meg? Hogy érthető legyen, leírom az elejéről. Vettem egy hőfokszabályzót, ami tavaly 8 hónapig hibátlanul működött. Idén 1 hónapot ment hibátlanul. A hiba jelensége az, hogy néha elfelejt a termosztát kikapcsolni. A fűtés visszajelző led világít. Akiket kérdeztem mindenki relét mondta, de a relének nincs baja, tökéletesen kapcsol. Ez a túlfűtés csak néha fordul elő, van amikor napokig semmi, van amikor napota akár 2x is, szóval változó. A gyártó az LM311 komparátorra gyanakodott. A kérdésem is ezen ic-vel kapcsolatos. Van-e valami élettartamideje? Mitől tud meghibásodni? Minden tapasztalatot szívesen fogadok az ic-vel kapcsolatosan!
A kapcsolási rajz nincs meg, de látok bekötve 3 db diódát, így gondolom belehet. Elvileg szakember készítette a szabályzót, így gondolom ez is benne van. A tüske jelenség az mit jelent? Hogy tudom megnézni? Nem vagyok műszaki ember, elnézést.
Sziasztok!
Valaki ránézne erre a kapcsolásra, hogy ez ténylegesen működhet-e így? Egy passzív sztereo közösítő és low pass filter után szeretném rakni. Előre is köszönöm a válaszokat!
Szia!
Köszönöm a gyors választ! Azt meg tudnád még mondani, hogy a low pass filter 150nF-os kondijait milyen értékűre cseréljem, ha azt akarom hogy kb. 300Hz-nél vágjon a szűrő?
Ezt sajnos nem tudom mindkét lépcsőre pontosan kiszámítani. Ha csak egy kondiból állna, akkor annak 470nF-ot ajánlanék. A szűrő második kondenzátora a párjával párhuzamosan van kötne. Lehet ide elég lesz csak egy 470-est, vagy két 220-ast berakni. Szerezz be 8-10db 220nF-os kondit és kísérletezz!
|
Bejelentkezés
Hirdetés |














