Fórum témák
» Több friss téma |
Jól van akkor..
Minden esetre azért én hajligatok neki egy lemezt. Az a biztos. Köszi a választ!
Sziasztok!
Esetleg ,ha valakit érdekel horizont rajz. Mod: Horizont.jpg eltávolításra került, szerzőjogi aggályok miatt. A hozzászólás módosítva: Jan 29, 2018
Moderátor által szerkesztve
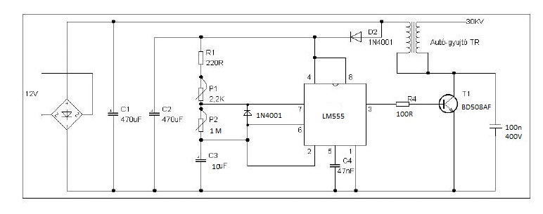
Sziasztok! Segítséget kérnék, mert elakadtam: összeraktam az Oldman-féle pásztort, de nem működik! Igaz a tranyó másabb mint az eredeti, de több típussal (pl. BU133, BU209, BU 508AF, 2N3055,)is próbálkoztam, mégse megy. Próbáltam mérni, az ic 3-as lábán mértem 4-12mV-os impulzosokat, kb 1,5mp-ként ugrált a két érték között,de a tranyót nem kapcsolta, akkor sem, ha hozzáépítettem a BFY34-es cuccot(igaz, helyette BC337-tel). Valamit elronthattam? Kapcsolás mellékelve. Aztán mérgemben összedobtam egy másik kapcsolást, az működik, viszont sokat eszik, és mintha nyitva lenne a BU, (melegszik is) és az impulzusok nem nyitnák, hanem zárnák. Bekapcskor 12V-os táp leesik 9-re, és kb. 1.5A a felvétel,szikrakor visszaugrik 12-re, aztán le 9-re. Lehet nem jó a kapcsolás? Rajz:
Szia!
A "másik" cimű kapcsolásban ha megforditod a diódát,jó lesz.(Így iszonyú nagy a kitöltés) üdv:hp
Sziasztok!
Ezt a kapcsolást a neten találtam, de nem tudom mi az a P1. Vagyis valami változó ellenállás, de annak is van több fajtája. Légyszi valaki leírná hogy mi az és ha az amit írtam akkor annak milyen fajtája. Üdv.
A P1 egy kapcsolóval összeépített lineáris 10kiloómos potencióméter,így érthető?
Szia hp!
Köszönöm a segítséged, így már szuperál! üdv: Epeti
hali mindekinek kéne valami villanypásztor terv ami jó erős
Akkor a legjobb helyen jársz, pár oldalt visszaolvasva máris találhatsz.
A mondat elejére nagybetűt a shift gomb lenyomásával lehet csinálni, és van vessző meg pont is ott jobb oldalt lent. Előbbit a mondatrészek elválasztására, utóbbit a mondatok végének jelzésére szokták használni. Csak mondom, mielőtt egy moderátor mondja.
Üdvözlet Mindenkinek!
Segitséget kérnék 2db Kiskunmajsai "Czinkóczi-féle villanypásztor javitásában! Sajnos a két félvezetö, ami egy ferrit trafóra van szerelve feliratait lecsiszolták. Egyébként 12V-rol müküdik. Az kisebbik TO220 félvezetőn 2db dioda van, kondenzátoron és az AGYT-n kivül más alkatrészt nem taralmaz. Milyen tipusuak a félvezetök, mi a müködési elv? Előre is köszönöm!
Helló
A nagyobbik az a BD246 a kisebbik pedig TIC126,de csinálta az öreg mással is. Isten nyugosztalja. Az a kis kocka amin a két félvezető csücsül tartalmaz egy tranzisztoros ütemadót a műgyanta fogságában, amúgy BD egy önrezgő kapcsolás része, és átlagban azok az alkatrészek mentek tönkre amik a kockán kívül kaptak helyet.
Tisztelt Dizi!
Köszönöm a gyors választ! Akkor a bd mérhető, tirisztor csere. Azt megtudnád mondani mekkora feszültséggel hajtja az AGYT. a rendszer?!
Helló
Kb 350-400 voltot szaggat a gy trafóra, minek következtében mint egy 15 kv jön a gy trafóból. Annak idején egy igen megbízható készülék volt,én láttam olyat ami kb 20 évet üzemelt,javítás előtt, és akkor is csak egy kontakt hiba volt a baja.
Nincs meg valakinek veletlenul a pontos rajza ennek a keszuleknek?
Tisztelt Dizi!
Köszönöm az infót! Jó tudni, mire lehet számitani javitáskor. Most hoztam haza a két vpásztort és alkatrészeket. Ma nekiállok a javitásnak és beszámolok a fejleményekről. Engem is érdekelne a rajza, de az biztos nem egyszerü lemásolni a stabil mügyantatok miatt.
Annyit el kell mondanom, hogy ezt a típust gyártották igaz kisipari kereteken belül, valamelyik TSZ-ben és az öreg állítólag innen szerezte be az elektronikákat.
[OFF]Én legalább is ezt hallottam az egyik ismerősömtől.
Helló.
Na mit adott nekem ma az Isten? Hoztak hozzám is egy Cinkozi féle okosságot javításra. Micsoda öröm, a bánatom viszont az, hogy elfogyott a söröm...
Helló, na én letudtam a Cinkóczi féle pásztor javítását,
ebben konkrétan BD250 volt. A másik talány a számomra hogy a táprészbe miért tett bizti helyett, mind a nulla mind a fázis ágba egy egy 22 ohmos ellent és ha a tápfeszt egy 12 volt 6 Wattos trafó szolgáltatja, akkor azt miért kellett 4 db 3 amperes diódával egyenirányítani mikor az áramfelvétele alig 400 ma.
Biztosíték helyett én is ellenállást szoktam használni. Diódát meg biztos ilyet tudott olcsón sokat szerezni.
Szerintem minden tápegység tulterhelhető. Lehet löketekre a pásztoron folyik 1-1,5A is. És azt a táp még el is viseli ha nem folyamatos.
Helló
Az nem korrekt ha valaki sorozatban gyárt és egy 20Ft bizti helyett ellenállást tesz bele, mert a felhasználó nem tudja cserélni, így vissza kerül a gyártóhoz aki még ezen is szakít pénzt, javítás gyanánt.
Szia! A biztit se véletlen veri ki ha kiveri, és akkor is a szerelőhöz viszi az átlag ember nem kezdi el gányolni..
Nem is tértünk el a tárgytól ezt a készüléket is egy hobbista gyártotta a saját áramköre volt, csak annyira szerette az áramkörét,hogy nem tudta abbahagyni a gyártását.
Ezt tapasztalatból tudom,hogy igen is nekiáll gányolni és a bizti helyére bele tesz egy darab drótot és ezzel megalapozza a lakástüzet....
(#1251820) dizi: mert a felhasználó nem tudja cserélni, így vissza kerül a gyártóhoz
(#1251863) dizi: igen is nekiáll gányolni és a bizti helyére bele tesz egy darab drótot és ezzel megalapozza a lakástüzet Namost akkor melyik a jobb? Amúgyis van ellenállásnak kinéző biztosíték, azt se tudja cserélni. Meg valamiből meg is kell élni
Megépítettem Vicsys nyákterve alapján Oldman kapcsolását, viszont nem akar működni...
A kérdésem az lenne, hogy hol milyen értékeket kéne mérnem? bfy34 helyett bc 301-et használtam az megfelel a helyettesítésére? Esetleg ha úgy könnyebb lenne a javítás el is tudom postázni vagy képet is küldök annak aki venné a fáradtságot és segítene.
Első körben nézz rá szkóppal (vagy egy leddel) az 555 kimenetére, hogy megy-e? Lehet, hogy áll az oszcillátorod.
Eddig miket mértél? Mekkora a tápfesz/áramfelvétel? |
Bejelentkezés
Hirdetés |












