Fórum témák
» Több friss téma |
Fórum » Elméleti elektronika (kérdések)
Köszi a válaszokat.
Lenne még egy kérdésem, nem teljesen világos, a szinkron/aszinkron motorokhoz. Felépítésben mi a különbség? Szinkronnál a forgórészbe egyen feszültséget vezetünk, 3fázisú aszinkronnál pedig 3 fázist? És hogyan vannak ezek bevezetve, szénkefe? Az aszinkron azért aszinkron, mert a forgórész soha sem éri el a forgó mező fordulatszámát. De miért nem tudja elérni? Az állórészbe pedig a 3 fázis van bevezetve 3 terekcsre?
Mindkét gép állórésze ugyanúgy háromfázisúra van tekercselve.
Szinkron gép forgórésze úgy van kialakítva, hogy egyenárammal gerjesztve önmagához képest egy álló mezőt hoz létre (mintha egy (vagy több) rúdmágnes lenne). Egyenáram miatt csak 2 csúszógyűrű kell a forgórészre (van csúszógyűrű nélkül is, forgó diódás indukciós csatolású). Szóval a létrehozott állómező, ha módja van, akkor össze tud kapcsolódni az állórész forgó mezőjével, így a forgórész is szinkron sebességel fog forogni, ettől lett SZINKRON. Aszinkron forgórész két típus lehetséges, de azonos elvi működésűek. 3 Fázisú tekercselés, 3 csúszógyűrűn kivezetve, vagy a jól ismert kalickás rövidrezárt forgórésztekercs. A működés elve: a forgórész benne van az állórész által gerjesztett forgómezőben, a forgórész tekercseiben feszültség fog indukálódni, méghozzá arányos a szinkron fordulatszám és a forgórész fordulatszám különbségével (Ui=4,44*N*FI*(n0-n)/60). Szóval a forgórész feszültsége megvan, ha erre a feszültségre terhelőellenállást, vagy rövidzárat teszünk, akkor áram indul meg, a nyomaték ezzel az árammal is arányos. Lenz TV ismeretében az áram mindig olyan irányú amely az őt létrehozó hatást megszüntetni igyekszik, a hatás pedig gyakrolatilag a fordulatszám különbség (n0-n), megszüntetés: n közelítése az n0 értékhez. A gép veszteséges van súrlódási és ventillációs vesztesége, ezek üresjárásban fékezik a forgórészt, nyomatékot igényelnek, az meg forgórészáramot, az meg fordulatszám különbséget, ettől ASZINKRON.
Köszi, így már világosabb.
Kalickás aszinkronnál csak légrés van, nem ér össze semmivel a forgórész galvanikusan? Forgásirány váltás hogyan oldható meg szinkronnál / aszinkronnál, arra forog amerre elindítjuk? És az egyfázisú aszinkron motor hogyan néz ki? Erről nem találtam sok mindent sajnos. És ennél a forgásirány váltos hogyan oldható meg? Tételt dolgozok ki, csak érteni is szeretném a dolgokat
Szia!
Rögtön az első találat választ ad sok kérdésedre.
A "kalickás" az a rövidrezárt forgórészű. Minden asszinkron motor ilyen, amelyiknél ki van vezetve a forgórész tekercselése, ott is ha elérte a üzemi állapotot, a forgórész kimeneti kapcsait rövidre zárják. Ebből következik, hogy mind az egyfázisú, mind a háromfázisú motornál a forgó mágneses mező forgásirányát kell megváltoztatni. Háromfázisúnál egyszerűen az egyik fázist megcseréljük, egyfázisúnál felcseréljük a fő, és segédfázis tekercsét. Már ha lehet. Az egyfázisú motornál a forgó (inkább lüktető) mágneses mezőt többféleképpen lehet előállítani, és nem minden esetben lehet a forgásirányt megváltoztatni.
Sziasztok
lenne még egy kérdésem: P szabályozásnál mi történik, ha az alapjel képző elromlott, és 0 értéket ad? Attól még ugyan úgy működik, csak más lesz a végeredmény, ha alapból nem 0 volt az alapjel?
Sziasztok!
Nem tudom hova tenni. Adott a következő feladat: Koncentrált paraméterű és elosztott paraméterű hálózati modellek bemutatása, illusztrálása. Vagyis rajzoljak le egy alap AC (50Hz) vagy DC hálózatot generátorral kondival, ellenállással? Elosztottra pedig egy távvezeték modellt? Nem tudom hova tenni ezt a feladatot.
Üdv!
Pki = Kp * (SP - PV). Ha az SP alapjel 0 lesz, és a szabályzó nem tudja, hogy ez hibából is eredhet, minden gondolkodás nélkül kiszámolja a Pki-t. A 0 alapjel bizonyos esetekben (pl. hőmérséklet) teljesen valós alapjel, valahogy máshogy kell(ene) értesíteni a szabályzó algoritmust a hibáról. Imi.
Távvezeték jó példa elosztott paraméterre...
Távvezeték alatt telefon drótot vagy koaxot értek, természetesen
Minden csak slew rate kérdése. Manapság a NYÁK-on levő vezetősávok is sokszor távvezetéknek minősülnek.
De miért nem tudja elérni?
Erre adnék egy jobb választ. Azért, mert (csak) addig van hajtó nyomaték, amíg erővonalmetszés, azaz szlip van. Ha el is érné, akkor emiatt elkezdene lassulni.A súrlódás, ventilátor, satöbbi azokra mondhatnánk, hogy azt biztosítják, hogy a különbség markánsabb legyen.
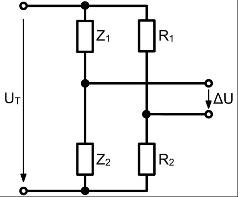
Sziasztok!
Lenne egy mellékletben szereplő mérőhíd. A bemeneti feszültség váltakozó. Az ellennállások helyén is Z impedancia van. A deltaU hídfeszültséget hogyan tudom beállítani oszcilloszkóppal, hogy a híd kiegyenlített állapotban legyen? A mérőhíd, és az oszcilloszkóp közös földelésű. Én arra gondoltam, hogy akkor jó, ha a kimenő jelet (deltaU) a CH1, és CH2-re kötöm, és akkor kiegyenlített, ha a szinusz görbék 180 fokkal el vannak tolódva, és amplitudójuk egyforma, ilyenkor kioltják egymást sztem. Szerintetek?
Szia !
Kiegyenlített hídnál a kimeneti feszültség nulla kell, hogy legyen. Ennek méréséhez szerintem jobb, ha az egyik csatorna jelét invertálod és használod az ADD üzemmódot! Így, amennyiben a két kimeneten a jel egyforma, akkor a szkópon 0V lesz! Steve
Szia!
Köszönöm! Az algebrai összegzés tényleg jó ötlet invertálással. Akkor ha kiegyenlített középen lesz egy csík, ugye? ÉS Lissajous görbével is meg lehet mérni, ugye?
Szia!
Végül is igen, mert ha a két fesz. egyforma, akkor egy kört kell kapnod ( a kiegyenlítésnél a fázisfeltétel is fontos!). Szerintem egy kör értékelésénél könnyebb az egyenest vizsgálni !Steve
Ha a 2 fesz egyenlő akkor lissajous-al egy Bővebben: Link 45 fokossan balról jobbra emelkedő egyenes a jó, nem? De ott még nem biztos, (vagy mégis), hogy a feszültségek egyenlőek?
Bocs,csak most néztem megint erre a topicra... Ha 45 fokos az emelkedés (egyenes) és egyforma az X és Y csatornák beállítása ( V/div), akkor a két feszültség egyforma!
Steve
Üdvözlök mindenkit!
Adott két ellenállás intervallum pl: 238 ohm - tól 36 ohm-ig és 36 ohm-tól 288 ohm-ig Mint látható a két intervallum majdnem ellentéte egymásnak. Egy multiméterrel mérjük tegyük fel mintha egy potméter intervallumai lennének. Hogyan tudom megfordítani egy bármilyen áramkörrel ezt az első intervallumot, hogy a második intervallumot kapjam mérés közben? Tehát a potméter kezdő értéke 238 helyett 36 ohm legyen és a végértéke 36 ohm helyett 288 ohm legyen. Emellett mivel az első intervallumot szeretném kapni így ha csak szimplán egy megfordító áramkört sikerül csinálnom akkor sem 238 ohm lesz a kezdőérték, hanem sanos 288 ohm. Tömören: megakarok fordítani egy potméteres ellenállás intervallumot és még változtatni is akarok a kezdő értéken úgy hogy a végső értéke ne változzon. Amennyiben valaki tud erre megoldást vagy bármilyen áramkört esetleg el is tudja készíteni vagy tud nekem benne segíteni kérem jelezzen! Előre is köszönöm Mindenkinek! http://theresias.com/tutorials/1h_g4t/tank_diag.jpg A mellékelt linken látható, hogy nekem a zöld grafikonnal jelzett ellenállás intevallumból kellene csinálnom egy a piros grafikonnal jelzett ellenállás intervallumot.
Szia!
Mihez szeretnéd ezt felhasználni ? Egy kicsit bővebben írnál róla, könnyebb lenne elindulni.
Ha jól gondolom ez tank üzemanyag szint mérő hekkelés.
Először nézd meg hogy magán az érzékelőn át lehet-e kötni a huzalellenállás másik végére a mérővezetéket.
Hello
Az alábbi kérdés foglalkoztat most: Ha egy mp3 lejátszóra, aminek a kimeneti impedanciája 32Ohm, egy kisebb ellenállású fejhallgatót kötök, akkor az hangosabban fog szólni, mint egy 32Ohm-ossal (tételezzük fel, hogy a két fejhallgató azonos felépítésű és érzékenységű)? Szerintem hangosabban fog szólni, mivel nagyobb áram fog folyni, és Ampere-törvénye alapján erősebb mágneses tér fog kialakulni a membrán tekercselése körül. Másrészről viszont kisebb teljesítmény fog kerülni a fejhallgatóra. Ha viszont még kisebb lenne a fejhallgató impedanciája, akkor gyakorlatilag minimális feszültség esne rajta, ezáltal minimális lenne a leadott teljesítménye, a nagy áram miatt pedig nagy membrán kitérés és nagy hangerő...? Üdv.
Az mp3 lejátszók elméletben feszültséggnerátoros üzemmódban mennek, ahogyan szinte minden erősítő, mivel konstans ellenállással dolgoznak így az alapképletből kiszámítható, hogy P(5W)=U(5V)xI(1A) tehát U(5V)=R(5 Ohm)xI(1A) ezért, ha R 2,5 Ohm, akkor U(5V)=R(2,5V)xI(2A) és ekkor P(10W)=U(5V)xI(2A), tehát kisebb ellenálláson nagyobb teljesítmény esik azonos feszültségen és ezért nagyobb áram.
Röviden az utolsó mondatod helytelen. Másrészt viszont nagyobb áram és ezáltal nagyobb teljesítmény elérése egy adott rendszerben a terhelő ellenállás értékének csökkentésével növelhető, de ez következményeket von maga után. Egy átlagos mp3-as lejátszó kimenő teljesítménye átlag 0,25W-ra van méretezve s ennél többet nem lehet kihozni belőle csak egy jobb(érzékenységű), de nem feltétlen kisebb ellenállású fejhallgatóval. Bár nem elképzelhetetlen, hogy a hangerő megnövekedne, de a hangminőség az illesztés miatt leromlana. Üdv: Frici
Hello
Azt hiszem nem értettük meg egymást: Az egyszerűség kedvéért tételezzük fel, hogy a kimeneti feszültség 5V, az erősítő kimeneti impedanciája 2,5Ohm és a fejhallgató impedanciája is szintén 2,5Ohm. Ebben az esetben beszélünk teljesítmény-illesztésről. Az áram nagysága I = 5V / (2,5+2,5) = 1A. Viszont ha a fejhallgató impedanciája pl. csak 0,1Ohm lenne (tételezzük fel), akkor az áram közel 2A nagyságú lenne, a teljesítmény jelentős részét az erősítő kimeneti impedanciája fűtené el. Nos itt van a gondolatmenetben egyfajta ellentét, amit nem értek: Lecsökkentettük a fejhallgató impedanciáját, alig jut rá úgymond teljesítmény és feszültség, ami azt eredményezné, hogy halkabb lesz, viszont ezzel a fejhallgató használatával nagyobb áram folyik az áramkörben, nagyobb lesz membránon lévő lengőtekercs mágneses mezeje, ami nagyobb membrán mozgást eredményez, tehát elvileg így is hangosabb lesz a fejhallgató. Nyilván valamelyik gondolatmenet hibás, gondolom az utóbbi, de nem tudom, hogy miért. Szerintem a lengőtekercs induktivitása fog itt még valamiféle szerepet játszani... Üdv.
Úgy látszik nagyon reggel vagy nagyon késő volt, hogy ilyen dolgokkal foglalkoztál.
Tételezzük fel, hogy a lejátszódnak 32 ohmos a kimenő impedanciája. Akkor a lejátszót helyettesítheted (a számítás szempontjából) egy ideális feszültség generátorral, aminek 0 ohm a belső ellenállása, és egy vele sorban levő 32 ohmos ellenállással, ami a belső ellenállást jelképezi, és egy akkora feszültségű generátorral, amekkora a lejátszód üresjárati feszültsége. Ha erre rákötöd a 32 ohmos fejhallgatódat mint terhelést, feszültségosztót kapsz, ami ebben az esetben azt jelenti, hogy a feszültség generátor üresjárati feszültsége megoszlik a belső, és a terhelő ellenállás között 50 - 50 % ban. Ez a teljesítmény illesztés esete. Akár növeled, akár csökkented a terhelő ellenállás értékét, a terhelésen a teljesítmény csökkenni fog. Egyik esetben az áram, a másik esetben a feszültség fog csökkenni. Számolj utánna. Ráadásul a félvezetős végfokoknak nem a kimenő impedanciáját adják meg, (ahogy frici.hu is írja) hanem a ráköthető minimális impedanciát, ami esetünkben 32 ohm. Az ilyen végfokok kimeneti impedanciája 0,1 - 10 ohm között szokott lenni, azonban ilyen kis ellenállás terhelésnél a végfok a nagy áram miatt túlterhelődik, és tönkremegy. Tehát ha kisebb terhelő impedanciát teszel rá, elvben a leadott teljesítmény is nőni fog, de ezt a végfok tönkremenéssel díjazza.
Nem értettem félre. Az általam felvázolt számítás biztosan pontatlan, mert valóban frekvencia-impedancia illesztésnek is történnie kellene, ám a gyakorlatban ez nem így van, nem véletlenül, hiszen minden gyártó a hangszórók ellenállását adja meg és ritka esetben vázolja fel elénk a frekvencia-impedancia karakterisztikáját, tehát erre nem is lenne értelme esetünkben kitérni.
Maradva a tényeknél, adott ellenállásnál és adott feszültségen adott áram folyhat, s az nyilvánvaló, hogy konstans feszültségnél a számítás alapja teljesítmény meghatározásánál a terhelő ellenállás (impedancia) lesz. Természetesen ez nem teljes értékű számítás az említett impedancia, frekvencia, végfok típusa, terhelés pontos ismerete nélkül, de példának megfelelő. Mivel azt írtad, hogy egyformák a hangszórók és csak az ellenállásuk (vagy, ha úgy tetszik impedanciájuk tér el) így feltételezni lehet, hogy csak és kizárólag a terhelő ellenállás változik, s így már helyt áll a számításom! Egyre azért mindenképp illik figyelni, a rendszer feszültsége és a terhelő ellenállás értéke határozza meg a kimenő teljesítmény nagyságát, s ha a rendszer engedi a kimenő teljesítmény csak a terhelő ellenállás csökkentésével növelhető. Mivel egy adott példát hoztál fel adott eszközökkel, próbáljunk meg ennél maradni! Mp3 lejátszó: 3,7V tápfeszültség, 32Ohm terhelés, ebből látható, hogy egyenárammal számolva a kimenő teljesítmény értéke I=0,115625A, tehát P=0,4278125W, míg 16Ohm-nál I=0,23125A és P=0,855625W, azt hiszem ez elég egyértelmű, ahogyan az előző hsz-em utolsó előtti mondata is. Felvetettem, hogy max 2x 0,25W-ot tudnak az mp3 lejátszók, de találkoztam már olyannal is ami csak 2x110mW-ot, s ezért írtam; egy jobb érzékenységű fejhallgató javallott inkább, de ha már itt tartunk 2x 0,25W az 0,5W és az U=3,7V-on és R=16 Ohm-on eső teljesítmény=0,855W-al ami 0,355W-al több, mint a max kimenő teljesítmény, nem hinném, hogy ezt nem bírná elfűteni a végfok viszont nem is ez volt a kérdés! Tehát ahogy pucuka is írta és én is, kisebb ellenállású (impedanciájú) terhelésen nagyobb teljesítmény érhető el, ez a kérdésedre a válasz, talán nem is kellene tovább bonyolítani!
Helló !
Lenne egy kérdésem. A kondenzátort és a fojtótekercset is a feszültség simítására használjuk. A kérdésem az lenne, hogy melyik reagál gyorsabban, ha csökken a feszültség ? A mágnesesség alakul át gyorsabban feszültséggé, vagy a kondenzátor reagál gyorsabban ? Kösz ! Idézet: „A kondenzátort és a fojtótekercset is a feszültség simítására használjuk.” NEM! Ha így akarjuk megközelíteni: akkor a míg a kondnezátor a feszültséget, addig a tekercs az áramot simítja. A feszültség és az áram között pedig van ismert összefüggés... A kérdésed ebben a formában értelmetlen. A tekercsben feszültség indukálódik az áramváltozás hatására, a kondenzátor pedig töltéseket vesz fel (vagy ad le) ha a feszültség változik rajta. Mindkettő úgy működik, hogy közben a kiváltó hatást igyekszik csökkenteni, és ezért többek között használják "simításra" is.
Kösz !
Akkor az áramot lehet függetleníteni a feszültségeséstől ? Nem folyhat túl nagy áram akkor ha túl nagy a fojtó ? Idézet: „Az áramot lehet függetleníteni a feszültségeséstől ?” Teljesen függetleníteni nem lehet, csak csökkenteni lehet a hatását. Idézet: „Nem folyhat túl nagy áram akkor ha túl nagy a fojtó ?” A fojtó nem korlátozza az áram abszolút értékét. Csak a változását "póbálja csökenteni" azzal, hogy feszültség indukálódik benne - a változás hatására. ez a feszültség pedig az áramváltozás ellen dolgozik. Tehát a lényeg: sosem fogja megszüntetni a változást, mert akkor feszültség sem indukálódna ami csökkenthetné az áramváltozást. A kondenzátor esetében is hasonló a helyzet, csak ott a feszülség változásást "fékezi" azzal hogy töltéseket vesz fel/ad le. De ehez változni kell a feszültségnek rajta, változás nélkül ellenhatás sincs - kapisgálod már?
Sziasztok itt sok ügyes ember megfordul hátha valakinek lenne ötlete a problémámra. Adott egy ilyen malupe 170 öntöződob aminek a forgási sebessége 0,004méter/sec-től 0,0058méter/sec-ig van kb. Ezt szeretném nagyon pontosan mérni, nem feltétlen a sebességét, csak valahogy csinálni rá egy mérő szerkezetet mindegy milyen elven csak egyszerű legyen és ne kérjen hálózati áramforrást. Én gondoltam egy gyorsító áttételre és ezt összekötni egy km-órával, de gondoltam gyorsító áttételre ami bicaj dinamót hajtana és az meg egy VOLT mérőt. Az lenne a lényeg hogy nagy felbontásban lássam ezt a igen lassú sebességet, így nagyon pontosan be tudnám állítani/meg tudnám határozni a működési idejét.
|
Bejelentkezés
Hirdetés |





!
