Fórum témák
» Több friss téma |
- Ez a felület kizárólag, az elektronikában kezdők kérdéseinek van fenntartva és nem elfelejtve, hogy hobbielektronika a fórumunk!
- Ami tehát azt jelenti, hogy a nagymama bevásárlását nem itt beszéljük meg, ill. ez nem üzenőfal! - Kerülendő az olyan kérdés, amit egy másik meglévő (több mint 17000 van), témában kellene kitárgyalni! - És végül büntetés terhe mellett kerülendő az MSN és egyéb szleng, a magyar helyesírás mellőzése, beleértve a mondateleji nagybetűket is!
Sziasztok,
Lenne még pár utolsó kérdésem mielőtt belevágnék a projektembe. ![]() -az első képen van az erősítő bekötés magas szintű jelbementről ( Köszönöm Reloop) . Kérdésem hogy kell-e feszültségosztó és ha igen akkor -miaz? és hogyan ?-Második képen van a kapcsolási rajza annak ami ki-be kapcsolgatja az egész áramkört szükség szerint. Kérdésem pedig hogy a jelet arra hogy kell vezetni? ugyanúgy mint ez 1. képnél csak a hangfalkimentet megosztani? És ide kell-e feszültségosztó. Bővebben: Link Köszönöm
Ha netán sikerülne megtekerni az eltérítőt, a kép valószínűleg torz lesz. Nem véletlenül robotokkal tekercselik.
Az is valószínű, hogy a leégett tekercset meghajtó elektronika is elpusztult. Szerintem ez a javítás költségben meghaladja a készülék értékét. Annyiért tudsz venni egy működőt. Te a Babettás Kamaro vagy?
Az R1 ellenállások a Volume potival alkotják a feszültségosztót.
A bekapcsoló áramkört kiegészítettem egy korlátozó dióda-párral. Így ez is a hangsugárzókra köthető.
Lada ventillátor motor. Nem tudom, hogy a hűtésé e, vagy a fűtésé.
Nem tudom, de biztosan nem 20 A.
Az Opelem fűtő ventillátora szorult. Na akkor beszívta a 25A-t is. Mikor lecseréltem szinte fellélegzett az elektromos rendszer. Le kell mérni egy A mérővel.
Köszi az infókat. Az antennán a fémtölcsért érted amit írtam? Az a kis fémcső, ami kiáll belőle önmagában is egy antenna vagy nem?
A fémeken kívül más anyagokról is visszaverődik a sugárzás? Ha nem állok közvetlenül a kilépési pont elé, hanem pl. a cucc mögött maradok, a visszavert hullámok is okozhatnak égési sérülést vagy egyéb maradandó károsodást? Egyébként nem gondoltam, hogy max. teljesítménnyel üzemeltetném. Egy toroidon keresztül szabályoznám a nagyfesz. trafó primer feszültségét.
Áh venti motor nem eszik sokat. A hűtésé nem viszkókuplungos? Nincs is ott túl vastag vezeték.
Az a kis fémcső is antenna, de pl. egy tölcsér antennának már (a méreteitől függően) nyeresége is van. A rádióhullámok mindenről visszaverődnek, a vezetőképességeiktől függően. Radarképen is láthatók a környezetről visszaverődő hullámok. Ha az antenna mögött állsz, és csak a visszavert hullámok érnek, közvetlen sérülést talán nem, de egészség károsodást biztos okoz.
Szia!
Ha ránk hallgatsz, nem próbálod ki! Ez már tényleg nagyon veszélyes. A lézerezés ehhez képeszt cserkész játék. Csak azért írom, mert gondolom nincs több évnyi tapasztalatod a rádióhullámok terén, főleg nagyfrekvencián. De még akkor se ajánlanám ezt. Akármennyire is figyelsz, bármi közbejöhet, aminek nagyon súlyos következményei lehetnek!
Értem! Először feltételezel valakiről valamit és abból ítélkezel. Aztán vagy bejön, vagy nem. Érdekes hozzáállás...
Sziasztok!
Olyan kérdésem lenne,hogy egy zuhanykabin világítása 12vról megy,de kör alakú fénycsővel.A probléma az ,hogy a fénycső már nem akar rendesen világítani.A fénycsövön természetesen semmi infó nincs.A csövet működtető elektronikán 12v/32w látható.Létezik 12v/32w-os cső?(A meghajtó elektronikában egy d880-as tranzisztor van.)
Az az elektronikára vonatkozik, a fénycső az más tészta. Az valószínűleg ilyen:Bővebben: Link
Köszi!
Akkor ezek szerint 12v is képes meghajtani egy fénycsövet? Akkor veszek a linkedben látható csövet ,és működni fog? A hozzátartozó elektronikában van egy d880 as tranzisztor ,egy tekercs ,egy kondenzátor és egy graetz híd.Ezekkel nem nagyon lehet baj?
Szerintem esélyesebb, hogy a cső ment tönkre. De amíg nincs egy másik, hogy kipróbáld addig ez nem derülhet ki. A kérdéses alkatrészeket persze ki is mérheted.
Beszerzek egy csövet,de addig is addig rámérek a diódákra ,és a tranzisztorra.
Köszi a segítséget.
Olyan alapkérdéseket feszegetsz, amiket előbb meg kellene tudnod válaszolni, mielőtt hozzáfognál. Nagyon durván keveredik a villamos áram mágneses és hőhatása, amíg egy általános iskolai fizika könyvet teljesen nem tettél magadévá, kár próbálkozni, mert az anyagi csőd biztos, és még baleset is ér.
Netörödj az én biztonságommal én csak adatot szeretnék olyan emberektől akik tudják mitbeszélnek.S ha nemtudsz nekem ebben segiteni neirj nekem hacsak nincs kérdésed mert azért kerestem ezt a forumot mert abban biztam hogy hozáértő embereket találok.Szerintem nem nagy dolog megosztania tudást hameg nemmegy mert egy kutya vagy akkor akor maradj meg magadnak vagy ha nemtudod akkor gondolkodj az életed dolgain engem meg nefárasz.Köszi
Sziasztok!
Összedobtam egy rajzot EZ alapján.Több kérdés is felmerült bennem..Az egyik,hogy a hálózati védőföldet bekössem-e?Műanyag dobozba fogom tenni a kapcsolást és egyik rákapcsolt eszköz sem lesz földelt.. A másik kérdésem,hogy az eredeti tranzisztorok helyett használhatok-e bc327/bc337 párost? Legutolsó kérdésem,hogy nem tartalmaz-e olyan hibákat a rajzom,ami alapján hagyjam a fenébe a dolgot? ![]() Már meglevő alkatrészekkel terveztem a panelt. Köszönöm annak,aki vet rá egy pillantást. Üdv.:Zoli
A szabvány szerint a kettős szigetelésű készülékeket földelni tilos! Tehát, ha biztosítani tudod a kettős szigetelést akkor nem szabad bekötni a védőföldet.
A 230V-os kábel többnyire duplán szigetelt. MTK. A trafót ugye egyszer a tekercselő huzalon lévő zománc, másodszor a cséve szigeteli. Akkor.....?
Ugyan ezek 10 Ft-os tranzisztorok, de amit megjelöltél az is jó bele.
Szia!
Természetesen megoldható, amit kérdeztél! Kell hozzá egy nagy teljesítményű oszcillátor meg egy tekercs. Az indukció hatásfokát (bár nem vagyok benn egészen biztos, hogyan érted a hatásfokot) a kellően nagy permeabilitású (mű) anyaggal lehet javítani. Kondenzátoroknál fontos szempont a minél kisebb induktivitás, ezért az nem lesz jó neked. Ha megfelelő áramkört választasz, akkor nem lesz rövidzárlatod. Az indukció mértéke egyenesen arányos az árammal, tehát az legyen minél nagyobb. De mielőtt bármihez kezdenél van pár dolog, amire szükséged lesz: 1. Végezd el az általános iskolát! Helyesírásodból sejthető, hogy elég gyenge tanuló lehetsz, így ez már problémákat fog számodra okozni. 2. Írd be a böngésződ címsorába, hogy www.google.hu. Hidd el csodákra képes! Bár a kereső kellően intelligens (ez sajnos nem mondható el mindenkiről...) és túl tud lépni az írásodban hemzsegő helyesírási hibákon, ez neked további problémát fog jelenteni, mert te azt sem tudod, hogy mit kellene keresned. 3. Szükséged lenne még némi kulturáltságra és a netikett alaposabb ismeretére, hogy egynapos regisztrációddal ne sértegess valóban segítőkész embereket már a második hozzászólásodban.
Szia!
Igen,a tranyók pár forintos tételek,de egyrészt van itthon bc327/337,másrészt adatlap szerint picit többet bírnak,mint a rajzon szereplőek. Köszönöm a válaszod! Üdv.:Zoli
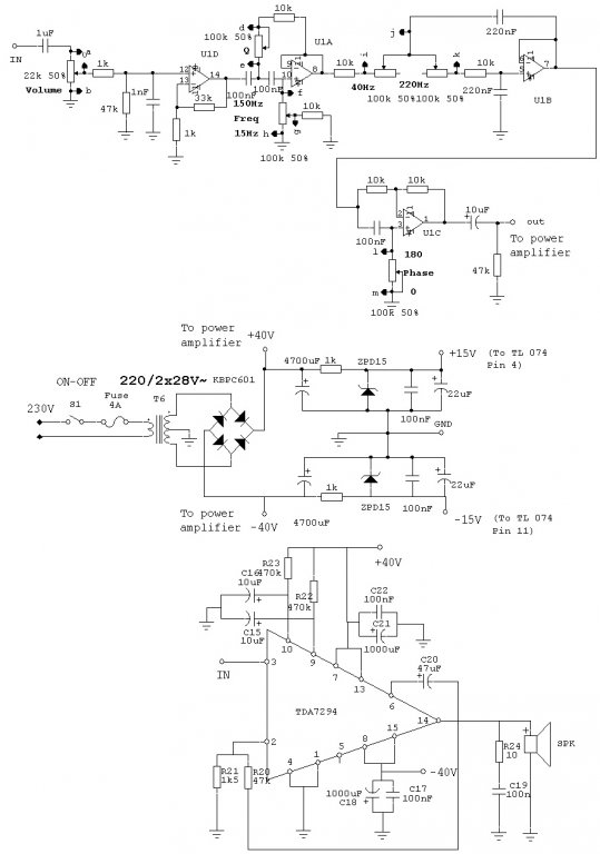
Sziasztok,
EZZEL a trafóval működne az erősítő? Sajnos más trafót nem igazán tudok szerezni, illetve nem találtam. (leírásba 230/2*24-28V-os trafót volt írva) Köszönöm
Sziasztok,
lenne egy LM386-ra épülő egyszerű erősítőm, de nincs itthon 10R-es ellenállásom (5-ös láb testre). Kihagyhatom, vagy feltétlenül kell? És ha igen, lehet esetleg nagyobb értékű, mennyivel? Másik kérdésem az lenne, hogy az alábbi rajzon a kollektorról jövő vezeték az össze kell legyen kötve a 100K és a 10K ellenállással? Az a kereszteződés ott szerintetek csomópont, vagy sem? Mikrofonerősítő Köszönöm szépen a segítséget!
Sziasztok! Lenne egy kérdésem mégpedig a videón látható oscilloszkópal tudnám úgymond ábrázolni egy zene amplitudóját?
Nem pont egy equalizer akarok,csak kíváncsi vagyok ha nem négyszögjelet vagy szinuszt kötnék a bementre hanem egy volnalkimenetet kötnék. Megoldható? Bővebben: Link
Nem csomópont, nincs jelölve összekötés.
Köszi a választ. Azért nem volt egyértelmű, mert sehol máshol sincs jelölve összeköttetés... De mi van az ellenállással?
|
Bejelentkezés
Hirdetés |









Nem pont egy equalizer akarok,csak kíváncsi vagyok ha nem négyszögjelet vagy szinuszt kötnék a bementre hanem egy volnalkimenetet kötnék. Megoldható? 



