Fórum témák
» Több friss téma |
Fórum » ICD2 NYÁK-gyártás
Amennyire tudom a programozóknál a cél pic összes nem használt portját ellenálláson kereszül határozott potenciálra kell kötni.
Így van ez itt is?
Olvastam valamilyen PIC leírásban. Arra hivatkoztak, hogy programozáskor az összes port alapértelmezetten bemenet, majd a program állítja be, hogy aztán melyik mi legyen. Ezken a bemeneteken a PIC összeszedhat zavarokat.
Építettem ilyen és olyan programozót is, mind a kettő időnként hibázik (nem ICD, hanem JDM típusuak). Akkor tehát senki nem tesz be ilyen ellenállásokat?
Szerintem összecseréled azzal, hogy Reset, vagy bekapcsolás után lesz bemenet az összes láb. Ha nem használod az adott lábat, akkor azt vagy határozott potenciálra kell kötni, vagy a program legelején átkapcsolni kimenetté. Programozáskor viszont tökmindegy, mi van a lábakon.
Oké, köszi, akkor biztos összekutyultam.
Az ICD 2 csak akkor kommunikál a pic-el, amikor a vpp rajta van a picen, vagy máskor is esetleg? Mindezt azért, hogy fel lehet-e használni az rb6 és rb7 lábakat egyéb célra az áramkörben(természetesen csakis kimenetként, és cmos kapcsolóval leválasztva az icd-ről).
Szerintem fel lehet használni, de csak akkor ha a pic és az ICD nincs összekötve. => nem lehet ledebugolni annak a lét láb helyes mükődését.
Mert úgye az ICD és a cél pic komunikál így ha ezt a két lábat állítgatod (ki-be, magas, alacsony) akkor az icd hülyén fog nézni!
Nos igen, már megtörtén, hogy használtam az RB6-RB7 lábakat, ilyenkor az ICD-t csak programozóként tudod használni. És igazából ennyi. Én úgy oldottam, meg, hogy ledebuggoltam az RB6-7 piszkálása nélkül és a végleges programba beleírtam az RB6-7 kezelését, de ezt már nem debuggoltam, csak manuálisan
(voltméter, osci a szkóp...)
Halo mindenki, visszajelzések ? Működik mindenkinek ? Főleg azokat kérdezem akiknek én ültettem be ! probléma ? Sajna akadt egy hibás stab az egyikben, természetesen egyből cseréltem a nyákot, akinek gondja van még most szóljon mert egy év múlva már nem hiszem el, hogy neki ez már akkor hibás volt...
"Konfig elvileg jó mivel abban csak az osc tipusa szerepel és a sebbesége nem."
Azért ez így ebben a formában nem igaz! Számszerű értéket valóban nem tartalmaz, de intervallumokat igen. Érdemes tanulmányozni a kiválasztott PIC adatlapját, sok szívástól menti meg az embert (tapasztalat). Én 16F628A-t használok (sokkal többet tud mint az F84, viszont még fele annyiba sem kerül). Szóval az F628 adatlapja szerint a következő beállítások használatosak különböző frekiken: XT => 4MHz HS => 20MHz LP => 200kHz INTRC => 4MHz (fast) INTRC => 37kHz (slow) Ezek max értékek! (talán ez lehet a gondod) Kapacitások Timer1 osc (LP) 32kHZ = 33pF 100-200kHz = 15pF Kapacitások órajel bemenet kristály esetén: LP 32kHz = 68-100pF LP 200kHz = 15-30pF XT 100kHz = 68-150pF (C1), ill.150-200pF (C2) XT 2 és 4MHz, valamint HS 8, 10 éa 20MHz esetén 15-30pF Remélem segíthettem! Az adatlapok tanulmányozását csak ajánlani tudom (igaz, hogy hosszú, de utána könnyebb a hibakeresés). Az adatok F62x szériára vonatkoztak (nem tudom mit használsz, így eltérő lehet, bár nem valószínű )Üdv!
A kristály amúgy berezeg egyáltalán? Nincs túl messze a PIC-től?
Na majd kipróbálom, ha végre elkészül a saját icd2-m.
kb 5mm van a kvarc és a kondi között. ez szerintem nem sok. => másnak simán mükődik, de nekem nem!
Gyári ICD2 hex filét égetek bele és gondolom abban jó konfiggal szereplenk a dolgok és szerintem az ICD1 nem állít semmit a kinfigokon. Ki milyen égetővel égeti bele a picbe a hex filét? Már elgondolkodtam, hogy veszek egy PICKIT 2-t...
Hello mindenki, sajna találkoztam egy érdekes jelenséggel. 5-ből egy panelon magas lett a Vpp (a 7812 kimenete. Nos ennek megoldása, hogy a 0,5K-s ellenállást kicseréljük egy 1n4148-as diódára mely a föld felé (nyákon felfelé) nézz. (tehát felfelé áll a katód, vagyis a jelölés) Én innentől így csinálom, akinek nincs gond a 0,5K-s verzióval az örüljön
Aki tőlem készen vette és 0,5K van benne és gondja támad hozza és cserélem, ingyen és bérmentve ! Köszönöm a megértést. (figyelem a föld helyett ha egyenfeszültségről tápláljuk az áramkört +0,7V van ezt érdemes számításba venni.) Egyébbként a programozó feszültségnek 12-14 V közé kell esni, az ideállis olyan 12,5-13 ezért pont jó a dióda...)
Sziasztok!
Elkészült az ICD2-m! Csak nem tökéletes. Előtte programoztam a PIC-et, a leírt módon, kikapcsoltam a FIFO-t, majd az operációs rendszer letöltése, itt kigyullad a Run led, vár kb. 10s-t és utána az MPlab hibát jelez. Van egy "varázsló" az Mplab-ban, ott próbáltam állítani, és elég furcsa, hogy csak 2 baud rate-et lehet(57600, 19200). Melyikre állítsam? A VPP érdekes módon csak 11.8V, talán ez lehet a gond, vagy az, hogy sima germánium diódákat használtam Ha van valami ötletetek, nagyon örülnék neki! Üdv.
Szia
a 11,8 az kicsit alacsony, bár nagy valószínűséggel működni fog. Az MPLAB ilyen értéknél nem jelzett hibát nekem, és PIC et is programoztam így. Fentebb írták, hogy cseréld ki az 500 ohmos ellenállást egy 4148 as diódára. Így fix 12,7 V os Vpp t kapsz ami teljesen jó. Az általad leírt hibajelenségeket nekem úgy prdukálta, hogy a Vpp n és Vdd n lévő osztókba rossz értékű ellenállásokat tettem.
Szia!
Kösz a tippet, ellenőriztem, nem az ellenállásoknál tévedtem, de ilyesmi volt a hiba. Nem tisztítottam meg a penelt forrasztás után és a forrasztóvíz, amit használok kis mértékben vezet. Egy jó alapos tisztítás után már egész más volt a kép. Hiba nélkül letöltötte az op. rendszert, és el is kezdett működni Legalábbis azt hittem ![]() Fellépet egy újabb hiba, azt írja, hogy a cél PIC azonosítója nem jó. A leírás szerint ez akkor van, ha nincs benne cél PIC, vagy más típus van benne, vagy nincs a PIC-en táp. Sajnos ezek közül egyik sem okozhatta. Két külön PIC-el próbáltam, ugyanaz. IC foglalatot építettem be a cél PIC-eknek, egy 18 és egy 40 lábút. Mindkettőre megy 5V, Gnd, MLRC, RB7-re PGD, RB6-ra PGC, a többi láb üresen van. (Természetesen egyszerre csak egy fajta PIC-et teszek bele). Ez így jó nem? Mikor a 16F877-ről 16F84A-ra váltottam, kiirta, hogy nem jó az OP rendszer az ICD2-ben, és letöltött egy újat. Normális ez? Egyébként a 0k5 ellenállást kicsréltem 2 1N4148-ra, így most jó a VPP. Köszönöm előre is a segítséget. Üdv.
Az OP rendszert én sem igazán értettem 16F876A után 16F627 hez új op rendszert töltött le, bár ez a két PIC két különböző kategória, a 87x ben van DEBUG bit asszem, 84A t nem próbáltam. Az MCLR t hogyan kötötted be? 84A ban ha le lehet tiltani az MCLR t akkor engedélyezve kell hogy legyen szerintem. Ha meg precíziós foglalatot használsz(?) és nem nyomod bele teljesen az IC t akkor nem mindig érintkezik pontosan, én is szívtam ezzel.
Elvileg rendesen be vannak nyomva az ic-k, ráadásul a 18 lábu foglalat nem precízios. Az ic-k lábán van táp.
A config biteken nem változtattam, amikor programoztam a 16F877-et (az ICD-ét), tehát a deburg-ot nem kapcsoltam be, lehet, hogy ez a gond? Az MCLR az Mspike által megadott rajz szerint van bekötve (ICD2.doc). Hol lehet letiltani, vagy engedélyezni az MCLR-t? Megnéztem az eredeti kapcsolását az ICD2.doc-nak, valami olyasmit írnak, hogy a PGC és a PGD fel van cserélve, kipróbáltam de úgy sem megy ![]() Ami még eltér, hogy csak normál germánium diódám volt, így ezt tettem bele, talán mindenképpen scdhotty kellene.
őőő, szerintem nem olyan fontos, hogy schotty legyen de nem tudom... Az oprendszerről annyit, hogy ez igazából nem az egész oprendszer, csak az adott cél PIC-hez tartozó "mellékleT"
Egyszóval csak az oprendszer egy részét tölti mindig újra, ha a célIC típusa változik. Ezért érdemes mindig beállítani, hogy milyen PIC-kel akartok dolgozni, különben nem ismeri fel...
MCLR nél a konfig bitekben való letiltást értettem a 84A nál de megnéztem és nem lehet letiltani. Az MCLR bekötését pedig a PIC nél gondoltam tehát felhúzó ellenállás stb.
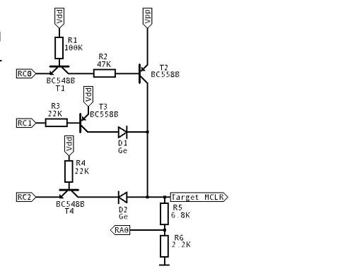
Így néz ki az MCLR csatlakozás.
Egészen furcsa ez a hibajelenség, azért is, mert az Mplab a target összes feszültségét rendben találja. Az összeköttetéseket kb 100x ellenőriztem, nem ott van a gond, de akkor foglmam sincs hol. Üdv
MCLR nél a céláramkörben ha van a PIC lábán felhúzó ellállás akkor oda dióda is kell, nálad ez hogy van? A Ge dióda kérdéséhez annyit h nem tudom mennyire gyors a sima Ge dióda. Sztem itt mindenképpen gyors kapcsolódiódát kell beépíteni. Én BAW 62 t építettem be. Meg van még BAT 46 annak csak 0,3 V a nyitó feszültsége. De nekem a 0,6 os nyitófeszültséggel is jó.
A kapcs rajzon, amit találtam csak az volt, hogy "Target MCLR" én ezt közvetlenül rákötöttem a cél PIC MCLR lábára.
Az előző hozzászólásomban mellékelt rajz szerint van az az előtti rész. E szerint a PIC RC0, RC1, RC2 lába vezérli az MLRC-t több tranyón, ellenálláson, diódán keresztül. Nem pontosan értem hogyan. Te melyik kapcsolást építetted meg?
Én is ezt a kapcsolást építettem a NYÁK ra amit Mspike gyártatott. Ha közvetlenül rákötöd és nincs más rajta az úgy jó, bár így nem fog menni ICD nélkül majd a PIC.
Próbálgatom a dolgot, és felfedeztem egy újabb rejtélyes dolgot: eddig a kapcsolás a com2-n volt, FIFO kikapcs, 19200 baud rate, a többi alapértelmezett. Áttettem a com1-re, bállítottam ugyanígy. Csakhogy más hibajelzéseket ad
Kapcsolódik az ICD2-höz, kiirja a szokásás hibát, hogy nem találja a PIC azonosítóját. Ekkor ált. megpróbálom törölni az eszközt (a programozás résznél), majd "bank check". Erre eddig azt írta ki, hogy törlés ok, blank check: not blank. Com1-en pedig mindkettőre hibát jelez. Ez eleg furcsa, tekintve, hogy minden beállítás ugyanaz. Az Mplab-ban a porton és a PIC típusán kívül szoktatok beállítani valamit? Az ICD2 építésénél más típusú tranzisztorokat használtam (BC547B, BC557B), de gondolom ez nem probléma.
NEm a tranyókkal nincs gond... szentem csak rossz programbeállításról lehet szó...
Átnéztem az összes opciót, de igazából fogalmam sincs mi lehet a rossz. Az ICD2 beállítási lehetősége nem túl sok.
Mit állíthattam be rosszul? Hogy lehet, hogy az ICD-t látja a PIC-et nem? Volt valakinek már hasonló hibája?
Tomee: felprogiztam mind két IC-d és mennek 20MHz-ről, be is próbáltam őket, beégetett mind 2 egy 18F452-est és debuggolták is, szóval nem tudom, hol a gond, holnapra viszem az IC-ket, ezeket már csak be kell rakni és menniük kell...
Nagyon köszönöm!
Hát akor nem tudom, hogy mi lehet a gond. Lehet, hogy én nem láttam valamit, de mondom, hogy régen a default alap beálításokkal simán ment a 20MHz is. A configot meg nem szoktam álítgatni mindig ugyan azt használom. |
Bejelentkezés
Hirdetés |




(voltméter, osci a szkóp...)
Aki tőlem készen vette és 0,5K van benne és gondja támad hozza és cserélem, ingyen és bérmentve ! Köszönöm a megértést. (figyelem a föld helyett ha egyenfeszültségről tápláljuk az áramkört +0,7V van ezt érdemes számításba venni.) Egyébbként a programozó feszültségnek 12-14 V közé kell esni, az ideállis olyan 12,5-13 ezért pont jó a dióda...)







