Fórum témák
» Több friss téma |
- Ez a felület kizárólag, az elektronikában kezdők kérdéseinek van fenntartva és nem elfelejtve, hogy hobbielektronika a fórumunk!
- Ami tehát azt jelenti, hogy a nagymama bevásárlását nem itt beszéljük meg, ill. ez nem üzenőfal! - Kerülendő az olyan kérdés, amit egy másik meglévő (több mint 17000 van), témában kellene kitárgyalni! - És végül büntetés terhe mellett kerülendő az MSN és egyéb szleng, a magyar helyesírás mellőzése, beleértve a mondateleji nagybetűket is!
Ha egy zöld LED-en 3V feszültség esik, akkor az még nem károsítja/nem rövidíti az élettartamát?
Sziasztok!
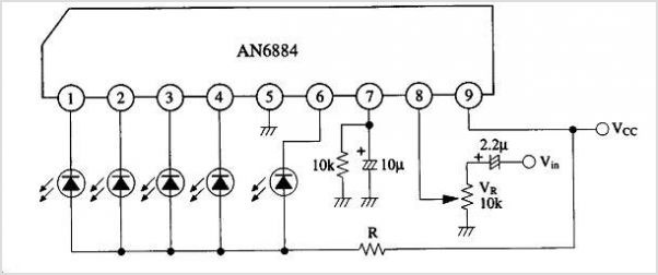
Megépítettem eszt a kapcsolást de a 6-os lábra kötött LED egyfolytában világit többi nem ha van bemenő jel akkor sem villog semelyik de a hatos ugyanúgy világit .
Az hogy egy LED-en mekkora feszültség esik, az átfolyó áramtól, anyagától és hőmérsékletétől függ. A rajta átfolyó áramot mérd meg, és ellenőrizd az adatlapban.
Az 5mm átmérőjű LED-ek árama legfeljebb 20mA lehet az esetek többségében. Ha több, akkor baj van (hacsak nem speciális típus). Létezik zöld LED InGaN kristállyal, az 3V nyitófeszültégű, az elterjedtebb GaAlInP kristállyal készültek 2.0V-2.6V feszültségűek a névleges, 20mA áramnál..
Átlagos (nem speciális) 5 mm es ledről van szó. Amit egy 9V-os adapterre van kötve 11db párhuzamosan darabonként egy-egy 56ohmos előtéttel. Körülbelül 23mA áram folyik és mindegyiken 3V feszültség esik. szépen erősen világít de nem láttam rajta beégést (a közepében feketedést) 10 perc menet után. Ez egy sima zölden világító 11db LED megvilágításnak használom.
A 23mA sok, elég lenne kevesebb is. A tényleges tápfeszültég mekkora?
A tényleges az a 9V, az adapterre 4,7V van írva 350mA-el.
Valami nem stimmel. Azt elfelejtetted megírni, hogy 3 darab sorbakötött LEDről van szó.
Esetleg a tápegység terheletlen feszültsége a 9V, ami a terhelés hatására jelentősen leesik...
A 11 db LED párhuzamosan van, nincs semmi sorban azt, hogy mennyire esik le azt nem tudom már nincs nálam a világítás, már használatban van és működik 1 óra járatás után sem feketedett. De akkor mind1 Azért köszi!
Üdv.
Létezik-e 10 vagy 20 esetleg még ennél több állású kapcsoló?
Szia! Igen létezik Bővebben: Link
Érdeklődnék hogy ezt a kondenzátort hogyan kell bekötni?
Valami típusjel? De fogsz egy multimétert és ahol zárlat van azok a lábak vannak összekötve benne. így ránézésre 3 negatív és 2 pozitív lába lehet.
Meg vannak számozva a kondin ezzek vannal roe elkon rauch ii a din 41238 50 v -40-+85 ° c pluspol 1
Etv 1116/1 9,80 w.germany az alja megvan számozva és egy negatív jel van négy szám.
Amelyik aluszegecsre rá van nyomva a + jel, az a pozitív pólus.
Jó, de értelmesen is leírhattad volna azt, hogy a pozitív polaritás lába az 1-es számozású és ez a szám a piros alaplapon látszik. Nehezen értettem meg az írásodat.
A hozzászólás módosítva: Okt 21, 2012
Akkor ez egyes számú a pozitív többi negatív?
A dannu hozzászólásában leírt feliratok vannak a kondenzátoron?
Ebben az esetben a 1-es lesz a pozitív polaritású láb, a többi meg a negatív. De ellenőrizd le multiméterrel, hogy összetartoznak-e a negatívnak beazonosított lábak. Ezek szerint mindkettőtöknek van ilyen elkója, de egyikőtök sem tudta a bekötést?
Elég lett volna, ha csak egyikőtök (te) kérdez, mert így nagyon zavaros volt.
Tudom Ha a lábakat nézem az 1 és a - jelöléssel sípol az 1 és 2-nél elkezd felfele menni a szám.. másnál nem csinál semmit
Sziasztok,
Egy R602 Sofia elekroncsöves rádió hálózati trafójára rákötöttem egy EZ80-as cső fűtését és a hálózati feszültséget a 240V-os primerre (semmi mást). A cső felfűtött gond nélkül, a trafó minden feszültségét megmértem és a kellő értékűek voltak (2x250V + 2 db 6,3 V). Kicsit melegedett a vas (kb 35 °C-ra), és enyhe búgás hallatszott, majd 5 perc elteltével a trafó szigetelése alatt hirtelen ívkisülések sorozata jelent meg és fekete füstöt szórt a szigetelés alól, majd elcsendesedett. Mi lehetett a probléma ?
Az 1-es és a 2-es között biztosan kondenzátor van és a felirat szerint az 1-es láb a plusz polaritású.
Nem mindegy, hogy az EZ fűtését melyik tekercsre kötöd, lehet, hogy nem arra tetted, amelyik a nagyfesz. szigetelésű? Az EZ katódján ott van a 250V!
Hát nem tudom kísérletezzek fele csak félek hogy durran mert ez már nagyot szól :S
Ha rossz polaritással csatlakozol rá, akkor a feltöltődés után is folyik áram a kondenzátorba, míg jó polaritás esetén gyakorlatilag nulla a szivárgó áram. Ezt egy soros ellenállás, árammérő és egy pár voltos elem segítségéval megnézheted.
A multimétereddel is megcsinálhatod, mégpedig ellenállásmérés beállításban. Amelyik polaritással nagyobb ellenállást mérsz a töltés végén (mert az ellenállásmérő tölti ilyenkor a kondit), az a jó polaritás. A mérővezetékek polaritáscseréje előtt süsd ki a kondenzátort.
|
Bejelentkezés
Hirdetés |






