Fórum témák
» Több friss téma |
- Ez a felület kizárólag, az elektronikában kezdők kérdéseinek van fenntartva és nem elfelejtve, hogy hobbielektronika a fórumunk!
- Ami tehát azt jelenti, hogy a nagymama bevásárlását nem itt beszéljük meg, ill. ez nem üzenőfal! - Kerülendő az olyan kérdés, amit egy másik meglévő (több mint 17000 van), témában kellene kitárgyalni! - És végül büntetés terhe mellett kerülendő az MSN és egyéb szleng, a magyar helyesírás mellőzése, beleértve a mondateleji nagybetűket is!
Üdv!
Van egy ötletem. Valahogy a mért értéket frekvenciává vagy amplitúdóvá kéne konvertálni, analóg módon. Aztán ezt rögzíthetnéd analóg módon (mondjuk magnószalag). Majd ezt bedigitalizálod PC-re, és onnantól már csak programozási hókusz-pókusz. Mondjuk csinálhatnál különböző frekvenciákat, minden freki 1-1 mérendő paraméter lenne. Az értéket pedig amplitudó alapján rögzítenéd. A szalagra pedig a sok jellemzőt felváltva írogatnád, szabályos időközökkel váltva. (csak egy ötlet) Ha nem gond az áthallás, akkor ki lehetne használni hogy a magnószalag sztereo.
Tarolasra PIC eseten inkabb soros EEPROM, vagy SD kartya a jo valasztas. A PIC18xx50 sorozat nem tud host uzemmodot. A tarolas siman nyers adatokkal nem foglal sok helyet, es a PC-ben fel lehet dolgozni valami programmal. Viszont erdemes valami RTC-t csinalni, hogy tudj idopontot is rogziteni. Maga a jelek feldolgozasa a PIC-ben nem lehet problema, mert a mai peldanyok rendelkeznek 10 bites AD csatornaval (van egy par 12 bites peldany is). A neten a "DIY logger" keresesevel talsz sok epitesi leirast.
Semmi gond! Én is elnézem néha!
Szia!
Mivel pc-n kellene a végén, ezért a digitalizálást nem úszod meg. Akkor pedig már inkább az elején kellene, pl. PIC, de ha van egy régi game portod a pc-n az is jó lehet, vagy hangkártya bemenet, de ahhoz mint előttem Szucsip írta frekire kell konvertálni. Ami mindben közös az a "digitalizálós rész", ezt nem úszod meg. Egyébként nem bonyolult az sem, csak elsőre látszik annak, itt rengeteg infót találsz, el sem kell hagynod az oldalt
sziasztok,nem tudom jo helyen teszem e fel kérdésem,van egy saeco odea go tipusu kávéfőzőm,pirosan villog a felkiáltojel azt megfejtettem hogy légteleniteni kell a rendszert de az nem szerepel a leirásban hogyan csináljam,ha esetleg vkinek van benne tapasztalata megköszönném a tanácsot,üdv
Szia! Használati utasítás 3. pont. Bővebben: Link
"Ha végképp nem működik olvasd el a használati útmutatót!" - Murphy
Üdv!
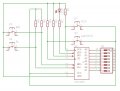
Még mindig a 74*597-es szériával bíbelődök, hogy jól vigyem be a programba. Építettem egy kis próba kapcsolást, hogy megnézzem, hogyan is működik. A kapcsolás valahogy így néz ki. pl.: Q1&3 - 1 Q0,2,4-7 - 0 (pontosabban nem 1, hanem lebeg?) nyomási sorrend: LatchSCK 1x PL 1x SCK 8x Na már most ha elkezdem a shiftelést a SCK gomb nyomogatásával, akkor nem csak a beállított "bitek" jelennek meg nekem, hanem 4 lenyomásig, tehát a 0-3. bit, logikai 1est ad a 9. lábon (Serial data out). Mi lehet a gond? Amit meg szeretem volna tudni, hogy ha a shift regiszterében 1es van és a latchben 0 akkor a latch a PL aktiválásával felülírja e azt vagy sem? SB
köszönöm,németországban vásároltam a készüléket németnyelvű használati utmutato,sajnos ebben nem szerepel,egyébként ezzel már probálkoztam nem alszik ki utána sem a lámpa csak villog tovább,ezért is vagyok tanácstalan
Magyar nyelvű. Ha ebből és az előbbi linkből nem jössz rá a hibára, jobb szakemberhez fordulni.
Lehet érintkezési hiba a figyelő rendszerben, vagy vezérlő hiba. Témája.
Sziasztok!
Építettem egy gyújtást a motoromra, és szeretném kitölteni a dobozt, ami megvédi a rázkódástól, és az időjárástól. A gyári gyujtás ki volt öntve valami fekete kemény anyaggal, én pontosan mivel tudnám kiönteni, és hol kaphatok olyan anyagot?
Epokit - Eporapid tökéletesen megfelel. Anno gyártottam pénztárgépekhez fekete dobozt. Akkor még kevertem hozzá másológép toner port. Attól lett fekete, vagy inkább sötét szürke. A nyomtatóé nem jó!
Sziasztok!
A minap találkoztam ezzel a dologgal. Hoztak egy panelt mert elfüstölt egy ellenállás. ÉS mellette volt egy ellenállás ami 0 Ohm és színkód szerint és 0 Ohm .Megkérdeztem van kereskedelmi forgalomba is 0 Ohm-os ellenállás . DE mire jó? Szebb átkötés??
Szia! Majdnem, egy beültetőgépnek könnyebb berakni, smd változat pedig jobban is beleillik a technológiába mint egy darab huzal.
Sziasztok!
Egy,hogy igy nevezzem.."Mobil URH-hoz" szeretnék egy töltőt készíteni,vagyis pontosabban inkább egy adaptert,amiről tudna üzemelni ez a kis okosság. Feszültségszabályozására LM317-et gondoltam,csak az lenne a kérdésem,hogy mekkora ellenállásokat kellene használnom hozzá és,hogy 5v-ból tud-e stabil 3v-ot csinálni,vagy inkább a 12-ból célszerűbb lenne?(De akkor meg szerintem elég gyenge lenne a hatásfok) Köszönöm a segítséget előre is!
Üdv!
Hát igen, 12V ból 3V-ot tényleg elég gyenge hatásfokkal tudna. Kérdés, hogy mekkora áramot igényel az URH. Ha garantáltan megvan az 5V, akkor szerintem abból tud csinálni stabil 3V-ot. Egyébként az ellenállásosztó felső tagja legyen mondjuk 240ohm (katalógus alapján) az alsó tagja pedig legyen egy 500ohm os lineáris trimmer potenciométer, aminek egyik lábát nem kell bekötni, hanem csak egyik végét, és a közepét. Az ellenállás és a potméter találkozását meg visszavezeted az ADJ lábra. Aztán már tudod is szabályozni.
Sziasztok!
Egy DC-DC step-up konverterrel 5V-ból szeretnék 12V-ot előállítani, amihez találtam is egy készre szerelt áramkört (LM2577), de ha jól értem, a kiszemelt darabot szabályozni kell a fix feszültség eléréséhez és ehhez szeretnék kérni egy kis iránymutatást. Laikusként nem sokszor vetődött fel nálam eddig ilyen kérdés, így bárminemű infómorzsa esetén előre is köszönöm a segítséget!
Hello!
Nem lehet ez egy nagy kaland. Ott van a képen egy kék kis trimmer potméter, annak csavarját kel tekergetni a kimeneti feszültség beállításához. üdv! proli007
Itt van az IC adatlapja. De azon az oldalon, amit linkeltél kiírják, hogy milyen tartományban lehet a bemenet, és mennyit változhat a kimenet. 2 dolog állítható a lapon, szerintem a tekercshez nem kell nyúlni, a másikat csavarod, és teszteled, hogy hogy változik. Mást nem nagyon tudsz csinálni.
+ gyulank (#1259466)!
Ez elég triviális, nem tűnik bonyolultnak... Köszönöm szépen a hozzászólásokat!Gondolom a bekötése is hasonlóan egyszerű. Egy USB kábel és egy PC ventilátor (DC12V) közé menne az alkatrész. Az "IN" és "OUT" jelölések is egyértelműsítik a dolgot. Jó az elgondolás, hogy az USB kábel piros +5 VDC ere megy az "IN+"-hoz, a fekete Ground pedig az "IN-"-hoz? A kimeneti pontoknál, a ventilátor felől pedig ugyan ezzel a színelrendezéssel...
Sziasztok!
Vannak kapcsolóim melyek 24V váltakozó feszültséget kapcsolnak. A kapcsoló állapotát AVR-el szeretném feldolgozni. Melyik a biztosabb megoldás, ha relével vagy, ha optocstolóval választom le a jelet? Optonál az a gondom, hogy a kimenetén ott marad az 50 Hz brumm egy picit. A relé meg mechanikus és hangos.
Valószínűleg. De biztos csak akkor lesz, ha leméred, vagy megnézed az USB lábkiosztását, és ahhoz viszonyítod, nem ahhoz, hogy milyen színű vezetékkel kötötték össze.
De az USB port 5V 100mA-t (0,5W) ad le, így a pl. 12V 150mA-es, vagyis 1,8 Wattos venti szerintem vagy sehogy, vagy épp hogy forogna. Ha meg akarod tartani a teljesítményt, akkor meg kell adni a neki kellő áramot is, ami nem 150mA, mert az átalakítónak 2,4-szer akkora feszültséget kell előállítani, ami azt jelenti, hogy ahhoz, hogy 12V 100mA jöjjön ki, 5V 240mA kéne kb..
Az opto jobb valasztas. Az AC bemenet felol egy 2k2 ellenallas, es egy 4148 antiparalel a LED-el. A kimenet kollektora 4k7 ellenallassal felhuzva es egy 1u-4u7 elko a gnd-re. Esetleg egy schmitt trigger a biztos kapcsolas miatt, de nem annyira fontos.
Idézet: „Amit meg szeretem volna tudni, hogy ha a shift regiszterében 1es van és a latchben 0 akkor a latch a PL aktiválásával felülírja e azt vagy sem?” Persze hogy felülírja, hiszen így kell működnie. Csak hogy szemléletes legyen; kiszíneztem a kapcsrajz idevonatkozó részét a beírás pillanatának állapota szerint. (piros=1, kék=0) Tehát: A latch FF 0 értéket tárol, azaz Q=0, /Q=1. Mivel a SR beíró jel (/SRLOAD, másnéven /PL) aktív - azaz alacsony - a két NAND kapú kimenetén Q és /Q negáltja jelenik meg. A negált bemenetű NOR kapú egyik bemenete 0, tehát a kimenete a másik bemenetől függetlenül szintén 0 lesz. Az SR FF /S bemenete így 1 (nem aktív), a /R bemenete viszont 0 (aktív). Emiatt az SR FF tartalma törlődik (bármi is volt előzőleg az állapota), tehát Q=0 és /Q=1 lesz. A soros kimenet (Qh) az utolsó FF /Q kimenetének negáltja lesz. A működés tehát teljes mértékben az elvártak szerint alakul. Mégegyszer: ne zavarjanak össze a negált bemenetek és kimenetek!
Igen így valósítottam meg én is, de picit brummos a kimenet. Bár az AVR ettől még szépen dolgozik.
Hali!
SMD kondenzátor polaritására hogyan lehet rájönni? Köszi.
Némi megelőző utána olvasás után úgy tudom, USB porton keresztül 500 mA a max. felvehető áram.
A venti, amit kiválasztottam 190 mA-t igényel, így ha megállja a helyét az infó, akkor a számításaid alapján épp lesz elég kraft a motyónak... nem? A kábeleket mindenképp lecsekkolom majd - köszi, megfogadom a tanácsod - mielőtt bekötném őket. Sose tudni, épp nem egy kínai gányolást kap-e ki az embőr. ![]() Valójában csak az elvre akartam rákérdezni, hogy a polaritások terén van-e valami plusz hókusz-pókusz az alapokon túl: az USB +5 VDC-je megy az "IN+" sarokhoz, a föld pedig az "IN-"-hoz, majd így tovább kifelé és pont. Köszönöm az eddigieket! :worship:
Némi utánaolvasás után én is azt hittem, de a maxot akkor adja le, ha szoftveresen beállítod. Szóval, ha csak rákötsz valamit, és az nem mondja meg neki, hogy igényli az 500-at, akkor nem kapja meg. Persze a max. áram is függ attól, hogy milyen verziójú a port, és lehet, hogy pl. USB 3 már kérés nélkül is lead 500mA-ert, ami nem árt, mert 190*2,4=456mA+a konvertáló sem 100%-os hatásfokú, ezért az is elvon valamennyit. De nem bíznék nagyon abba se, hogy az lead annyit kérés nélkül.
Szia!
Megcsináltam,úgy,ahogy mondtad,megvan a 3V feszültség,de a terhelhetősége 0.. ![]() Ha esetleg megpróbálnám úgy,hogy az R1 1KOhm,és R2 2KOhm?Attól nőhet a terhelhetősége?
Igen, épp most olvasom, hogy csak bizonyos "100 mA-es egységenként" kérhető le az az 500 mA, szal bonyolódik a dolog... de sebaj, lesz mit mazsolázni!
![]() USB 3.0-nál 900 mA a max. áram: hat 150 mA-es egységekből áll össze. Érdekes... |
Bejelentkezés
Hirdetés |













