Fórum témák
» Több friss téma |
- Ez a felület kizárólag, az elektronikában kezdők kérdéseinek van fenntartva és nem elfelejtve, hogy hobbielektronika a fórumunk!
- Ami tehát azt jelenti, hogy a nagymama bevásárlását nem itt beszéljük meg, ill. ez nem üzenőfal! - Kerülendő az olyan kérdés, amit egy másik meglévő (több mint 17000 van), témában kellene kitárgyalni! - És végül büntetés terhe mellett kerülendő az MSN és egyéb szleng, a magyar helyesírás mellőzése, beleértve a mondateleji nagybetűket is!
Mért egy FM adó poloskának számít?
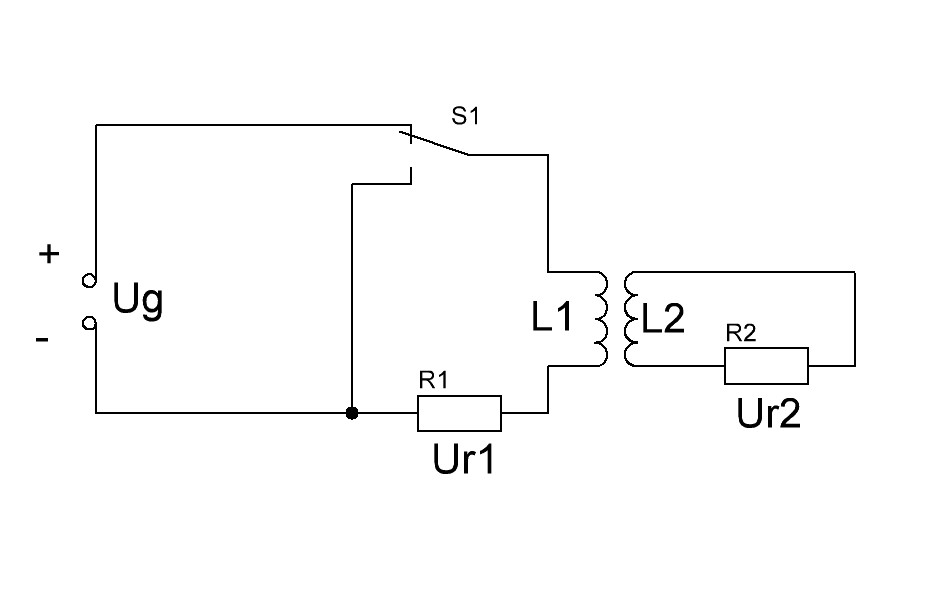
Sziasztok!
Csatoltam két dokumentumot. Az első dokumentumban az van amit már tudok. A második képen az, amit már nem. Csatolt induktivitások esetén nem tudom hogyan fog alakulni a feszültség és az áram az idő függvényében be és kikapcsolás esetén is. Itt most egyenáramról van szó. Valaki tudna ebben segíteni? A segítséget előre is köszönöm. Üdv, mate_x
de ha birtokolom és nem használom erre a célra akkor ez csak egy sima FM adó mint pl egy voki toki
Mivel FM adó így engedélyköteles, és ha zenét sugárzol rajta akkor is megbüntetnek!
értem de ha otthon porosodik azért már nem büntetnek
Ha alkalmas lehallgatásra, akkor is büntetik, ha nem használod. Elég, ha valaki bejelenti, hogy van ilyened. Ha műsort sugárzol vele pláne, még könnyen meg is találják.
Ez az ország a büntetésekből él mivel az ipart lerombolták! Volt olyan hogy egy Kínából rendelt kamerás toll miatt haditechnikai eszközzel való visszaéléssel vádoltak meg egy embert.. Ezektől minden kitelik
Lehet, hogy így látod, egész addíg, míg nem téged érint negatívan a dolog. Szerencsére az ilyen eszközök használatához még a hatóságoknak is bírósági végzés kell, szemben bő 40 évvel ezelőttihez képest.
Sziasztok, azt szeretném kérdezni, hogy a Univwezális nyákon mivel tudok átkötéseket csinálni, honnan tudok ilyen szigeteletlen vezetéket szerezni , olyan kéne mint az alkatrészeknek a lába, olyan 0,8mm.
Köszi!
Az nem jó csak a licitálós oldalak tele vannak ilyen szerkezetekkel azokkal mért nem foglalkoznak?
Szia! Legegyszerűbb ha veszel pár méter fali utp kábelt és azt szeded szét. Bővebben: Link
Hali ! van nekem egy acer aspire 1825ptz nevű notebookom, és szeretném kikötni tv-re viszont amíg a netbookon van hdmi sajnos a tv-n nincs. Az a kérdésem hogy van még a netbookon egy másik csati is amivel a monitorhoz lehetne köti, tehát ha csinálok egy ilyet ? Bővebben: Link
Tehát egy vga-rca kábelt akkor lesz képem tv-n ? előre is köszi, ja és ha ez járható út kkor kellene még nekem egy kapcsolás, vagy egy rajz is, előre is köszi !
Szia! Lehet hogy nem olvastál rendesen vissza én is ellene vagyok az ilyen kütyüknek és én is leírtam, hogy büntetik, és próbáltam volna lebeszélni a használatáról, de lehet nem jól írtam valamit..
Mindenki foglalkozzon a saját problémájával, az úgysem ment fel, hogy más is. A kútbaugrás tipikus esete.
Üdv!
Ezen a rajzon be kell kötni a tápot a diódához vagy nem? Ha igen akkor miért van szaggatott vonallal? Még annyit hogy itt az összes kondi kerámia kondi akar lenni, ugye? Bővebben: Link Előre is köszönöm a segítséget
A szaggatott vonal a panel széle. Ami azon belül van, az a panelen van. A hőérzékelő dióda egy kéteres árnyékolt vezetékkel kapcsolódik a panelre. A diódának a tápot a panelen levő R4 100 kohm ellenállás adja. A 47 nF alattiak biztos kerámiák, a felettiek lehetnek más típusúak is, bár elektrolit jelzést nem látok, az valószínűleg nincs is.
Értem, köszönöm. Akkor a szaggatott vonalon lévő üres karikák csak a kivezetéseket szimbolizálják? Vagyis a csatlakozási pontokat?
Lehet használni. Pl: ha madarakat akarsz hallgatni reggelente. Kiteszed egy olyan helyre ahol nem zavar senkit. Amúgy annak számít ha rejtve van. Onnantól már büntetik is. És ha berakod egy hosszbitóba akkor már nem lehet látni.
Ne tévedj, nem a felhasználási mód számít a törvény szerint, hanem hogy mire alkalmas. Egy géppisztolyt sem tarthatsz magadnál azzal az ürüggyel, hogy csak célra tartasz vele.
Hát akkor eszek szerint egy diktafonért is lehet büntetni. Amit az asztalon hagytam?
Hali ! Senki nem tud nekem segíteni ? akkor máshogy kérdezem ha ez az út nem járható, hogy tudok olyan kábelt/átalakítót készíteni, amivel a netbook képét ki tudom lőni tv-re ? előre is köszi !
Vagy esetleg egy scart vga átalakító jelenthet megoldást ? |
Bejelentkezés
Hirdetés |





