Fórum témák
» Több friss téma |
Ha üresjárásban 42V, akkor még talán jó. Terhelve kéne megnézni, mennyit ad. Úgy jóval 42V alatt lesz.
Megnézem.
Egy kérdés a TL494 el kapcsolatban. A hangfrekit úgy adtam rá hogy: Sorba kötöttem 2db 100n-os kondit (nem volt 47n-os itthon remélem így jó ) A hang egyik fele megy a földre másik fele a kondira és a kondi végem megy a 4-as lábra.A 3-as lábár a nem kell kötni semmit?
Teljesen mindegy hány nF-os kondit raksz a bemenet elé, ennek csak az egyenfeszültség leválasztásában van szerepe. A TL494-et több lábon keresztül is lehet vezérelni. Egyik lehetőség, hogy a 3-as lábra kötöd az előerősített jelet, a másik pedig, hogy használod az IC két beépített műveleti erősítőének valamelyikét. Utóbbi esetben 1-es vagy a 16-os láb lesz a bemenet, a 2-es ill. 15-ös lábra pedig megy a 3-as lábról a visszacsatolás.
Egyáltalán nem mindegy, mekkora a csatolókondi. Ha túl kicsi, nem fogja átvinni a mélyebb hangokat.
Hát srácok... akárhogy küszködök nem akar szólni
![]() Már el sem bírom képzelni mi lehet a baj. Már sokszor szedtem szét, és raktam újra. Ma ott hagytam abba, hogy a trafóm sípolt. nagyon rövid időre mert mindent lekapcsoltam gyorsan. Egyszer pár nappal ezelőtt ívem volt csak zen nem hatotta meg. Most meg semmi. kicserélem ez összes ic-t és FET-et.
Erre valamilyen bekötési rajzot tudnál nekem készíteni?
Jó lehet ez is.
Itt az oldalon is van hozzá bekötési rajz, sőt nyákrajz is. Bővebben: Link
Helló!
Egy ideje gondolkozom azon, hogy építek egy audió modulált tesla tekercset. Bipoláris teslára gondoltam, mert a két pont közötti ív plazmazaja jóval kisebb. A modulációt nem tudtam még kiválasztani. Tehát a kérdésem a következő: Működőképes elgondolás lenne ha bemenő hangot FM modulálnám és ezt az FM jelet még PWM modulálnám? Továbbá mivel ez már úgy 1MHZ max frekit jelentene ide milyen teljesítmény FET-et, vagy egyáltalán FET-et használjak-e? Azért ilyen bonyolult az elgondolásom, mert a tesla egy párhozamos rezgőkör minek szerintem a csúcspontján akkor van a legnagyobb feszültség amikor a tekercs a legnagyobb impedanciát mutatja. Így ha a tesla bemenetét közvetlen PWM jellel hajtom aminek a kapcsolófrekije annyi mint a tesla rezonancia frekije akkor kapcsolófrekin jó szikra lesz a kisebb(hang) és nagyobb frekiken pedig gyenge szikra lesz. FM jellel jó volna a meghajtás, mert a haranggörbe egyik oldalán volna a középfreki és ezt a frekit változtatnám így már jó volna a hangmoduláció, de ez egy folytonos jel ezért nagyon melegednének a kapcsolóelemek, ezért akarom még ezt PWM modulálni.
Motorra szeretnék plazmahangszórót tenni. Kb 40 wattot tudok levenni az akkumulátorról tartósan, ekkora teljesítménynél várhatok normális hangerőt? (Nem baj, ha a menetszél úgyis elnyomja, bulikban, motoros fesztiválokon használnám főleg, ott meg nem számít.).
Hát ez egy rossz ötlet, a plazmahangszóró csak beltérben, légmozgás nélkül képes működni. Ha fújja a szél, onnantól kezdve az csak visítani meg szikrázni fog.
A szélvédelmet még meg is tudnám oldani, azon agyalok leginkább, hogy az érintésvédelmet hogyan lehetne 100%-osra megcsinálni, mert nyilván nem lenne szerencsés, ha menet közben megrázna, esetleg a tank vagy a karbi környékén, a benzinnél szikrázna
Esetleg testeljem a katódját a motor vázára (a motorokon a - az maga a váz), a motort meg földeljem le egy darab lelógó lánccal?
A másik gond, hogy a befektetett energia nagy része a plazma fenntartására fordítódik, így 40W betáppal egy csendes szobában is éppen hogy csak cincogna. Ha menet közben is élvezhető hangerőt akarsz, nagyságrendekkel több teljesítményt kell befektetned.
Tiszteletem!
Már régóta tervezek csinálni egy ilyen plazmahangszórót. UC 3842 IC-vel fogom megcsinálni eszerinti kapcsolás alapján, viszont lenne pár kérdésem: 1.: Mire figyeljek oda? Úgyértem hogy melyik alkatrész melegedik jobban, milyen szigeteléssel érdemes csinálni, ilyesmik 2.: az R2 ellenállás az 470 micsoda? 470 miliOhm? 3.: írták ide a fórumba hogy ugyanennek a kapcsolásnak megvan a NYÁK terve... de én sehol se találom ... ha valaki esetleg ...Válaszokat előre is köszönöm! Egy lelkes amatőr
köszönöm!
Richtig, h pont odáig nem olvastam vissza
Szimpatikus a rajzod. Ennek a kapcsoló fokozata ugya nagyobb tápfeszültséged is elbír? Én olyan 42-55VDC-ben gondolkodom. Úgy állítólag 1,5-2Cm ívet is el lehet vele érni. Kb. 60kV
Üdv!
A csatolmányban szerepló kapcsolási rajzot épitettem meg annyi változással hogy Gu50 et raktam a pl509 helyébe . A tesla tekercsem egy 4.5cm átmérőjű kerámián 1.8 rézdrótból 160 menet. Nem csinál semmit az egész :S Esetleg valaki tudna segiteni hogy mi a probléma?
Üdv!
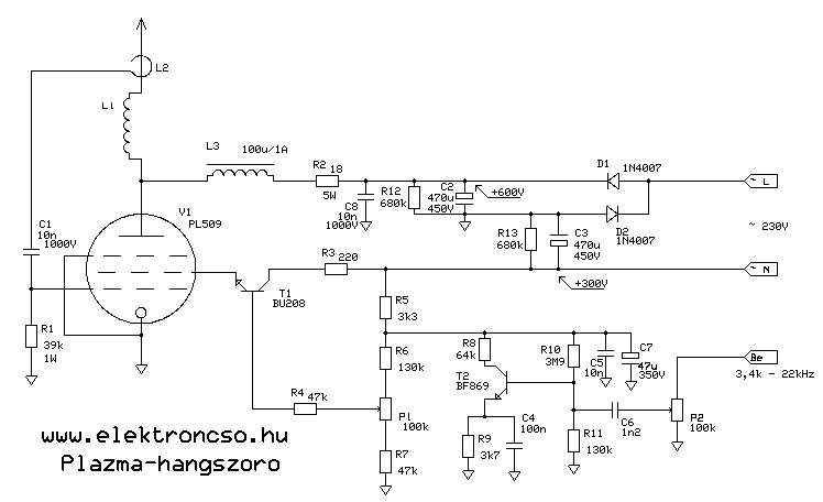
Sajnos abban a rajzban elég nagy hibák vannak, painttal kijavítottam, és csatoltam a helyes kapcsolást. A feszültségsokszorozó teljesen rosszul volt rajzolva, és az audiojel becsatolója is hiányzott a rajzról! A tesla tekercsnek sok az a 160 menet, így túlságosan lecsökken a frekvencia. Szerintem olyan 20 menet körül lesz az optimális, legalábbis nekem így volt a legtutibb GU50-nel. Csak körültekintően a nagyfesszel, és tölts fel képet a kütyüről!
Azt elfelejtettem írni, hogy használj leválasztó trafót a 230v-hoz, mert különben a hálózati fesz megjelenhet az audiobemenetem, ami komoly áramütést okozhat!
Üdv!
Sajnos ezzel a kapcsolással rögtön lever az automata :S többször leellenőriztem és jól raktam össze! :S Sajnos nincs még leválasztó trafom az is baj lehet? Köszönöm!
Helósztok.
Tud valaki olyan plasma hangszóró kapcsolást, ami marha egyszerű, és szépen is szól valamennyire?
A kapcsolással biztos nincs gond, én is sokszor megépítettem már. Ezen a honlapon megtalálható az eredeti kapcsolás, de nem különbözik attól, amit én csatoltam. A védőföldelést bekötötted valahova? Nézd meg hogy az 1n4007-es diódák nem mentek e rövidzárba.
Leválasztó trafó nélkül pedig életveszélyes a készülék!
A hangsúly nem a kapcsoláson van. Szinte minden csak a kivitelezésen múlik. (Jól megválasztott alkatrészek, megfelelő tápegység, a plazmaív helye, stb...)
És te mit tanácsolsz?
fet-eset akarnék összerakni.
A Skori féle kapcsolás nálam működött, bár nem szántam rá elég időt és energiát, hogy rendesen beállítsam.
Üdvözlet mindenkinek!
Collector tőled szeretném megkérdezni, hogy a Vishay-nál hol találom az ingyen példás cuccokat? Ehhez is mint vállalkozó kell beregisztrálni és akkor elérhető, vagy hol találom az oldalon belül és hogy működik ez az ingyen cucc rendelés. A segítséget előre is köszönöm.
Skorinak tesla tekercse van nem? plasma hangszórót nem láttam.
Igazad van. Erre gondoltam. Bővebben: Link
|
Bejelentkezés
Hirdetés |




) A hang egyik fele megy a földre másik fele a kondira és a kondi végem megy a 4-as lábra.







