Fórum témák

» Több friss téma
Fórum » Időrelé
 
Témaindító: steve25, idő: Aug 9, 2012
Témakörök:
Lapozás: OK   1 / 2
(#) steve25 hozzászólása Aug 9, 2012 /
 
Sziasztok.
Időrelé bekötésében szeretnék segitséget kérni, mégpedig hogy létezik-e olyan időrelé amit bekapcsolás után 3 másodpercig adjon jelet egy mágneskapcsolónak. És ismétlődjön minden ki-be kapcsolásnál. utána nincs sükség a relére,
Az időrelének állandóan kell tápfeszültség? Vagy bekapcsolás után indul a beprogramozott idő?
Mellékelek képeket.
Mit lehet tudni erröl a reléröl?
Milyen árammal működik?
Hogy lehet beáálitani 3 másodperces kikapcsolásra?
Köszönöm az épitőjellegü hozzászólásokat!
(#) Ricsi89 válasza steve25 hozzászólására (») Aug 9, 2012 /
 
Szerintem neked az E program kell ,tehát a jobb alsó kapcsolót abba az állásba kell állítanod. Az időt gondolom be tudod állítani. Jobb felső kapcsoló az intervallumot, bal felső az időt állítja. Tápfeszt az A1, A2 jelzésű kapcsokra kell kötni. A kimenet a te esetedben pedig a 15, 16 kapcsok lesznek. Ezek alapból zártak, tehát a mágneskapcsoló egyből be fog húzni, ha tápfeszt kap és ha az időrelén lejár az idő, a benne lévő relé meghúz és kikapcsolja a mágneskapcsolót. Az időrelének áram alatt kell lenni ezután is, mert ha kikapcsolod, a benne lévő relé elejt és ismét behúzna a mágneskapcsoló.
(#) bgsf válasza steve25 hozzászólására (») Aug 9, 2012 /
 
Szia! Ez egy univerzális időrelé, jobb ha letöltöd a kezelési útmutatót. Be lehet állítani arra amire neked kell.
A tápfesz nem kell neki állandóan, elég az A1-B1 sorkapcsot rövidre zárnod és a tápfesz megkapása után azonnal
indul az időzítés.
A1 12-230V AC/DC (+/~) A2 0V....
16-15-18 relé kimenet
26-25-28 relé kimenet
(#) steve25 válasza Ricsi89 hozzászólására (») Aug 9, 2012 /
 
Rendben köszönöm szépen a segitséget.
Az a tervem hogy van egy Villanymotor amit nem szeretnék nyomógombal inditani. helyhez kötött a gép. ugyhogy van kapcsoló szekrény is. Autómatizálni akarom hogy csak a főkapcsolót keljen bekapcsolni Ez egy kompresszor azért kell autómatizálni mert ha eléri a nyomást akkor lekapcsol a motor de ha csökken akkor újra bekapcsol de ha nem nyomom meg a gombot akkor nemtud elindulni a motor és leég. a nyomás kapcsoló egy mágneskapcsolót működtet ami a motort és a relét inditja egyszerre a relé meg egy kissebb mágneskapcsolót vagy relét ami a segédfázist inditja. letellik a 3 másodperc mert ezidő alatt eléri a fordulatot, és utána lekapcsol
(#) steve25 válasza bgsf hozzászólására (») Aug 9, 2012 /
 
Honnan tölthetem le a útmutatót?
(#) steve25 válasza bgsf hozzászólására (») Aug 9, 2012 /
 
Ha nem zárom rövidre a A1-B1 et akkor csak megadom neki a feszültséget A1-A2 re akkor nem csinál semmit?
Az mire való pl ha folyamatosan kapja a feszültséget és egy nyomógombal mindig újra indul a program?
(#) Ricsi89 válasza steve25 hozzászólására (») Aug 9, 2012 /
 
(#) Ricsi89 válasza steve25 hozzászólására (») Aug 9, 2012 /
 
Értem. Tehát akkor vagy egy 1 fázisú motor, indító kondenzátorral. A motort a nyomáskapcsoló kapcsolja ki-be és neked az indítókondenzátort kell az időrelével kapcsolni. Gondolom a motort egy mágneskapcsolón keresztül kapcsolja a nyomáskapcsoló. Ez esetben az időrelé tápját a mágneskapcsoló után, a motor főtekercséről kell levenni, hogy akkor induljon, amikor a motor megkapja a tápfeszt. Ilyenkor elindul az időrelé is és a kondi is rá lesz kötve, a motor felpörög, lejár az idő és a relé lekapcsolja a kondit.
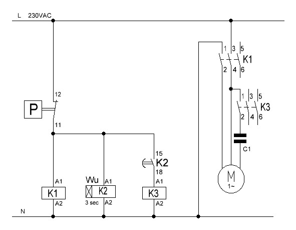
(#) elektroton válasza steve25 hozzászólására (») Aug 10, 2012 /
 
Én így kötném be "Wu" üzemmódban.

Idorele.JPG
    
(#) steve25 válasza Ricsi89 hozzászólására (») Aug 10, 2012 /
 
Egyszerre csak egy idő parancsot tud elvégezni ugye?
(#) steve25 válasza elektroton hozzászólására (») Aug 10, 2012 /
 
Na énis ilyenre gondoltam.
Igazábol egyszerübb lenne egy inditórelét bele rakni de két éven belül már a második relét cseréltem és közel 5000ft volt darabja elolvadt és kilágyult a rugó. egy IMI 1500W 2920fordulatu motor ol van szó. és megvan minden azért gondoltam hogy bekötöm az időrelé segitségével. Remélem tartósabb lesz. :smoke:
(#) proba válasza steve25 hozzászólására (») Aug 10, 2012 /
 
Ha időrelével csinálod akkor is kell mágneskapcsoló,ha indító relével csinálod akkor is rakhatsz bele mágneskapcsolót,így nem olvad szét az indító reléd.
(#) elektroton válasza steve25 hozzászólására (») Aug 11, 2012 /
 
Ritkán van dolgom indítórelés motorral de nekem sincs jó véleményem róla. Nem tartós dolog, könnyen meghibásodik.
(#) konam válasza steve25 hozzászólására (») Aug 13, 2012 /
 
Szia, ha nem jön össze tudok másik idő relét adni aminek sokkal egyszerűbb a beállítása.
(#) steve25 válasza konam hozzászólására (») Aug 13, 2012 /
 
Működik ez. köszi
(#) kaqkk válasza elektroton hozzászólására (») Aug 13, 2012 /
 
A hűtőgépekben is indító relé dolgozik. (Áram relé)
"Nem tartós dolog, könnyen meghibásodik."
(#) konam válasza kaqkk hozzászólására (») Aug 24, 2012 /
 
Sziasztok, ha valakinek kell hűtőgép indító relé nekem van 3db. új.
(#) atopapo hozzászólása Aug 25, 2012 /
 
Sziasztok!
Segítségetek szeretném kérni az ANLY H5CLR-11 100-240V 50/60HZ típusú digitális időrelé bekötésével kapcsolatban.Sajnos sehol nem találtam meg hogy a külső START és RESET csak sima záró kontakt,vagy ha feszültségbemenet az milyen értéken működik. GOOGLE-ben már néztem sehol semmi........
Ha valaki tud legyenszíves segítsen.
Előre is köszönöm!
Tisztelettel:Atopapo
(#) Marko Ramiusz válasza atopapo hozzászólására (») Aug 25, 2012 /
 
Szia,atopapo! Szerintem elég egyértelműen kiderül a rajzból (hiszen ezért van) még, ha nincsen erősáramú (de gondolom van) tapasztalatod. Az 5-ös az indító, a 7-es a leállító bemenet. Általában ipari környezetben 24V-ot kell rákötni, ez általános, de az adatlapból kiderül (nem néztem részletesen). Szóval ennek ismeretében igenis kiderül a feszültségszint. Milyen feszültséget szeretnél ráadni, ha a 6-oson amúgy is ott van ez. Egyébként nem derül ki a hozzászólásodból, hogy tulajdonképpen mi is a kérdésed. Üdv.: Yoe
(#) atopapo válasza Marko Ramiusz hozzászólására (») Aug 25, 2012 /
 
Szia!Köszi a hozzászólásod.
Sajna a rajzból nem derül ki,ezért kérdeztem.
Ja és 24v ráadásával sem működik!
Egyébként a masina vadi új,úgyhogy kicsi a valószínüsége hogy rossz lenne.
Azért érdeklődtem itt,hátha valakinek van konkrét tapasztalata az ANLY időrelékkel kapcsolatban........
Mert mivel 240v -os típus,lehet hogy 240v-os a bemenete is,de a próbához egy kicsit drága 16000ft.......
Mégegyszer köszi a hozzászólást,kérdezősködj légyszi a környezetedben is ,hátha............

Ja,van némi tapasztalatom e téren,de ez megfogott......
Jó pap holtig tanul.......
(#) elektroton válasza atopapo hozzászólására (») Aug 25, 2012 /
 
Az öt bekötési ábra közül ha jól gondolom a középső a Tied. A vezérlése az 5, 6, 7 pontokon történik. A "Start" "Reset" kockák valójában egy egy külső érintkező. Tehát a 6-5 pontok zárásával az időzítés elindul, 6-7 zárásával leáll, törlődik. Nem külső feszültség vezéreltek! A 8, 9, 11 pontok a belső relé érintkezőit ábrázolják. Az 1, 3, 4 pontok szerintem szintén belső relé érintkezők melyek funkciója a készüléken kiválasztható.
(#) atopapo válasza elektroton hozzászólására (») Aug 31, 2012 /
 
Sziasztok!
Köszönöm a hozzászólásokat,a hiba időközben meglett,a relén belül egy hidegforrasz okozta a galibát.Egyébként a relé rövidzárral indul,mintahogy ELEKTRON irta.
Mégegyszer köszönöm!
Üdv:atopapo
(#) steve25 hozzászólása Okt 29, 2012 /
 
Sziasztok!
Épitettem egy úmformert
http://www.youtube.com/watch?v=yR-mQ5iWuWs
Teljesen automatizálni akarom időrelé segitségével. igazábol már megis valósitottam csak olyan gondom van vele, a bekötést úgy csináltam meg
Kapcsoló . ha bekapcsolóm a kapcsolót egyböl kapja az áramot a motor az időrelé és egy kontroll lámpa, az időrelé kb 2mp húz kapcsolás után az időrelé egy 4 pólusu mágneskapcsolót működtet van rajta 4 záró érintkező és egy nyitó (természetesen árammentesen 3 nyitva 1pedig zárva van!)
a záró érinkezőre van bekötve az inditó kondenzátor, és a nyitó érintkezőre pedig egy külön mágneskapcsoló ami indulás pillanatában nyitva van és amint letelik a 2mp időrelé elenged. vele egyböl eleged a 4polusu mágneskapcsoló is( megszakitva a segédfézist) és záródik a nagy mágneskapcsoló, ez olyan gyorsan történik hogy főkapcsoló be, motor elindul egyböl 2mp elenged a segédfézis és a nagy mágnes kapcsolón keresztül jön a háromfázis De ha terheléssel inditom akkor kiesik a szinkronbol a motor és leál. mert olyan gyorsan történik hogy még a motor kapta a segédfázist gondolom ezért, , Ugye?
lehet hogy érthetetlen egy kicsit a magyarázat. kacsolási rajz nincs, valószinű hogy egy másik időrelét is be kell szerezzek. ami a fő mágneskapcsolót kapcsolja mondjuk 3mp után, akkor nincs gond. mikor még manuálisan kapcsoltam,
(#) gazsee hozzászólása Jan 14, 2014 /
 
Sziasztok!
Adott a következő időrelé:
http://www.id1.hu/shop/index.php?center=uj_termek&term_id=17043...=argep
Észrevettem, hogy az Y1 vezérlő bemenet mind nulla, mind fázis jelre kapcsol, és csak ha nincs sehova kötve, azt veszi logikai nullának. Általában ez a normális működése az ilyen időreléknek? Van valami egyszerű ötletetek, hogyan használhatnám ezt az időrelét úgy, hogy adott egy olyan vezérlőjel, ami vagy nulla, vagy fázis potenciálú, és én a fázis szintet szeretném logikai 1-nek tekinteni, a nullát pedig logikai nullának? Amire én gondoltam, hogy még egy 230 voltos relét is beépítek, de ezt túl bonyolultnak gondolom, valami egyszerűbb nincs?
Köszönöm a válaszokat!
(#) nem hozzászólása Nov 18, 2014 /
 
Sziasztok!

Szeretnék építeni egy olyan áramkört, ami gombnyomástól számítva néhány 10 percig hálózati feszültséggel lát el egy aljzatot, majd kikapcsol. Csináltam is egy rajzot. Mi a meglátásotok? Jó az elképzelés? Az értékeket (R1, C1) nem számoltam ki, először maga az elv-beli helyesség érdekelne. A "bolti" árnak (kb. 10-15k Ft) szerintem tizedéből össze lehet hozni, ha ez így helyes. Még attól tartok, hogy a kondi és/vagy a FET szivárgási árama miatt nem lehet majd túl hosszú időzítési intervallumot beállítani, de ezt még szintén számolásra (és próbára) vár.

Ádám

trly.JPG
    
(#) kzozo válasza nem hozzászólására (») Nov 18, 2014 / 1
 
Egy Finder 80.01 időrelé csak 6000Ft, és amit akarsz, annál sokkal többet tud. Ha a Te elgondolásodnál maradsz, mire befejezed lehet többre jön ki.
(#) scooby_ válasza nem hozzászólására (») Nov 18, 2014 / 1
 
Időzítőket ITT találsz. Attól függ, mit szeretné róla működtetni...
(#) nem hozzászólása Nov 18, 2014 /
 
Oké, belátom, nem érdemes neki esni... de amúgy szerintetek működne az áramkör? Vagy van valami nagyon szembetűnő hibája?
(#) elektroton válasza nem hozzászólására (») Nov 18, 2014 /
 
Ilyen kondenzátor töltés elvű időzítést nem csinálnák több tíz perces időkre. Ekkor már számláló elvű időzítőt kell építeni. Erre találták ki a CD4541 IC-t.
(#) matek hozzászólása Okt 6, 2015 /
 
Sziasztok! Van egy, azaz több régi TESCH D46X1 időrelém. A problémám velük, hogy alapból amikor megkapják a tápot (hálózati 230V) akkor a beállított idő letelte után meghúz a beépített relé.
Én pedig azt szeretném, hogy rögtön húzzon meg, és a beállított idő letelte után ejtsen el a relé.
Lerajzoltam az elektronika kapcsolási rajzát, elsőre nem túl bonyolult. Picit át kellene variálni, hogy úgy működjön, ahogy azt én szeretném, segítenétek? Köszönöm
Következő: »»   1 / 2
Bejelentkezés

Belépés

Hirdetés
XDT.hu
Az oldalon sütiket használunk a helyes működéshez. Bővebb információt az adatvédelmi szabályzatban olvashatsz. Megértettem