Fórum témák
» Több friss téma |
Fórum » Subwoofer szűrő
Véleményen szerint könnyen lehet amit Alkotó kolléga írt, hogy nagyon lecsillapodik a jel. Ugyanis a laptopok kimenőjele nem túl erős. Ha tudod, próbáld meg asztali gép hangkártyájával is!
Valahol egy soros ellenállat van a jel útjában. A laptop kimenet egy kisebb hangszórót is képes meghajtani, nemhogy egy 1k ellenállást.
A szűrő vége milyen értékű potira megy, ha az 10k alatti az is lehet gond.
Nemtudom, hogy milyen értékú. Az erősítők egy dvd lejátszó házában vannak abban voltak mikrofon csatik és azoknak a potijára van kötve ajel, de megmérem gyorsan.
Ő... 10K potik vannak benne...
Renben, ha kell hozzá igazítom a szűrőt.
Csaknem vagyok ennyire béna, de ellenőriznéd, hogy jól vettem-e ki a rajzból? A fekete drót a be a szürke a ki a végfok felé.
Tudom tré az összekötés, de próbára így is létrejön az alkatrészek között a kapcsolat
10K a poti és őő az 1,8K helyett 2,2K volt a legközelebbi amit találtam. A kondik 100nanósak és a másik két ellenállás a rajzban szereplő érték.
Megrajzoltam így is Tina-ban, sokat esik a jel, de a vágás ugyan úgy létre kell jöjjön.
Próbáld ki, hogy csak a 3,3k és 1x100n szűrjön.
Egy pillanat. Na az már adott valami eredményt
TAlán így fülre nem ejt a hangon és eltüntek a magasak egy része
Tisztázatlan a laptop felől érkező jel milyen impedanciájú, ezért csak a 100nF lépésenként való növelését tudom javasolni.
Gondolom a laptop adatainak a megadásával nem leszünk közelebb... De már ez is valami., Majd holnap eljátszadozok a kondikkal. Köszi a segítséget.
Sziasztok!
Egy aktív subwoofer szűrőt szeretnék építeni. A főoldalon fellelhető szűrővel sajnos nekem nem voltak jó tapasztalataim, valamint nekem nem szükséges az állítási lehetőség. Egy adott frekvencián kéne vágni. 150Hz ideális lenne. A mellékletben csatolok egy rajzot, szeretném megkérdezni hogy mi a véleményetek róla. Előre is köszönöm. Üdv. B
Szia! A frekvencia ésszerű választás. A segédlet jó. A képlet: f=1/(2*Pí*1,41*C*R)
Ez kétszer meredekebb vágású mint ami Topi cikkében van, egyébként ugyan az. Subwoofernél elégnek tartom a 12dB/oktávot. A Topi-félével mi volt a gondod? A szerint adnék tanácsot.
Szia!
Akkor azt mondod hogy jó az általam csatolt rajz ? A Topi féle rajzzal csak az a gondom, hogy számomra fölösleges funkciók vannak benne. Ilyen pl a frekvencia állítás. Egy egyszerű rajz kéne, ami egy adott frekvencián vág, és nincs kecmec ![]() Esetleg eszembe jutott még ez is:http://sound.westhost.com/project09.htm Ha ezen le tudom vinni a keresztezési frekvenciát akkor ez is nagyon jó lenne nekem. (sőt) Előre is köszi. B A hozzászólás módosítva: Szept 6, 2012
Építs Elliott rajza alapján egy fokozatot. Köss elé egy műveleti erősítőt meghajtónak.
http://www.free-circuit.com/wp-content/uploads/2009/07/Subwoofer-Fi...it.gif A linkben 240Hz-es szűrő van, R3, R4-et cseréld 7,5k-ra. A 741 helyett természetes használj dual műveleti erősítőt. A TL072-t ajánlom.
Szia!
Végül arra jutottam, hogy a mellékletben csatolt crossovert fogom megcsinálni. Ez az ESP oldalon fellelhető rajz másolata. Elvileg ez 310Hz-en van a keresztezési frekvencia. Szerinted érdemes módosítani a rajzot hogy 150Hz-en legyen a keresztezés, vagy hagyjam így ? Előre is köszi. Üdv. B A hozzászólás módosítva: Szept 7, 2012
Szia! Eldöntendő, hogy subszűrőt, vagy crossovert szeretnél készíteni. A crossover-nél indokolt a meredek vágás és a fázismenet kordában tartása.
A vágási/keresztezési frekvencia a hangszórókon és kívánt hatás elérésén múlik. Írj pár sort az elképzelésedről.
Szia!
Van két SUB-om ami a BOSE 502 B tervei alapján készült, és Eminence Kappa hangszóró van bennük.http://worldwide.bose.com/pro/en/web/panaray_502b_loudspeaker/page.html Ezeket hajtaná egy végfok. Ezen kívül van még 2 széles sávú hangsugárzóm, amiben a: mély:EV S122 magas: Eminence És plusz még van egy piezzó ami csak a legfelső magas tartományt adja. Ezt hajtaná még egy végfok. És ez elé gondoltam berakni a korábban linkelt crossovert. Természetesen ezeket hangosítási célra használnám. Előre is köszönöm. B ui.: Ha gondolod, innentől átmehetünk valamelyik crossoveres témába.
Egyértelműen crossovert ajánlok. Ha átfedés lenne a mély hangok lesugárzásában abból nagy valószínűséggel kioltás is keletkezne.
Keresztezési frekvenciának 120Hz-et javasolok, azt könnyedén teljesíti mindkét hangsugárzó. A kerek alkatrészértékek miatt legyen a frekvencia inkább 113Hz ![]() A szűrő ellenállásai 10k, (10k+10k); kondenzátorai 100nF, (100nF+100nF) legyenek. A dupla értékek helye remélem beazonosítható. Ezt a témát figyelésre jelöltem: http://www.hobbielektronika.hu/forum/topic_633.html A hozzászólás módosítva: Szept 7, 2012
Üdv!
Laptopomhoz tákolnék a meglévő hangcucchoz erősítőt, 2 kérdésem lenne. Hogy oldjam meg a sztereó kimenet monosítását és légyszíves ajánljatok egy alul-felül állítható sávszűrőt? 2.1 rendszert szeretnék, csinálni a szatellitekhez már megvan a 2x20W D osztályú kocka, emellé kéne egy szűrő,( nem kifejezetten sub, nem túl szélessávúak a szatellitjeim) amire már csak egy erősítőt IC-t kell kötni és lehet is zajongani.
Szia! Ebben van alul, felül vágó szűrő. Nem tudom, ilyenre gondoltál?
Igen, az opampot cserélhetem hasonló vagy jobb minőségűre, single supplyra?
2.1-es rendszerhez szerintem felesleges bármilyen szűrőt csinálni. A sztereó végfok adott, a harmadikat pedig egy ellenállásos összegző után simán bekötöd, a visszacsatolásában pedig egy kondival beállítod a kívánt átvitelt (csökkented a sávszélességét). Így mondjuk csak 6dB/oktáv meredeksége lesz, de nem kell elé semmilyen plusz fokozat.
Üdv az Uraknak!
Topi féle szubszűrő layout-ja nincs meg valakinek? Jó pdf is, ami tükrözve van, és 1:1 méretű. Vasaláshoz kellne. Előre is köszi A hozzászólás módosítva: Okt 17, 2012
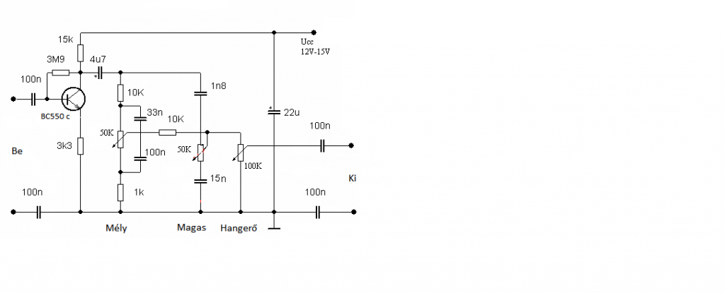
Sziasztok! Ez a kapcsolás működhet subwoofer szűrőként?
Sajna volt megépítve 2 Aktív szűrőm, de nem találom őket, és most kéne...
Az előbbi rajzodnál lemaradt ugye a 100nF a lepke típusú hangszínszabályzóról, azért volt használhatatlan. Bővebben: Link
Így szűrhetsz kedvedre, az értékek módosításával.
Hello!Nekem szükségem lenne egy szubszűrőre ami 120Hz-en szűr.Annyi lenne a kérésem hogy nekem aktív kellene.ÉS olyan 300W-körülit ha lehetséges.
Köszönöm. |
Bejelentkezés
Hirdetés |














