Fórum témák
» Több friss téma |
Akkor királyság van. Annyi lenne a feladatod az én szemszögemből, hogy egy olyan kimenetet varázsolj a bontóra, hogy egy LED et megvillantson minden egyes impulzus. Azzal a LED-del sorbakötünk egy optocsatolót (4n25) és rátesszük a párhuzamos portra. (van a gépeden?) Írok rá egy számláló progit és imádkozunk, hogy elég gyors legyen a WIN alatt is. Nem lesz bonyolult, kell hozzá, balta, fűrész, kalapács...
Kíváncsiságból letöltöttem a Zeitnitz féle PC Scope -ot.
Bár van egy öreg Tektronixom, ami eddig sok mindenre megfelelt, lehet, hogy hamarosan ezt is beüzemelem. Egy csoda.!!! 10 sec eltérítési idő is választható. Ha elég nagy ellenállásokból készül az osztód, talán még esést sem látsz az 54 ms-os impulzusaid tetején. Meg lehet állítani, el lehet tárolni a képet. Innentől kezdve egy-egy mérést közzétenni gyerekjáték lesz.
Egyre jobban bizgat ez a dolog!Ha időd (és kedved)van küldhetnél kapcsi rajzot meg alkatrész listát.Van kb 20kg bontott cuccom,túrnék valamit.
Mondom én,hogy van Isten!Holnap hajnalban nekiugrok kimenetet varázsolni,-a fűrész,baltát még ma megélezem-jó lesz-e piros LED?Párhuzamos port biztos van(elég drága volt a gép)meg az Asszony is port(ás).
én PC-n utoljára quickbasic-ben fejlesztettem
(vagyis nekem nem könyebb), de erőforrásból tényleg sokkal több áll rendelkezésre. de ha van LPT, akkor az avr-hez nem kell külön égető
ok. ha lesz időm, akkor estére összedobok egy kapcsolást. ha nem, akkor holnap
Nem tudom ki átkozott meg,de apadjon el a teje a tehenének!Órákat kínlódtam a PC Skope letöltésével,de nem sikerült.Eltudnád küldeni valahogyan?Vagy valami.Köszi!
Szia! Ennek menni kell, mint meleg késnek a vajban.
27,8 MB tömörítvbe. Mikor írtam, nekem nem egészen 1 perc alatt lejött.
![]() A linkre bejövő oldal felső részén Idézet: .„"Die aktuelle Version runterladen: scope V1.40"” Ha nem sikerül, küldöm óriás emailben. A hozzászólás módosítva: Okt 4, 2012
Az a helyzet,hogy nekem is lejött,de nem tudom elindítani.A gépem ilyen-olyan indokokra hivatkozva(nem kompatibilis,hiányzik ez,vagy az)elküld a *.Légy szi' küld el Emailben.Nagyon várom.
Köszi' * Hello! A hozzászólás módosítva: Okt 5, 2012
nagyjából így gondoltam.
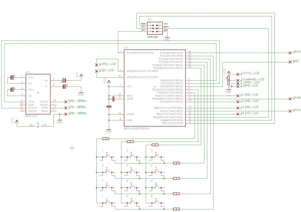
ebbe mindent összegyúrtam, a felesleges részek kihagyhatóak. pl. ha nincs szükség direkt kommunikációra az avr és pc között (vagy nincs soros port a pc-ben), akkor a max232 a körítéssel elhagyható, stb. az lcd bekötése olyan lcd modult feltételez, amely párhuzamos 4-bites kommunikációt tud (pl. a hestore-ban RC-1602-B néven futó lcd, vagy hasonló, azaz HD44780 kompatibilis vezérlős). - az ADC0 láb A/D converter (pl. shunt mérésre) - az INT0 hardveres interrupt (pl. impulzus számláló. viszont ha a pwm-et is ő csinálja, akkor ezen funkció nem szükséges) - OC0A és OC1A a timer0 és timer1 kivezetése (előbbi 8, utóbbi 16 bites - a clock-tól függően kell eldönteni, melyiket használjuk). ezzel lehetne előállítani a pwm jelet. ha a pc-ben van párhuzamos port, akkor nincs szükség külön égetőre, a megfelelő lábakat össze kell kötni, és lehet programozni.
Királyság van,de nem is akármilyen!erbe kolléga jóvoltából tulajdonosává váltam egy valóban csoda szkópnak,amitől leesett az állam.Ez mindent tud!!!!!Így aztán a vele való mérés a legegyszerűbb,-mostmár nincs szükség az optocsatolós impulzus számlálásra.Mind emellett nagyon köszönöm a segítő készségedet és a fáradozásodat.Talán lesz alkalom,hogy viszonozhatom.
|
Bejelentkezés
Hirdetés |




(vagyis nekem nem könyebb), de erőforrásból tényleg sokkal több áll rendelkezésre. de ha van LPT, akkor az avr-hez nem kell külön égető







