Fórum témák
» Több friss téma |
LOMEX. Annyi van nekik non-zero- cross-os, hogy el is adnak belőle.
Akárhogyis nézem az adatlapot a MOC3020 is jó kell hogy legyen, mert nincs benne zero-cross elektronika. Szkóppal kéne megnézni a kimenetet, és akkor rögtön kiderülne a hiba.
Ez igaz és köszönjük az észrevételt! Például a MOC3080-as sorozat nullátmenetes. Ezek szerint a HEStore-os kiírás nem jó.
Szerbusztok!
Lehetségesnek tartom, hogy nem nullátmenet érzékelős a meghajtó, ugyanis begyújt, csak nem minden periódusban, mert az izzó vibrál. A nullátmenet érzékelős meghajtónak meg nem kellene begyújtania a tirisztort (triakot), csak a következő nullátmenetkor. Lehetséges, hogy a 60w-os izzó nem tudja fenntartani a triak tartóáramát? 300mA körüli áramfelvétel bekapcsolva kéne tudjon tartani egy 16 amperes félvezetőt? Ha lenne szkópom már rég megnéztem volna. Értem én, hogy máshol kapható, de a hestoreból rendeltem meg az összes hozzávalót, ingyér' kihozták, stb. A hozzászólás módosítva: Okt 7, 2012
Biztosan fenn tudja tartani a triak tartóáramát, mert az messze 300 mA alatt van. Inkább a PIC vezérlésével vagy programjával van baj.
Marad a szoftveres debug.
Javasolnék egy nagyon egyszerű szoftvert, megpróbálom érthetően leírni. Kell egy INT megszakítás függvény és egy timer aminek be lehet állítani, hogy hol legyen megszakítása.
Fokozatosan növeld a timer komparálás értékét, minél nagyobb a értéke, annál kisebb a kimeneti teljesítmény. A kimenet pedig egy láb, amire rá van kötve az optotriak. A hozzászólás módosítva: Okt 7, 2012
Egyet értek. Én AVR-rel vezéreltem MOC3020-at és teljesen jól működött. Valamilyen szoftveres hiba lesz.
Egész véletlen nem az a probléma, hogy nullátmenet érzékelésekor gyújtod be a triakot? Mert annak idején nálam ez volt a probléma! Akkor valóban villogott és elsőre érthetetlen dolgokat csinált.
Szerbusztok!
Köszönöm az észrevételeket. Alant található az interrupt rutinom. A pickit2 logic tool-jával kimértem, hogy a gyújtójelek létrejönnek, sőt, 150° feletti gyújtáskésleltetés esetén működőképes a dolog. 150° alatt viszont megbolondul. (a gyújtást viszont adná a pic) Próbáltam már úgy is, hogy a gyújtójelet rajta hagyom a félperiódus végéig, illetve a mellékelt rövidebb gyújtóimpulzussal is. Eredmény ugyanaz.
Helló szóval nekem van itthon vagy 5 darab MOC3020 optotriac. LPT portról akarnák vezérelni 3 darab 220V 100w os égőket. Nos mivel nincs itthon tirisztor, közelbe nincs elektronikai szaküzlet, kitaláltam hogy 12V os relével kapcsolnám az égőket, a MOC 3020 al kapcsolnám a 12v os táp trafószekunderét.
Nos ez hogy valósítható meg minél kevesebb diódával?
Legegyszerűbben sehogy .... Az moc nem relé meghajtó ..
relé meghajtásra az uln 2003 való A hozzászólás módosítva: Okt 17, 2012
De én relével akarom kapcsolni az égőt és az a kérdés hogy ha a triaccal kapcsolnám a 12vos relé trafóját akkor milyen megoldást tudtok hogy minél kevesebb dióda kelljen.
" akkor milyen megoldást tudtok hogy minél kevesebb dióda kelljen." Ez mit jelent ?
Lehet a reléket tranzisztorral meghajtani , és lehet uln relémeghajtóval (ez egy ic tokos cucc ,és semmi más nem kell) csak ő és a relék ....
Pl egy ilyen egyszerű egyenirányítás megfelel? Bocsánat a gyors rajzért
Mint írták a moc nem relé meghajtó!
Arra elég egy tranyó + védődiőda páros is.
De én félek hogy tönkremegy az alaplap
azért kéne opto
Nem értem miért bonyolítjátok az életet : egy db uln2003 7db relét tud kapcsolni filléres áron minimális munkával ..
Az a gondom hogy csak postán tudok rendelni, én meg bontásbol akarok építkezni és csak MOC3020 van itthon nem optotranyó hanem ez optotriák (csak váltót kapcsol).
sziasztok !
azért hozom fel ezt a régi témát, mert arra a kérdésre, hogy „Számít hogy hol a kapcsolásban a fázis ?” engem is érdekelne a válasz, és persze az világos, hogy a kapcsoló elemnek a fázist kell(ene) kapcsolnia biztonsági okokból, de ez nem válaszolja meg az eredeti kérdést. Az a gondom, hogy pl. az optotriakok adatlapjain lévő referencia-kapcsolások, és egyéb, a neten fellelhető triakos kapcsolások szinte mind megjelölik a rajzon a hálózati fesz. "live" és "neutral" pontját, pedig ez nem is olyan triviális ha az áramkör nem fix csatlakozású, hanem EU villásdugós lesz. Az angolszász villásdugók ha jól tudom, rögzítik, melyik érintkező az L és melyik az N, tehát ők könnyen megtehetik, hogy a kapcsoláson is rögzítik ezt. Szerintem a valódi kérdés az, hogy egy EU villásdugós esetben, azaz amikor nem tudhatod előre, melyik lesz a fázis és melyik a nulla, azok a kapcsolások, melyeknél ez rögzítve van, működnek-e, egy az egyben átvehetők-e ? Bocs, lehet hogy nagyon kívülálló a kérdés, de engem ez igenis zavar. Minden választ előre is köszönök.
Szia!
Nem számít ennek, hogy fázison, vagy nullán van, működik. A hozzászólás módosítva: Ápr 5, 2013
Hello! A MOC nem a nullátmenetet vezérli, hanem van benne egy áramkör, ami érzékeli a nullátmenetet. Ezért csak akkor gyújtja a triac-kot, mikor a hálózati feszültség a nullpont közelében van. Tehát, ha a hálózati feszültség pillanatnyi értéke már túllépett egy szintet, ez után már nem engedi gyújtani a triac-ot, csak a következő félperiódus elején. Így a triac csak a nullpontok közelében gyújt. Kioltani meg egyébként is csak akkor tud, ha anódárama megszűnik. A kioltás is így ott jön létre . üdv!
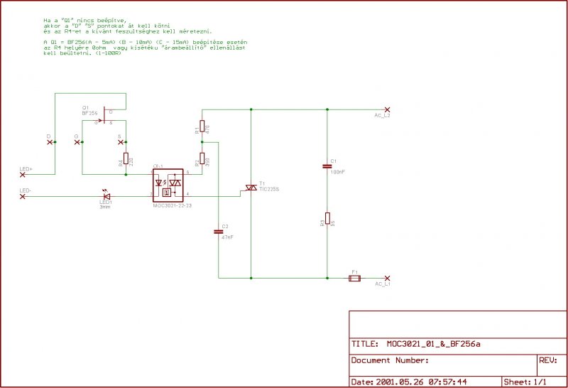
Sziasztok!
Szeretnék kisfeszültségű jellel transzformátort ki-be kapcsolgatni,amit egy mikrovezérlő adna. Az áramkört megépítettem,a mikrovezérlő kimenete egy MOC3041-et kapcsol,ami pedig egy BTA12 triac-kal végezné a kapcsolgatást. A kapcsolás az adatlapon ajánlott,az ellenállás értékek térnek el egy picit az ideálistól. (Ilyet sikerült beszereznem) A jelenség : A transzformátort bekötve,bekapcsolás után búg (kb 600 W torroid) ,a hálózatra direktbe bekötve pedig teljesen csendben van. A szekunder feszültségek kismértékben eltérnek a két bekötési állapotnál. Az ellenállások eltérései okozhatnak ilyen problémát? Csatolok képet a megépített áramkörről,valamint a kapcsolásról is. Köszönöm szépen! A hozzászólás módosítva: Jan 4, 2014
Szia!
A 390 ohm-os ellenállás nem jó a 39 ohm-os helyett. A kommutáció miatt fontos ez az R-C tag. A kondenzátor mekkora kapacitású?
Szia! Tudomásom szerint ez a kapcsolás elsősorban OHM -os fogyasztók kapcsolására jó.
Induktív fogyasztó kapcsolására másik áramkör:_Link_ kell. MOC3041-el is működni fog. Ezt az áramkört már teszteltem MOC3041-el és nem volt vele gond. Kép-SCH-:_Link_. Kép-BRD- :_Link_. Igaz nem 600V-os toroiddal... Érdemes az adatlapban ajánlott LED nyitóáramot alkalmazni. "Forward Voltage (IF = 30 mA) 1.3V - 1.5V" Kicsi LED áram szintén okozhat gyenge gyújtást. Először ezt kellene ellenőrizni. Még egy apró észrevétel! Az nagyon dicséretes, hogy a MOC3041 alatt kimartad a nyákot, de a kimarás körül ott maradt egy réz vezetősáv. FELTÉTLEN távolítsd el a nyákról. Mert ha ott marad az rosszabb mint ha ki sem martad volna! A hozzászólás módosítva: Jan 4, 2014
A kondenzátor a rajzon megadott érték. (100 nF)
A növelt ellenállást a csillagozott rész miatt raktam be,gondoltam,hogy ez nagy induktív terhelés. (itt is 390 ohm a 360 ohm helyett.) A rézréteget feltétlenül eltávolítom,köszönöm az észrevételt. Bár ezek szerint,lehet,hogy új nyák is kelleni fog...nem tudom,hogy át lehet-e alakítani esztétikusan a jelenlegi kapcsolást
Üdv!
Lehet, hogy butaságot kérdezek, de meg lehet építeni egy fényerő szabályzót optotriak-al és triak-al?
A 0,01 µF csak 10nF és én úgy értelmeztem, hogy a kisebb ellenállás a nagyon induktív fogyasztó esetén használandó.
|
Bejelentkezés
Hirdetés |






azért kéne opto 








