Fórum témák
» Több friss téma |
Fórum » Kapcsolóüzemű tápegység
Témaindító: Rendszer, idő: Feb 18, 2006
Témakörök:
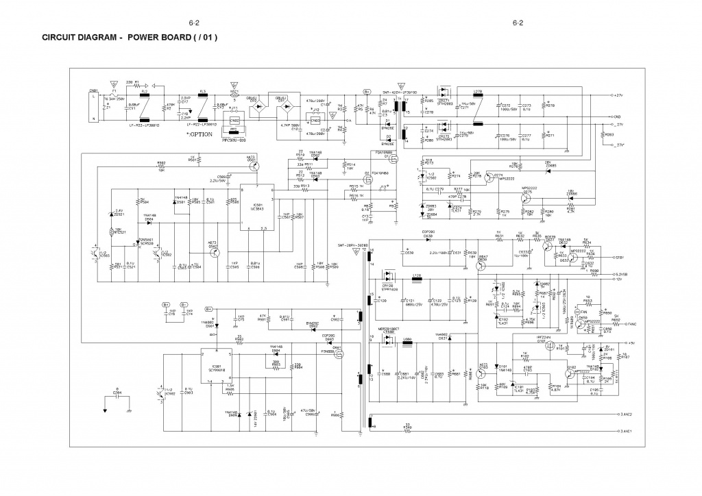
Üdv! Ismét elővettem a tesómék 1,5 éve villámkárt szenvedett házimozi erősítőjét. 1 évig egy "TV szerelőnél" dekkolt, aki jól nem csinálta meg. Az áldozat egy Philips LX 600. A tápon látható sérüléseket a következő alkatrészek szenvedték: IC901 ZD901 R903 D904 Q901.
Az IC típusa SCY99018 Ilyen IC-t nem találtam. Viszont 1200P100 típus láb kompatibilis és van is itthon. Mit gondoltok, hogy kezdjek neki? Üdv, Atesz
Miért olvashatatlan a file amit feltettem?
Sziasztok
Ezt szeretném megépíteni de nem tudok hozzá szerezni pl 270 uH-s 2A-es tekercset és nincs meg minden adat. Valaki tudna segíteni? Köszönöm Skori 555-ös kapcsoló üzemű tápja A hozzászólás módosítva: Jan 1, 2013
Oké a 220 uH már menni fog de az L2 az mennyi?
Kicsit ugyan megkésve...
Három dolgot kell kideríteni. Az első hogy valóban trafó-e és nem zavarszűrő. A második hogy van-e bennük légrés, a harmadik hogy milyen topológiához készültek. Biztos hogy lehet őket valamire használni, ha tudnám hogy mire és elfogadható áron adnál belőle, akkor esetleg vennék is egy fél szatyorral.
Ez az alapkapcsolás, biztosan van ott több is, nézd meg. L2-C5 egy plusz szűrő tag, a működéshez nem szükséges, tehát anélkül is menni fog, csak valamivel nagyobb zavarfeszültség lesz a kimeneten.
Azt nem fontos beépíteni, rád van bízva. Én olyan 100 uH körülire saccolnám meg.
Én pc tápból bontott sárga kis toroidra tekertem jó pár menetet egy vastagabb lakkozott huzallal. Nem tudom, hány uH lett (nemsokára azért megjön a mérőműszerem kínából), de mint Skori is írta, az értéke a hatásfokot befolyásolja. Lejjebb már 30uH-től 100uH-ig mindent használ, tehát nem annyira mérvadó. Nekem légrés nélküli van, 5A-ig simán ki tudtam belőle venni, bár nem 40V-on terheltem. Arra kell még figyelni, hogy ne telítsen be az induktivitás a tervezett maximum áramon. Ezt lehetne ellenőrizni szkóp nélkül? Esetleg hirtelen megemelkedő áramfelvétel?
Sziasztok!Van egy asztali lampam,12 V-os 20W-os halogenego van benne.Meghalt a 230/12voltos aramkor.Van benne ferrit trafo,tranzisztor,ellenallas,kondenzator,egy valami trafo,de csak egy tekercse van,mind vmi folytotekercsnek.Mi lehet a hibas?12voltos(+-) kimenetehez ha odaerek a fazisceruzaval kigyullad!atengedi a 240 voltot!vki tud segiteno?koszonom!
Sziasztok!
Egy kapcsolóüzemű tápegységet építek és kéne a segítségetek. A kapcsolás a képen látható. A problémám az hogy már a második fetet eszi meg (irf740) és egy nemtudom milyen igbt-t. Az érdekes az hogy mindíg a felső fet megy tönkre pedig semmi oka nem lenne rá. Utoljára az igbt-vel próbálkoztam (5A 500V-os) működött minden szépen ráraktam egy mbr 3060-as shottkyt egyenirányításnak (csak egy diódát használtam) amin volt egy 470µF kondi és megszakadt a dióda. Amikor átraktam a másik diódájára az igbt vel együtt meghalt. Segítségeteket előre is köszönöm. Minden amit írtam üresjárásban történt a biztosíték amit a primerbe raktam még csak ki sem égett (1A-es) a trafó egy etd49 4200al 2X 35 menet a primer, 80KHz frekin üzemel az áramkör.
Az a baj, hogy ez a rajz 12V-os megoldást mutat, ami alapján készült a rajzod. A te rajzodon valóban 270V váltakozót kap a trafó?
A trafó középcsapolása 270V egyent kap amit a fetek engednek át a tekercsen az ic vezérlésével arányosan. Hogy érted hogy ez 12V-ra készült?
Honnan van ez a rajz és ki számolta ki a menetszámokat meg egyebeket? Ez egy Danyk-os rajz átirata: Bővebben: Link. Mekkorák a gate-ellenállások és milyen a szerelésed? Nyák-on vannak az alkatrészek vagy légszereléssel dolgoztál?
A kapcsolást honnan nézted?
Mert tippre szerintem mindenképpen kétutasan kell egyenirányítani a szekunder oldalt (vagy Graetz, vagy középmegcsapolás + 2x1 dióda), hogy mindkét FET boldog lehessen.
Ez pontosan az a rajz amit belinkeltél (ez hasonlított rá a legjobban és átrajzoltam olyanra amilyen az enyém). A gate ellenállások 10ohmosak és még csak egy kábeldzsungel az egész(azért a szórásokra próbáltam figyelni) A számításokat én végeztem de utánaszámolva sem találtam benne hibát.
A "kábelzsungelnek" ugyan hogyan mérhetted meg az induktivitását és a kapacitását...
Igen középmegcsapolásos egyenirányítás lesz ez még csak kísérleti verzió.
Működik is. Nem vetted figyelembe a kapcsolási rajzon nem szereplő "extra" kapacitásokat, ellenállásokat és induktivitásokat, ill. az azok okozta feszültségcsúcsokat. Ha azokat is beleszámolod, akkor biztosan ki is fog jönni, hogy a FET-nek el kell pusztulnia. Általában az elektronok jobban ismerik a fizikát, mint mi...
Akkor valami tipp, min kéne javítanom? Valami szűrés? Feszkorlátozás? Amúgy én is valami gyilkos impulzusokra gondoltam ami elintézi a fetet de a mérések során nem láttam semmi egetrengetőt.
Rövid vezetékek. Kábeldzsungel, próbapanel, légszerelés kizárva.
Ami még szerintem fontos lehet az 500V -os alkatrész kissé kevés szerintem.Az alkalmazott feszültség duplája illendő volna minimum.
Az lett volna a csoda, ha működik. Ez a rajz nem félhidas hanem push pull kapcsolás, két primer van amik ellenütemben működnek. Még ha tudsz is nagyon szoros csatolást csinálni a kettő között (ami nem egyszerű), akkor is lesznek 3x-4x akkora tüskék mint a betáp, ami legjobb esetben is 800V. Ezt meg egy 500V-os félvezető nem nagyon szereti.
Félhidas kapcsolást építs, valami hasonlót mint amilyet kadarist is linkelt (1 primer féltápra, azaz 150V-ra méretezve). Idézet: „Segítségre szorulok. Az LM2575 modul struktúrájával megegyező, hasonlóan egyszerű, de 15A-es modul után kutattam fél éjszaka, sikertelenül. Esetleg tud valaki olyat, ami megfelelne nekem? A kapcsolási elv teljesen mindegy, 5 lábú kellene és elég gyors legyen ahhoz, hogy a szabályozó lábbal modulálni lehessen a kimeneti feszültséget.” Ilyen nagy áramra nem létezik olyan 30V feletti integrált kontroller és FET. Ezért itt egy külön kontrollert és külön FETeket kell használnod. Idézet: „Egy nagyméretű fénykijelző sormeghajtását kellene korszerűsítenem, mert a készülék tökéletes, de az eredeti analóg meghajtása mai szemlélettel rengeteget fogyaszt, ezért nem használják. A 60V tökéletes lenne és kb 15kHz-n kellene lennie a -3dB-es pontnak. A búgófeszültség a felhasználás jellege miatt lényegében mindegy, ahogyan a kapcsoló frekvencia is elég, ha csak 80-100kHz.” Szóval van egy kijelző, aminek sormeghajtása jól sejtem egy fárész, aminek a lefutása olyan, hogy egy 15kHz-es -3dB pontú kör viszi át. Ezt így jól gondolom? Ha kimeneti feszültség fix lenne, akkor a 60V-ra és 15A-re én egy szinkronbuck konvertert használnék. Buck=step down, ahol a szinkron azt jelenti, hgoy a dióda helyére is egy FET van berakva, ami a dida vezetési idejeiben bekapcsol. 100V alatt a FETek Rdsonja oylan kicsi, hogy kisebb lesz av eszteség, mint a dióda dropja. Azonban a szinkronbuck konvertereket tipikusan fix kimeentif eszültségre állítják be. Egy félhidas d-osztályú erősítő lényegében tök olyna mint egy szinkronbuck. Szóval itt a kettő ötvözetét csinálnánk meg. Milyne módosítások kellenek: - Az áram legyen CCM, hogy a kondi búgóárama kicsi legyen. Vagyis a kapcsolófrekvencia legyen legalább négyszerese (de inkább 8-10 szerese) az LC szűrő küszöbfrekvenciájának. - A CCM móddal azt is eléred, hogy a kimeneti feszültség lényegében a bementi feszültség x duty cycle lesz. Milyen alaktrészeket tudzs forrasztani? Gondolom a SOIC megy, de a TSSOP (0,65 mm lábtáv) is? Mennyire nehezen tudsz alaktrészeket beszerezni? Vagy legyen inkább külön egységekből álló, de könnyedén beszerezhető alkatrészekkel? A hozzászólás módosítva: Jan 13, 2013
Sajnos a szemem és kezem sem fiatalodik ( csak a szívem, remélem) ezért az SMD és hasonló pici alkatrészek szóba sem jöhetnek.
Összebarkácsoltam egy PWM és impulzus sűrűség moduláció keveréket előállító modulátort, amolyan félhidat, amit írtál, gyakorlatilag bármilyen megfelelő slew-rate-jú komparátorral, vagy opa-val működik. A lényeget elvégzi, a vezérlő jellel arányos a kimeneti jel integrálja. A különböző opa-k esetén egy kicsit játszani kellett az integrátorral és pozitív visszacsatolással, de a legtöbb gyors opa-val szépen felrezgett. LC szűrést még nem is próbáltam, mert a gyakorlatban így is elég kicsi volt a hullámosság, legalábbis az emberi szem egyáltalán nem érzékeli érthető módon. Az integráló kondi viszont eléggé melegedett, 250V-os 20 éves stiroflex kondit használtam ( ez volt a fiókban). Ezt szeretném kiváltani egy céláramkörrel, de olyannal, ami közönséges pákával is forrasztható, mert a technológiában 20 évvel le vagyok maradva.
Mivel a tápfeszed 60V, és a FETek gate-je csak 20V-ot bír, így mindenképpen szükséged van szinteltoló félhíd meghajtó áramkörre, szóval az általad mutatott egyszer megoldás itt már nem jöhet szóba.
Sajnos az SMD teljes kizárásával nem sok esélyt jósolok az egésznek. Mivel a fűrészed lefutása gyors kell hogy legyen, így 100kHz alá a kapcsolófrekvenciával lehetetlen menni. Ami most eszembe jutott hirtelen az a HIP4080A. Ez mondjuk teljes híd. Ennek van egy beépített komparátora, és van hozzá egy ajánlás is hiszterézis oszcillátoros d-osztályra. Ehhez passzolsz 4 db FETet, és akkor teljes hídban csinálsz léynegében egy hiszterézis oszcillátorú d-osztályú erősítőt. De persze csinálhatod fázistolálos UcD-re, ha az LC szűrő után csatolsz vissza. Erre nekem van kapcsolásom is meg nyáktervem, bár még nem teszteltem le. A nyákterven a DIP-tokú IC-t és 1206-os SMD ellenállosokat használok, amit síma pákával gyerekjáték forrasztani. Megjegyzeném, hogy nekem is síma hőszabályzozt pákám van, és SOIC-t SOT-23-at baromi könnyen lehet vele forrasztani. Sőt még TSSOP forrasztása sem túl nehéz. |
Bejelentkezés
Hirdetés |












