Fórum témák
» Több friss téma |
Fórum » Skoda Octavia elektromos probléma
Sziasztok! Nekem egy 2004-es 1.9tdi 1-octaviam van ALH-motorkóddal a 90-lóerős szériából!Az a probléma vele h reggel indításnál néha nehezen indul valamikor pedig úgy h egy felet sem teker az önindító és indul valamikor meg sokáig teker és mikor beindul olyan mintha a hengerek egymás után indulnának be, és ilyenkor elég csúnya hangja van, de mikor beindul egy két másodperc és szépen jár a motor ha leállítom akkor szépen indul egyből, de viszont elmegyek vele 7km-tert dolgozni és ott leállítom,majd délután mikor indítom akkor megint nehezen akar indulni,és ezek az indulás problémák nem időjárás függők nála! meg néha csinálja néha meg nem! ha valaki tud valami ezzel a problémával kapcsolatban akkor azt megköszönném!!de ha hosszútávon megyek vele vagy akár röviden az autó szépen megy nincs vele semmi probléma! légyszíves írjatok valamit!
Sziasztok,
Kis segítségre lenne szükségem. Van egy 2003-as Octaviám, BFQ motorkódos, és elkezdett most olyan érdekes dolgot csinálni, hogy ingadozik az alapjárat, hidegen indításnál nem indul mindan henger, rángat az autó, valamint úgy füstöl, mint valami 100 éves diesel. Van rá valami ötletetek? Fojtószelep, gyújtás? Ja, és nincs hibalámpa...
Találkozott már közületek valaki olyan hibával, hogy 1,6-os AEE motorkódu Octavianál a pillangószelep folyamatosan enyhén mozog ? Ez azért is probléma nekem, mert van egy olyan
hibája a motornak, hogy hidegindításkor , bemelegedésig nagyon ugrál az alapjárat a leállás, és 2000 között. Nem tudom lehet-e ennek köze hozzá, de más hibát nem találtam. A fojtószelep tisztításon-beállításon, a hibakódolvasáson, a jeladók műszeres kimérésén, és a levegőcsövek vizsgálatán , a gyújtásbeállításon már túl vagyok. Előre is köszönöm a segítségeteket !
Szia,
Nekem u.a. a problémám. Nem ég a hibajelző lámpa. Viszont kezdetben néha, aztán rendszeresen megzuhant a sebességmérő mutatója. Kb. egy évvel ezelőtt kezdődött. Most már gyorsitáskor, emelkedőn felfelé sosem mutat semmit. De gyakran normál menetben sem. Csak akkor mutatja a sebességet, ha elengedem a gázpedált. Amikor a sebességmérő nullán van, a megtett kilómétereket sem számolja. Ebből arra gondolok, hogy a sbesség jeladó lehet a hibás. Persze nem vagyok benne biztos. Valakinek van véleménye, javaslata? Laci
Hú, lehet, hogy nekem is ezt kell megnéznem. Ellenőrzöm! Köszönöm!
Laci A hozzászólás módosítva: Márc 3, 2013
Szia,
Ellenőriztem a vezetékeket. Az enyémben csak kettő vezeték van a sebesség jeladóban. Barna nincsen. Egyelőre csak álló helyzetben tudtam mérni feszültséget, mert nem találtam megfelelő hosszú mérő vezetéket hozzá. De álló helyzetben a fekte-fehér és test között 12v rendben. A vezet;kek nem tünnek sérültnek. Jeladó csere? A jel vezetéken impulzus jön vajon? Vagy feszültség szint jelzi a sebességet? L.
Változott volna VW csoportban a szín kódolás? A testnek barnának kéne lenni a régi szerint.
Barna vezeték egyáltalán nincs a jeladónál. Csak két vezeték van. A jel vezeték, és a fekete-fehér +12v. A testet a motorblokkról vettem.
Sziasztok
Kombi octavia csomagter ajto lezerva a fedelzeti visszajelzo megis nyitottat jelez... Hol talalom az erzekelot? ez valami szeria hiba lehet mert mindket automnal ugyan ez a problema 2005, es 2011es modellek??? segitseget koszonom
Az oldalajtóknál a zárszerkezetben van mikrokapcsoló, tippre a csomagtartónál is hasonló lehet a helyzet.
Próbáld meg nyitott ajtónál egy csavarhúzó szárával "lezárni" a zárrészt hogy úgy mit mutat. Ha maradt a tünet, akkor _vl_ tippje jön be.
A hozzászólás módosítva: Márc 8, 2013
T. Fórumtársak.
Érdeklődnék , hogy TAR-relét /távvezérelt biztonsági ????? relét/ be lehet e szerelni az AC pumpa relé helyére. A vasam : Octavia I 1.6i 2004-es évjárat. Köszönettel.
Üdvözlet a fórumozó Társaknak!
AEE motoros Octavián hol lehet a hátsó ablakfűtés reléje? A biztosítékbodoz környékén esetleg? Hiába kapcsolom ki az ablakfűtést továbbra is melegít. A kapcsolót ellenőriztem az működik rendesen. Valamint (ha már kérdezek) a tanksapkát sem tudom belülről nyitni a kapcsolójával. Ott valószínű vezeték gond lesz, mert a motor kivéve megfelelően működik, de hátha van valaki akinek volt hasonló gondja. Köszönöm a segítséget. Üdv: csibai
Szia Kedves csibai.
Sajnos a relé gondodhoz nem tudok hozzászólni, viszont ha jól olvasom neked is elektromos tanksapka nyitód van...? Pár napja kérdést tettem fel a fórumon de még nem tudtak segíteni. Ha megengeded zavarnálak a kérdésemmel. idézem: "Octavia combi 1.6 slx (AKL) 2000 évj. Elektromosan nyitható a tanksapka fedele, illetve nyitható volt tegnapig. Őrült, fölösleges egy találmány. Kinyitottam és nem lehet visszapattintani sem. Most lifeg. A nyomó gombot nyomogatva nem történik semmi, nincs a megszokott szervó szerű hang sem. Nem ismerem a működési elvét, mozgatva van valami pöcök (retesz) vagy mikrokapcsoló van ott, ami elfáradt? Mi lehet a gond? Honnan tudom a szerkezetet megközelíteni?" Köszönöm előre is a válaszod, akár tudsz, akár nem tudsz segíteni. További szép napot... Üdv: karikaon
Szia! A képeken ez a szerkezet látható és ez a rendelési száma is ha rossz volna. A csatlakozóját kellene megnézni és kontaktsprével befújni és a dugattyús részhez is juttatni kellene egy kis kenőanyagot, talán akkor megjavul.
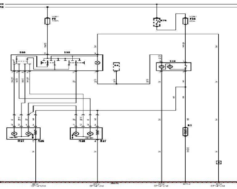
Szia! Az "F26" jelű biztosítékon van a hátsó ablak fűtése és a vp tükrök mozgatása is ami csak az ablakfűtési kapcsoló bekapcsolásakor aktív. Ha kikapcsolt ablakfűtési kapcsolónál nem megy a tükör mozgatás de a fűtés igen, akkor zárlat lehet valahol a pozitív szálon (fehér színű vezeték). Nem találni a rajzon relés fokozatot, (pedig a 99' utániakat néztem meg) csak kapcsolót és a biztosítékot, ami 25A-os.
Sziasztok .Bocsi az ujabb zavarásért, van valakinek rajz a arrol a panelról amin a működtető rellék vannak.??
2004-es BFQ.
Szia!
Kedves VIM... A képeket látva mindent megértettem. Holnap azzal kezdem a napomat, hogy szedem is szét... Köszönöm szépen a segítséget és a tanácsaidat... Üdv A hozzászólás módosítva: Márc 11, 2013
Szia! Valahogy így nézhet ki a kiosztása ahogyan a képen látszik.
A biztosíték tábla kicsit maceránsabban nézne ki ha kiollóznám.
Sziasztok!
2005 dízel Octavia 2-ben a fűtésmotor néha nem indul el azonnal, van hogy csak 20-30 perc után. A hőmérséklettel nem függ össze, van esetleg tapasztalatotok ezzel kapcsolatban, ötlet milyen irányba induljak el. (Régebben Mercinél találkotam hasonlóval, ott szerintem a motor csapágy kenése dermedt le, mert télen csak úgy indult el, ha a vent lapátot kézzel megindítottam). Van egy 2007-es is a családban, sajnos egyre több hiba előjön, általában apróságok pl vákumcső,... tudtok ajánlani olyan hibakód olvasót-törlőt, ami ehhez a típushoz kipróbáltan jól működik, elég húzós ilyen apróságokkal a szervízbe szaladgálni, a legjobb olyan készülék lenne, amivel pl a világítást, központi zár működést is lehet változtatni. Előre is köszönöm a válaszokat! Üdv DD
Szia Vim!
Először is köszönöm, hogy időt szakítottál rám. A tükrök mozgatása működik rendesen (eddig legalábbis) csak a hátsó szélvédő fűtése nem kapcsol le, még akkor sem ha a kapcsolóról lehúzom a csatlakozót. Valami disznóság van vele de nem tudok rájönni mi. Most azt csináltam, hogy lehúztam a fűtőszálról a csatlakozást. Köszönöm a fáradozásod. Üdv: Csibai A hozzászólás módosítva: Márc 11, 2013
A reléjét keresném meg, ott kéne először szétnézni.
Üdv Neked!
Hát épp ez az! A reléjét keresném én is de nem tudom hol! A műszerfal alatt vagy a biztosítéktábla mögött? Ötletem sincs és nem akarom lebontani feleslegesen, na meg ilyenkor általában sajnos valami véletlen kárt is okoz az ember. De azért köszönöm! Üdv: Csibai (Ha valaki tudja hol keressem kérem segítsen! Octavia AEE motorkód, 1998.)
Kedves VIM. Köszönöm szépen a segítséget !!
Szia! A rajzon nem jelölnek relét és más típusnál sem találtam a hátsó ablakfűtéshez relét sem a rajzon, sem a relétáblán. Valami nem "kerek"! A 97.08 hónaptól ilyen a relétábla kiosztása.
Nem lehet hogy az aksinál van valahol? (Lehet hogy hülyeséget feltételezek..)
Üdv mindenkinek!Érdeklődni szeretnék,hogy tudja e valaki,hogyan lehet olyan USB-s adatkábelt csinálni,ami Skoda-VW-Audi-Seat autókhoz jó,és a can bus rendszert is érzékeli!Amiket kapni lehet,azok túlnyomó részben nem jók a can bushoz,és csak 1,5 méteresek!Akinek meg szeretném csinálni,annak kb 10-méteres kellene!Ha van rajz, a bekötéshez azt külön meg köszönném!A vezeték amim van számítógéphez használt adatkábel 12 szálas, 0,5mm!
Köszönöm, lehet igazad van, hogy nincs reléje. Majd szétnézek megpróbálom kiméricskélni ha az idő engedi.
Üdv: csibai |
Bejelentkezés
Hirdetés |






