Fórum témák
» Több friss téma |
Hello! A lent hozzákapcsolt elöerösitöt épitettem meg, de sajnos nem működik... Észrevettem hogy ahol a feszultség megy be a dioda nagyon melegszik, és hamar sutössé vállik, feszultséget azonban nem tudok rajta mérni mit ronthattam el? (10KOhm os sztereo potenciometer hiányában 4db 5,1 kOhm ellenállást alkalmaztam)
Szia! A forrasztás oldali fotód sajnos nem elég jó minőségű ahhoz, hogy ki lehessen deríteni hol van a hiba. A dióda melegedése arra utal, hogy az IC-k 4-8 táplábainál zárlat van.
Csatoltam egy jobb minöségut, remélem erröl ki lehet deriteni
A hozzászólás módosítva: Márc 23, 2013
Igyekszem, de ez alapján sem megy. Látom kézzel készült a rajzolat. Vesd össze ismét a tervvel, megfelelő alkatrész lábakat kötnek-e össze a vezetősávok. Minden szomszédos vezetősáv között mérd meg az ellenállást, tapasztalható-e zárlat?
Rendben átnézem majd teljesen... remélem megtalálom amit elrontottam mert elég sok pénzbe kerult...
Az lehetséges-e hogy az IC-k mentek tönkre és a 4-8-as lábak között zárlat van??
Látom az IC-k helyesen lettek berakva. Remélhetőleg helyesen vezetted hozzájuk a tápot. A dióda miatt nem kaphattak kívülről fordított polaritást. Nem számolok a meghibásodásukkal.
Amire gyanakszom: kézi rajzolat hibája; forrasztásból, maratásból eredő zárlat. Ezek szemrevételezéssel, méréssel feltárhatók, ki lehet javítani.
Értem, a holnapi estémet majd rászánom ujra, hogy minden a helyén legyen biztosan. Köszi a segitséget!!
Én most építettem egy előerősítő áramkört lm1036 - os Ic vel és nagyon jól működik és tisztán szól.Ami jó benne hogy feszültséget szabályoz ezért nem lehet a potméterek állítása közben sercegő hangot hallani mint sok más hasonló áramkörnél.Ha esetleg valakit érdekel akkor felteszem valamikor a rajzot és nyák terveket.
Szia.
Jó olvasni hogy bevált az ic,amenyiben felteszed a dokumentet,köszönettel fogadom a megépítéshez,van 1 ilyen ic talomban...
Szia.
Hát,kíváncsian várom sikerült e azóta megoldani a problémát... A hozzászólás módosítva: Márc 31, 2013
A témában találsz kipróbált, kész megoldásokat.
Csatolva feltettem az általam megépített hangerő és hangszínszabályzó kapcsolási és áramköri rajzát. Aki még nem próbálta ki annak ajánlani tudom csak nekem nagyon bejött!!!
Szia! A hibákat csak részben küszöbölted ki. A rajzon már látom javítottad a GND-t, a NYÁK rajzon még ennek nem látom nyomát. A C4-7 szűrők továbbra sem a helyes pozícióba vannak kötve, egy zajosabb készülékházban problémát okozhat. Továbbra is várom válaszod az IC2 szerepének ügyében.
Elnézésed kérem igazad van a rajzon nem javítottam ki de a panelen igen és már működött is a cucc! Azt én sem igazán értettem h miért van még egy elő fokozat a kapcsolásban de így találtam a netten és azért került beépítésre is a kapcsolásban.Nem tudom h az LM1030 as tartalmaz e elő fokozatot a beérkező jel erősítésére nem vagyok gyakorlott műszerész csak hobbi szinten csinálom és néha követek el bakikat sajna.
Semmi gond, az LM1036 témában már írtam választ, mikor a problémád megjelent.
Az LM1036 bemenő impedanciája alkalmas arra, hogy egy általános jelforrást rá lehessen kötni. A műveleti erősítő akkor kap szerepet, ha a forrás 300mVrms-nél kisebb jelet szolgáltat. Ilyenkor célszerű a szintet megemelni, hogy az LM1036 zaja kisebb arányban adódjon a hasznos jelhez. Mivel az eredménnyel elégedett vagy, Nálad nincs ilyen probléma.
Kedves szakik!
az alul látható kép egy pc hangerősítője.Tudom ,hogy tudjátok mi ez csak megszokásból. Az lenne a kérdésem lehetne használni előerősítőnek a TDA2030 erősítőjéhez? űdv:md
Sziasztok! Szereztem telefonhoz valo gyari kishangszoro, Xmini II, de telefonrol nem lehet ugy kihajtani mint pelda laptoprol, mini usbrol lehet tolteni is meg inputja is van ott is, mivel kifele is kijon az 5V gondoltam keszitenek valami kis 2-3x eloerositot, valaki tud olyan ict, ami szimpla 5v-rol mukodik?
Sziasztok !
Szeretnék egy olyan jó minőségű előerősítőt ami néhány 10 mV -ból csinál 1-200 mV -ot. Tehát kb. 5-10x erősítése van. Miből érdemes megépíteni az ilyet ? Fet ? Műveleti erősítő ? Valakinek lenne valami bevált kapcsolási rajza ? Kösz !
A kivitelezés függ attól is, hogy konkrétan milyen felhasználásra szeretnéd. Alacsony zajú ME-vel , pl. könnyen kivitelezhető a dolog.
Audió felhasználásra kellene.
Valami egyszerű, de nagyszerű. Nem nagyon hiszek a sok alkatrészes kapcsolásokban.
Jó lenne tudni legalább a forrás impedanciáját. (mit szeretnél erősíteni, mert látom nagy titokban tartod)
![]() (Nem csöves) gitárerősítőn gondolkodom kísérleti jelleggel, aztán a legelejére hogy mit tegyek. Egy single hangszedőnek kb. 3-6 kOhm az impedanciája. ( Különben azért óvatoskodom, mert gyakran amikor kérdez valamit az ember nem a kérdésre válaszolnak itt az emberek, hanem megmagyarázzák hogy hülyeség (szerintük) az egész. )
Aha, értem.
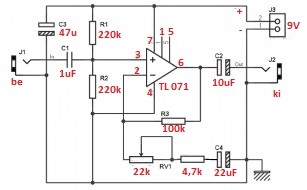
![]() Itt van egy egyszerű, a piros keretben lévő rész az előerősítő, ami Neked kell. Ez két 9V-os elemről megy, un. szimmetrikus tápellátású. Ha csak szimpla tápfeszed van, (pl egy 9V-os elem) akkor pedig a kettes verzió. A hozzászólás módosítva: Ápr 23, 2013
Sziasztok! A mellékelt kapcsolási rajzot ma kaptam reloop fórum-társtól. Amiért hálás is vagyok, de hiába kötöm be, nem hallok semmi változást. Melyik ellenálláson kell változtatnom, hogy nagyobb legyen az erősítése? Mint kiderült a rendes tápforrás 3,7V lesz, most labortápról próbáltam 5 V ról.
A hozzászólás módosítva: Máj 7, 2013
Az emitterben levő ellenállás igen jelentős negatív visszacsatolást okoz. Blokkold át egy 100 µF -al.
|
Bejelentkezés
Hirdetés |




















