Fórum témák
» Több friss téma |
- Ez a felület kizárólag, az elektronikában kezdők kérdéseinek van fenntartva és nem elfelejtve, hogy hobbielektronika a fórumunk!
- Ami tehát azt jelenti, hogy a nagymama bevásárlását nem itt beszéljük meg, ill. ez nem üzenőfal! - Kerülendő az olyan kérdés, amit egy másik meglévő (több mint 17000 van), témában kellene kitárgyalni! - És végül büntetés terhe mellett kerülendő az MSN és egyéb szleng, a magyar helyesírás mellőzése, beleértve a mondateleji nagybetűket is!
Egy zártláncú TV -vel foglalkozó, nagy hasznát veszi.
Köszönöm a választ,és igazad van az mikro farad.Csak azt nem tudtam,hogy az a feszültség érték amit a kondenzátoron feltüntetnek,az mire vonatkozik? Pl.ha 16 Volt van ráírva akkor az mit jelent?Az a maximális fesz amit elbír?
Üdv, és egyben kellemes húsvétot!
Abban kérném a segítségeteket, hogy volna nekem egy BOSCH PTS 10 típusú asztali körfűrészem, sajnos nincs benne lágyindítás, és a 15 A kismegszakító nem bírja, minden 3.-4. indításkor leveri! A kérdésem, lehet e utólag építeni hozzá lágyindítást? Ha igen mibe kerülne kb? Mivel mifelénk (én legalább is nem ismerek) nincs olyan szaki aki meg tudná csinálni, jelentkezőt is keresnék aki megcsinálná nekem!
Sziasztok!
Egy olyan kérdéssel fordulok hozzátok, hogy ha szeretnék egy elég nagy (45×45 cm-es) LED-táblát (5 mm-es magasfényű, normál LED-ekből) készíteni, akkor ezt mibe a legcélszerűbb beépíteni? Eddig nem láttam ekkora NYÁK-lemezt, lehet egyáltalán ekkorát venni? A másik pedig az, hogy ha mindez SMD LED-ekből van, akkor a forrasztását nem lehet valahogy leegyszerűsíteni? Esetleg SMD LED-es "füzérből" (nem tudom, hogy mi a magyar neve :$) lehet ilyet csinálni? A hozzászólás módosítva: Márc 31, 2013
A nyák eléggé húzós ára van de a méretnek megfelel.
Az smd-re a megoldás de ők csak 35x45cm-es nyákot tudnak gyártani csak lehet más nyák gyártok nagyobb nyákkal tudnak dolgozni nézz körül.
A nyák legyártásával nem lenne még annyira probléma, inkább csak valami gyorsabb megoldást keresek a LED-ek beforrasztására
Hát én csak a hagyományos módszert ismerem egyik oldalt elő ónozod és be illeszted szépen sorba annyit tudok tanácsnak adni hogy a ledek egyenesek legyen tegyél eléjük valami igazítódeszkát a másik oldalán meg forrasztod.
Bajban vagyok...valamit biztos nem értek:
A BC212-es tranzisztor lábkiosztására szeretnék rájönni de nem megy... hogyan lehet bemérni, mert az adatlapokon összezavarodtam:első: link második: Link A hozzászólás módosítva: Márc 31, 2013
Örvendetetes lenne , ha valaki belenézne ebbe a kapcsolásba. Ha a 390 kohm ellenállást 330 kohm ellánállásra cserélem még villog? Köszi
A hozzászólás módosítva: Márc 31, 2013
Ha a lapos oldal felfelé a domború lefelé és a lábak is lefelé állnak akkor a balról haladva collector bázis emitter.
Bizonyára villog, csak legfeljebb olyan kicsi a szünet, hogy a szem nem érzékeli, de ezt számolni kellene, vagy még egyszerűbb kipróbálni. - viszont ahogy látom, Neked is a BC 212 tranyót javasolják- egyiknek- Te azt használod? milyen a lábkiosztás? mert ahogy előtted kérdeztem én belebonyolódtam...Látom hogy 212B van a rajznál, de az adatlapon sima 212-és most aztán nem értem, mert a másik adatlap meg máshogy jelöli....
Kösz, de ezt honnan tudom, mert az első linken pont nem így jelöli!!!
Az első linket nem tudtam megnyitni ugyhogy a másodikból indultam ki.
Épp fordítva kötöttem be, most forrasztom ki!
![]() Nem tudom miért nem lehet valahogy a tranyón jelölni.
Onnan tudod, hogy megnézed a beépítendő tranzisztor gyártójának az adatlapját.
És/vagy elolvasod ezt: Bővebben: Link
Most már jó az első link is...csak amikor betettem akkor volt rossz!! szóval a két adatlapon fordítva van, és nem tudom ki a gyártó
azt hittem szabvány hogy 212 az egyforma minden gyárnál, úgy ahogy egy "hatos anya". No én még azt is elvárnám, hogy a betűjelzéssel ellátott lábkiosztása is azonos legyen...tudom nagy igények...Skori-féle alkatrészvizsgálatot köszi! A hozzászólás módosítva: Márc 31, 2013
Sziasztok! A probléma sajnos még mindig fennáll. Szétszedtem a multimetert és van benne két biztosíték. Mind a két biztosíték fehér színű ezért nem látom benne a szálakat.
Valaki kérem segítsen... miért fehér színűek a biztosítékok? És miért van az hogy csak akkor zár az áramkör ha nagy amperméréshez dugom be a piros szálat, viszont ilyenkor nem mér értéket? A kis amper mérésnél az áramkör sem zár (valoszínűsítem, hogy a biztosíték ment tönkre). Mondjuk azt sem értem, hogy mehet tönkre a biztosíték mikor 9V-os elemmel mértem csak... és mA-re volt kapcsolva. Nagyon idegesít, hogy nem értem miért történt ez...mikor elméletileg nem is történhetett volna. Köszönöm!
Szia!
Vedd ki a biztosítékokat és rakd össze a multimétert. (remélem megjegyezted, hogy melyiket honnan vetted ki) Ezután a csipogós állásban nézd meg a biztosíték két oldalán, hogy sípol-e a műszer. Ha sípol (mintha csak a két vezetéket érinted össze), akkor az azt jelenti, hogy jó a biztosíték és vissza lehet tenni a multiba. Ha nem sípol, akkor csere. Így leellenőrizted a biztosítékokat. Ez a rész letudva. Az hogy a biztosítékban nem látod a szélat, az nem baj, ez akkor olyanfajta, hogy meg van töltve porral. Nem szükséges ugyanilyenre cserélni. Csak a kupakján szereplő áramérték legyen azonos.Ez is letudva. Azért nem mutat a multimétered áramértéket, mert nem tudja megjeleníteni. Nézd meg, hogy hol van a tizedespont és hány nulla van utána. Te gondolom 20mA-nál kisebb áramot akarnál mérni, ez ugye 0,02A.Kisebb pl 18mA-nél az talán 0,02 vagy 0,01 lenne a kijelzés, de benne van a műszer pontatlansága is, ami egy ilyen kategóriás műszernél nem túl jó és a max méréshatárhoz képest igen kicsi értéknél nem biztos, hogy megjeleníti. Röviden ennyi. Remélem megint kaptál pár fontos információt. Kiborg Ha véletlenül csináltál egy rövidzárat, a 9Vos elem bőven tud 200mA felett (gondolom ilyen a kisebbik biztosíték) emiatt tönkremehetett a biztosíték. A hozzászólás módosítva: Márc 31, 2013
"ez akkor olyanfajta, hogy meg van töltve porral"
Esetleg lehet még kerámiacsöves is, az pedig átlátszatlan.
Köszönöm szépen a kimerítő választ. Minden lényeges infot megadtál, ennek köszönhetően megvan a hibás biztosíték. 500mA-es, ilyet veszek majd. Mondjuk még mindig nem értem mikor romlott el de most már legalább tudom mi a gond. Köszönöm szépen a segítséget!
Még ami előnyösebb megoldás a sima biztosíték helyett a három néven ismert poly fuse poly switch multifuse ezek olyan biztosítékok amik ha átlépik a megadott hatért akkor lekapcsolnak mikor az áram a korlát alá csökken utána visszakapcsol.
Ebben az áramkörben a PNP tranzisztor helyére tehetek BC 556B tranyót?
A hozzászólás módosítva: Márc 31, 2013
A belinkelt szerint lágyindítós, de ha mégsem, szerintem a legegyszerűbb, ha a kismegszakítót kicseréled egy "lomha" tipusúra.
Sziasztok!Segítségeteket szeretném kérni! Hol lehet ezt a típusú transzformátort beszerezni,illetve helyettesíteni valami más gyártmánnyal! Egy elektromos garázskapu transzformátoráról van szó. Végig böngésztem a netet de nem találtam ilyet,csak toroidban hasonlót. Esetleg azzal helyettesíthető? Laikus vagyok
(
Szia!
Szerintem tökéletes lesz a toroid is, bár az drágább lehet. Szekunder oldalon 2*24V és 70VA-es. Szerk.:Teljesítményben nem kell megeggyeznie, de legalább akkora legyen, mint az eredeti. Lényeg, hogy 2*24 voltot adjon le. A hozzászólás módosítva: Márc 31, 2013
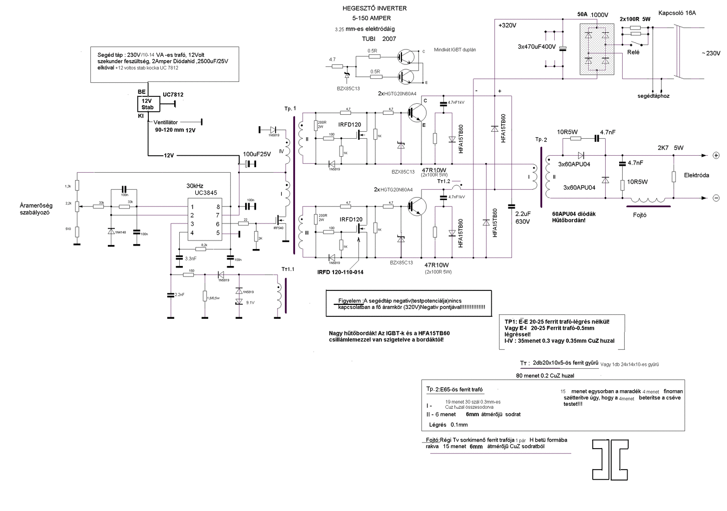
Sziasztok! Működőképes lehet a mellékelt rajz? Tp2 primerkörét hogyan lehetne egyszerűsíteni?
Köszönöm a segítségedet! Egy 2x24V/100VA-ot találtam! Ha nagyobb teljesítményű akkor az nem baj? Ill. a gyári transzformátor szekunder kivezetésénél három szál van,a toroidon pedig négy! Gondolom akkor a kettő nulla kivezetést össze kell kötnöm?
Ja, ja! A két szekundert sorba kell kötni.
Sziasztok! Segítséget szeretnék kérni, kapcsolási rajzban, vagyis inkább csak ellenállás és potméter értékében. Egy 100 db, 120 fokos LED-ből álló panelt szeretnék készíteni fotós célra. Szeretném, hogy a fényerő csökkenthető legyen. Ezt ugye potméterrel lehet megoldani. Fontos, hogy lineáris legyen. Az lenne a kérdésem, hogy ha 12V-ról működne a tábla, és mondjuk három LED-et kötnék sorba, így 120 Ohm-os ellenállások kellenének. Hogyan változik ez, ha potmétert rakok eléjük? (Az egész táblában 1 db poti lenne). Annak mekkora értékűnek kell lennie? Köszi a segítséget!
|
Bejelentkezés
Hirdetés |




hogyan lehet bemérni, mert az adatlapokon összezavarodtam:









