Fórum témák
» Több friss téma |
Fórum » NYÁK terv ellenőrzése
Miért szükséges a saját tervedet elkészíteni?
Ott van az eredeti ajánlás szerinti panelterv, vagy Reloop terve, sőt esetleg az is használható amit Én terveztem hozzá (itt látod milyen).
Alkoto! A te terved sprint layouttal van keszitve?? Mekkorak a meretei? (cmxcm)
Jó közelítéssel 135x120mm. De!!, a trafó terv szerinti elhelyezése egy minimális (alig hallható) búgást okoz. Erről olvashatsz itt néhány tapasztalást.
Sziasztok!
Én egy kis kéréssel fordulnék hozzátok. Tervezve lett ez a kapcsolás ,de csak legyártás után lett észrevéve ,hogy minden hol a 2 Db elkó kondi párosok párhuzamosan vannak soros helyett. Így most pár sávátvágással és pár átkötéssel szeretném sorossá tenni. Nem szeretném nagyon megbarmolni ezért a ti ötletetekre volna szükségem. Hogyan kellene módosítani a legkisebb belenyúlással?
Vegyél Axiális kondenzátorokat. Egy - egy lábuk a nyákba, egy - egy meg a levegőben egymáshoz kötve.
A hozzászólás módosítva: Júl 3, 2013
A kondik értéke 470 µF 200V .és ilyen nincs a helyi boltban
Köszönöm.
Akkor 2 sávot kell átvágni és 1 vezetéket betenni
Minta alapján mind megcsinálható, piros fólia átvágás, kék átkötés lesz. Alsó elkot polaritását meg kell fordítani.
A terv fólia vezetése sem igazán jó , töltő impulzusokat tovább vezeted, ezáltal a kimeneten kapott DC sem lesz igazán zavarmentes.
Én e szerint a rajz szerint csináltam:
Nem a rajzzal van baj, kivitelezéssel, fólia vezetésével, nem elkötésről beszéltem.
Fehérrel berajzolva mutatnám meg, hogy ezzel a kivitelezéssel az elkot töltő impulzusokat tovább viszed. Előző képen mutattam a jobb megoldást, ahol az elko kivezetéseire megy a fólia és onnan közvetlenül csatlakozik tovább, ez a jobb megoldás. A zöld a jó .., talán a kép szerint érthetőbb. A hozzászólás módosítva: Júl 3, 2013
Valami nem tiszta .
Azt írod tervezve lett egy kapcsolás , amit lentebb ki is tettél .Na most ezen én nem látom , hogy melyik kondenzátorok lennének sorosan kötve.Mindegyik amelyik a tápban van +/ - között vannak , és nem sorban. Egyébként miért kellene sorba kötni?Kapacitás növekedést úgy nem érsz el . Szóval nem egészen tiszta az egész, és szerintem az eredeti rajzhoz , amit feltettél jó a nyák terv.
Igen jól írja pjg
Nem kaptam megfelelö azaz 220 µF 400 V-os kondit. Ezért kerestem 5-6 ATX-es PC tápot.Azokban pedig szinte mindegyikben 470 µF 200V-os kondik vannak.2 Sorosan pedig 230 µF-400V. A kiegészítésért köszönöm CHZ-nak ,mert sosem tudtam miért tervezik így a nyákokat. DE ez már off.Remélem nem öl meg az admin
Már csak biztosítani kellene hogy mindkettőre azonos egyenfeszültség jusson, különben nagy durranás lesz...
(nincs két egyforma alkatrész, azonos szivárgóárammal)
sziasztok!
Némi infóra lenne szükségem a nyák rajzolat megtervezéséhez. A táp,jel és gnd huzalozásokkal kapcsolatban elég kevés infót találtam ahhoz hogy eldöntsem miként lehetne a legoptimálisabban kialakítani a vezetőpályákat. Konkrétan egy nyáklapra kerülne vagy 20 opa és minimalizálni szeretném a földhurkokat és kapacitív zavarokat. Ha volna valakinek valamiféle alaposabb doksija hogy is kéne ezt profin csinálni nagy segítség lenne.
Kijelenthetem ,hogy hibátlanul működik!
Köszönöm mindenkinek a módosítási ötletét
Sziasztok!
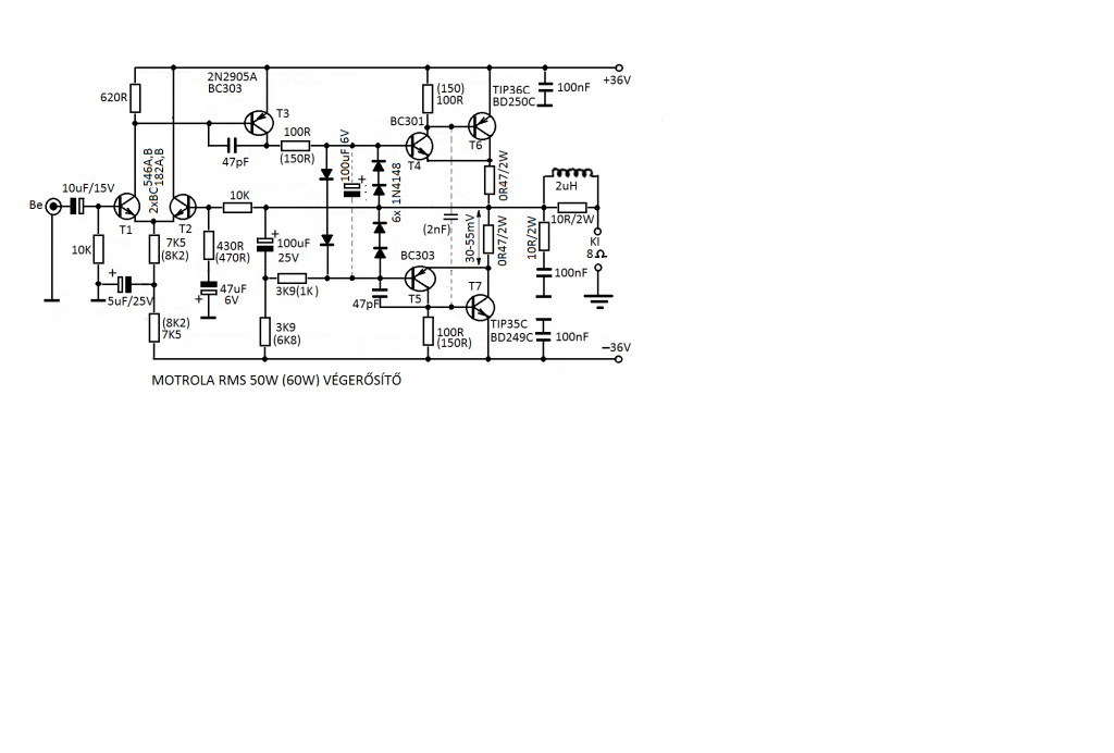
Tönkrement teljesen egy Renkforce SA9120-as erősítőben a végfok. Ebbe szeretnék egy viszonylag egyszerű, de jó hangú kapcsolást, amihez nem kell trimmer és nem ic-s (azért nem mert most másra kell a pénz és nincs trimmerem, szerezni sem tudok.). Kinéztem ezt a kapcsolást, meg is rajzoltam hozzá egy ilyen nyákot. A négy tranzisztornak mindenféleképpen ott kell lennie. Az lenne a kérdésem, hogy van-e benne hiba és milyen?
Szia! A 0,47 ohm-okat nem lehet elspórolni, kellenek az ésszerű nyugalmi áram előállításához.
Udv! En is elkeszitettem a nyaktervet. Igaz mind nagyobb labkiosztasu tranyokkal, hogy konyebb legyen a vezetosavokat osszekotni[ha kezzel kotod ossze]. Megkerem a tobbieket nezzek at legyenek szivesek. Igy hirtelen nem talaltam benne hibat, de tobb szem tobbet lat.
Hello! Kimenti kör hiányzik, mint ahogy a két 100nF-is a tápról. Átkötés nem kell, ott a szabd út. üdv!
Szia! Kimeneti kort direkt hagytam el, a hangszoro csatira szoktam kotni. A ket kondi jogos, de azt mindig csak a ket pufferkondi labaihoz rakom kozel. Ezzel a paneltervel martin96-nak szeretnek segiteni. Melyik atkotesre gondolsz?
A hozzászólás módosítva: Júl 4, 2013
Köszönöm a rajzot. Talán így is fel lehetne tenni a hűtőbordára. (másrészről szívesebben csinálnék valami más kapcsolást, ha több helyem és alkatrészem lenne). Még egy kérdés, ami van 4db sorbakapcsolt dióda, oda mehet 1n4007 is?
Inkabb probalj meg bontani oda valo diodat. Nem merem azt mondani hogy jo lesz. Lehet ott szukseg van a gyors-diodara. Vagy ha tudsz beszerezni, akkor nem nagy beruhazas. Szerencsere eleg kicsi lett a panelterv meg 10mm-es ellenallasokkal is. Meg biztosan lehetne kicsinyiteni rajta. Ha tetszik ahogy van, es a tobbiek is jovahadjak hogy jo nincs benne hiba, akkor keszitheted el. Azert csinaltam igy, mert volt hogy enis csak siman kinyomtattam, kifurkaltam a forrpontnal, es osszekotottem koromlakk, hibajavito, filc valamelyikel es igy konnyebb. Nem akarok offolni a temaban. Masik temaban[erosito mindig es mindig] kerdezd meg hogy kicserelheted-e a diodat masmilyenre. Utanna pedig jo utanepitest kivanok. Milyen vegtranyod van? Am az egyik kollega linkelt neked fetes vegfokot, ha van fet-vegtranzisztorod.
Hello! A 100nF-nak inkább itt a helye, mint a puffernél. (Sőt még elkót is szoktak ide tenni). A vezetősávokat célszerű megszélesíteni, mint "elmaratni". Átkötés égen-földön egy van benne, sok választási lehetőség nincs. Ami az elkóról megy a kimenti pontra. üdv!
Megnéztem amit linkelt. Az jobban tetszik, mint ez a Motorola.
Ha esetleg valaki megnézné azt megköszönném. A VR helyett egy sima ellenállást raktam be. Mert nincs trimmerem. A TINA szerint, meg így is jó lenne. A hozzászólás módosítva: Júl 4, 2013
Alakul! A kimeneti RCL elemek környékén látok egy kis bizonytalanságot.
Kicsit összébb lehetne tolni. Ha a NYÁK tervezőben az alkatrész réteget jelölöd aktívnak és kikapcsolod a réz réteget, máris látni fogod hol vannak nagy üres részek.
Te tudod... Ha neked nem ér meg 10Ft-ot hogy ne menjen gallyra az egész.
A hiba nem jelentkezik addig amíg csak 1-2 órát van bekapcsolva, de ha 1-2 napra bekapcsolva felejted akkor durranni fog.
Kicsit módosítottam még rajta.
Egész arányos már az elrendezés
A kimeneti pontot, mint írtam nézd át! C12-R15 testet kéne kapjon. Az R16+L-et a panelre is teheted, de jó máshol is. |
Bejelentkezés
Hirdetés |


















