Fórum témák
» Több friss téma |
Ha az eredeti kapcsolásban a második fokozat + bemenetéhez kialakítanál egy referencia feszültséget, és beállítanád a hiszterézist, akkor már rég készen lenne a feladat...
Az pusztán a vak szerencse műve hogy a következő kapcsolás működik, vagy nagyjából rendben lehet?
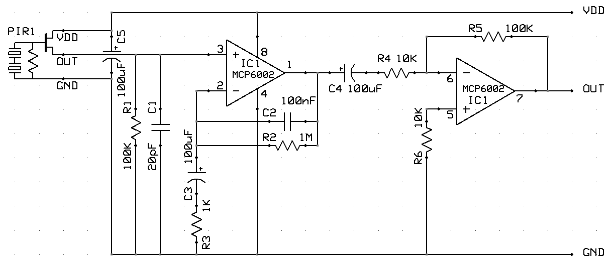
![]() Megtaláltam a PIC-es mozgásérzékelős wav lejátszó projektem pre-alpha próbanyákra gányolt változatát és tökéletesen működik. Remélem sikerült jól feltérképeznem minden átkötést és használt értéket. A PIR érzékelő ezen egy D203B, az opamp egy MCP6002, és akár 2V-ig le lehet ejteni a tápfeszt - jelen projektnél ez nem szempont, mert 5V-os környezetbe kerül. Egy BC548-al rákötöttem a CM109 hangkártya egyik hangerőszabályzó gombjára (belül fel van húzva, a gombnyomás földre húzza) és máris lehet olvasni a /dev/input/event* eszközfájlon a mozgásérzékelőt...
Sziasztok.
Elkészült a kapcsolás amivel az elmúlt pár hétben foglalkoztam. A nyák 2 oldalas lett ezért legyártattam inkább. Nem baj, legalább a suli "profibb" kinézetű cuccot kap. Csatoltam pár képet, az egyik maga a cucc a másik meg mérés közben.(+ tápfesz kicsit lecsúszott) De lenne kérdésem is. Az LM741 adatlapban a 4. oldalon a schematic diagramban mi a szerepe az R7, R8 által körülölelt jelöletlen tranzisztornak? Esetleg ellenállás szerepét tölti be? A hozzászólás módosítva: Máj 11, 2013
Szia! Az egy fix feszültséget ad Q14, Q20 előfeszítéséhez. Erősítőknél nyugalmi áram beállítónak is nevezik. Termikusan is stabilizálja ezt a nyugalmi áramot.
Köszönöm.
Sziasztok.
A feljebb említett műveletis 2 utas egyenirányító mérésekor a csatolt átviteli görbét kaptam. Mindegyik görbe egy-egy visszacsatoló ellenállás. A pozitív rész hamar törik. Miért? A ME TL084, +/-5V táplálás mellett. Még azt szeretném megkérdezni, hogy miért van az, hogy a fügvénygenerátoron beálítottam 1V Vpp-t és az oszcilloszkóp 0,7... Vpp-t mért. A hozzászólás módosítva: Máj 15, 2013
Végül is szimulációban is csak kicsikét jobb a helyzet. Miért törik hamarabb a pozitív oldal?
Mert ez egy ilyen műveleti erősítő. A kimenete nem tudja megközelíteni jobban a tápfeszt. Az a csoda, hogy csak a pozitív táppal műveli ezt, mivel a doksija szerint a negatív tápnál sem garantált ennél jobb működés.
Amúgy valószínűleg a különbség a kapcsolásból adódik: ha a kimenetet visszakötöd a bemenetre valamilyen módon, akkor nem elég a kimenetnek tudnia a tápot megközelíteni, de a kapcsolástól függően a bemenetre is érvényes lehet ugyanez az elvárás. Ez a műveleti erősítő a bemenetén aszimmetrikus: a negatív tápot bármennyire megközelítheti a bemeneteken levő feszültség (azt tudja követni), de a pozitív tápot nem. A hozzászólás módosítva: Máj 15, 2013
Köszi. Ez az asszimetrikus viselkedés megvan valahol az adatlapban? Mert akkor írhatnák róla a szakdolgozatba magyarázatként.
Common-Mode Input Voltage Range címen. A Maximum Output Voltage Swing meg a kimenet hasznos tartományáról mesél.
Amúgy megnéztem, és rosszul emlékeztem: a TL084-nél pont fordítva van, a bemeneten a felső tápfeszt tudja kezelni, és az alsó tápfesz közeli értékeket nem (gondolom invertáló kapcsolásban használod, azért okoz gondot a bemeneten az alsó tápfesz). Az LM324/LM358 pl. ennek a fordítottja, azok az alsó tápfeszt tudják kezelni, és a felsőt nem.
Igen, invertáló szumátor a kapcsolás. Ezt a kapcsolást használtam fel: http://sound.westhost.com/appnotes/an001-f4.gif
Hello!
A "hiba oka" abban áll, amit _vl_ írt. De egyszerűen fogalmazva ez van! - Mert +-5V alkalmazása esetén, az IC kimeneti feszültsége maximum +-3,5V lehet. (Adatlapon látható, hogy 10kohm terheléssel és +-15V tápfesszel a kimeneti feszültség tipikusan 13,5V lehet. Vagy is a kimenet nem tudja 1,5V-nál jobban megközelíteni a tápokat.) - A CMRR bementi jel tartománya a +-15V tápfesz esetén +15V és -12V között lehet. Vagy is a bement a plusztápot megközelíthetné, de a negatív oldalon 3V-al el kell maradnia. Így a meneti feszültség +-5V esetén +5V..-2V-ig terjedhet. - Az első fokozat kimenti feszültsége , még a -3,5V-ot sem érheti el, mert ott van még a dióda kb. 0,5..0,7V nyitófeszültsége is. Vagy is annak kimeneti feszültsége 0..-3V körüli lehet csak (egyenirányítást is figyelembe véve). Mivel az erősítése a fokozatnak egyszeres, bementi feszültsége eleve maximum +-3V lehet. - A második fokozat erősítése bemenet felől nézve egyszeres, viszont az első fokozat felől nézve kétszeres. Ha ezt a +-3,5V kimeneti feszültségre nézzük, maximális bementi feszültsége első fokozat felől 3,5V/2=1,75V. ez bele fér az első fokozat kimeneti-bemeneti jeltartományába, de alapvetően ez határozza majd meg a maximális bemeneti feszültségét a teljes áramkörnek. - A karakterisztikáidon látható is, hogy a +-1,75V jeltartományig nincs is semmi gond. Ha "fokozatosan" szimuláltad volna, vagy is elsőként elhagytad volna a hátsó összegzést és a diódákat és mind két fokozat kimenetére feszültségmérőt tettél volna, valamint fokozatosan építenéd be az alkotóelemeket, akkor láthattad volna hogyan alakul a dolog, és miért olyan a karakterisztika amilyen.. üdv!
Köszönöm a válaszotokat. Már érthető a dolog. Megyek kipróbálom szimulátorban is.
Hello
A műveleti erősítők mennyire viselik el a - tápfesznél negatívabb bemeneti jeleket? Szeretnék használni egyet aszimmetrikus tápfeszültséggel, gyárilag tudja az aszimmetrikus táplálást. Adatlap szerint 0,3Val tud a VSS alá menni a bemenet. Nekem ez pont jó is lenne, mert kb -20mV-os DC jelet akarok erősíteni invertáló kapcsolásban, tehát a nem invertáló bem. a földre van kötve. Kérdésem az, hogy lehet-e pontos erősítésre használni ilyen tartományban? 200x erősítést akarok, invertáló módban és 0..-20mV bemeneti feszültséggel. Azért akarom így használni, mert ha pozitív feszültség kerül oda, akkor szimplán lemegy (majdnem) 0-ra, egy felhúzó ellenállást szánok oda +5V-ra, a bemenet megszakadása ellen. Erről az ic-ről van szó, egyébként rail-to-rail be és kimenettel rendelkezik. Bővebben: Link
Van némi szóértési probléma.
Idézet: „Adatlap szerint 0,3Val tud a VSS alá menni a bemenet” Nem tud, mehet. (károsodás nélkül) Azért ez nem üzemi állapot, csak elviseli az IC. Óriási különbség. Ha negatív jelet is kell erősíteni, tessék használni kettős tápot, és akkor semmi akadálya. Nem feltétlen fontos szimmetrikus tápot használni, de ha a kivezérlés nagy, akkor ajánlatos.
Azért nem akarok negatív tápfeszt használni, hogy a kimenet se menjen 0 alá, mivel egy mikrokontroller lesz utána és ott is GND-0,3 lehet a minimum bemenet, soros dióda nem megoldás, mert feszültséget akarok mérni, párhuzamos se, mert eddig nem találtam ilyen kicsi nyitófeszültséggel diódát. Invertáló kapcs. azért van, mert szükségem van arra hogy az egyik műv. erősítő bemenet földre legyen kötve közvetlenül.
A TLC277-et nézd meg, hogy jó-e neked. Annak a bemenetei szimpla táp esetén is tudnak 200mV-al a "táp alatt" működni. (tehát nem csak kibírja, hanem működik is) Annnyiban rosszabb a Microchip IC-nél, hogy tipikusan 200uV-os offeszethibája van (max 500uV)
Persze az IC mehetne asszimmetrikus kettőstápról is pl. +5V , -0,3V és a probléma meg is van oldva, a kimenet biztosan nem megy -0,3V alá....
Még valami: a kisfeszültségű schottky diódák között találhatsz 150...200mV-os nyitófeszültségű tipusokat, ezekkel megvédhető a uC bemenete akkor is ha kettőstápról megy az opamp (ilyen megoldást már készítettem).
Szerintem az adatlapból nem ez derül ki...
Ha a Common-Mode Input Range Vss-0.3V-nál kezdődik, akkor bizony annak az IC-nek a Vss-0.1V-os bemenet üzemi állapot. Az Absolute Maximum Ratings megint más, az itt Vss-1V. Egyébként a problémához visszatérve: az invertáló kapcsolásnál - emlékeim szerint - a műveleti erősítő "+" bemenete egy fix feszültségre van kapcsolva (ehhez képest invertálunk), és üzemszerű működés esetén a "-" bemeneten is pont ugyanez a feszültség áll elő. A fix feszültséget >=0V-ra kell választani, és a probléma meg van oldva.
Sajnos az nekem túl sok, max 100-150uV alatt akarok maradni az offszettel, amit még néztem az szintén Microchip, MCP6V06, ennek még kisebb az offszetje, Bővebben: Link de még körbenézek milyent találok ami belefér a keretbe és be is tudom szerezni.
Köszönöm a tippet, akkor még jobban körbenézek a schottky-k között, hogy van-e smd tokban, majd eldöntöm, hogy a tápra vagy a kimenetre rakom. _vl_: A "+" bemenetet mindenképpen a földre kötöm. Úgy tervezem a nyákot, hogy utólag is tudjam variálni, de először kipróbálom, hogy működne VSS-nél kisebb feszültséggel. A hozzászólás módosítva: Máj 23, 2013
Szia!
Invertáló kapcsolásban nyugodtan használhatod. Invertáló kapcsolásnál, ha a neminvertáló bemenetet a földre kötöd, aktív tartományban az invertáló bemenet is a földpotenciálon lesz, ahogy _vl_ is írta. A bemeneti ellenálláson fog esni a feszültség, ami a bemenő negatív jel és a földpotenciálon lévő invertáló bemenet között van. A bemenetre azért érdemes védő diódát tenni, ha valamiért kikerülne az aktív tartományból, védve legyen a bemenet.
Köszönöm a megerősítést, a mikrokontroller bemenetére mindenképpen rakok egy zener diódát ez védi a pozitív túlfeszültség ellen, negatív pedig nem lesz.
Üdv mindenkinek!
A csatolt képen látható rajzzal kapcsolatban lennének kérdéseim. Az alapkoncepció a 2. és a 3. műveleti erősítő közt levő equalizer volt (ezt külön csatoltam). A hangerő és az eq potijait digitálisan szeretném szabályozni. A digitális rész már működik (ds1801,ds1803,pic16f677). A cél az, hogy úgy módosítsam az eq kapcsolást, hogy egyik poti se kapjon 0-nál kisebb feszültséget. A cél elérése érdekében előfeszítettem a tápfesz felével második műv. erősítő nem invertáló bemenetét. Így a kimenete is beállt a táp közepéhez. Ez miatt került be c7, hogy ne legyen ohmos terhelés (10u-val nem hiszem hogy beleszól a frekvenciaátvitelbe). így véleményem szerint az eq kör potijai és az egész eq rész elő van feszítve 2,5 voltra (a tápfesz 5v). A második Műv. erősítő előtt levő két poti hangerőt állít és nekik is kell az előfeszítés. c8 és c9 azért kell hogy a hangjelet ki tudják nullázni a potik, az előfeszítés megmaradásával. Hogy a bemenet ne terheljen (főleg az előfeszítés miatt) odatettem még egy fokozatot. Ezzel a visszacsatolással (12k,47k) és az eddig említett előfeszítésből végülis 2,6 volt adódik, tehát ennyin fog állni a a következő fokozat bemenete és az egész eq rész. A tl047 esek helyett a hestoreban kapható 5 voltról is működő rail to rail vezérelhető lmv 358 erősítőket szeretném használni ugyanis nincs szükség nagy erősítésre viszont nagyon praktikus lenne az 5 voltos tápfesz. Mivel eddig nem igazán kísérleteztem még műveleti erősítőkkel, az lenne a kérésem, hogy nézzétek meg a rajzot meg amit írtam és szóljatok ha van hiba/hiányosság a gondolatmenetben vagy ha tudtok ésszerűbb megoldást a problémára. Köszi
Szia! Már az első IC-nél (OP2) kezdődnek a bajok. A neminvertáló bementet 1/2 tápfeszültségre kéne tenni és a kimenetről DC visszacsatolni az invertálóra. Ettől máris létrejön a kimeneti 1/2 tápfesz is. Ugyan ez a hiba tér vissza a végén OP1-nél.
Szia!
Köszi a választ! A javított verzióban az első ic szerepe gyakorlatilag az, hogy az áramkör bemenete ne terheljen a feszültségosztóval. Ez az első fokozat még nem kell hogy 1/2 tápfeszen álljon mert el van csatolva c16 al. Ennek fényében is hibás? Egyébként lenne egy random kérdésem amit nem értek: Alapból ha nincs semmi egy múv erősítő bemenetén akkor hova áll be a bemenete és miért? Idézet: „mert el van csatolva c16 al. Ennek fényében is hibás?” Alaptétel: ha a műveleti erősítő egyik bemenete DC-ben szakadt (= csak egy kondi csatlakozik oda), akkor az a kapcsolás biztosan hibás.
Á
Értem. Akkor viszont ha az első verzió első fokozatának csatolását használnám akkor jó lenne? ott az ivertáló bemenetre vissza van csatolva a 2,5 volt amivel így lejjebb húzza az egészet, de ezt is beleszámolva kihoztam ilyen 2,6 volt. csak gondoltam, hogy minek fűtsön a műv. erősítő ha el is lehet csatolni? dehát akkor ilyet nem szabad
Mi lenne jó? Az első verziódban is csak egy szál kondit látok a legelső műveleti erősítő egyik bemenetén...
|
Bejelentkezés
Hirdetés |

















