Fórum témák
» Több friss téma |
Fórum » Fényorgona
Dinamikus futófénynél vagy fény efektnél talán megérté számolni a leütéseket a zenében, és - vagy figyelni az egyes leütések szüneteit. Na de ez csak vicc. Mert elég komoly számítási teljesítmény kellene ahhoz, hogy egy egy ütem idejéből valami elfogadható fényeffektet lehessen kivarázsolni. Egyszerű analóg áramköröknél már az is jó eredménynek számít ha elfogadhatóan ki tud értékelni ( jelezni ) egy egy adott frekvenciasávot. Kovidivi írásából arra következtetek ( Becsületére válik, hogy ő megépítette, tesztelte, gyakorlatban is az áramkört. ), hogy ezt az "elfogadható" paramétert a te kapcsolásod maradéktalanul teljesíti. Szerintem is csak pontosítani kell a paramétereket.
A hozzászólás módosítva: Jan 23, 2013
Ha majd egyszer nagyon ráérek, akkor összedobom én is azt az áramkort egy próbapanelon. A puding próbája....
Szia!
Nehogy azt gondold, hogy én nem vagyok elégedett a kapcsolással! Nekem meg van építve, azokkal az értékekkel, amit ajánlottál, és jó kis látványosság zene mellé. Store92 szeretné PIC-kel összekötni, és ezért ajánlottam, hogy a kimenetén kicsit alakítani kell, és jó is a kapcsolás. Egyébként nekem nincs szükségem BPM számlálóra, azt egyébként is valami processzorra kellene rábízni, mert nem egyszerű az ütemek megállapítása.
Az alsó LED-es részt ne hagyd ki, az nagyon jól néz, jó ötlet volt nagyon!
Sziasztok!
Ma kaptam egy elemeire szedett fényorgonát. A baj csak az vele, hogy számomra teljesen ismeretlen eredetű. Nem tudom azt sem, hogy gyári-e, vagy valaki kézzel pacsmagolta-e. Ugyan vannak pacsmagolásra utaló jelek... A kérdésem, hogy valaki felismeri-e ezt a fényorgona panelt, és jó-e a rajz amit vissza rajzoltam? Nekem kissé furcsának tűnik, hogy a vezérlő áramkörtől nincs elválasztva a hálózat nulla pontja (vagy fázis, mikor melyik kerül rá...) Ugyan van egy leválasztó transzformátor az elején, de nem kevés ez? Magát az áramkört még tönkre tudja tenni a hálózat.... Fényorgona (ismeretlen eredetű)
Hello! Amit visszarajzoltál, ránézésre működőképesnek tűnik. A végfokozatban vélhetően nem tirisztor, hanem traiac működik. (Ez a KT Tesla triac a "drótlábáról" nézve.) Véleményem szerint a nyák saját gyártmány.
Abban nincs semmi különös, ha az áramkör belső része kapcsolatban van a hálózati feszültséggel. Csak érintésvédelmi szempontból, megfelelő legyen a készülék. A készüléke tönkre tudná tenni a hálózat, de miért is tenné? (A földelések jelölése gondolom csak a TINA miatt vannak.) A bemeneten lévő transzformátor érintésvédelmileg megfelelő típusú, akkor az erősítőtől kellő képen elválassza a hálózati részeket. A neuralgikus rész lehet a potik tengelyének szigetelt kialakítása. Mert az nem igazán felel meg a szabványnak, ha fém tengelyű. üdv!
Szia!
A nyákba KT206/400-as félvezetők vannak beültetve. Az adatlapja Nekem Tirisztort ír. Rendben. Akkor megpróbálom összehozni a hálózattal. Minden esetre az érdekes, hogy a transzformátor után van egy becsatoló kondenzátor is. Oda pedig köthetem a direkt jelet, esetleg mikrofon-előerősítőt? A potméterek amik hozzá voltak, fém tengelyű régi REMIX típusúak valami nagyon fura fekete trutyival lekenve, gondolom az volt hivatott ellátni a szigetelést. Nem egy életbiztosítás, szerencsére vannak jó kis "gagyi" műanyag potmétereim is. ![]() Szerk: A földeléseket a Tinában pont ugyan úgy jelöltem be, ahogyan a panelen vannak. Egyetlen egy földelés van, és azon van közösítve minden. A tirisztor katódjai is. A hozzászólás módosítva: Máj 31, 2013
Hello!
- Nem kizárt, működés szempontjából, hogy tirisztor legyen benne, de ha a hálózat nincs egyenirányítva, akkor csak félhullámban fog működni a kapcsolás. Vagy is a lámpák félfénnyel (pontosabban még annyival sem) fognak égni. - Még véletlenül sem köthetsz a kondira direkt jelet. A kondi nem válassza el galvanikusan az áramköröket egymástól (mint pld. a trafó) csak az egyenáramot választja le a váltakozóáramról. Mivel a hálózat váltakozóáram, simán átmegy rajta, és orrba vág. - A műanyag tengelyű poti ugyan tényleg gagyi, de érintésvédelmi szempontból, százszor többet ér. De ha nem értesz ehhez az érintésvédelmi témakörhöz, jobb ha minimum egy villanyszerelőnek megmutatod a készüléket, mielőtt használni fogod. Vagy válassz egy olan kapcsolást, ahol oprtocsatoló van a kisjelű áramkör és a hálózat között. Ott biztonságban érezheted magad, ha a kivitel megfelelő. (Alkotó, komplett és korrektebb áramkört tett már fel mint ez.) - Az a földelés, semmi estre nem "FÖLDELÉS". Az a hálózat egyik pontja célszerűen a nulla lenne, de tekintve, hogy ez egy "dugvillás" készülék, az akár a fázis és a nulla is lehet. Föld pontosabban az "érintés védelmi földelés" semmi képen nem! Kissé el kellene mélyedned a villanyszerelés/érintésvédelem egyszerű rejtelmeibe, vagy amíg ez nem tiszta, ne készíts hálózattal közösített áramköröket. Ezt mint jó tanácsot mondanám.. üdv!
Szia!
Én földelés alatt közel sem a hálózati védőföldelésre gondoltam. Ha a védőföldelésre gondoltam volna, akkor azt mondtam volna. Nálam a földelés az az áramkör közös vagy szinonimáját emlegetve GND pontját jelenti. Egyébként gondoltam rá, hogy adok neki optocsatolót, de akkor már a nyákot is át kéne tervezni, annak pedig számomra semmi értelme. Alkotó terve valóban 1000x jobb megoldás lesz, de majd csak a közeljövőben.
Szia!
Én földelés alatt közel sem a hálózati védőföldelésre gondoltam. Ha a védőföldelésre gondoltam volna, akkor azt mondtam volna. Nálam a földelés az az áramkör közös vagy szinonimáját emlegetve GND pontját jelenti. Egyébként gondoltam rá, hogy adok neki optocsatolót, de akkor már a nyákot is át kéne tervezni, annak pedig számomra semmi értelme. Alkotó terve valóban 1000x jobb megoldás lesz, de majd csak a közeljövőben.
Hello! Az marikai szoftverek ezt a GND jelet használják sajnos. Én is ezzel rajzolom az áramköröket. De ahol kimondottan hálózattal kapcsolatos részek vannak, ott célszerű tartózkodni ettől a jelöléstől, mert félreérthető.. üdv!
Sziasztok!
Régi tervem egy ledes fényorgona készítése, de mivel az IC-khez nem értek, és mindent magamtól szeretek elkészíteni, összehoztam magamnak egy nagyon egyszerű áramkört, ami 3 RC szűrőből és 3 tranzisztorból áll. Idáig jó is lenne, de szeretném potenciométerekkel állítani a három csatorna érzékenységét, de úgy, hogy a potik ne zavarjanak be a szűrők frekvencia-áteresztéseinek. Segítségeteket előre is köszönöm
Hello! Ez egy kissé túlegyszerűsített megoldás. Használj a bemeneten kis ellenállású potit. pld. 3db 1koh-ot. Ez úgy is maximum egy végfok kimenetére csatlakozhat, az meg elviseli a 330ohm terhelést. üdv!
Hello! Hangkártyára terveztem, nem végfokra, de közben tesztelgettem egy tranzisztor, egy led felállással, és rájöttem, hogy ez nekem nem világít eléggé. (Fl studióban torzítás határáig húzva már majdnem elfogadható fénye volt), úgyhogy kicsit körülnézek, hátha találok valami jó kis kapcsolást, aztán majd még fogok ide segítségért írkálni, szerintem
![]() üdv.
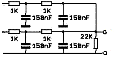
Hello! Letettem a kedvedért ide egy rajzot, hogy tanulmányozhasd a megoldás lehetőségét. A szűrődet esetleg a C4-re tudod kötni, mert ennek bemeneti ellenállása megfelelően magas, hogy ne változtassa meg a frekvencia menetet. üdv!
A hozzászólás módosítva: Jún 15, 2013
Kezdő létemnek köszönhetően nem teljesen értem ezt a rajzot. Hogy tudnám háromba osztani a jelet? Csak simán C4 és Q2 között hárommá osztom, és mindegyik megy külön szűrőre? Mert így nem tudom a három csatorna érzékenységét külön irányítani. Esetleg az is megoldás lenne, ha mindhárom szűrőre külön kötnék egy ilyen szerkezetet? (A szűrő kimenete menne a mikrofon helyére)
üdv. ui. Illetve az érzékenység határait csak simán a potméter méretezésével tudom szabályozni? A hozzászólás módosítva: Jún 16, 2013
Hello!
Nem jól látod a kérdést. Ha három szűrőd van, az a jelet a PC-ről kapja. Három szűrő kimenete, meg három önálló vég fokozatra. Ami a C4-től jobbra van. Hiszen három Led-sort szeretnél önállóan hajtani.. üdv! A hozzászólás módosítva: Jún 16, 2013
sziasztok! kis segítség kellene van egy 3 csatornás fényorgonám illetve sztereo erősítőm hangszín szabályzóval sikerült megépítenem és működik külön külön ,de egybe akarom őket építeni ehhez van 1 trafóm is fényorgona tápja 12 V az erősítő 2 panelon van külön külön 20 V a táp ezeket így ,hogy lehet összeépíteni a trafóval azt tudom,hogy kelll greatz -híd arra lennék kíváncsi ,hogy az összekötések ,hogy vannak kimenetek és bemenetek mit merre kössek köszönöm!
Hello! Nem gondolod, hogy mind két áramkörnek a rajzát is látni kellene, meg a trafó adatait is tudni? üdv!
igaz gépen nincs fent holnap felteszem kompleten!
Sziasztok! Szeretnék építeni egy áramkört, ami nem pont fényorgona, de ehhez áll a legközelebb.. Szóval a feladat: PC kimenetére (hangkártya) kötve a zene ütemétől, hangerőtől függően villogtasson egy vagy több izzót ehez már kigondoltam egy kapcsolást. ennek az elejére még kötnék egy szűrőt is ami csak a mély hangokat engedi át, ha van egyszerűbb mód a mélyhangszűrésre azt is szívesen várom. mellékletben vannak a kapcsolások, nyákok, arra lennék kiváncsi hogy működhet e így?
Sziasztok. Van egy ilyen elektronikám amire 192 darab led van kötve. Ezzel nincs is baj. Működik ahogyan kell neki. Ám van nekem egy 5 izzóból álló fényorgonám is amit szeretnék ezekkel a ledekkel együtt villogtatni. Az az elképzelésem, hogy a mostani elektronika kimenetére teszek egy optócsatolót és egy triakot az optóra adom a ledekre is jutó áramot és a triakkal kapcsolgatom az izzókat.
Meg oldható ez, vagy valami más kéne?
Hello! Megoldható, nullátmenetes MOC optót használj hozzá. Kapcsolás az adatlapon.. üdv!
Köszönöm, akkor egy MOC 3062 elvileg jó lehet.
Bakker,* nem jó... A triak váltóáramot tud csak kapcsolgatni, nekem meg egyenáramot kellene...
*Nem hinném, hogy helyénvaló egy ilyen megjegyzés! A hozzászólás módosítva: Júl 28, 2013
Nem lenne egyszerűbb, ha egészben elmondanád hogy pontosan mit szeretnél?
Úgy értem a dolgot, hogy nem innen-onnan összeszedett kapcsolásokat linkelsz hogy valami hasonló kellene, csak még talán az űrkomp leszállását is tudja vezérelni, hamár úgyis villog
Ami rajzot linkeltem azt én terveztem, meg van építve működik, 192 ledet villogtat.
Emellett van még egy 5x20W izzóval szerelt fényorgonám is aminek mechanikus vezérlője van, amit ki szeretnék váltani. Arra gondoltam, hogy ez az 5 izzó villoghatna a ledekkel együtt. Közvetlenül nem köthetem a ledekhez, mert a rajzből is látszik a ledek egy 15V-os fesz.stabről kapják a tápot ami 1A tud. Azért arra gondoltam, hogy a meglévő elektronika kimenetére (ahol 15V jelenik meg a zene ütemére) teszek egy optócsatolót és egy triakot ami bírja az 5 izzó áramát. Csak ott tévedtem, hogy nem vettem figyelembe, hogy nekem az izzókhoz egyenáram kellene( tudom váltóról is ugyan úgy világít)a triak pedig csak váltóáramot tud kapcsolgatni, a másik, meg, hogy 12V-ból egyenáramból van annyi amennyi meghajtja az 5 izzót.
Hello! Olyanok vagyunk már mint a hülye férj "mindent utólag tudunk meg".. Jó hogy kibökted, hogy 12V-osak az izzók. De ezt a formát kell követni. De ne feledd, hogy a 100W-nyi terhelés 12V-ról 8,3A áramot vesz fel. Ha már ég! De bekapcsoláskor, ennek akár az ötszörösét is. A Fet típusát ez szerint kell megválasztani, vagy mind az öt lámpának külön kapcsolást tenni. (De ne azzal gyere, hogy a Fet adatlapon 40A van. Mert az akár lehet is, csak nem fogja elvinni. Valamint a komparátor áramköröd nem hiszterézises a kapcsolójel lassú lesz, amitől a Fet még jobban melegedni fog.) Optot bármelyiket használhatod.. üdv!
Igen tudom, a hideg izzó sokkal nagyobb áramot kér. Köszönöm a válaszokat, szerintem marad a mechanikus dolog, ennyire most nem szeretnék ebbe belefolyni, csak egy hirtelen ötlet volt.
|
Bejelentkezés
Hirdetés |

















