Fórum témák
» Több friss téma |
Halihó!
Ez egy CDI elektronika kapcsolási vázlata.A gerjesztő tekercs legjobb tudomásom szerint max 300V al képes tölteni a C2 kondenzátort, ha jól emlékszem 0.3-1 A on.c1 c2 c3 kondik feszültség értékeire lennék kíváncsi. Valaki tud ebben esetleg segíteni? A kapcsolást egy "max" nevű fórumozó tervezte simsonra alakított babettagyújtáshoz.A gerjesztőtekercs egy kisvasmagos világítótekercs 0.17mm a huzalátmérő és 2400körüli a menetszámmal! A kapcsolás működéséről is eshet szó esetleg részletesebben, a lényeget értem azthiszem(a tekercstölti a kondit ami a megfelelő időpillanatban kisül a jeledó jelére). Előre is köszönöm!!
sziasztok valaki tudna segiteni abban hogyan kell kimérni a simsonon a tirisztor elektronikát hogy jo e vagy nem?
Hát a helyzet az hogy nem nagyon tudod kimérni. Vagy megy, vagy ha nem akkor kakukk
De egyébként én az egyik elektronikával vagy 100km mentem a másikkal annak ellenére hogy a gyártó azt mondta jó el se indult. Utána mindezt megelégelve csináltam egyet én, és azóta érdekes módon tökéletesen megy!
Sziasztok!
Építenék egy akkus gyújtást amiben kellene egy kis segítség, hogy mit kell cserélnem mekkorára ha nem 6 hanem 12 voltos a rendszerem .Mellékelem a linket és a kapcsolást is külön kinek melyik a szimpatikusabb ![]() Bővebben: Link
Szia!
Ezzel sokkal jobban jársz lényegesen egyszerűbb felépítésű, kevésbé melegszik és kevesebb alkatrész is kell hozzá. (nálam hibátlanul tette a dolgát) rajz és leírás
Köszi azt nem látom a leírásban lehet csak én vagyok vak így estére de ez mekkora áramfelvétellel dolgozik, és még hogy ha nem akarok akkora trafót felrakni mint a ladáé, akkor a tirisztoros simóé is jó oda helyette?
Igen jó és az egyik fet is elmaradhat, ezt az áramfelvételes dolgot nem igazán értem magának az áramkörnek nincs szinte semekkora áramfelvétele a gyújtásnak meg ugyan akkora mint eddig volt.
Sziasztok!
Olyan gyújtás létezik-e, ahol maga a gyújtás tirisztoros, de a jelet nem a jeladó tekercs adja, hanem a megszakító? Találkozott már valaki hasonlóval? Szeretném felhasználni a tirisztoros gyújtótekercset, és tennék még mellé két világítótekercset és meg lenne oldva az erős világítás is. Kiborg
Sziasztok!
A szomszédom megkért, hogy építsek neki tirisztoros gyújtás a Simsonjára. Tudnátok ajánlani egy jól bevált egyszerű kapcsolást? Nézegettem a neten, találtam többet is, de nem tudom, melyiket építsem meg... A motorokhoz egyáltalán nem értek, PIC-es dolgokat szoktam csinálni, a motoron kell valamit alakítani hozzá, vagy csak az eredeti gyújtás helyére be kell rakni az újat és kész? Elnézést, ha láma a kérdés. Köszi, E.
Szia!
Van egy link egy fetes kapcsoláshoz egy kicsit feljebb, ami jónak tűnik. Az elektronika meg illeszthető a megszakító áramkörébe, hiszen az elektronika fogja innentől kapcsolni a trafo feszültséget, a megszakító meg vezérli az elektronikát. Sok előnye van ennek. Nem ég be a megszakító, stb... A hozzászólás módosítva: Ápr 17, 2013
Elolvastam a cikket, ha 6V-os a motor, mi a teendő?
Szia!
Nos, én nem építettem meg ezt a kapcsolást, de véleményem szerint a 470 Ohm/2W helyett 220 Ohm/2W, a 180 Ohm/2W helyett pedig 100 Ohm/2w ellenállással tökéletesen üzemelne 6V -s rendszerről. Emellett, véleményem szerint elegendő lenne 1db. fetet használni. Üdv.
Köszönöm a gyors, pontos választ
![]() Lenne még egy kérdésem, ez használható MZ TS-hez is?
Szia!
Tudomásom szerint (bár ez nem a legfrissebb) az MZ125 -t, 6V -s dinamós rendszer. A gyújtása akkumulátoros gyújtás, megszakítóval. Így minden további nélkül felhasználható az előzetesen beszélt elektronika ide is.
Üdv!
Milyen elektronika van hozzá?Véletlenül nem zárja rövidre az egyik félperiódust? Nekem is cdi van rajta már 2 éve házi elektronikával bt151-el ,de nekem soha nem volt semmi baja eddig.megszakítós trafóval,amit most egy pici tv nagyfesz trafóra akarok cserélni a kis mérete miatt. http://www.youtube.com/watch?v=IN5i9W0wOTA Házi vagy gyári elektronikád van hozzá? Tic106 meg ilyen szemeteket szerintem dobd el,én is kísérleteztem olyannal de nagyon könnyen beadja a kulcsot.Nem a reklám helye de a bt151 nekem tökéletesen bevált,de ha valami az adatlapját nézegeti már akkor is sokkal szebbnek látja.Szerintem egy cdi gyújtásba inkább bt151 való,mert nagy áramot tud kapcsolni,és nagyobb gerjesztő áram kell neki,így nem fog csak úgy véletlenül ,,bekapcsolni". A hozzászólás módosítva: Máj 24, 2013
A c2 minimum 300 voltos legyen,a többinél elég az 50 voltos is bőven.
Sziasztok,
ezt a kapcsolást szeretném megépíteni, csak 1µF helyett 470nF-os kondenzátorom van itthon. Működőképes ezzel a kondival?
Ha van belőle kettő és párhuzamosan kötöd akkor biztosan. Ha csak egy van akkor próba szerencse.
Van belőle kettő...
A hozzászólás módosítva: Jún 1, 2013
Szia!
Megépítettem az általad javasolt módosításokkal 6V-os MZ-hez, eredmény; alacsonyabb, stabilabb alapjárat, nagyobb nyomaték. Köszönöm a segítséget!
Az miért van, hogy a simsonomba akármilyen gyertyát veszek vagy rakok bele mindel alig van szikra.
Ugyan nem vagyok szakértő, de először nézd át a kábelezést, ha minden ok, próbáld meg másik trafóval, ha így se megy, csináld meg hozzá azt amit pár hozzászólással följebb ajánlott nekem Subi kolléga!
Ha hagyományos gyújtás van rajta, az is lehet, hogy túl nagy a gyertyahézag. Gyárilag általában 0,7mm re vannak a gyertyák beállítva általában, de a Simsonnak 0,4mm kell.
Sziasztok!
Ezt a kapcsolást szeretném meg építeni , és a tanácsotokat akarom kérni. A kapcsolási rajzon nem látom milyen trafó kell bele , vagy lehet hogy csak én vagyok vak. :S A jeladást végezheti a kalapács? Előre is köszi a segítséget nektek!
Ha kérdés van írj, segítek.
Hello
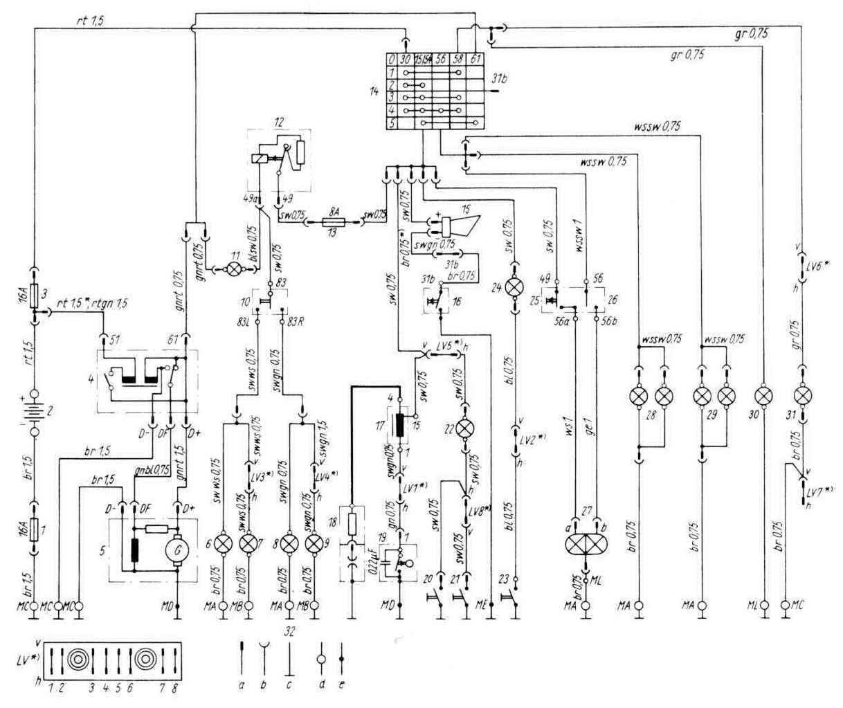
Segítségre lenne szükségem!! Simsonomon tirisztoros gyújtás van. Eddig minden rendben volt, de most bekötöttem a fék lámpát az persze jól működik, de ezzel ellentétben nem tudom leállítani a gyújtás kapcsolóval a simsonomat. A gyújtás kapcsolón csak a hátsó világítás testje és a tirisztor egységről a 2-es számról érkező kábel van(a világítás külön kapcsolóval működik). A simson akkor áll le ha ezt a 2-es számról érkező kábelt hozzáérintem valamihez, azaz testet kap. Amikor észleltem ezt a problémát mindent visszaállítottam a féklámpa előtti időszakra de a hiba továbbra is megmaradt. Az lenne a kérdésem ha valaki tudná a választ, hogy az egységen az a 2-es szám az mit csinál vagy hogy tudok életet lehelni a gyújtás kapcsolóba mert próbáltam másikkal de azzal se jó. Próbáltam testet adni a gyújtás kapcsolónak de sehogy se működik. Remélem nem én toltam el nagyon a dolgot ![]() Előre is köszönöm Gergő
Sziasztok jelenleg a simsonomban egyenlőre hagyományos mexás gyújtás van, de a kis kondi folyton elmegy nyaralni és így a megszakítóm nagyobb szikrát ad mint a gyertya , lehet ezt védeni vagy helyettesíteni valami strapabíróbb cuccal?
|
Bejelentkezés
Hirdetés |





De egyébként én az egyik elektronikával vagy 100km mentem a másikkal annak ellenére hogy a gyártó azt mondta jó el se indult. Utána mindezt megelégelve csináltam egyet én, és azóta érdekes módon tökéletesen megy! 










