Fórum témák

» Több friss téma
Fórum » Műveleti erősítő
 
Témaindító: petrik, idő: Júl 31, 2005
Lapozás: OK   39 / 112
(#) buci009 válasza _vl_ hozzászólására (») Máj 27, 2013 /
 
akkor ha azt a bemenetet még mondjuk 100k-val a földre húznám?
(#) _vl_ válasza buci009 hozzászólására (») Máj 27, 2013 /
 
A találgatások helyett inkább javasolnám valami szimulátorral a közelebbi barátságba kerülést... igen, látom, hogy ezzel készült a rajzod, de talán ki is próbálhatnád vele.
A hozzászólás módosítva: Máj 27, 2013
(#) reloop válasza buci009 hozzászólására (») Máj 27, 2013 /
 
Hangfrekvenciás jelátvitelben a műveleti erősítő kimenetét fél tápfeszültségre szokás állítani annak érdekében, hogy a lehető legnagyobb amplitúdót tudja torzítás mentesen átbocsájtani.
Műveleti erősítő bemenetét semmilyen körülmények között sem hagyjuk szabadon!
(#) buci009 válasza reloop hozzászólására (») Máj 27, 2013 /
 
Köszönöm a választ!
Ilyesmire gondoltam egyébként amikor kérdeztem.
Elolvasgattam én amit a neten találni lehet, de azokban nincs igazán kitérés a gyakorlati dolgokra.
(#) buci009 válasza buci009 hozzászólására (») Máj 27, 2013 /
 
Azt esetleg ki tudnád fejteni, hogy a csatolt kapcsoláson mi a szerepe annak, hogy a kör kimenete a második műv erősítő invertáló bemenetére megy és hogy a bass oldalon a 10k ellenállás után miért van a kimenetre kötve?
Miért nem simán a nem invertáló bemenetre van kötve a kör kimenete az említett kimenetre kötés helyett pedig miért nincs leföldelve? És miért nincs egy leosztott visszacsatolás az invertáló bemenetre a kimenetről?

Köszi
A hozzászólás módosítva: Máj 27, 2013
(#) buci009 válasza reloop hozzászólására (») Máj 27, 2013 /
 
tehát gyakorlatilag arra volnék kíváncsi, hogy hogyan működik a csatolt kapcsolás a második fokozat környékén
(#) reloop válasza buci009 hozzászólására (») Máj 27, 2013 /
 
A megértéséhez ismerni kell a műveleti erősítő invertáló kapcsolását. Itt találsz információt. Ha túl tömény a gimis anyag, lapozz egyenesen a 9. oldalra!
(#) buci009 válasza reloop hozzászólására (») Máj 27, 2013 /
 
köszi
(#) noge hozzászólása Máj 30, 2013 /
 
Üdvözlet mindenkinek!

Rengeteget keresgettem az interneten, de sehol sem találtam olyan műveleti erősítős megoldást, ahol a kimeneten TTL jelszint található. Az LM111-es IC adatlapjában találtam egy CMOS jelszintű kapcsolást. Hogy egy kicsit tisztább legyen a projekt: A hálózati feszültség nullátmenetét szeretném figyelni és TTL jelszintű impulzust küldeni egy PIC bemenetére. Csatolom a CMOS jelszintű kapcsolást. Tudtommal léteznek szintillesztő áramkörök, de valahogyan csak megoldható, hogy közvetlenül a műveleti erősítő kimenetén a megfelelő feszültség jelenlen meg. Fontos kitétel még, hogy tápforrásként -5V és +5V áll rendelkezésre, így az az opció nem játszik, hogy a jelenleginek szimplán levágom az alsó tartományát.

Előre is köszönöm a segítséget!

Üdvözlettel:
Noge
(#) pucuka válasza noge hozzászólására (») Máj 30, 2013 /
 
Mivelhogy a komparátor kimenete nyitott kollektoros, (sőt nyitott emitteres) lehetőséged van bármilyen szintillesztést megvalósítani a kimeneten. Ha a kimeneti tranzisztor emitterét földre kötöd, a kollektor ellenállását (1 kohm) + 5 (3) V -ra, kész is vagy.
A hozzászólás módosítva: Máj 30, 2013
(#) noge válasza pucuka hozzászólására (») Máj 31, 2013 /
 
Proteusban lemodelleztem az áramkört a következő paraméterekkel:
+Ut = 5V
-Ut = -5V
Elvégeztem a javasolt módosításokat is.
A csatolt képen látható kimeneten található jel.
(#) tcs52 válasza noge hozzászólására (») Máj 31, 2013 /
 
Én - ha nem lenne az emitter kivezetve, de nyitott kollektoros a komparátor - egyszerűen csinálnék egy feszültségosztót a kimeneten a +5V táp felé, így az osztón nem a +5V/-5V váltakozna hanem a +5V/0V (pl. 2 db 1K-val).

Másrészről pedig - a fentieket elfelejtve - csupán +5V-ról dolgozva, a komparátornak egy feszültségosztóval 2.5V-ra osztott referencián adnám egy kondin keresztül a hálózati feszültség jelét (persze azt is leosztva egy kicsit).

Ha pedig a komparátort is ki szeretném spórolni, akkor közvetlenül a PIC benetén dolgoznék, amelyet A/D-val detektálnék (feltéve, hogy van a PIC-ben A/D).
(#) proba válasza tcs52 hozzászólására (») Máj 31, 2013 /
 
Régen simám talán 470K körüli ellenállást kötöttem a pic bemenetére , esetleg egy egy dióda a + - felé védelemnek (lehet cifrázni ,két ellenállásból összerakni és a közös pontra tenni a diódákat). A nullátmenet igazából nem nullánál ,hanem 2-3 V nál lesz, de az mindig ott tehát lehet hozzá szinkronizálni. (igaz így a kimenő jel sem lesz pontosan szimmetrikus )
(#) Hp41C válasza proba hozzászólására (») Máj 31, 2013 /
 
Még tovább ragozva, az a PIC láb lehet egy analóg láb. A belső komparátort felhasználva alacsonyabb is lehet a billenési szint...
(#) pucuka válasza Hp41C hozzászólására (») Máj 31, 2013 /
 
Lehet így is, de ha nem lehet tudni, hogy milyen a bemeneti jelváltozási sebesség, (hálózati frekvencián pedig nem túl nagy) és esetleg hiszterézisre is szükség lehet. Csak jobb egykülön komparátor használata. Az LM111 önálló kimeneti tranzisztora többféle szintillesztést is lehetővé tesz, és elég gyors a kimeneti jele a további feldolgozáshoz.
(#) noge hozzászólása Máj 31, 2013 /
 
A közvetlenül PIC-re kapcsolással annyi a problémám, hogy nincs több szabad analóg láb rajta. Analóg multiplexert meg nem szeretnék pluszban használni ezért. Ez a szintillesztés beállítás nem igazán akar összejönni.
(#) Peter65 válasza noge hozzászólására (») Máj 31, 2013 /
 
Üdv!
Attól függően, hogy milyen formában áll rendelkezésre a hálózati feszültség, a szinkron jel, többféle megoldás használatos.
A régi analóg gyújtójelképzőkben, ahol elég nagy volt a szikronfesz, sokszor csak egy sima tranyóval figyelték a nullátmenetet, a bázisáramot természetesen korlátozták, a bázis-emittert egy diódával védték, a bázis-emitter nyitófeszt pedig egy előfeszítéssel kompenzálták.
A kettő szekunder tekercset és kettő diódát használó 1F2U2Ü egyenirányítóval felépített tápegységeknél az egyenirányított jel "alsó csúcsait" is ki lehet komparálni, ami 100Hz-es impulzus sorozatot eredményez. Egyes gyújtójelképző áramköröknél ez még jobban is használható.
Az LM339, és a hasonló komparátorok bemenete elvisel kismértékű negatív közösmódusú jelet, így egy germánium vagy schottky diódával védve 0-5V feszről is használható nullátmenet komparátornak.
Létezik a differenciál erősítő technikájának megfelelő differenciál komparátor, amivel szinte tetszőleges szint közelében komparálhatod a nullátmenetet.
Megjegyzem, a hálózati nullátmenet korrektebb követése PLL technikával lehetséges; így egyrészt szűrt hálózati jelet lehet figyelni, másrészt a technika is jelentős zajelnyomást eredményez.
(#) Medve válasza noge hozzászólására (») Jún 1, 2013 /
 
Hello, én így oldottam meg, nálad ugye egy TTL EXOR kapu kellene.

motvez-3.JPG
    
(#) Peter65 válasza Medve hozzászólására (») Jún 3, 2013 /
 
Heló! Szerintem nem teljesen jó a kapcsolás. A kimeneten akkor lesz a nulla és Vdd között a jel, ha a kimeneti digitális IC-t ezekről tápláljuk. Az LM324-t viszont a Vee és Vdd feszültségekről táplálod meg, ezért, mint a szimuláción is látszik, a kimenete is kb. erre a kettő szintre ül ki. A digitális IC bemenetét üzemszerűen nem húzhatod le a Vee szintre, valamilyen áramkorlátozó ellenállás és védődióda kellene a digitális IC bemenetére. A kérdezőnek egyébként pont ez a szintillesztés okoz gondot. Még egy észrevétel; ilyen üzemmódban egy műveleti erősítőnél jobb egy komparátor, vagy legalább azt kellene elérni, hogy aktív üzemben maradjon.
(#) Medve válasza Peter65 hozzászólására (») Jún 3, 2013 /
 
Szia, így igaz, de a gyakorlatban ez nem okozott gondot. Az OPA-t komparátor helyett azért választottam, mert egyéb helyekre arra volt szükségem. Noge? Megoldja ez a zerocross problémádat?
A hozzászólás módosítva: Jún 3, 2013
(#) zsuscsinyo hozzászólása Jún 27, 2013 /
 
Sziasztok!

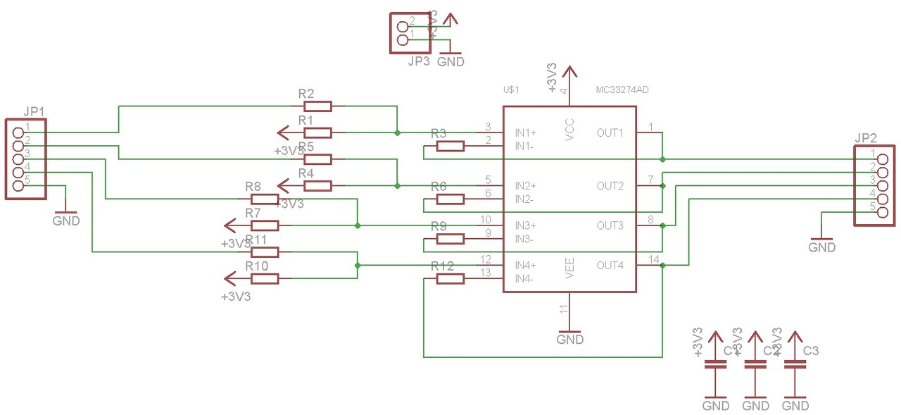
Megépítettem egy szimpla összeadó, feszültség követő kapcsolást, és érdekes jelenséget produkál a műveleti erősítő.. (MC33274AD)
Arra lettem figyelmes hogy eléggé megvágta a szinusz hullám tetejét.
Invertáló és nem-invertáló bemenetek közti fesz különbség 1.2V. (Ez csak akkor ha a nem-invertáló bemenet eléri a Vcc-1.2V-ot, ez alatt szépen működik. Szumma: nem tudom Vcc tápra kiültetni a kimenetet...
Kérdésem hogy ez mitől lehet? Az adatlap azt írja hogy min. 3V táp kell neki, de teljesen mindegy mennyit adok neki. Kicsit bosszantó, mert nem olcsó. (többet is kipróbáltam de ugyanaz..)

opamp.jpg
    
(#) reloop válasza zsuscsinyo hozzászólására (») Jún 27, 2013 /
 
Szia! Nézd meg az adatlap DC karakterisztika táblázatát, a mért maradékfeszültség azzal tejesen egybevág.
(#) _vl_ válasza zsuscsinyo hozzászólására (») Jún 27, 2013 /
 
Nézzed meg a Common-mode Input Voltage Range rovatot az adatlapon; addig emelheted a bemeneten a feszültséget, ha azt várod, hogy működjön a kapcsolásod. Ezen felül a kimenettől elvárható maximum és minimum feszültségeket pedig az Output Voltage Swing rovatban találod.
(#) zombee hozzászólása Júl 24, 2013 /
 
Sziasztok!

Az LM324-el meggyűlt a bajom. Jelgenerátort építek, saját tervezés, digitális potméter a jelerősség és ofszet beállításához, és a már említett LM324 ami az impedanciaillesztést és a végén az erősítést végzi. Már az első fokozat(feszültségkövető) után a kb. 8kHz-es négyszögjelből trapézos lesz a jel az oszcilloszkóp képernyőjén. Először azt hittem hogy a potméter(AD5242) szórakozik, így kiforrasztottam, csak az LM324 maradt benne. A trapézjel maradt, terhelés nélkül is. 8kHz-es szinusz már felismerhetetlen, háromszögbe megy át. Adatok: az 5V körülbelül 12us alatt fut le és fel. Tehát egy 40kHz-es négyszögjel már csak háromszögjelként jönne ki. Ha az LM324 a hibás akkor olcsó 4 kapus alternatívát keresek, lehetőleg lehessen kapni DIP és SMD tokban is. Szeretném ha bírna 10MHz-et is! Köszönöm.
UP: csatolom a képet a jobb megértéshez. Jobb alsó részén, a "B" kapu kimenetén már rossz a jel.
Előtte a szűrő(opcionális kondi és terercs) még nincs bekötve, és ott még jó a jel.
A hozzászólás módosítva: Júl 24, 2013
(#) Hp41C válasza zombee hozzászólására (») Júl 24, 2013 / 1
 
Az LM324 adatlapja suerint a max kimeneti jelváltozási sebesség kb. 0.28V/us az 5V -os ugrást a kimenete kb. 17us alatt teszi meg. A mérésed jó, az adatok függenek a gyártótól is. Egy LM349 0.5 V/us, egy LF444 1V/us, TL074 8..13V/us, egy TLE2144 42..45V/us sebességge bír. Az alakhű 10MHz négyszögjel átvitelhez az 5V -ot max 10ns alatt kellene megtennie az erősítő kimenetén a feszültségnek. Ez 5000V/us értéket adna ki. Az AD827 (1400Ft+áfa), AD847 (2112Ft+áfa) csak 300V/us -t, az AD817 (1500Ft+áfa) 350 V/us -t tud, de csak egy erősítő van egy tokban. Az AD8044 (2362ft+áfa) 170 V/us, de négy erősítő van egy tokban.
A hozzászólás módosítva: Júl 24, 2013
(#) _vl_ válasza Hp41C hozzászólására (») Júl 25, 2013 /
 
LM7171BIN/BIM: ~500 Ft nettó a RET-nél.
1 erősítő/tok, 200MHz sávszélesség, 4100V/us slew rate.
(#) zombee válasza Hp41C hozzászólására (») Júl 25, 2013 /
 
Köszönöm. Egyelőre a nagyfrekis részt azt hagyom, marad a max. 100kHz-es jelgenerátor,
a nagyfrekis részt TTL feszültségszintekkel oldom meg. Pedig nekem még volt egy perverz gondolatom is +/-10V kimenőfeszes négyszögjellel, 10MHz-en. A TL074-et többen is ajánlották.
A hozzászólás módosítva: Júl 25, 2013
(#) zombee válasza _vl_ hozzászólására (») Júl 26, 2013 /
 
Köszönöm. Na ez kellene 2 vagy 4 kapus tokban! Azért ez is használható, és ha a középső fokozatokat elhagyom akkor máris csak kettő kell. A potméter 10kOhm-os, ehhez kell igazítani a kimenő fokozatot hogy ne terhelje. De ha mégis a 4 kapus megoldásnál maradok, a potméter ofszetjel kimenetére egy filléres cucc is betehető. Ma (azaz tegnap) a TI gyártmányú LM324-et kicseréltem egy ST "324"-re, amivel máris gusztusosabb lett a kép, kb. 1V/us-t tudott a 0.28-al szemben.

Most egyelőre a TL074/084(CN) vonalon gondolkodom, ez lábkompatíbilis az LM324-el, nem kell az egész panelt újratervezni. Rájöttem hogy 10MHz-re semmi szükség, egy 5V-os 1MHz-es jelet még "éppenhogy" elbír a 13-16us/V fokozat.
(#) _vl_ válasza zombee hozzászólására (») Júl 26, 2013 /
 
Szerintem a feladatot kéne leginkább át(újra)gondolni.
Pl. nagyobb frekijű (>1MHz) analóg jeleknél, ahol a jelalak variálásának van értelme, ott nem sok létjogosultságát látom a nagy, több V-os amplitúdóknak. Egész egyszerűen nem szokás MHz-es analóg jeleknél ilyen nagy amplitúdót használni.
Digitális jeleknél már van értelme, de ott meg a jelalak variálásának nincs, ott csak négyszöget szokás használni, ahhoz meg leginkább egy push-pull kimenetű CMOS vagy bipoláris meghajtó kell, a kimenetre meg egy soros ellenállás, hogy ha nagy a terhelés (vagy a vezeték) kapacitása/induktivitása, akkor se legyenek ott mindenféle nemkívánatos rezgések.
(#) zsugabubus777 hozzászólása Aug 5, 2013 /
 
Sziasztok!

Új vagyok itt, remélem nem rontok el semmit Igazából az elektronikához is elég amatőr vagyok...

Egy műveleti erősítő alapú feszültségkivonót akarok készíteni, de valami nem megy. Tudnátok légyszi segíteni, mit rontok el?

Van egy ellenállásom, aminek az egyik vége a plusz tápon van (kb 13,5 V), és 0...2 V esik rajta az átfolyó áramtól függően. Ezt szeretném egy mikrokontrollerrel mérni, és ezért a 0..4 V tartományba transzformálni. Egy egyszerű műveleti erősítős kivonó áramkört építettem, ahogy itt is áll: http://hu.wikipedia.org/wiki/M%C5%B1veleti_er%C5%91s%C3%ADt%C5%91#K...C3.B6r R2=20k, R1=10K, így ez a különbséget duplázza, ahogy nekem kell. 1%-os ellenállásokat használok és ST LM358N olcsó műveleti erősítőt. A műveleti erősítő táplálása is erről a 13,5V/GND-ről történik. A dolog szépen működik is akkor, ha a bemeneti (ellenálláson eső) feszültség kb 0,35 V -nál nagyobb, akkor a kimenet az ellenálláson eső fesz duplája. Alatta azonban "meghülyül" az áramkör, és fix 0,69 V körüli érték jelenik meg a kimeneten. Pl, ha rövidre zárom a bemeneti ellenállást, azaz 0 V a kivonó bemenete, akkor a műv. erősítő + bemenetén a tápfesz leszotva (9,0 V) van, ez ok, a - bemenetén pedig 9,2 V körüli érték van, a kimenetén pedig 0,69 V. Nem értem ezt, a visszacsatolt résszel valami nem stimmel ilyenkor.

Maga a műveleti erősítő komparátor módban tudja a kimenetén a 0 V-ot, ilyenkor miért nem?

Ha kell, veszek másikat, csak kérdés, mit nézzek az adatlapon, melyiket vegyem?

Köszi előre is,
ZsB
Következő: »»   39 / 112
Bejelentkezés

Belépés

Hirdetés
XDT.hu
Az oldalon sütiket használunk a helyes működéshez. Bővebb információt az adatvédelmi szabályzatban olvashatsz. Megértettem