Fórum témák
» Több friss téma |
- Ez a felület kizárólag, az elektronikában kezdők kérdéseinek van fenntartva és nem elfelejtve, hogy hobbielektronika a fórumunk!
- Ami tehát azt jelenti, hogy a nagymama bevásárlását nem itt beszéljük meg, ill. ez nem üzenőfal! - Kerülendő az olyan kérdés, amit egy másik meglévő (több mint 17000 van), témában kellene kitárgyalni! - És végül büntetés terhe mellett kerülendő az MSN és egyéb szleng, a magyar helyesírás mellőzése, beleértve a mondateleji nagybetűket is!
Sziasztok ! Szükségem lenne egy olyan kapcsolásra , ami 230 váltóáramból 500v egyenáramot csinál ! Előre is köszönöm !
Sziasztok most tv ügyben kérném a segítségetek. kicsi orion: a kék és a zöld szín hiányzik egy ideig villog a kék aztán semmi kontakt hiba kizárva koppíntós teszt nemhasznált sajnos, kérdés hogy mik jöhetnek szóba hibaként? előre is köszi...
Szia! Rajzoltam egy egyszerűt. Nem írtad mekkora árammal szeretnéd terhelni.
Nem tudom, de már tényleg mindenhogy próbáltam. Tegnap 75k körül volt, nem kapcsolt be, kimentem, állítottam rajta, felkapcsolódott, 50k-ra tekertem, úgyhagytam, és nem kapcsolt le. Azóta nem nyúltam hozzá, ma sem kapcsolt be, sőt, már ha le-fel kapcsolom, akkor is lekapcsol az időzítés után, úgyhogy le kellett választanom az érzékelőt, hogy fel lehessen kapcsolni.
Na, de akkor LM358-al nem elég komparálni, erősíteni is kell? Ha nem kéne erősítés, akkor így lenne?
Bocs, belevau! R8,9-et miért nem csökkentetted? Nagy a hiszterézis.
Csak kivágtam egy részt az eredeti rajzról, és a maradékot összeillesztettem.
Bocs, azt hittem szimuláltad. Az osztóban lévő ellenállások értékének csökkentésétől növekszik az érzékenysége. Ha túl nagy áram folyna rajtuk a visszacsatolót is növelheted.
Köszönöm, de a kérdés az, hogy elhagyható-e amit kivágtam, és mivel jobb, ha nincs kivágva?
Hello! A számításod jó, csak a stratégia nem, mert nem fejezted be. Mert Te megtartottad a 3,3kohm-ot. A Led áramát viszont lecsökkentetted 1mA-re. Így a 200ohm és a Led között az áram 1:6 arányban oszlik meg. Csak éppen a Led-en 20V-tól fog csak áram folyni. Ami nem olyan jó, 24V bemenet mellett. Vagy is a Led azért nem digit multiméter, hogy pontosan működjön. Nem lehet kihegyezni a működését. Ha megnézted a nyitófeszültség szórása, 0,9.1,2V között lehet. Annak szórása 30% körül van. Te pedig 20..24V közé tetted a működést, ami 20% pontatlanságot engedne meg.
Ha mindenáron csökkenteni szeretnéd a Led áramot, akkor a főáramkörnél célszerű a Led-áram kétszeresét választani.. (Amúgy gondolom a katalógus alapján gondolod hogy annak 1mA-nak kell lenni. De nem így van, az csak egy általános beállítási adat, és azért ilyen kicsi, mert a CTR paraméter 400% körül van, nehéz lenne a tranyó áramával azt megmutatni..) üdv!
Gyulánk! Őszintén szólva kissé fárasztó vagy. Mindent megváltoztatsz, aztán panaszkodol. De hogy megértsd az áramkör működését, abba nem fektetsz energiát. Javasolnám a fordított sorrendet. Előbb ismerd meg az áramköröket, aztán szabd-varrd kedvedre őket. De hogy "Felcseréletem a kormányt a kerékkel, az mitől jobb vagy rosszabb ettől az autó?.." nem vezet eredményre.
Így is meg lehet oldani a dolgot, egy komparátorral. Csak éppen ennek a komparátornak a hiszterézise szinte ugyan olyan nagy, mint az 555-é volt. Reloop meg próbál rávezetni, hogy hogyan csökkentsd a hiszterézist. De Te nem hallgatod meg, csak kérdezgetsz tovább másról. De tényleg, miért nem szimulálod ha már kísérletezel? És miért nem az áramkörök működését akarod megérteni, ha már ezzel foglalkozol? ![]() üdv!
De ha ezt kérdeztem. Miért olyan, mintha a kormányt felcserélném a kerékkel? Pontosan azt mondod te is, hogy úgy is jó, csak az ellenállásértéket kell megváltoztatni. A kérdés pedig az, hogy mivel jobb erősítővel, mint csak komparátorral? A módosítás csak azért készült, hogy ha esetleg azt mondod, hogy semmit sem befolyásol, akkor a komparátor bekötési rajza olyan-e, hogy ne kelljen úgy is lerajzolni, és mert hátha a kérdésem a rajzzal együtt kiteljesedik, ha esetleg hülyén fogalmaztam meg. Amúgy meghallgattam, de mivel nem kaptam választ arra, hogy miért fontos az erősítés, nem tudtam, hogy nélkülözhető-e. Ha pedig nem ajánlatos kihagyni akkor hiába beszélünk a módosított rajzról.
Szia! Értelek. Engem az zavart meg, hogy az előző oldalon pucuka a következőt írta: "LED előtti komplexumot úgy kell méretezni, hogy a diódán 1 mA folyjon". Mindenesetre újra méreteztem. 2700/220 ohm arányban, ha jól számolom már 9V- tól működik Az alatt nem is baj, ha nem kapcsol, a leden pedig 3.2mA folyik át. Véleményed szerint így jó lesz?
Továbbá még annyi, hogyan kell méretezni azt, hogy záró irányba 5V nál ne mennyen át több rajta? Úgy működik, hogy D1 -en 5V esik, UR2=Uled=5V és R1 -re marad 12V. I = UR1/R1 = 4.4mA < 20mA. Ez igaz, vagy valamit elfelejtek?
Köszönöm! Veszek huzalt és ki is próbálom!
Én csak annyit mondtam, hogy az adatlapon feltüntetett áram folyjon át rajta, akkor működni kell. Ha ennél több áram folyik, az nem baj, de felesleges. Az osztót úgy kell méretezni, hogy abban a bemeneti fezültség tartományban meglegyen a LED működéséhez szükséges áram, és ne lépje túl a max megengedhető áramot se. Ez pedig azt jelenti, hogy az osztót legalább két állapotra ki kell számolni, és a megvalósított osztás a két érték között kell legyen.
Tehát az osztót nem egyszer kell számolni, hanem többször, ki kell számolni a legalacsonyabb, és a legnagyobb bemeneti jel esetére, ki kell választani azt az osztás értéket, ami a lehető legkisebb LED áram esetén teljesül mindkét szélső értéken, és utána azt is ellenőrizni kell, hogy teljesül-e valóban. A záró irányú feszültséget olyan nagyon méretezni nem kell, azt a soros dióda záró irányba kapcsolása elintézi, mrt ezen Fog megjelenni a teljes záró irányú feszültség. De ha nagyon precíz akarsz lenni, akkor a helyzetet ellenőrizheted a diódák záró irányú szivárgási áramával számolva. (ez is katalógus adat) A feszültség esik, az áram folyik. Sohase keverd össze. "5 V -nál ne menjen át több rajta" (sicc, ne essen több rajta)
Köszönöm szépen !
Körülbelül max. 5 A terhelés lesz impulzus üzemben !
Sziasztok. Egy kapcsolási rajzon a csatolt részletre lettem figyelmes. A delikvens összeköti a nulla és föld vezetéket. Az összekötött vezetéket utána ráköti egy sorkapocsra is, amit más eszközöknek szolgál referenciául.
Nem tudom megmagyarázni, de nekem ez így elég gyanus. Gondolom, hogy a földelő vezetéket kellene kötni a fém szekrényre és nem szabadna összekötni a nullával. De összességében nem tudom, hogy ez a megoldás hordoz-e és ha igen akkor milyen veszélyeket. Kifejtené ezt nekem valaki? köszönöm!
NEFH. Nullázással egyesített földelő hálózat. Az egyesítés az erőműben, vagy az áramelosztó központban történik.
Jól hangzik, de sajnos nem értem
Ez egy műszerszekrény kapcsolási rajzából van kivágva.
Szia!
Arra a "ground bar" lécre csatlakoznak a védővezetők, amelyek a készülékek fémtestével vannak galvanikus kapcsolatban. Ezek az ún. zöld-sárga vezetékek. A nullával egyesített földelés egy nagyon hatékony érintésvédelmi rendszer, tehát nincs ezzel a rajzzal semmi baj. Gondolj csak bele, ha a fázis hozzáér a testhez, akkor azon felül, hogy nem lesz számottevő feszültségkülönbség a készüléktest és a föld között, még a biztosan kialakuló nagy zárlati áram ki is kapcsolja a készüléket a biztosítékokon keresztül. A hozzászólás módosítva: Szept 18, 2013
Szia! Nem mondom hogy 100% -osan értem, de kezdem kapizsgálni. A 5V -os kijelentésemért elnézést kérek, ez valóban szörnyű kijelentés!
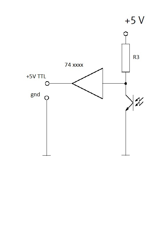
Ha 18V -os bemenő feszültséggel számolok akkor lesz 1mA a leden átfolyó áramerősség. Ez nekem jó is, ha 18V -ig működik. Ránézésre helyesen számoltam? Továbbá, had érdeklődjem még a tranzisztor méretezéséről is. Mellékeltem egy képet, hogyan is lesz bekövte. A kimenet egy 5V TTL jelszinteket fogadó rendszerhez csatlakozik. Így helyes a bekötés, ahogyan a rajzon feltünettem? Ugyanakkor mi alapján méretezzem a tranzisztor kollektor áramát szabályozó ellenállást? A segítséget előre is köszönöm!
Szipiszupi. Én is erre jutottam, amikor próbáltam végiggondolni a működését, csak valahogy mégis gyanús volt a dolog, hogy van valami a háttérben amit nem értek. Ezek szerint alaptalanul.
A számolásod jónak tűnik. Ez az a tervezési folyamat, hogy minden gyakorlatilag előforduló esetre kiszámoljuk az értékeket, és ezek alapján választjuk ki a kapcsolás megfelelő elemeinek értékeit. És azután ellenőrizzük, hogy a kiválasztott értékekkel teljesülnek-e a működés feltételei.
A tranzisztor kollektor ellenállását úgy kell megválasztani, hogy az optocsatoló tranzisztora véletlenül se legyen túlterhelve. Ez nem mindíg teljesíti a TTL szintek követelményeit, és lehet nem is terhelhető. Ezért alkalmazunk egy buffer áramkört, ami a bemenetén 1 egység terhelést jelent, a kimenetén viszont 10, vagy több egység (TTL kapu bemenet) terhelést bír el, valamint a kimenete biztosan teljesíti a TTL szint követelményeit. A kollektor ellenállásnak általában 2 - 4 kohm közötti értékek szokásosak.
Rendben, nagyon szepen koszonom a segitseget! Akkor alkotok valamit a tranzisztorhoz is, meg atellenorzom a led szamolasait, utanna meg jelentkezek ez ugyben.
Koszonettel: Gergo
Hello!
- Lehet úgy is méretezni, hogy a Led-en 1mA folyjon, csak a söntáram aránya nem lehet túl nagy, mert a hibák felerősödnek amit a toleranciák okoznak. - A számításnál hibás, hogy UR2 értékénél, nem vontad le a D1 dióda nyitófeszültségét. Úgy visszakaptad volna az 1,1V-ot. (Amit ugye számolni sem kellene, mert kiindulási adat.) - Egyébként nekem "minimális feszültségként" nem 9, hanem 15V körüli érték jön ki. - Az 5V zárófeszültségre nem kell számolni, mert nem is lehet. Ugyan is figyelmen kívül hagytad, hogy fordított polaritás esetén, D1 lezár. Így az ellenállásokon csak a D1 viszárama fog folyni. Így a Led diódán mV értékű feszültség lesz maximum.. üdv!
Értem, köszönöm szépen! Igen nekem is a 15V jött ki azóta, ott valamit rosszul csináltam. A maradék hibáimait is kijavítom!
Üdv.: Gergő
Sziasztok !
Az lenne a kérdésem, hogy műszer dobozra feliratok készítési technika van-e valami nagyon jó módszer ? Ti hogy csináljátok ? Én jelenleg színes öntapadós papírra nyomtatom ki a megszerkesztetett ábrát majd hogy ne koszolódjon víztiszta papírral is bevonom majd ragasztom a fémre.
Sziasztok!
Megépítettem ezt a műszert!Bővebben: Link Annyi a gondom vele, hogy ha 12volton megterhelem egy 12v21 wattos izzóval akkor a mért feszültség 13.5 voltra nő pedig 12volt van ott!! Mi lehet a gond? Az orosz fórumon már kérdeztem de elég nehezen értjük ott egymást. Valakinek van valami ötlete mi lehet a gond? Köszönöm szépen!
Miért van két fesz érték? A második képen az is változik, ezzel függhet össze
Szia!
Két feszültséget is lehet vele mérni. Terheletlenül mind a kettő tökéletesen működik, mér. Érdekes de az áramot azt pontosan méri, csak a feszültség nem esik hanem nő 1.5 volttal, ha kisebb árammal terhelem akkor kisebb mértékben nő a feszültség a kijelzőn. a voltmérőt ráakasztva nem 13.5 volt van hanem 12 amit terheletlenül jól mutat!? |
Bejelentkezés
Hirdetés |









Ez egy műszerszekrény kapcsolási rajzából van kivágva. 








