Fórum témák
» Több friss téma |
Fórum » Keverőpult építése, javítása
Igen, egy IC tokot akartam betenni, egy kis megerősítés kellett, köszönöm
Sziasztok Van egy Korg 122 Line Mixer-em,aminek nagyon zajos a kimenete, fúj mint az északi szél.
Ez lehet a kimeneti ic-től?Vagy merre keressem a hibát esetleg? Köszönöm JRC4558D ilyen van a kimenetnél,minden mást már cseréltem rajta TLO72 re A hozzászólás módosítva: Okt 26, 2013
Szia! A Master poti milyen hatással van a súgásra? Ha független tőle, akkor a poti után kell szétnézni. Pár alkatrész lehet benne
Szia a Fő hangerő az sztereó poti ha azt letekerem akkor nem,nincs zaj,Igen van benne annyi mint a rosseb.12 db TLO72 raktam már be,a bemenetekre,csak a kimenetet hagytam még meg,csak valahol olvastam hogy lehetnek az ic miatt is nagy zajok
Sajnos a TL072 nem az alacsony zajáról híres.
A kimenti IC minden bizonnyal a fő hangerő-állító után van, így az rendben zaj szempontjából.
A TLO72 lábkiosztásának megfelelő NE5532,vagy 34 nem emlékszem rá,ic is volt benne már de semmi sem volt se jobb,se rosszabb tőle.Akkor lehet az összes kondit át kellene néznem benne,ami több száz darab van.
A hozzászólás módosítva: Okt 26, 2013
A zajt nem csak az IC keltheti: ellenállások, kondik, szennyezett panel (nem feltétlen látható).
Értem akkor neki állok szkóppal tapogatózni az lesz a legjobb ugye?
Egy fotóval illusztráld a benne lévő elektronikát! Az elvi vázlat rajta van a fedelén?
A hozzászólás módosítva: Okt 26, 2013
A belsejéről most nem tudok képet adni de kép van róla.A felső az.
Na mégis találtam 2 képet.Esetleg a tápban levő kondik miatt nem lehet?Nem fiatal szerkezet.
A hozzászólás módosítva: Okt 26, 2013
Látom ízekre lehet szedni. Ez segít behatárolni a zaj forrását. Húzd le a vonali áramköröket és egyenként próbáld őket.
Az lesz,ahogy a tv- vel végeztem megbontom a keverőt,mert hétvégén kell a tv-nek is elromlania.
Sziasztok. Találtam egy kapcsolást itt a topikban pár perc böngészés után és elnyerte a tetszésem. Szerintetek megfelelő? Nekem jónak tűnik . Nincs feltüntetve a táplálás de +/- 15 V megteszi?
Ha valakinek egyéb hozzáfűznivalója van esetleg hibásnak találja kérem jelezze ![]() Üdv:Levente
Szia Levente! Számolgatom mekkora lesz a kimenő jele ennek a keverőnek, bizony elég szegényes. Tele van leosztással és a Master előtt mindössze kétszeresen erősít. Ki kéne egészíteni egy aktív összegzővel a csatornák találkozásánál. Ennek az elvi megoldása így néz ki. Itt be lehet állítani a veszteségek pótlását. Például a fader önmagában negyedeli a jelet.
A Phono bemenet így pusztán elég értelmetlen, ide be kéne illeszteni a lemezjátszó (ha kell) korrekciós áramkörét. A fejhallgató kimenet ezzel a 10k csatoló ellenállással nem tud közvetlenül egy fülest meghajtani. Kicsit keresgélj még! Ha nincs jobb, ennek tökéletesítésében megpróbálok segíteni, persze fenntartva a tévedés jogát
Szia mit ajánlanál TLO72 helyett azonos lábkiosztásban?
Köszönöm,Megnéztem és ollálá találtam belőle 16db ot
Minden tiszteletem a tied régebb is sokat segítettél rajtam , megbízok benned.
Nekem kb ez az alapelv kellene de én úgy gondoltam hogy lesz ennek erősítése is de köszönöm hogy felhívtad a figyelmem hogy meg gyengébb a kimenő jel.Az kellene nekem hogy legyen 8 bemenet-mint a kapcsoláson és legyen mikrofon is. Ezt a kapcsolást azért szerettem meg és azért választottam mert számomra nagyon érthető a rajz, könnyén eltudom képzelni és kivitelezni ![]() De ha segítenél rajtam hálás lennek Üdv: Levente
Köszönöm a bizalmat
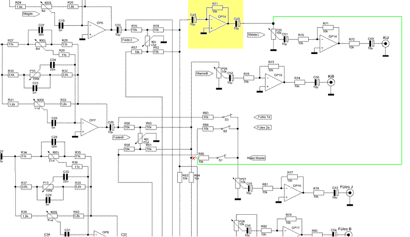
![]() Készítettem egy rajzot az elgondolásomról. A fejhallgató erősítő módosítását ez még nem tartalmazza. Előrebocsájtanám, a keverő építés elég munkás feladat. A brumm és gerjedésmentes nyomtatott áramkör kikísérletezésétől, a használható és esztétikus mechanikai kivitelig egy ilyen bonyolultságú készülék elég keservesen jut el. A hozzászólás módosítva: Okt 28, 2013
Nem teljesen értem a rajzodat. Amit rajzoltál csak a jobb oldali kimenetet erősíti de a bal oldalival mi lessz?
A bal oldallal ugyan így kell eljárni, az elvet szerettem volna bemutatni a rajz segítségével. Van még ezen számolgatni való.
Mikor lenne időd kifejleszteni egy komplett kapcsolást meg amennyire lehet kiszámolni, mert nekem egy fejfájásnak elég ezt megtervezni s ha mar megtervezem mindenképp legyen megbízható a kapcsolás ne menjen karba több órai munkám
Be kell gépelni áramkör-szimulátorba, az kiszámolgatja szépen. Határidőt nem merek vállalni, de örömmel segítek.
Nem is ragaszkodnék én határidőhöz,de azért mégis kb mikorra tudnád elkészíteni a rajzot ?
Szia ma lehúzkodtam a Korg keverőről mindent amit lehetett,de az orkán szerű fújás még meg van feltekert Master mellett a kimeneten.Próbáljak müveleti ic-t cserélni elsőre,vagy kezdjek vele mást?
Elkészítettem a szimulációt. A potenciométereket fix értékkel helyettesítettem, ezek a rajzon jelölve vannak. Innen már Neked kéne készre munkálni a kapcsolást. (Vagy keresni egy gyári rajzot.)
A tápra tégy 100n-1µF plusz szűrést - hátha onnan ered.
Fel tudod térképezni hány műveleti erősítő van még a master poti előtt?
Szia ha jól emlékszem minden effekt bemeneten 1-1,összesen 9db,ami az alaplapon van.
|
Bejelentkezés
Hirdetés |















