Fórum témák

» Több friss téma
Fórum » Végfokozat TDA2030-40-50-el
 
Témaindító: sasorr, idő: Jan 16, 2006
Témakörök:
Lapozás: OK   227 / 274
(#) reloop válasza zolibon hozzászólására (») Aug 6, 2013 / 1
 
Ha az imént belinkelt hozzászólás második "ehhez" szavára kattintasz: ezt kapod.
A 32V-os táppal 15-20W/4 ohm, 10-14W/8 ohm teljesítményt tudsz elérni.
(#) zolibon válasza reloop hozzászólására (») Aug 6, 2013 /
 
Így már jó. Az előző "ehhez" nem jött be semmi. Köszi szépen!
(#) reloop válasza zolibon hozzászólására (») Aug 6, 2013 /
 
Sikeres építést kívánok!
(#) INOX 4 EVER hozzászólása Okt 1, 2013 /
 
Sziasztok!
Szeretnék építeni egy TDA2030-as sztereó, egy TDA2050-es sztereó, egy TDA2052-es sztereó és egy TDA7294-es mono végfokot.
A kérdésem az lenne, hogy ha mindegyiket szimmetrikus táppal hajtanám ,jó ha az adatlapon szereplő kapcsolásokat megépítem, vagy kutassak valami bonyolultabb után?
Előre is köszi
(#) vipera1997 válasza INOX 4 EVER hozzászólására (») Okt 1, 2013 /
 
Szerintem keresgess tovább, ajánlani tudom reloop forumtársat ő neki minden ilyen dokumentációt megkapsz és neki vannak saját paneltervei ami tesztelt nyákterv tehát biztos jó!
(#) reloop válasza vipera1997 hozzászólására (») Okt 1, 2013 /
 
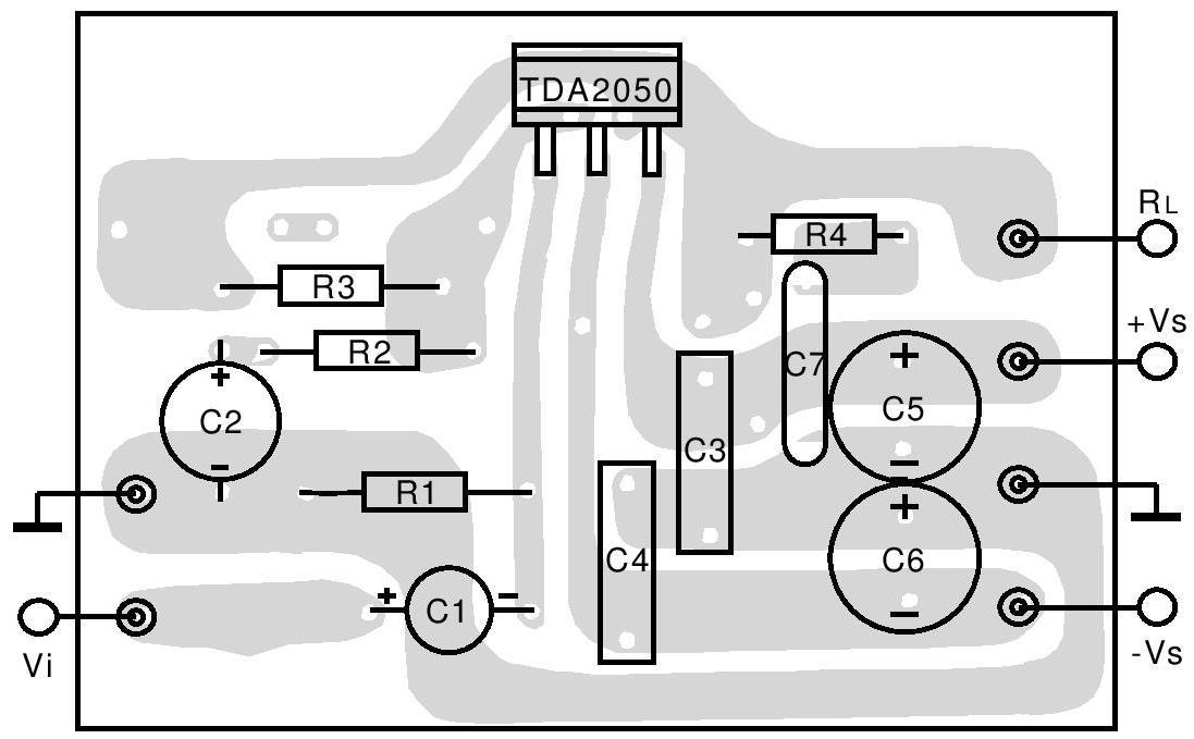
Köszönöm az ajánlásod! Most dolgozom egy TDA2030A és TDA2050 IC-kből felépülő kétutas (biamplifikált) erősítőn, siker esetén természetesen közreadom a rajzát és a NYÁK-tervét.
INOX 4 EVER!
Egyelőre ezekkel szolgálhatok: Bővebben: Link , Bővebben: Link
(#) vipera1997 válasza reloop hozzászólására (») Okt 1, 2013 /
 
Nincs mit!Természetes segítek nyáktervet találni és a te terveid beváltak és szerintem amit te tervezel a le is van tesztelve, tehát csak akkor teszed fel ha működőképes, a nyákterv és csak össze kell rakni!
(#) INOX 4 EVER válasza reloop hozzászólására (») Okt 6, 2013 /
 
Reloop kolléga munkásságát nagyon díjazom.....
Reloop , ha jól emlékszem a te terved alapján készítettem valamelyik hangszínszabályzómat.
Nagyon király!
Ami azt illeti valami hasonlót akarok építeni mint amire te is készülsz.
Egy 3 utas aktív hangváltóhoz (kép) készülne az összes cucc.Lenne egy 100W-os sub, egy 60W-os végfok a Low pass-re 32W Midrange, és 14W High pass. Ez a távlati terv, hogy a téli hidegben lekössem magam.
További kihívásom még az, hogy ezekhez táp gyanánt átalakítsak PC tápokat, mert az van egy heggyel itthon, de ezzel ha elakadok a PC tápos topicban még fogom a többieket masszírozni
Visszatérve, gondolom a 2030-as és a 2050-es áramkörök között nincs nagy különbség az IC-n kívül illetve az alkatrészek esetleges feszültségtűrésén kívül.
Amit belinkeltél NYÁK tervet azt lopom, és köszönet érte, és ha van valakinek tippje a TDA2052-re azt megköszönném.
Köszönök mindent!
Üdv!
INOX
(#) reloop válasza INOX 4 EVER hozzászólására (») Okt 6, 2013 /
 
Köszi! A kapcsoló üzemű táp tökéletesen megfelel.
A TDA2030 és a TDA2050 valóban igen hasonló.
A TDA2030A adatlapján van egy 3-utas ajánlás, megrajzoltam szimulátorban, elég biztatóan néz ki.
(#) Gabó hozzászólása Okt 20, 2013 /
 
Van valakinek valami megbízható és működő kapcsolása panelrajzal hidalt TDA 2030-hoz?
(#) Electro hozzászólása Okt 26, 2013 /
 
Sziasztok!

Történeti áttekintés:
Az oldalon található 14W-os TDA erősítőt már 6 éve elnyűhetetlenül használom.
A tápja a tönkrement laptopom tápegysége: 20V 4,5A Kapcsolóüzemű táp ellenére nagyon is szépen szól.
Építettem egy hangfalpárt hozzá, erről képet is tettem fel anno. A hangszórók vételénél még zöldfülű kezdő voltam, és tömeggyártású hangszórót vettem, paraméterek nélkül, de egy, az eladótól kapott M.N.C hangfalépítési kis könyv alapján egész jó hangfalat sikerült összehozni. Annyit tudni róla, hogy ezek 4-4 Ohm-osak.


Nemrég kisebb felújítás miatt kiselejteztünk egy pár cuccot, de a 2db VIDEOTON 50/25W-os hangfalat nem volt szívem útjára engedni. Ezek is 4-4 Ohm-osak.
Na most, ha rákötöm őket az általam építettekkel együtt párhuzamosan az erősítőre, az ugye 2 Ohm-os terhelés lesz.

Okok:
VIDEOTON: szebben szól a magas tartományban az általam építettnél
Saját építésű: gyönyörű mélyeket produkál

Lehet ebből kifolyólag az erősítőnek valami baja ilyen táp mellett? Ne is próbálkozzak vele?
(#) reloop válasza Electro hozzászólására (») Okt 26, 2013 /
 
Szia! Ez a terhelés határértéken van. Jó hűtéssel és kíméletes hajtással elmegy.
(#) Electro válasza reloop hozzászólására (») Okt 26, 2013 /
 
Akkor ok. Azt elfelejtettem írni, hogy nem is hajtanám 100%-on, ha mégis, akkor se órákig, csak alkalmanként.
(#) reloop válasza Electro hozzászólására (») Okt 26, 2013 /
 
A megengedett legnagyobb kimenő áram 3,5A. Ez 2 ohm-on 7V-ot ejt, tehát a legnagyobb kivezérelt feszültség csúcstól csúcsig 14V lehet. Ehhez 3-3V maradékfeszültséget számolva épp 20V-nál tartunk.
A hangsugárzó ellenállása frekvenciafüggő, csak szűk frekvenciatartományban egyezik meg a névlegessel, inkább nagyobb szerencsére. A hangsugárzó vezetéke is rendelkezik némi ellenállással. Ezek alapján bizakodom
(#) Electro hozzászólása Okt 28, 2013 /
 
2 napja gyönyörűen szólnak együtt!

Az erősítőn a poti 100%-on, a gépen 50%-os hangerő, és a venti enyhe, vagy kicsit melegebb levegőt fúj ki. A borda felfogató csavarja pedig kézzel megérintve teljesen elviselhető, nem forró, vagy kellemetlen érintésű.

Amúgy az egyik VIDEOTON hátlapján rajta az ár: 995 Forint/db. Szóval nem mai egyik sem, de made in hungary, és szerintem ez a lényeg.
(#) Davidd hozzászólása Nov 4, 2013 /
 
Sziasztok! Van egy +/-16V os tápom, szeretnék építeni 2 darab hidalt tda2030-at. Ekkora feszültségre még szabad hidalni 4 ohmra? Bírja az ic, vagy ne is álmodja róla? Gondolom jót fog esni a táp 2x20W erősítő tápja, igaz nem folytonos maxon járatás lesz szóval elég kell legyen a trafó. Valakinek van valami jo panel terve a hidalt verziohoz?(tranzisztorok nélkül).
A hozzászólás módosítva: Nov 4, 2013
(#) reloop válasza Davidd hozzászólására (») Nov 4, 2013 /
 
Szia! Az IC szólóban tökéletesen meg fog felelni. ±16V-ra olyan IC-vel lehetne hidat építeni 4 ohm terheléshez, amelyik 6A kimenő áramot is elvisel. Nézz csak bele a TDA2030 adatlapjába, hogy az mennyit bír?
(#) Davidd válasza reloop hozzászólására (») Nov 4, 2013 /
 
Értem akkor marad szolóban. 8 ohmra is kelégitő teljesítmény adni? Ilyen hűtőbordára lenne szerelve, egy 6mm vastal L idommal, ventillátor nelkül elég hűtés lesz? Másik kérdésem az lenne hogy ez szolna nagyobbat, vagy a vf3?
A hozzászólás módosítva: Nov 4, 2013
(#) reloop válasza Davidd hozzászólására (») Nov 4, 2013 /
 
8 ohm-hoz már megfontolandó a a hídkapcsolás.
A hűtés elegendő lesz.
A VF3 jobban kivezérelhető azonos tápfeszültség esetén.
(#) Davidd válasza reloop hozzászólására (») Nov 4, 2013 /
 
Igen ám lehet olyan felhasználó kezében fog kikötni aki a hidat lazán leterhelné 4 ohmal aztán nem akarnám hogy ic csere legyen mindig, amiatt kérdezősködöm. Ha minden igaz MEV gyártmányu icket fogok kapni. Maradok a sima verziónál.
(#) Gold007 hozzászólása Dec 6, 2013 /
 
Sziasztok! Az lenne a kérdésem, hogy ha sztereó erősítőt szeretnék csinálni TDA2030-cal akkor köthetem őket ugyanarra a tápra? Nem akarok hídkapcsolást, meg semmi speciálist csak simán 2 ugyanolyan mono erősítőt egymás mellé rakni és sztereóként használni
(#) Gold007 válasza (Felhasználó 13571) hozzászólására (») Dec 6, 2013 /
 
Köszönöm!
(#) gyovcsi hozzászólása Dec 10, 2013 /
 
Sziasztok.
Segítséget szeretnék kérni. Megcsináltam a HE 2030-as erősítőjét, egycségcsomagból. Csináltam belőle egy USB-s 5.1-es erősítőt a PC-mhez. A problémám az, hogy az egyik csatorna az 5-ből egy idő után el kezd búgni. Nem jövök rá miért, mert kimérve minden lábon megfelelő, a köbbi csatornával egyező értékeket mérek. A táp mind az 5 végfokhoz ugyan az. A bekapcsolás után kb. 3-4 óráig semmi búgás, gyönyörűen szól mind az 5 csatorna, de 4-5 óra múlva elkezd búgni, és a búgás erősödik. Kikapcsolás és pihentetés után újra bekapcsolva nem búg, de egy idő után megint elkezdi. Mivel az 5-ből kizárólag egy csatorna csinálja ezt ezért nem tudom mi lehet a gondja. Főleg, hogy csak órák után kezdi. A hűtés megfelelő, kézzel érintve langyos a borda. Minden csatoran ugyan úgy van bekötve, ugyan olyan hangszóró van rajta. Ami egyedül zavar, hogy a táb eléggé a max felszültség közelire sikerült, olyan 32-33 V körül ad le. De he ez a gond, akkor miért nem búg a többi csatorna is. Hú, jó hosszúra sikerült, bocs, remélem tud valaki segíteni.
(#) vipera1997 válasza gyovcsi hozzászólására (») Dec 10, 2013 /
 
A trafó nem kicsi hozzá? 4-5 óra alatt felmelegedhet és elmászhat a feszültség vagy átengedheti trafó zúgását is!Puffer mennyi van benne?
(#) reloop válasza gyovcsi hozzászólására (») Dec 10, 2013 /
 
Szia! A tápfeszültség nem kritikus. Azt sikerült tisztázni, hogy egyértelműen a végfok búg és nem a jelforrásból, vagy a jelvezetékből származik? A hibás csatornának adj testet a végfok bemenetére!
(#) gyovcsi válasza vipera1997 hozzászólására (») Dec 10, 2013 /
 
Nem hinném, egyrészt nem melegszik, másrészt bőven felül van méretezve, és külön dobozban van, toroid trafóval, és semmi zúgása nincs. A feszültség meg csont stabil. Ráadásul, ha ezzel lenne a gond, akkor nem csak egy csatorna búgna, hanem mind az 5.
Ez az ami miatt nem értem az egészet, mert ha valami gond lenne a végfokok meghajtásával, akkor 1-nél több csatornának kéne ezt csinálnia.
(#) gyovcsi válasza reloop hozzászólására (») Dec 10, 2013 /
 
Igen, természetesen a bemenetet teszteltem földre zárással, de akkor is búg, szóval nem a jellel jön a búgás.
(#) reloop válasza gyovcsi hozzászólására (») Dec 11, 2013 /
 
Gondolom a 101-es KIT-ről van szó.
Az IC-t ki kéne benne cserélni.
(#) gyovcsi válasza reloop hozzászólására (») Dec 11, 2013 /
 
Az Urbán félét csináltam meg: http://www.urbanelektronika.hu/14wstereo.html
Ok, megpróbálom cserélni az IC-t. Azt viszont had kérdezzem meg, hogy a 2030-as IC-vel kompatibilis a 2040 vagy a 2050? A kapcsolásokat elnézve arra jutottam, hogy igen, bár nem volt még időm alkatrészről alkatrészre átnézni. Mert ha igen, akkor lehet valamelyik nagyobbra cserélem, ha már cserélni kell.
Köszönöm a választ előre is.
(#) reloop válasza gyovcsi hozzászólására (») Dec 11, 2013 /
 
A felsorolt típusok csereszabatosak. Csak akkor váltanék, ha 4 ohm a terhelés.
Következő: »»   227 / 274
Bejelentkezés

Belépés

Hirdetés
XDT.hu
Az oldalon sütiket használunk a helyes működéshez. Bővebb információt az adatvédelmi szabályzatban olvashatsz. Megértettem