Fórum témák
» Több friss téma |
- Ez a felület kizárólag, az elektronikában kezdők kérdéseinek van fenntartva és nem elfelejtve, hogy hobbielektronika a fórumunk!
- Ami tehát azt jelenti, hogy a nagymama bevásárlását nem itt beszéljük meg, ill. ez nem üzenőfal! - Kerülendő az olyan kérdés, amit egy másik meglévő (több mint 17000 van), témában kellene kitárgyalni! - És végül büntetés terhe mellett kerülendő az MSN és egyéb szleng, a magyar helyesírás mellőzése, beleértve a mondateleji nagybetűket is!
Üdv.
Van valakinek valami ötlete hogy tudnám a frekvenciát növelni az alábbi kapcsoláson? Jelenleg elég kicsi, mert alacsony kitöltési tényezőnél látni hogy akadozva megy a motor. Ezért gondoltam hogy a frekvenciát kellene növelni csak nincs ötletem. Előre is köszi a segítséget.
Szia!
Csökkentsd a C1-et vagy növeld az R1-et. Azért a C8 mellé betehetnél egy pár µF-os elkót is, mert lehet, hogy a motor zavarja az 555-öt és azért rángat. Persze a stabkocka elé sem ártana egy nagyobbacska kondenzátor. A hozzászólás módosítva: Aug 4, 2014
Köszi, megpróbálom. A 7806 előtt a trafó után (egyenirányítás után) van két db 1000µF -os elkó, csak a képen nincs rajta. Ez csak egy részlet az egész kapcsolásból.
Berakok a C8 után is egy 22µF -ost próbaképp, de szerintem mindenképp a frekvenciát kell növelni. Arra gondoltam, hogy esetleg átalakítani az 555 -öt egy astabil multivibrátorrá, és amúgy is a 3-as lábán van az egész szabályzó rész amivel a kitöltési tényezőt módosítom, így egy nagyobb frekvenciát tudnék a kimenetre adni és azt szabályoznám. Ez így lehetséges lenne? Elvileg most is egy négyszögjel van a 3-as lábán csak kis frekvenciával.
Üdv!
Tanácsra lenne szükségem egy elektromos áramkőr megépítéséhez. Szeretnék építeni egy "régi villamos jármű" kapcsolást.Ami abból állt hogy egyenáramú motor és a sorba kötött ellenállásokat iktatták ki fokozatosan.Ezzel a motor egyre nagyobb feszültséget kapott és gyorsúlni kezdett.Ezt szeretném modellezni.A kísérletezésnél viszont megbuktam,mert van egy 14,4V-os akkus fúrógép motorom mint tesztmotor.Vettem egy 1k-s ellenállást majd egy 100ohmosat hasra ütés szerűen hogy mit művel.A célom az lett volna,hogy az egyikkel lassabban a másikkal gyorsabban forgott volna a motor.A probléma viszont az,hogy se a nagy se a kisebb értékűvel nem indul meg,és a kisebb értékű még brutál módon melegszik is,pár másodperc múlva forró.A tesztelő áramom 12V 0,5A,ez a motort ellenállás nélkül rendesen viszi,de az ellenállást nem vágja egyből tönkre.Tervem szerint majd a saját 14,4-es akksiról táplálom csak az komoly áramot tud leadni és nem akarok semmit elégetni.Az ellenállások kerámia ellenállások,7W-osak,ilyet tudtam beszerezni.Ebből arra következtetek hogy valószínű az áram az ellenálláson alakul hővé ahelyett hogy eljutna a motorig.Ugyan ezt a kisérletet végig játszottam egy számítógép ventilátoron ami 14,4V-os és gyönyörűen működik.Az 1K-sal lassan forog a 100ohmossal gyorsabban.Valószínű azért van gond,mert a nagy motor nagyobb áramot venne fel. Milyen ellenállást vegyek,hogy ne azon follyon a teljes áram? Remélem azért nagyjából érthető a dolog
Azért mielőtt modelleznél, el kellene mélyedned a villanymotorok lelki világában.
A fúrógépben egyenáramú soros motor, a PC ventilátorban külső gerjesztésű motor van. Eléggé eltérőek a motorok karakterisztikái, és teljesítményei is.
Azt nem mondom hogy tudtam,csak szedtem szét és láttam hogy tök más,igazából a példa azért volt,hogy kis áramoknál működik nagynál meg nem,ha jól érttelmezem.Vagy a motor típusa miatt nem működik? nem csak az áramfelvétele miatt?
Egyidejűleg mérd a motor áramát, és a motoron levő feszültséget is.
Soros kapcsolásnál a feszültség az ellenállások arányában oszlik meg, míg az áram az áramkör minden pontján azonos. Hallottál már a huroktörvényről? Próbáld megsaccolni, hogy egy ilyen motornak milyen nagyságrendbe esik az ellenállása, s rögtön belátod, miért nem forog...
Sziasztok!
Adott négy darab nyomógomb (nem kapcsoló) , és négy darab relé. Olyan egyszerű kis kapcsolást keresek, aminél:- ha megnyomom az egyik gombot, húzzon meg a hozzá tartozó relé, - ha másik gombot nyomok meg, engedjen el a korábban behúzott relé, és húzzon meg a megfelelő gomboz tartozó, - az áramkör bekapcsolásakor minden relé elengedett állapotban van. Milyen néven szerepel ez a kapcsolás, amit keressek? Köszönöm!
Háromfázisú bekötéssel kapcsolatban lenne kérdésem.
Egy daraboló van deltába kötve, ezen cserélek vezetéket, az előző fél tekercs szigszalaggal megtámogatott toldás nem győzött meg. Az lenne a kérdés, hogy a mostani állapotban a nulla és védőföld közösítve van a gépnél, ez helyes-e így? Tehát ugyanígy közösítsem-e most is vagy a nullát hagyjam. Ha jól rémlik hálózat függő, de úgy emlékszem a legbiztosabb ha nincs nullázva, csak a földelés van bekötve. A válaszokat előre is köszönöm!
Nem helyes. A nullát a tekercsre, a védőföldet a motor házára (testre) kell kötni. Egyébként oda a zárlatvédelmed.
Pontosítok, a gyári vezeték 4 eres volt, 3 fázis + föld, motor felé is ennyi megy, a kapcsoló elött most egy 5 eres vezeték van, ennek a nullájával mi a teendő?
Szerintem szabadon kell hagyni, mert a nulla (kék) nincs használatban. A színeknek jelentésük van, a nulla (kék) vezetéken nem vezethetsz védőföldet (zöld/sárga) Jobb lenne azonban ha a szabvány szerinti kábeleket szabvány szerinti bekötéssel használni, mert esetleg még valakinek eszébe juthatna a védőföldet nulla vezetékként használni.
De tényleg jobb lenne a saját topikjában tárgyalni. A hozzászólás módosítva: Aug 5, 2014
Köszönöm szépen. Kis relékről volna szó, így helyettesíthetem a kapcsoló félvezetőt kis áramú tranzisztorral?
Ez tirisztorral működik, hogy hogyan és mivel helyettesíthető arról itt olvashatsz. Négy BT169 azért nem visz anyagi romlásba
Egy TO-220 tokozású eszköz fém hátlapja melyik kivezetéssel van összeköttetésben?
Pl. LM2596 esetén a GND-re tippelek FQP30N06L esetén pedig a source-ra. Jól sejtem?
Igen, általában az ilyen tokoknak a középső lába van a házra kötve, de ha megnézed az adatlapot, ott rá van írva a lábkiosztás, és rá van írva, hogy gnd a háta.
Általában igen, de mindig ellenőrizni kell az adatlapot.
A hozzászólás módosítva: Aug 5, 2014
Kimértem és a FET-nél a drain-nel van összekötve... Pedig mindenhol azt írták a neten, hogy a source-cal szokott összeköttetésben lenni :O
Ide süss. Itt a drain a közepe, azzal van összekötve.
Nem rég olvastam, a tranzisztornál mindig a kollektor lábát kötik össze a fém lappal, mivel a kollektor melegszik a legjobban. Pontosabban nem össze kötik hanem a kollektor a jobb hűtés érdekeben közvetlenül a hűtőlapra van építve.
Néztem az adatlapját, de ebben nincs leírva, hogy a tok össze van kötve a drainnel. Mindenesetre ez a középső lábas ökölszabály hasznos volt, köszönöm.
![]() elektroncso: köszi, igazából azért kavarodtam meg mert a FET angol nyelvű wikipedia oldalán azt írják hogy a source-szal van összekötve, a HamWiki oldalán szintén. A hozzászólás módosítva: Aug 5, 2014
Üdv!
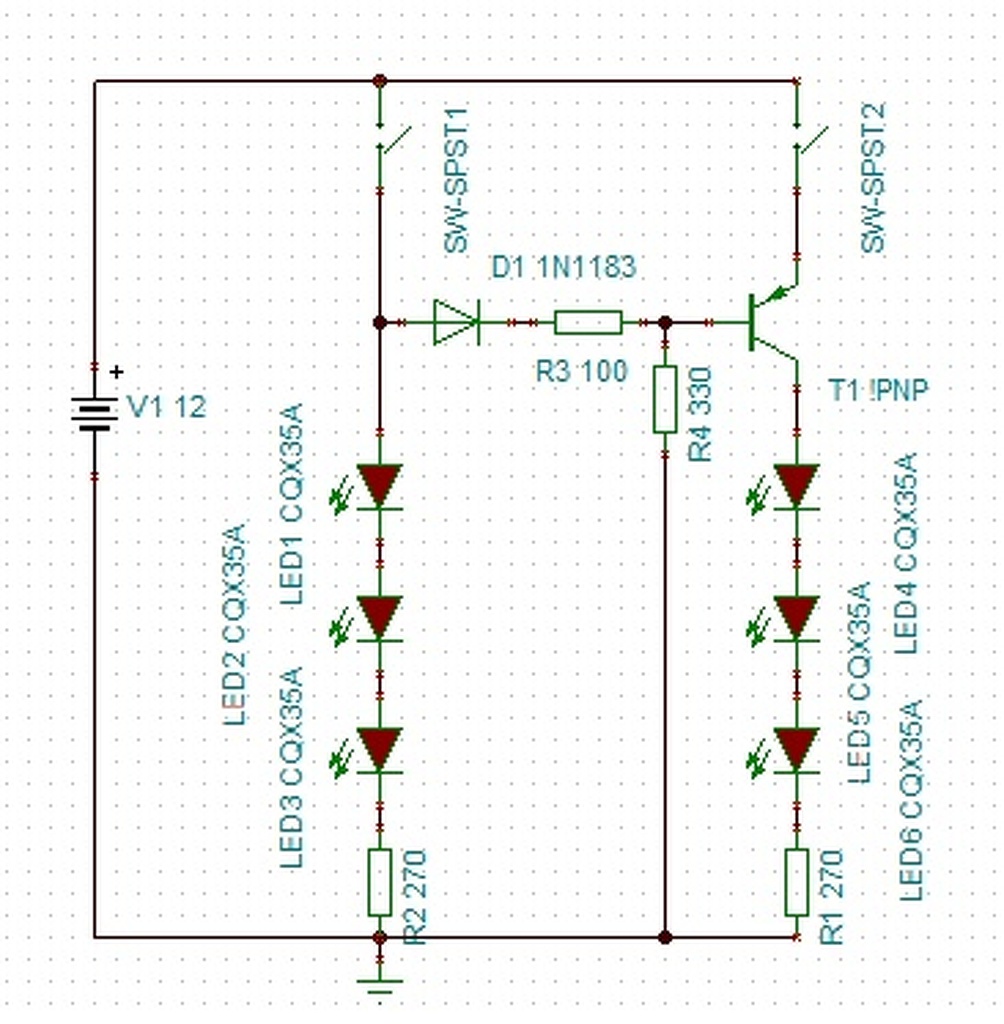
Szeretnék egy kis vezérlést megoldani, minél egyszerűbben. A lényeg, hogy van két kapcsolóm (áramforrásom), de az egyiknek 'prioritása' van. Azaz, amíg az 1-es bekapcsolva van, a 2-es nem által kapcsolt LED-ek nem működhetnek. Ezt persze relével és bontó érintkezővel lenne a legegyszerűbb megoldani, de ha lehet, inkább tranzisztorral (FET-tel) szeretném. Kigondoltam egy PNP tranzisztoros áramkört, de a Tina szimulációjában nem úgy működik ahogy elképzeltem (az ellenállások és LEDek értékei nincsenek kiszámolva, csak 'hasrapacsi'). Meg tudjátok mondani , hogy miben hibáztam? A hozzászólás módosítva: Aug 6, 2014
Talán valahogy így gondoltad. A te kapcsolásodban a tranzisztor bázisa mindig föld felé van húzva SW1 állásától függetlenül.
Köszi, de sajnos nem véletlenül írtam hogy áramforrásom van. A + feszültség adott mindkét oldalon, a test közös és állandó.
Valószínűleg nem bonyolítom, kap egy dil tokos bontó reed-relét, és pont.
Értem, akkor valami ilyesmi kellene (SMD-ben befér a reed helyére
).
Köszi, hogy foglalkozol vele, de sajnos ez se jó (az én hibámból, mert nem írtam jól elsőre a feltételeket). Ebben a verzióban külön külön nem tudnak működni a ledek, csak együtt, vagy kizárólag a jobb oszlop.
De ne törd magad, egyszerűbb egy 4lábú( max 8) dil relét beraknom, mint minimum 2 tranyó + 4 ellenállás. Köszönöm, hogy időt szakítottál rá!
Sziasztok,
Egy kapcsolási rajzon az egyik kondenzátor 0,1µF és két párhuzamos vonallal van ábrázolva: -||- A másik pedig 1µF és egy egyenes és egy görbe vonallal -|(- van ábrázolva. Mi a különbség a kettő között? Persze a kapacitáson túl. Köszönöm, L. A hozzászólás módosítva: Aug 6, 2014
|
Bejelentkezés
Hirdetés |













