Fórum témák
» Több friss téma |
Fórum » Földhurok, avagy mit csináljunk, mikor minden zúg
Témaindító: A Jani, idő: Ápr 17, 2006
Témakörök:
Üdv ismét. Arra szeretnék rájönni, hogy ez tulképp tranzistoros vagy IC-s keverő? Az oldalon eddig általam talált keverők kapcsolási rajzával ez teljessen ellentétes. És nem értem miért.
Gyári keverő lévén, okozhat e gondot hogy a föld nincs egy pontba kötve. Vagy, hogy a stab ic hűtő felülete nincs közös földre kötve? Esetleg az árnyékolt kábelek vastagsága okozhatja ezt a búgó hangot?
Ez egy régi keverő, Az általad említett háttérbúgás mindig van? Illetve hogyan kötöd össze, lehetséges az is hogy a tápszűrő kondid megadta magát, ha a brum 50HZ es
100 Hz -et akartál írni, nem? Az egyenirányító után 100 Hz -es a puffereletlen egyenfeszültség, a szűretlensége miatti brumm is 100 Hz -es.
A hozzászólás módosítva: Jan 11, 2014
Szio, igen amikor a laptopot, vagy a tv beltérit csatlakoztatom RCA kábelen. A tápszűrőt kiakarom cserélni, de nem tudom az értékei lehetnek e nagyobbak. Az eredeti 35V 1000 mf.
Arra gondoltam, hogy a gyári árnyékolt vezetékeket kicserélem vastagabbra, hátha az okozza. De pl érdekes hogy gyárilag van igy kialakitva, hogy ezen vezetékek közül csak néhány van mindkét végén a panelen a földre kötve. a többi az aljzatoknál van közös földön.
De amúgy télleg nagyon régi keverő, probáltam keresni kapcsolási rajzot hozzá, de reménytelen. Gondoltam talán a gyártó honlapján találok valamit, de ez is reménytelen.
Sziasztok!
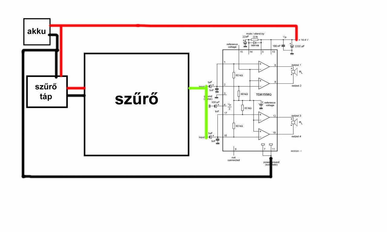
Után építettem a tervek alapján egy hidalt verziójú TDA1558Q erősítőt. Olyan problémám lenne, hogy egy motor aksiról tesztelem, egy autós SAL mélynyomóba kerül aminek meghalt a beépített erősítője. A hangszóró dupla tekercse ezért választottam ezt. Olyan problémám lenne, hogy ha egy tápról hajtom meg az erősítőt és a hangváltót akkor valószínűleg földhurok keletkezik és a hangszórót lengeti ki-be. Ha az erősítőt pl laptopról hajtom tökéletesen szuperál. Ha a szűrőt rá kötöm a házimozira, akkor nincsen baj, megy szépen. Ha a végfokot hajtom meg másról tökéletes, amikor összekötöm a meleg pontokat a panelok között onnantól indul meg a baj. Valószínűleg földhurok lesz vagy valami. A membrán ki-be jár. A hangerő változtatásával változik a frekvencia. Mind ez 0 bemenetnél is. A szűrő táp csak az aktivnak biztosítja a feszültségeket, a negatív át megy rajta csak, A két panel közötti hangnak az árnyékolását nem kötöttem össze, mert mind a kettő a nullán van. Találkozott valaki ilyen esettel, illetve valakinek lenne ötlete hogyan lehetne orvosolni a problémámat?
Biztos, hogy nem földhurok, csak gerjedés, oszcilláció.
És azzal mit tudok tenni. Amikor raktam a szűrő kimenete és a 0 közé egy ellenállást akkor nincs ez a baj, viszont a hangerő kevesebb. Vagy ha berakok egy kerámia kondit a hang közé akkor nem leng a hangszóró de a hangerő semmi.
Én szkóppal keresgélném, hogy honnan is kezdődik a jel.
Az sajnos nincsen itthon.
De akkor amikor házimozira kötöm a hangvágót miért nem jelentkezik a probléma?
A laptop van ugyan ugy ugyan azzal a kábellal, csak annyi, hogy a házimozi árnyéka megy a nullára rá ilyenkor.
Ezt nem igazán értem, máskor a nulla nincs rákötve?
De rajta van, mert a nulla közös és az aksin van a csillagpont.
ne az aksin legyen a csillagpont, mindent köss be szépen sorba.
Próbáld ki azt, hogy a jelforrás és a keverő közé köss be egy csatolt kép szerinti leválasztó trafót. Csodát tesz.
Első ránézésre biztosan nem tűnik túl bizalomgerjesztőnek az a két bekötés amiket képeken csatolok, de próbáld ki őket. A tankönyvben tanultak alapján én sem értek ezekkel egyet, de tapasztalatból írom, hogy sokszor beválik az ilyen kötés.
Holnap reggel az első dolgom lesz kipróbálni őket!
A második bekötés zseniális
![]() Semmi gond nincsen így vele, lekopogom gyorsan. Délután meghajtom kicsit megbeszéltem a szomszédokkal, mielőtt baj lenne. Majd értesítek a fejleményekről.
Tökéletesen szuperál!
Köszönöm szépen mindenkinek a segítséget!!
Sziasztok!
Innen jöttem át ide: http://www.hobbielektronika.hu/forum/topic_post_1568741.html#1568741 Elolvastam a hozzászólásokat, de a fenti hozzászólásban leírt problémámat csak nem tudom megoldani. Az a probléma, hogy ha mindkét végfok ugyanazt a jelet kapja, pl. ha a sztereo végfok bal oldali bemenetét rákötöm a 270W-os bemenetére, akkor minden búg. Ha külön-külön adok nekik jelet, akkor minden OK. Csináltam képeket is az épülő munkáról. Előre is köszönöm a segítséget!
A trafó felöli nyákon a lehető legrosszabb helyen van a bemenet, pont a trafó mellett. Annak a kábelével viszed bele a brummot a rendszerbe. Nagyon fontos a belső elrednezés és a trafó árnyékolása.
Köszönöm! Megpróbálom úgy átrendezni a belsőt, hogy minél messzebb legyen a toroid a végfokoktól, rövidítsek a toroid és az egyenirányító nyák közötti vezetékeken is? Illetve ami furcsaság az az, hogy csak akkor búg, ha a két végfok bemenetét közösítem és ugyanazt a jelet kapja mindkét végfok. Ha a jelet csak az egyik végfokra vagy csak a másikra kötöm, akkor még egy icipici búgást sem hallok.
A trafó kábelén nem kell rövidíteni. Akkor van igazam, ha a bemeneti kábelt fel-le mozgatva változik a búgás erőssége.
Próbálom mozgatni a jelkábelt, még erősen neki is szorítottam a trafónak, de nem változik szignifikánsan a búgás. Egy viszonylag halk fülre 100Hz-es búgást hallok, 1 m-ről már nem hallható. Még egy infó, hogy a bemenet egy tablet (próbáltam okostelefont is), ami közvetlenül rá van kötve a végfokokra, nincs poti vagy hasonló az útjában. Ha a végfokok bemenetét rövidre zárom (földelem), akkor teljesen tiszta búgásmentes a kimenet.
Szia! A 270W-os panelnek nem kell teljesítményföld, kösd ki azt a vastag testre menő drótot. Az NE116 panelről elvileg elég ha a jelkábel árnyékolásán keresztül kapja meg a testet a jelet is gondolom onnan tervezed hozni. Hallgasd meg milyen hatással ez a bekötés a búgásra.
Ezeket a vékony cipőfűző árnyékoltakat én nem tenném be a jelútba, csak a bosszúságom volt velük eddig .
Jól sejtem, hogy a bemeneti RCA aljak a fémházzal galvanikus kapcsolatban vannak ? Mert akkor az nem nyerő! Ugyanígy a kimenetek egyike se legyen ott a csatlakozónál testen! A hangszórókra menő nullavezetékkel sem kéne spórolnod, a csillagpontból mindkettőt jobb lenne külön vinni. Na meg ekkora trafóhóz, teljesítményhez nem lesz kevés az az egyenirányító híd?
Szia! Kivettem a vastag földvezetéket a 270W-os panelről és a jelkábelen keresztül kapja a földet. Jelentem tökéletes az eredmény, nyoma sincs még a legkisebb búgásnak sem! Álmomban sem gondoltam volna, hogy ez a probléma, nagyon szépen köszönöm!
Köszönöm! Gyakorlatilag egy olcsó jack-rca kábelt áldoztam be, ki fogom cserélni valami minőségibb kábelre. Az RCA és hangszóró kimenet aljzatok nincsenek galvanikus kapcsolatban a házzal, mondjuk szigetelve nincsen, csak úgy raktam be, hogy "nem ér hozzá". A ház maga érintésvédelmi földre van kötve. Rendben, a hangszóró nullákat külön átkötöm a csillagpontra.
B80C7000-4000 híd van beépítve, így az adatlapot nézegetve tényleg lehet, hogy kevés. Pufferkondinak 2x20000µF volt berakva, lecsökkentettem 2x10000µF-ra most, hátha az okozza a búgást. Mint kiderült nem az, így visszarakom a másik két kondit is.
Sziasztok!
Építettem egy úgynevezett kis keverőt magamnak.Van benne kivezérlés jelző,hangszínszabályzó és egy aluláteresztő szűrő.A hibája pedig az hogy zúg. Ha a kivezérlésjelzőt lekötöm akkor valamivel halkabban zúg de még ez is elég zavaró.Ha nincs a keverőm bemenetére a jelforrás (ebben az esetben a számítógép) kötve akkor alig hallani a zúgást.Egy nagyon pici van de ez nem zavaró. Ha csak simán az erősítőre közvetlenül rákötöm a számítógépet akkor is csak egy nagyon pici zaj hallatszik. Ez a hangszínszabályzó van benne. Bővebben: Link Ez az aluláteresztő szűrő van benne. Bővebben: Link Ez a kivezérlésjelző van benne. Bővebben: Link Egy középkivezetéses trafó van benne.Ez lát el mindent feszültséggel. A képen látjátok mit hogyan kötöttem be. |
Bejelentkezés
Hirdetés |











Ha a kivezérlésjelzőt lekötöm akkor valamivel halkabban zúg de még ez is elég zavaró.
