Fórum témák
» Több friss téma |
Így első körben akkor kipróbálom hangváltóból való minőségi kondikkal aztán majd meglátjuk lesz-e valami változás.
Próbálj ki minél több fajta alkatrész, a hozzáférhető árkategóriából. Ha van rá mód akkor régi műszerekből nagyon jó alkatrészeket lehet kibontani. Az olajpapír kondenzátor sem biztos, hogy a legjobb választás, inkább azt mondanám, hogy bizonyos rendszerekben nagyon jól szerepel. Sokfajta alkatrészt ki lehet próbálni, főleg kondikból. Mindenki másra esküszik és szerintem igazuk is van, mert valószínű, hogy nem egyazon rendszeren hallgatják.
Meg fogsz lepődni, hogy mennyire el lehet rontani egy jó elektronikát egy nem oda passzoló alkatrésszel. De ezt egy már működő áramkörön tudod kipróbálni. Sokan, /köztük Én is/ örülünk, ha egy áramkör beindul és működik, nemhogy még utána nekiálljunk alkatrészeket cserélgetni. Pedig megéri! Persze a hangfalaknak is tudni kéne, ezen részletek megszólaltatását. Majd mindjárt jön "köbzoli" és jól az orromra koppint, hogy akkor az nem jó erősítő , ha az alkatrészek hangja is számít a kapott hangzásba.
Szia! A hangzáson a legegyszerűbben az alkatrészek válogatásával vagy a tranzisztorok cseréjével tudod megváltoztatni a hiragánál. Mivel a jel utjában ha jól emlékszem nincs kondi,próbálj a kapcsolásban megadott értékű alkatrészeket válogatni.
Próbálgatom azóta is, még beszerzek különböző kondikat csatolónak. Van valamilyen ajánlás hogy milyen értékű legyen? Láttam már sok félét alkalmazni...
Másik dolog, ráakadtam egy érdekes kapcsolásra, szintén A-Osztályban. Vetnétek rá egy pillantást? Hátha már látta valaki... Még kevesebb az alkatrész benne. 4W-ra írták a leadott teljesítményt. A hozzászólás módosítva: Jún 20, 2013
Egy kicsit keveslem a 470µF-ot a tápnál, oda inkább 4700µF kellene vagy nagyobb. Esetleg mindkettő a jobb szűrés miatt. Ki kell próbálni, akár még jó is lehet. Bár Én egyenlőre letettem az "A" osztályról.
Csatoló kondikat melyik kapcsolásban próbálgattad? Sokszor a gyári jelforrás /CD, PHONO, stb../sem használ megfelelő csatoló kondit. Nálam pl a CD lejátszóban 47µF/25v os ELKO-k voltak. Aztán kipróbáltam egy pár más kondit is és az 1-2µF/250V-os fóliával szebben muzsikál. Ennél is a különböző típusú és gyártmányú, eltérő hangzású. Aztán idővel majd kialakul, hogy melyik tettszik pl. becsatolónak vagy melyik válik be kicsatolónak.
Igen, volt mellette egy rajz a tápról is, ez csak a szűrés miatt van.
Csatolókat a Hiraga Le-Monstre-ban variálom, bár rajz szerint nincs is benne csatoló én tettem bele, mert féltem a rákötött eszközöket. Ha már így szóba került, megkérdezhetem hogy te mit hallgatsz most?
Megépítettem még egyszer a Hiraga 8W panelt, sikerült belőni a nyugalmi áramokat, szimmetriát is.
Egy kisebb gond van vele, ami megoldására egyenlőre nincs ötletem. Halkan szól. Kb. mint egy jobb telefon hangereje, szóval közel sem 8W a kivezérelt teljesítmény. Nyugalminak 0.7A állítottam be, szóval nem ezzel van a gond. Talán nem kap elég jelet a meghajtó tranzisztoroktól? Mit próbáljak ki? Esetleg egy jobb erősítésű tranzisztor meghajtónak?
Üdv! Hivatkozás. Az erősítést az R10/R9 állítja be, ellenőrizd az értéküket! Tippem az R9 jóval nagyobb 10 ohm-nál.
Üdv! Köszönöm a segítő hozzászólást, megoldást adott! A 220 ohmot a trimmerrel helyettesítettem, de sikertelenül, a 10 ohm után. Köszönöm még egyszer!
Sziasztok!
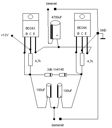
Találtam itt a forumon egy egyszerű és kevés alkatrészt igénylő kapcsolást. ... és van hozzá egy 18,5V 120W notebook tápom. Kérdés: Megbírkóznak az alkatrészek a nagyobb feszültséggel vagy valamit ajánlatos cserélni? (esetleg próbáljam meg egy kisebb 12V-s tápnál?) Mekkora hűtő felület szükséges a kapcsolásnak?(18,5v / 12v) Kb. mekkora a felvett és a leadott teljesítménye?(18,5v / 12v) Egyéb hasznos tanács amit érdemes megfogadni építés/üzemeltetés során? Asztali számítógépről / notebookról kapná a jelet, többnyire szobai használatra. Előre is köszönöm a segítséget! A hozzászólás módosítva: Okt 21, 2013
Ez tényleg egy nagyon egyszerű kapcsolás. Túl egyszerű. Nem a tápfeszültséggel van a probléma. úgy nagyjából 30 V -ig mindegy. Viszont nincs benne semmi áramkorlátozás. A tranzisztorok a jellegzetességüknél fogva szeretne hőhatására "megfutni". Minél nagyobb hőmérsékletű a réteg, annál jobban nő a kollektor áram, annál jobban melegszik, stb.
Ezt kompenzálni kellene. Erre valók az emitterben a kis értékű ellenállások, amik itt hiányoznak. Persze ha a tápnak nagy a belső ellenállása, az is korlátozza az áramot, de a kivezérlést is. A két tranzisztor bázisai közötti diódák szerepe, a munkaponti beállítás, és hőkompenzáció. Mivel a kapcsolásban csak az egyik bázisból másik bátzisba folyó áram folyik át rajta, nem is tudom így hogy működhetett egyáltalán. A diódákon külső áramforrásból kell állandó áramot átfolyatni,úgy, hogy a bázisokon a megfelelő pontenciál legyen a tranzisztorok megfelelő munkapontjának beállításához. Azonkívül, mivel emitterkövetős kapcsolásról van szó, aminek a feszültség erősítése kisebb mint 1, jó nagy bemenőjelet kellene a bemenetére adni. Szóval, szerintem felejtős a dolog, a kapcsolás a gyakorlat számára használhatatlan. Ha viszonylag egyszerű kapcsolást akarsz, készíts egy végfok IC -s kapcsolást, ha kiválasztod a számodra teljesítmény, és tápfeszültség szempontjából megfelelőt, akkor az IC adatlapján ott a kapcsolási rajz is. És nem is "A" osztályú erősítő. A hozzászólás módosítva: Okt 21, 2013
Köszi a választ,
de mostmár nem értem ezt a cikket. ![]() A cikkben taglalt kapcsolás ugyan az mint az általam belinkelt.
A cikkek csak egy adott véleményt tükröznek. Feltehetően szakmai hiba nincs bennük.
Én nekem hasonló kapcsolás van a keverőm végén bd 139-140-es tranyókkal. Kifejezetten nem szeretem a hangját fejhallgatóval. Nyers és durva. Érdekes módon ha továbberősítem azaz nem alacsony inpedancián terhelem, akkor megfelelő a hangja, de nálam a keverő tápjáról megy, ami nem A üzemre készült...
Előkerült a szekrényből a 20 éves Stax elektrosztatikus fejhallgatóm. Ehhez sajna kevés a Canamp fejhallgató erősítő, kellene egy annál nagyobb teljesítményű. Tudnátok ajánlani valamit, ami A osztály, és kis méretben megépíthető, de a Canamp teljesítményének legalább háromszorosa? Vagy esetleg a Canamp módosítható úgy, hogy megfeleljen az elvárásnak?
Levente! Készítettem egy szimulációt ennek a kapcsolásnak a nyugalmi áramára. Mint láthatod itt 2,5A fog folyni, ami a 40V táppal 100W disszipációt eredményez. Három dolgot kell csinálnod: hűteni, hűteni, hűteni
![]() Jó hír 20W is kijön belőle
Nos beindult :> Nállam üresjáratban 80W ot kajál meg. A hangja szinte síráshoz visz . Nagyon szép a hangja majd jönnek a tesztek. Lessz kép is.
Nos
elkészültek a mérések. Elnézést először is a gyenge minőségi képekért. Másodszor a scópom is egy régi román kiadás. Ezért nem a legszebb a kép.E=42 V U be=840 mV Z=7.4 Ohm.3 mérést végeztem 10Hz-100Hz-1Khz / 5V/T +-12 V ot szedtem ki belőle ez 8Ohm kb 18W 4 Ohm on 36W . A hangja fantasztikus( nem hittem mikor először mondtad) Megfelel egy kisebb rezsónak is. Megvagyok elégedve vele. Üdv:Levente
Hát, remélhetőleg a szkópod torzít ennyre, vagy a generátorod, mert ha az erősítő kimenetén valóban ezek a jelek vannak, akkor az nagyon gyenge dolog... A szinusz nagyon a háromszögjelre hajaz...
Szia! Így 1,5Hz-en van a felüláteresztő töréspontja. Ha lejjebb viszi a stabilitás rovására mehet.
A szkóp figurázik. Ha mondjuk növeltem volna a periódus nagyságát hogy csak 1 rezgés látszódjon akkor tökéletes szinusz
Nagy pillanat lehetett az Alien számára
![]() Sajnos az erősítő hűtésébe bele szoktak fáradni az építői, a trafót is rendesen túl kell méretezni. Alkalmas évszakot választottál a kipróbálására, kánikulában már hajítottad volna kifelé. A kapcsolás érdekessége azon kívül, hogy egy áramgenerátorba dolgozó teljesítményfokozatot tartalmaz (ami messze jobb linearitású mint amivel AB-osztályú végerősítőkben eddig találkozhattál, igaz hatásfoka pazarló mint a gőzmozdonyé), szóval nem használ teljes átfogó visszacsatolást. Az átfogó visszacsatolás ugyan rengeteg hibát kiszűr, de az áramkör parazita kapacitásai miatt nem tudjuk a teljes hangfrekvenciás sávban időben érkeztetni a hibajelet a kiértékelő pontra. Parányi nem várt csillapításoknak és túllövéseknek biztosítva ezzel melegágyat, amit az emberi fül szokatlanul rosszul tolerál, szemben a harmonikus torzítások egyes fajtáival, amiből akár 1-2% meg se kottyan. Nem mondom, hogy amit építettél az hangfrekvenciás erősítők csúcsa volna, de elfér egy erősítőkkel foglalkozó amatőr polcán, érdekes összehasonlításokat lehet vele végezni.
Hát igen nagy pillanat volt ez. Az egész úgy indult hogy elkészítettem 350W os stúdió erősítő paneljeit, beforrasztottam az alkatrészeket csak várom a rendelésemet hogy hozzák a tranzisztorokat bele. S vasárnap nevében szétnéztem hogy mik hányódnak erről-túl s rátaláltam ezekre a Fet-ekre. Számtalan erősítőt készítettem már de ez megfogott. Annak ellenére hogy sokat pazarol eldöntöttem hogy megérdemel egy komoly nyákot. Ezért hamarosan készítek egy sztereó erősítőt ebből.Tapasztalat szerzés gyanánt is jóvolt ezt elkészíteni. Még egyszer köszönöm a segítségeid, tanácsaid.
![]() Üdv:Levente A hozzászólás módosítva: Jan 12, 2014
Elkészült végül Ez is Stereo Class A.
Jelenleg be van kötve és szépen melengetem a műhelyemet. Üdv:Levente
Szia!
Ez kapcsolás alapján elkészítettem az enyémet, és szépen szabályoz, de UT+ a negatív és UT- a pozitív kimenet. Meg tudnád nézni, mit rontottam el?
A kérdés tárgytalan, jól működik, csak addig cserélgettem a mérőkábelt, amíg sikerült felcserélnem...
Már kezdtem megijedni az előző hozzászólást olvasva
szia!_kb mekkora a nyák?
A hozzászólás módosítva: Jan 21, 2014
Üdvözletem!
Olvasgattam a témát (38 oldalig), de a legkisebb erősítő, amit találtam, 8 W-os kimenő teljesítménnyel rendelkezik. Kedvelem a jó hangzást, ezért is nézelődtem itt, viszont a pazarlást nem. Mivel nem üvölt az itthoni hangrendszerem soha, az alábbi feltételeknek megfelelő erősítő érdekelne: - 1-2W kimenő teljesítmény - legfeljebb 6-8W teljesítményfelvétel - egyszerű felépítés, próbanyákon megvalósítható legyen - 4 és 8 Ohm-os hangszórókat meghajtson (ne derékszögbe )- abszolút csak a végfok kell, mert vonalszintű jelem van egy Behringer MON800-ról, ha pedig mégis kevés lenne, majd meghajtom pl. egy NE 5532-vel Elegendő egy kapcsolási rajz, majd rászabom a próbanyákra. A hangrendszerem érdekes felépítése miatt nem is csak kétszer, hanem négyszer kell majd megépítenem (Arctic Sound S361). Adódik ebből még egy probléma: valami egyszerű hangváltót kellene varázsolni a végfokok elé, hogy a megfelelő hangszórók csak a nekik való frekvenciatartományt kapják meg (mély/magas). A feladvány megfejtőjének cserébe fel tudok ajánlani házi készítésű szörpöt például. (Akár a receptjét is, de azt már csak a hangváltóval együtt ) |
Bejelentkezés
Hirdetés |
















