Fórum témák
» Több friss téma |
hi!
én is bontottam ki egy két cuccot, amiről nem tudom micsodaíák. asszem videolejátszóban voltak. olyanok mint a kis kerámiakondik, de az van rajtuk pl h 1kV. Nem tudjátok miu lehet az? kössz: uili
Kondenzátorok, egész kis méretbe is vannak 1-2kV-osak.
Ha valamiből kitermeltek egy alkatrészt, nézzétek meg a nyákon lévő jelzését is, sokat segíhet annak megállapításában, hogy mi az.
Uli: igen, valószínű kondenzátorok. Biztos táprészből valók.
Ez nem teljesen ide tartozik de nem találtam neki való helyet igy ide teszem.
Igen régi memória modul DIP 16 tokban. 1975-ös gyártmányú készülékből.
Én DC/DC átalakítóra tippelek 5V be 15V/45mA ki. Amiből kibányásztad, ott lehetne látni igazán.
Valószínű lehet, mert valami tápból van.
Csak azt nem értem miért igy csinálták mikor van mellette egy fél kiló súlyú beöntött 220/5 V-os 1A stabilizátor kinézetű alkatrész. Nem lett volna egyszerűbb 15 V-ot is kirakni a stabra?
Ezek galvanikusan, el vannak, választva. Ha a trafóra teszi, ki kell alakítani a tápot. Így lehet hogy, olcsóbb. Nem kell figyelni a 15V –ot. Ha kapcsoló üzemű táp, akkor elég a 5V stabilan tartani. Két feszültséget, nem lehet stabilan tartani, egyszerűbb kettő tápot építeni. Így egy egységgel meg van oldva.
Sziasztok!
Belém nyilalt a vasút modellezési vágy... csak gondot okoz sajnos a számomra még az infrával való vezérlés... van nekem ilyen alkatrészem (csatolás) és nem tudom hogy most ő egy fotótranzisztor?! vagy csak egy sima sensor?! nem tudom lehet-e ezt használni a HE-n találtaható kapcsolásba?! HE vasútmodell ha ezt nekem valaki megtudná mondani azt nagyon megköszönném! Skip
szia!
ez szerintem infra vevő ugyan ilyt láttam 1 PIONEER dvd-lejátszóban is
Helló. Van egy alaplapom.
Nem tiszta uj, csak ugy kaptam. Kipróbálatm és rákötöttem : 1. a tápegységet 2. a grafikust 3. és a HDD-t. (rammot nem tetem bele, mert az nem volt) MIkor bekapcsoltam, a LED kivilágitot az alaplapon, és a CPU ventije forgott (celeron 1,3GHz) Ezek után oyaln kiégett alkatrészszag csapta meg az orrom. Gyorsan kikapcsoltam, és mindenhol gyorsan fogdostam, hogy hol meleg. És megvolt a hiba. Utánna megnit bekapcsoltam, rátettem az ujjam a melegedő alkatrészre, és cirka 5 másodperc alatt, oylan forró lett, hogy nem birtam rajta tartani az ujjam. Le is fotóztam az alkatrészt. Egy magyar odlal sem irt róla, ugyhogy szerintem nem lehet javitani, bár sose tudni. Kérlek segitsetek, hogy mit tegyek vele. Ez egy elég jó alaplapnak tűnik. (alkatrész: 60N03L - de végül milyen alkatrész is ez? )
köszi
ÉS mit tudnék vele csinálni, hogy ne forrósodjon, és működjön?
Hárítsd el mögötte a rövidzárat, illetve a nagy terhelést, majd cseréld ki, ha nem élte túl. Egyik sem lesz könnyű munka. Kérdezzük meg a szakiktól, meghibásodhat-e úgy egy MOSFET, hogy megnől az Rds-on? (Ohmos nagyságrendig) Lehet az is, hogy a vezérlés nem nyitja ki teljesen?
az baj, hogy körülötte van egy kis retek? (száraz homok, vagy por)
Az igen!
Én azt szoktam csinálni, (igen, mára már szokásommá vált, és bevált a dolog) hogy zuhany alá az egészet, majd alaposan kiszárítom. Jelszó: Az elektronikai alkatrészek nem vízben oldhatóak...ám pl rádióknál nem célszerű ez a móka!
lemértem sipolós multival, 5 ilyen mosfet van az alaplapban. 4 egymás melett és 1 távolabb. Ami 4 egymás melett van, abból a 3. és a 4. mosfet szerinem megadta magát. akárhogy rákötöttem, csak sipolt meg sipolt. Az első 2 mosfet nem melegedett, de annak a középső lába, és a 3 lába sipoltatta a műszert. az jónak tűnik. És az ötödik. Az nem sipolt sehogy, de valami értéket mutatott, és nem is melegedett. A mosfetek melett vannak a pufferkondik, azoknak a teteje eléggé pupos, és valamék teteje minhta ki lett volna puposodva, és aztán benyomták. Egy másik észrevétel. a proci melett van egy másik kisebb-nagyobb IC. ennek az ic-nek a az alján, tehát a másik odlaán egy alkatrész ki vantörve. ez befolyásolhatja? vagy a kondik? avgy a retek?
Több sebből vérzik ez az alaplap! (Nem semmi: javítva volt? Visszanyomták a púpos kondit?
) Én nem foglalkoznék olyan alaplappal, amiből hiányoznak az alkatrészek. Megfigyelve korunk iparát, ami nem kell azt biztos nem teszik bele. A legtöbbször még azt sem, ami kellene. Nem hinném, hogy lehetne, illetve érdemes tovább butítani egy kommersz technikát.
sziasztok
ps1 ben van1 ic asszem amivel "kichippelik" ho másolt cd hez is jó legyen nah annyit tok róla hgy 8 lábú és ez van rá írva: 12c508a 04/phbp furaM 9844 előre is köszi
Ez eddig világos, de mi a kérdés?
Amúgy egy jófotó nem ártana róla, már csak a Idézet: miatt sem...„furaM” Ja, és ha lehet, a továbbiakban légy szíves, és mellőzd a messenger-stílust! ( Idézet: , „van1 ic” Idézet: , „asszem” Idézet: , stb.)„ho” Köszönjük!
Üdv mindenkinek? Ezekeről a trafókról szeretnék megtudni valamit (pl hány VA-es, 220V-ról hány voltra transzformál le). A nagy sárga trafóra ez van írva: 7700B BCK-02 YM.
A kis sárgára: 7700-1 HI-POT OK A pirosra: 7700-2. Egy rossz PC tápról van szó. Felpúposodott benne egy kondi. A válaszotokat előre is köszönöm. Bocsánat a minőségért, telefon volt csak nálam.
Mivel a pc táp az kapcsoló üzemű, nem valószínű, hogy valamelyik trafó 230 ról transzformálna.
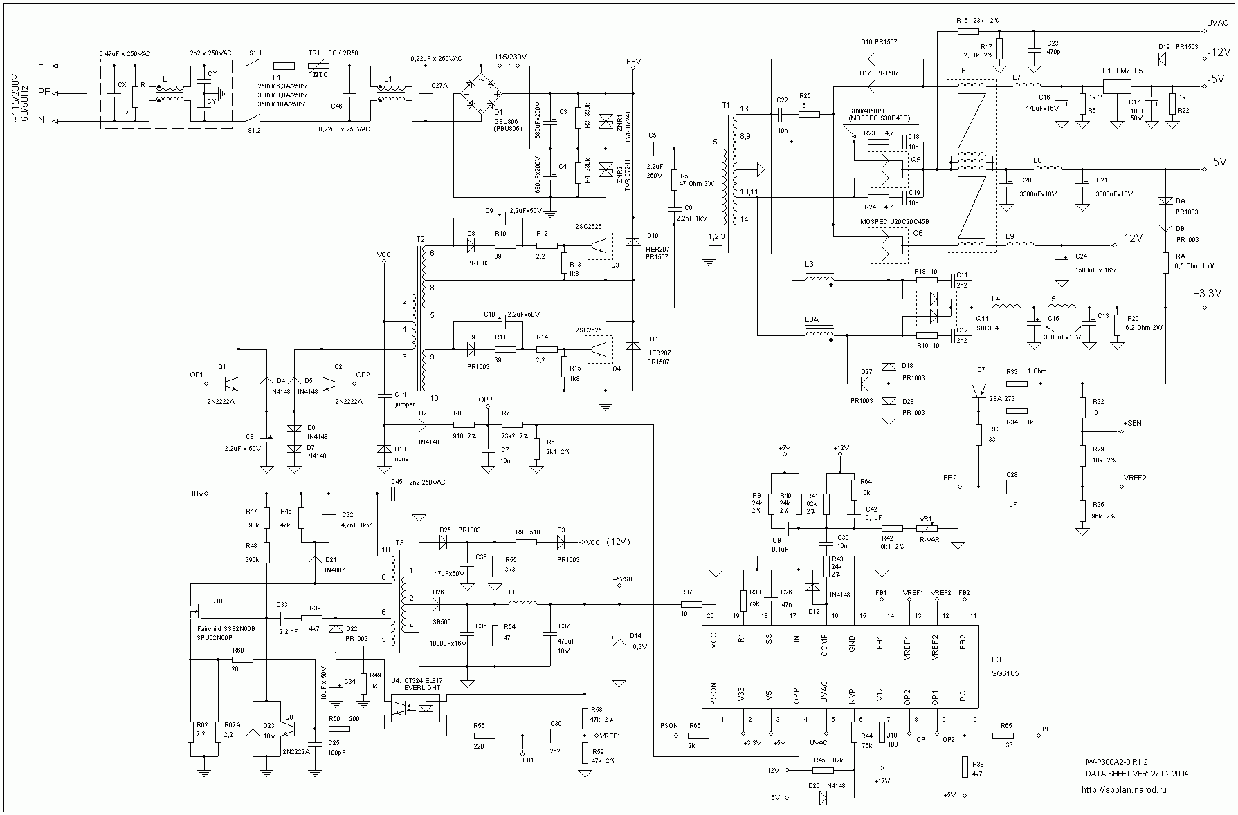
Jellemzően magasabb frekvenciával dolgoznak. Itt egy táprajz hátha ki tudsz okoskodni valamit belőle.
ha más megoldás nincs ohm mérővel nézdd meg lábait és ki tudod következtetni melyik a primer melyik a szekunder kör és kis feszültséggel kipróbálhatod mennyik transzformál fel ill le... ezzel arányos ki tudod számolni 230 ból mennyit csinál...
Skip
hy!
nem biztos hogy fog neki működni hisz ha jól tudom ezeket a trafókat több száz Hertz-re tekerik (azt én semm tudom hogy hány Hz) de egy próbát megérhet...
Egyik se hálózati transzformátor! Ha a hálózatba csatlakoztatod a biztosíték bánja ! Ezek a trafók 70-100Khz en müködnek.
szia!
én nem mertem Khz-et írni nehogy leszidjanak érte |
Bejelentkezés
Hirdetés |










ÉS mit tudnék vele csinálni, hogy ne forrósodjon, és működjön? 

) Én nem foglalkoznék olyan alaplappal, amiből hiányoznak az alkatrészek. Megfigyelve korunk iparát, ami nem kell azt biztos nem teszik bele. A legtöbbször még azt sem, ami kellene. Nem hinném, hogy lehetne, illetve érdemes tovább butítani egy kommersz technikát.










