Fórum témák
» Több friss téma |
Halihóóóó!
A második tényleg lehet frekimérő, az első viszont katonai cucc. (Ilyen hülye kifejezést a technikai eszközökre, hogy "gyártmány", sehol máshol nem használnak. Valamikor a történelmi idők hajnalán, valakinek ez jutott eszébe, mint az orosz "izgyélije" magyar megfelelője). A 9M14P1 egyébként egy ma már nem használt páncéltörő (tankelhárító) rakéta kódja. Gondolom ilyened nincs, , úgyhogy legfeljebb alkatrésznek tudod használni.
Köszi szépen a válaszokat. A katonai cuccot szétbontom a frekimérőt megpróbálom megcsinálni egy kis segítséggel!
Üdv!
Ez a kapcsolás mire való? Hogyan használandó?
Hali!
Szerintem is szakadásvizsgáló. Gondolom a két mérócsúcs között vizsgálja a szakadást. Szerintem a P1-et úgy kell beállítani, hogy IC1 neminvertáló bemenetén a fesz egy kicsivel kisebb legyen. (vagy fordítva...?...) Ha az A-B pontot összekötöd (nincs szakadás) akkor az IC1 kimenete alacsony szintre kerül, megszólal a zümmer. - szerintem...
Hello, Köszi a válaszod. A bemenete teljesen szimmetrikus, a potival vagy szimmetrizálni kell (nem szól) vagy kibillenteni? (szól) A mérőcsúcsok állapota ezen úgy tűnik nem változtat HACSAK nem feszültség alatti vizsgálatról van szó, ehhez mit szólsz?
Ez biztos hogy az. Tenném még hozzá hogy ez ugynevezett roncsolásmentes szakadásvizsgálo mivel annyira kicsi árammal dolgozik a müv.erősitő bejárata hogy akár nagyon érzékeny IC-kel tele áramkört is vizsgálhatunk vele anélkül hogy el kellene távolitani belőle a tokokat.
Úgy, ahogy mondod:
Idézet: „roncsolásmentes szakadásvizsgálo mivel annyira kicsi árammal dolgozik a müv.erősitő bejárata hogy akár nagyon érzékeny IC-kel tele áramkört is vizsgálhatunk vele” csak nem akartam túl hosszúra húzni a hsz-t. Medve: Mellesleg Ferenczi Ödön - Elektronikai receptek III. című könyvében van hasonló. A Poti szerepe is olyasmi, mint abban, azért írtam a potiról azt, amit írtam. A mérőcsúcsok összezárása pedig szerintem azt eredményezi, hogy IC1 mindkét bemenete azonos fesz-re kerül. (Vedd figyelembe az ellenállások, ill. poti értékét.) ...ha jól gondolom...
Ferenczi? Tudtam, hogy láttam már valahol! Köszönöm a válaszokat!
A teljesség kedvéért közzéteszem Titi által "linkelt" kapcsolást. Igazán hasznos és egyszerű műszere lehet kezdőnek, mesternek egyaránt. Az OPA bármi egyéb, lehetőleg alacsony feszültségű típus lehet. Az 5 oldalas alapos leírást közzéteszem, ha valakit érdekel.
Titinek: Jól gondolod.
Aztán ha Fet bemenetü müv.erősitővel még kissebb lehet a vizsgálóáram. Harmadszor kombinálni lenne érdemes a kettőt akkor van fény és hangjelzés is. Az jobb mert nem kell felnézni a kapcsolásból, mert ugye mindig akkor csúszik le a mérőtüke csinálva valami rövidzárat. / Murphy után szabadon/
Terrrmészetesen!
De ahogy belegondolok: "banándugó"-mérőtüske-ónozott pad. Megannyi esetleges átmeneti ellenállás...lenne ott trilla rendesen.
Nálam is igy van, mivel az a szemétláda Murphy már annyira befészkelte magát hozzám hogy már ő nyit ajtót ha csöngetnek. Azért csináltam hangosra az infra tesztert is.
Sziasztok!
Van egypár kvarcom, de nem tudom őket azonosítani, pl. KDS0C. Ha van valakinek táblázata hozzá, vagy valami infó, azt megköszönném.
Hello, szám nélkül igy elég sovány, félő, hogy be kell rezgetni egy kristály-ellenőrzőben s rámérni frekimérővel...
Vagy leosztod hangfrekvenciáig és összehasonlítod füllel egy ismert kvarccal.
Köszi!
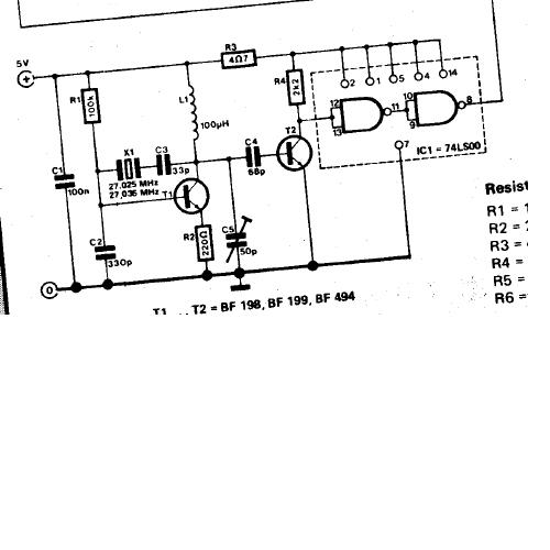
Esetleg tudnál egy ilyen Kristály-ellenőrző rajzot adni?
Hogyne!
Bocs a ferdeségért, de ilyen dizájnos volt az elektor. A LED a rezgőképességet jelzi, bármelyik kapcsoláshoz hozzátűzheted. Sajnos úgy sejtem, hogy órakvarcra egyik sem alkalmas.
Köszi szépen, így már azt hiszem jutok valamire velük!
Uff
Ha házilag "kell" vezetékazonosító-szakadásvizsgálót készíteni, a kontroll fényt lehetne a mérőtüske szárába is tenni. Ott szem előtt lenne .... Boccs én röfögtem...
Lehetne még fejleszteni...50mV az óvatos, 0,8V a tranzisztoknak, 2,5V pedig a diódák átmeneteinek vizsgálatához.
kérdezni szeretnék
azt szertném kérdezni hogy az elektrotechnikai kapcsolások c. konyvben a 24 szolamos zenedobozba kell egy IC az a neve hogy TMS 1000-MP 3318 és semmilyen uzletben nem találom és szerintem ez az IC eléggé oreg konyvben volt na szoal mi ennek az Icnek a megfeleloje??? ja és a Texas Instruments gyártja vagy gyártotta szoval segitség kéne honnan lehetne beszerezni. Koszi
Hali!
Szerintem reménytelen...legalábbis kishazánkban... De ha mégis sikerül találnod, feltétlenül szólj! Köszi! (Ja egyébként a 3318 francia dalamokat tartalmaz.)
Eggy alkatrészre lenne szükségem a száma BTS2140-1B vagy N347AN hol lehetne beszerezni valaki segítsen és mi lehet ez? előre is köszi
sziasztok!
ma szét néztem itthon hogy miből élünk és ezeket teláltam: - 4DB BU508 - 3DB MJE15030 - 2DB BD435 - 2DB BD 135 - 1DB BD 136 - 2DB BD 234 - 1DB BD 436 ezekből mit8ket) lehet építeni?
- Gigantikus tengeralattjárót, illetve
- Szuperszonikus űrszondát SEMMIKÉPP SEM!
ezt gondoltam h nem jó a humorotok :taps:
de most komolyan mire jók ezek?
Tehát a kérdésed, hogy mire jó a tranzisztor? itt megtalálod a választ, de ajánlhattam volna a Googlet is. De most karácsony van.
nem értitek a kérdést
az lenne a kérdésem h mit tudok ezekből építeni pl: erősítő stb-stb de inkább nem is fárasztok evvel senkit
Üdv!
MJE15030: "...use as high-frequency drivers in audio amplifiers." BU508: "...use in large screen color deflection circuits." BD435: talán vmien kapcsolgatós dologhoz jó... BD 135: "Driver stages in hi-fi amplifiers..." BD 136: nem értem (vagyis értem csak nem bírom megfogalmazni )BD 234: ez is vmien kapcsolgatós marhaság BD 436: detto
Üdv!
Ezt az alkatrészt egy USA gyártmányú készülékből bontottam. Mi lehet? Elnézést a kissé homályos képért. |
Bejelentkezés
Hirdetés |




A 9M14P1 egyébként egy ma már nem használt páncéltörő (tankelhárító) rakéta kódja. Gondolom ilyened nincs,
, úgyhogy legfeljebb alkatrésznek tudod használni. 

Bocs a ferdeségért, de ilyen dizájnos volt az elektor. A LED a rezgőképességet jelzi, bármelyik kapcsoláshoz hozzátűzheted. Sajnos úgy sejtem, hogy órakvarcra egyik sem alkalmas. 









