Fórum témák
» Több friss téma |
Fórum » Házilag építhető fémkereső
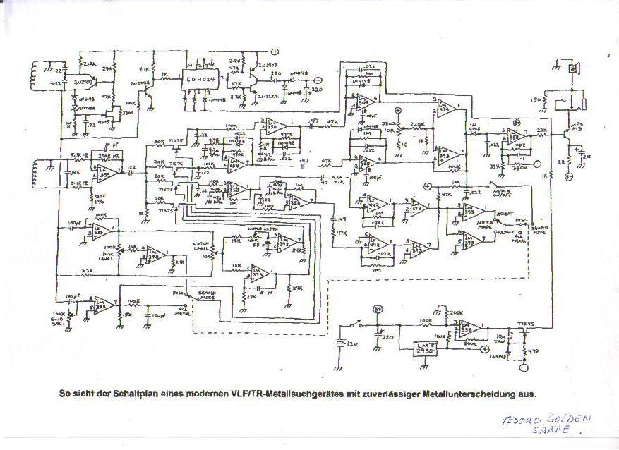
nekem van másik rajzom
Ez a Golden Sabre, a szóban forgó rajz pedig ennek a Light verziója. Mint a hurkapálca: vattacukor light.
A hozzászólás módosítva: Feb 2, 2014
Igen, és rajta van, ami a másikról lemaradt és tán segít megérteni.
Azért az oroszokat az esztétikai törekvések mindig megkülönböztették más népektől.
sőt:ezen a rajzon még jobb
Igazából azt sem értem, miért kell egy egyszerű dolgot "lite-osítani" főleg ha lényegi elemek kimaradnak (lényegtelenek meg benn maradnak, mint a szóban forgó műv. erősítő), bár ezeket azért szokták valahova kötni, hogy ne önállósítsák magukat zajoktól és esetleg ne kavarjanak tokon belül a a másik lelkivilágába. Mellesleg az eredeti sabre egy egész jó detektor volt szerintem, bár én nem használtam. A hozzászólás módosítva: Feb 2, 2014
Azt hiszem befejeztem egyenlőre a gépet,a legkisebb érme fogó szűréssel 30-ról már ad jelet de inkább 25cm ami tiszta,megcsináltam hogy legyen hangerősség változás is.Ha elmegy a fagyos idő,akkor mehet terepre.
Ez már jónak számít? Bővebben: Link
Gyorsan lerajzoltam saját verziójú PI detektoromat. Viccesen el is neveztem TomPI v0.0 -nak.
A 741 ic. kimenetén lévő válaszjelet szkópon nézted? Én helyedben megpróbálnám gyors ic. -vel is. Pld. az LF356 már kellően gyors, elterjedt típus. Vagy szkópábrát feltennéd, ide.
Igen szkópon néztem, de még nem tudtam elmenteni, mert kellene vennem egy pendrive-ot. Gyorsabb ic-vel is próbáltam, de akkor ugyebár túl gyors lesz ehhez az áramkörhöz, és a bemeneti pozitív tüske megjelenik a műveleti erősítő kimenetén negatív irányban, ahhoz meg már mintavételezés kellene. A 741 fall time-ja 0.5V/us tehát ha az offsetet úgy állítom be, akkor a pozitív tüske megjelenésekor a kimenet elkezd esni 0.5V-ot mikroszekundumonként, így 20us alatt 10V ot esik. Én úgy állítottam be az offszetet, hogy gyakorlatilag pont egyenes legyen a szkópábra az imulzusok között. Tudom, hogy ez így nem a legprecízebb, de végülis működik. Hozzáteszem nem tanultam iskolában elektronikát, mindössze nagyon érdekel, és most hogy szert tettem egy digitszkópra, szerintem elég jó tapasztalatszerzés fémkeresőt építeni.
Azért gyorsan megprópáltam illusztálni miről is lenne szó.
Szia!
A 741-et miért nem felejtetted el rögtön az elején? Pár Hz-ig jó, de ennyi.
Ide pont ezért jó! Igy nem kell mintavételezés! Éppen a lassúságát használom ki! Bocsánat az előbb elírtam a rise time helyett slew rate 0.5V/us.
A hozzászólás módosítva: Feb 2, 2014
Ha jól gondolom, nem biztos, hogy kell ide a lasúság. Esetleg elsimítja a negatív válaszjelcsúcsokat, amiből a csúcsegyenirányító képezi a jelet. Lehet, hogy gyors ic. "hegyesebbre" mélyebbre húzná a válaszjelcsúcsot, nagyobb jelszintet adna.
Próbálgatás, ha van hozzá kedved. Egy 20Ft.-ost milyen távolról érzékel?
Meg lehetne próbálni, de pl a tl071 az meg már teljesen kivezérlődik negatív irányban. Hopp de most ugrott be, ha az impulzus kezdetétől, egy monostabillal lenntartom a bemenetet, akkor ez állítható is lenne. Adtál egy új ötletet. Köszi.
A hozzászólás módosítva: Feb 2, 2014
20 Ft-os kb. 20cm.
Pont azért kell bonyolítani (mintavétel stb.) hogy ne 20cm legyen hanem esetleg 30. Aztán ha kiviszed majd terepre egyből nem lesz 20cm hanem lehet hogy csak 5, mert jelezni fogja a talajt is.
Ez nem is rossz egy ilyen egyszerű szerkezettől. Bár attól is függ, hogy mekkora energiájú impulzusokkal dolgozik a masina. Mennyi az áramfelvétele, illetve milyen széles impulzusokat kap a tekercs, azaz a fet tranzisztor. Gyengébb elektronika nagyobb árammal ugyanaz lehet, mint komolyabb elektronika kis árammal. Az áram, azaz impulzus energia leginkább az impulzus hosszától függ, egy értelmes határig.
280v az impulzus csúcsa. Egy 12v 4Ah -ás akksiról teszteltem építés közben amit csak a legelején töltöttem fel. Az impulzusok kb 3khz el mennek. Egy hét alatt nem merült le.
A hozzászólás módosítva: Feb 3, 2014
Kinyomoztam a kapcsolási rajzot ami alapján módosítgattam a tgsl-t,kiderült hogy egy White's IDX pro volt,a vevőerősítő,komparátor és szűrők szinte egy az egyben megegyeznek vele.
Az idx-nél megfelezik a 8 voltos tápot,+4v,-4v,nálam ez +10v,-8v. Nem ismerem a gépet,jónak számít?
A whites-ok általában jól diszkriminálnak, a tesorokra is írnak ilyesmit, de olyat én még nem láttam. Azért a két gép között van némi különbség, így kissé fura őket összeollózni, de majd a gyakorlat eldönti.
Sajna, az amatőr gyakorlat mindenáron a mélységbe akar odaverni a gyárinak. Ez nagyon hősies, csak nem mindig értelmes. Egyrészt mint írtam már, csak rómára kéne vagy 50 féle érme terepen tesztelve, hogy tudjad, nem hagy el a gép, és csak utána érdemes a mélységet nézegetni. A másik, hogy pl egy régész ott keresőzik, ahol kell és örömmel mindent kiás, vasszögtől a kapáig. Azonban ha valaki nem tudja, hol az pici terület amit érdemes keresőzni, és azt akarja megtalálni, jobban jár ha target infot kap a hangból, mert igen bosszantó fél métert ásni minden vacak lemezdarabért, ugyanis nem jutsz el időbe a helyig, sőt, a mező szélétől sem jutsz 1-2 méternél messzebb, kevés esély találni valami értelmest. Sajnos még a youtubon sem lehet kitalálni a gépek ilyen képességét, mert ott is mindenki a távolságra törekszik, holott nincs aránytalanul több érték 20cm mélyen mint 15. Szerintem fontos, hogy egy gépnek legyen "gain" érzékenysége, vagyis ne Van audio/nincs audió legyen és nagyon fontos, hogy a hang adjon valami útmutatást arra, milyen a tárgy, pl éles, dinamikus egy szabályos célra, pl gyűrű vagy érme, kásás egy fóliára vagy régi pléhdoboz darabra (amivel van minden mezőn bőven a konzerv, vetőmag, permetes dobozból, régi telekjelzőkből). Egyébként meg jó az idő, tessék kint letesztelni a masinát! Idézet: „Egyébként meg jó az idő, tessék kint letesztelni a masinát!” Az. A 15 centis havon van fél centi vastag jég.
Nagyon gyorsan megy 3KHz-el, így rengeteget fogyaszthat. Általában 100Hz körüli frekin mennek. Az impulzusok száma harmincadrésze 100HZ-en, ezért fogyaszt lényegesen kevesebbet. Ha esetleg lelassítod, az impulzusidő ne legyen hosszabb, csak a szünetidő. És az egyenirányító időállandóján is valószínűleg módosítani kell. Az enyémen 110us impulzusidő, amíg a tekercs áramot kap. Ezután 12ms szünet, majd újra impulzus. Áramfelvétele-fogyasztása: 40mA. Az impulzus csúcsa 500V körüli.
A működési frekvencia szondaméret függő is. Egy 2x2 méteres keretet tovább tart fölgerjeszteni, mint egy pici fejet, ezért a méretek növekedésével csökken a frekvencia, azért, hogy az impulzusok ne legyenek egymás seggében. A kis fejnél viszont azért is érdemes lehetőleg több impulzust nyomni a fejre, hogy gyorsabban reagáljon a gép. Egy kis fejjel, 100Hz-en nagyon lassú lesz a géped. Ha gyorsabban lendítesz, akkor jelzés nélkül ellegyintesz egy érme fölött, csak azért, mert 4-5 impulzus jutott csak rá, és abból nem lett értékelhető eredmény az elektronikában. A mélykeresőnél nem gond az alacsony frekvencia, mert egy kerettel nem tud az ember kapkodni.
Ahogyan elnézem a rajzokat,az smw2 is az Idx pro-ra épül,rengeteg minden megegyezik.
A mélység az csak jött magától,ahogy kicseréltem a vevő erősítőt,kaptam közel 10 centit pluszban. Jobb az smw diszkriminálás mint a tesoro? Nálam még tgsl disk van.
Átgondoltam jobban a keresődet, tényleg lassú ic. kell ide. Ez nem követi az pulzusválasz csúcsot, ami negatív határig lemegy, ugyanerre megy utána a hasznos jel is, valameddig.
Így az egyenírányító állandó negatív telített lenne. mateatek. Ezzel a kérdéssel nem is foglalkoztam, kis érmét rövid, de kellő ideig jelzett. Legalábbis úgy vettem észre. Megpróbálom dupla sebességgel. Csak kis fej van. A hozzászólás módosítva: Feb 3, 2014
Nos úgy döntöttem, hogy megcsinálom először ezt a 0.0-ás verziót teljesen készre, letesztelem, majd utánna jöhet a többi verzó. Végülis a tapasztalatszerzés fontos dolog. Meg kell próbálni mind a kettőböl kihozni a maximumot. Majd élesben meglátom mit művel. Tudom, hogy van még mit finomítani rajta, de csak szép lassan egyenként. Közben már felötlött bennem egy harmadik verzió is. No de az még odébb van. Ha valaki esetleg látott már valahol ilyen elven működő PI-t az ossza majd meg velünk.
Sziasztok , azt szeretném kérdezni hogy a tgsl tekercset elkészítettem ohmikusan jó , de induktivitásra 6,5 mH helyett 8.8 ----rádióknál ez sok de itt nem tudom, sokat számít? mert a freki így alacsonyabb lesz - előre is köszönöm ha valaki mondana valamit rá.Tx inductance: 6.0mH
Tx resistance: 18 – 25 Ohms Tx resonance - About 14.5 kHz Rx Inductance: 6.5mH Rx resistance 18 – 25 Ohms Rx resonance with 15nF – About 16.1 kHz A hozzászólás módosítva: Feb 3, 2014
smw, tgsl, igsl, ezeket mateatek tudná, jó lenne ha egyszer le írná, mit tudnak, hogy jeleznek.
A disc nem pontosan definiált fogalom, a vasszűrés már a legtöbb gépen nagyon jó, a fentieken is kifogástalan szerintem. Abban lehet esetleg versenyeztetni őket, mennyire jelzik a találatot vas közelségében. A whites-ok igazán a target ID (tárgyfelismerésben) voltak (és most is) nagyon pontosak, csak az utóbbi időben ezt már rengeteg gép tudja és ezeknél a szűrés már a végén, az ID alapján történik, ezért kevéssé csökken az érzékenység a szűréseknél. Ehhez kell még egy csatorna a hagyományos geb és disk csatorna mellé. De ez már inkább a digit gépek világa. Én ugyan építettem ilyet műszeres kijelzéssel és vízben használtam, de egy 22karát feletti arany, alu fillér és egy ezüst megkülönböztetése már elég necces az ID számos gépeknél is, műszerrel meg lehetetlen, mindig lesz amit rossz helyre sorol így a műszeres megoldást nem javaslom senkinek, bár volt pár régebbi gép, ami így működött, csak rettenetesen bonyolultak voltak (már a használhatóak). |
Bejelentkezés
Hirdetés |















